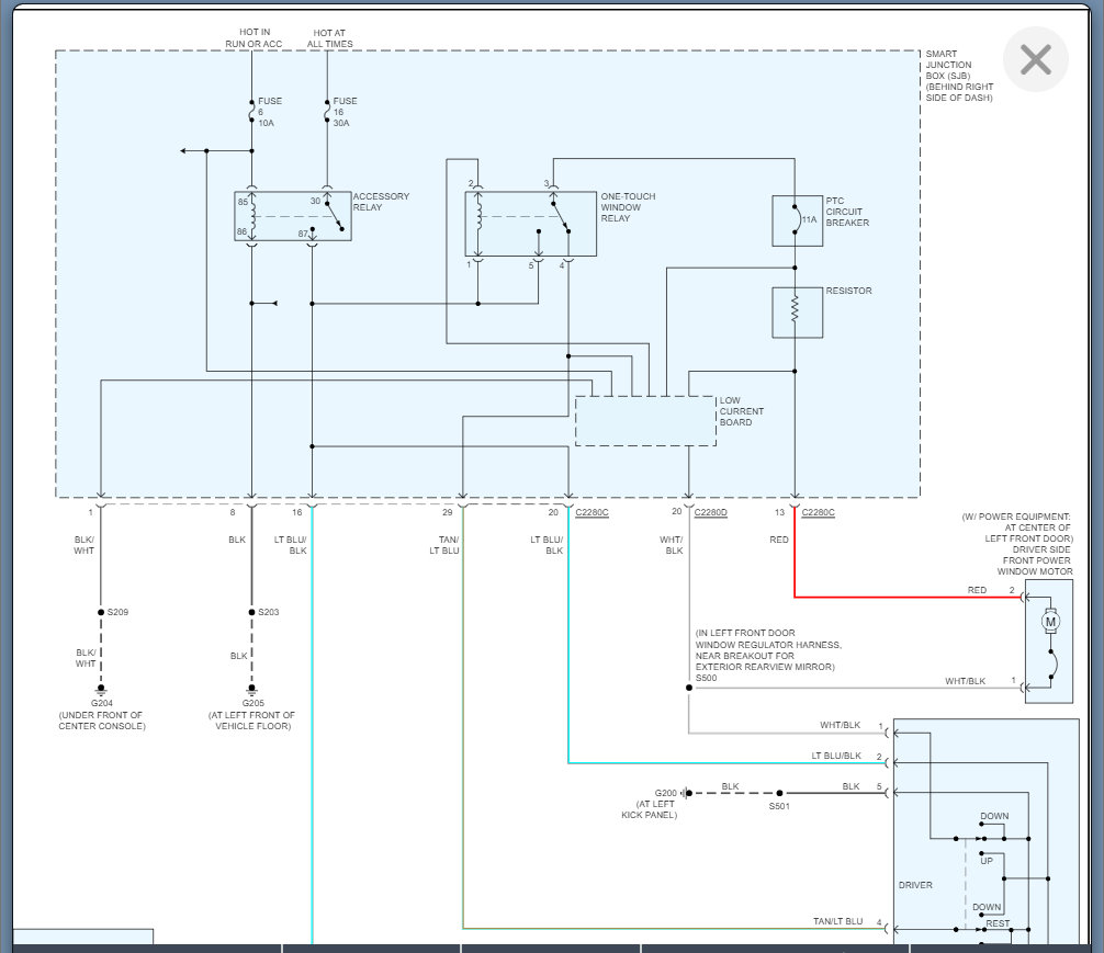
Power windows stopped working after replacing the window's main switch

2005 FORD RANGER
120,000 MILES • 4WD • MANUAL
Avatar
SHAUN RODA
  • MEMBER
  • 2 POSTS
I removed the window's main switch and when I put it back all windows were unresponsive.
Mar 6, 2022 at 12:05 PM
Repair Safety Notice: This information is for general instructional purposes only. Vehicle repair can be dangerous. Verify all information, follow manufacturer service procedures, use proper tools and safety equipment, and consult a qualified repair shop when needed.
Advertisement
Avatar
KASEKENNY
  • CAR REPAIR CONTRIBUTOR
  • 18,907 POSTS
Sounds like a possible fuse or relay issue.

Did you have the battery hooked up when you removed the switch? Sometimes they cause a fuse to pop when the battery is still hooked up.

Here is a guide that will help with checking and replacing these:

https://www.2carpros.com/articles/how-to-check-a-car-fuse

https://www.2carpros.com/articles/how-to-check-an-electrical-relay-and-wiring-control-circuit

If all this checks out, then we need to go to the switch and check the power at the switch and if there is power then I think the switch just failed.

https://www.2carpros.com/articles/how-to-check-wiring

Please run through this info and let us know what you find. Thanks
Mar 7, 2022 at 12:44 PM
Advertisement
Avatar
SHAUN RODA
  • MEMBER
  • 2 POSTS
I figured the button that's used for locking all windows isn't functional anymore, every time it's pressed it retains to its normal position it seems like whatever used to hold it down when it locked windows isn't doing so anymore, what could be the problem, there is also a small piece of steel that fell off and I'm failing to locate its position.
Mar 8, 2022 at 8:37 AM
Avatar
KASEKENNY
  • CAR REPAIR CONTRIBUTOR
  • 18,907 POSTS
Just to be clear you didn't replace the window switch, you just removed it and reinstalled it?

However, no matter what if the switch was working prior and it is not working now then the switch must have broken, or the connections are not fully seated.

As for the metal piece, I am not sure what that would be based on this picture. Where did this fall out of? The window switch?
Mar 8, 2022 at 5:03 PM