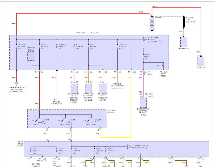
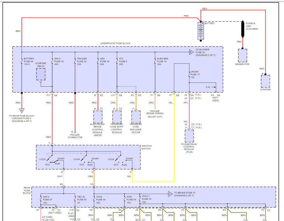
Monday, October 1st, 2018 AT 3:23 PM
All my gauges were not working, the windows or radio quit working. Well we unhooked the battery to reset it and now the vehicle will not crank.










