Vehicle will not crank after disconnect and reconnecting the battery

Tiny
KELSEY43
  • MEMBER
  • 2 POSTS
  • 2002 CHEVROLET TRAILBLAZER
  • 200,000 MILES
Started this morning then shut off, dash lights on, turned the key, will not turn over or even click. Dash lights go out when I turn the key. Has new battery, put new key switch on, checked all fuses, reset security. Can jump solenoid to turn over starter, but still does not start even with key turned on.
Was this
answer
helpful?
Yes
No
Friday, October 5th, 2018 AT 11:45 AM (Merged)
Tiny
JDL
  • MECHANIC
  • 16,098 POSTS
I would still have to be sure the battery has a full charge, battery connections all good. I wondered about your security system. Most pass-lock systems are fuel injector disable, only. Should not effect starter motor. Usually two voltage circuits at the starter, one comes from battery, hot all the time, you may need to check actual voltage reading not a testlite. The other voltage circuit goes hot with key in crank position and is wired through starter relay. Also, check neutral switch. There are several fuses you need to check, not only check the fuse, check the fuse circuit for voltage. The starter motor should ground through engine block
Was this
answer
helpful?
Yes
No
-1
Friday, October 5th, 2018 AT 11:45 AM (Merged)
Tiny
KELSEY43
  • MEMBER
  • 2 POSTS
Checked that all, still nothing, won't turn over with key. I can jump solenoid and turns over but won't start.
Was this
answer
helpful?
Yes
No
Friday, October 5th, 2018 AT 11:45 AM (Merged)
Tiny
KEN L
  • MASTER CERTIFIED MECHANIC
  • 55,488 POSTS
It sounds like you have a positive battery cable that has gone bad, here is a guide that will help you.

https://www.2carpros.com/articles/car-cranks-but-wont-start

Let me know what you find

Best, Ken

Was this
answer
helpful?
Yes
No
Friday, October 5th, 2018 AT 11:45 AM (Merged)
Tiny
2CP-ARCHIVES
  • MEMBER
  • 4,540 POSTS
  • 2003 CHEVROLET TRAILBLAZER
  • 21,000 MILES
Can't get my engine to crank, has new battery, new starter, new starter relay, new ignition switch, still the engine will not crank, it will crank if you jumper the starter, whats wrong?
Was this
answer
helpful?
Yes
No
Friday, October 5th, 2018 AT 11:45 AM (Merged)
Tiny
CARADIODOC
  • MECHANIC
  • 34,489 POSTS
You didn't mention the neutral safety switch.

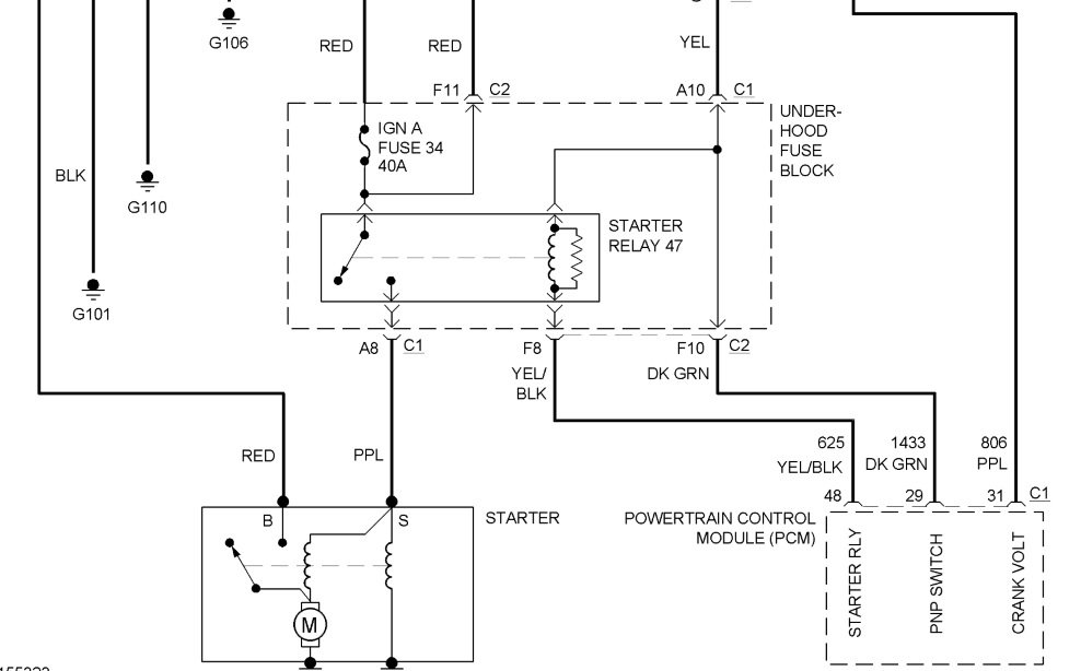
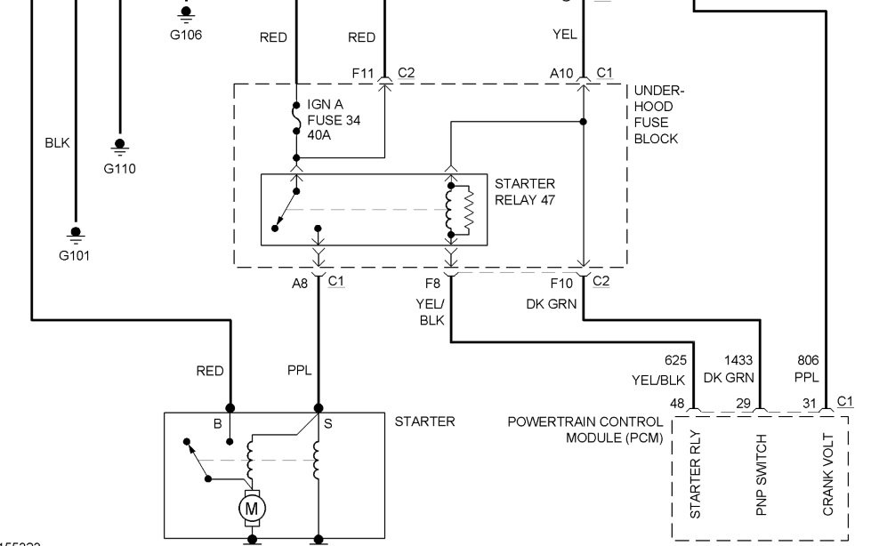
If you have the service manual, look for the starter relay on the wiring diagram. There are four wires to it. You can split the system into four circuits there and test each one right from the relay socket to see which has the problem. I'm sorry that I can't get into the service manual sites but in general, you should find one terminal has 12 volts all the time and one should have 12 volts when the ignition switch is in the "crank" position. Those two terminals are on the same side, (at least that's how they are on a '98 model). The other two terminals should read continuity to ground. One reads through the starter solenoid on the starter, which we know is working because you're jumping it. The other one is either grounded directly or it goes to ground through the neutral safety switch. GM had different wiring versions for different years and models.

To boil it down, use a test light with the ground clip on the battery's negative terminal, then probe the four terminals in the relay socket. Identify the two terminals with 12 volts; one all the time and one with the ignition switch in "crank". Move the test light's ground clip to the battery's positive post, then probe the other two terminals. The test light should light up on both of them when it's in "park". Of the three that do not have 12 volts all the time, one of them should change when you shift out of park or neutral.

If all four circuits test okay, either there is a computer involved in the circuit or the terminals in the socket are stretched. For stretched terminals which do cause a lot of trouble, the system will often work if you push the relay sideways while a helper turns the ignition switch.
Was this
answer
helpful?
Yes
No
Friday, October 5th, 2018 AT 11:45 AM (Merged)
Tiny
2CP-ARCHIVES
  • MEMBER
  • 4,540 POSTS
  • 2002 CHEVROLET TRAILBLAZER
  • 120,000 MILES
No crank no power at #30 cavity at starter relay in fuse box
Was this
answer
helpful?
Yes
No
Friday, October 5th, 2018 AT 11:46 AM (Merged)
Tiny
DOCFIXIT
  • MECHANIC
  • 18,828 POSTS
What is location of fuse box? #30 if underhood is for AC
Was this
answer
helpful?
Yes
No
Friday, October 5th, 2018 AT 11:46 AM (Merged)
Tiny
2CP-ARCHIVES
  • MEMBER
  • 4,540 POSTS
  • 2002 CHEVROLET TRAILBLAZER
  • 20,000 MILES
What fire was running fine and I changed radio out for newer one and now it won't crank. Not getting any spark.
Was this
answer
helpful?
Yes
No
+1
Friday, October 5th, 2018 AT 11:46 AM (Merged)
Tiny
JDL
  • MECHANIC
  • 16,098 POSTS
Check primary voltage at the ignition coil, pink wire goes hot with the key on. That circuit is fuse protected, maybe you blew a fuse, somewhere.
Was this
answer
helpful?
Yes
No
Friday, October 5th, 2018 AT 11:46 AM (Merged)

Please login or register to post a reply.