Turn signals and emergency flasher not working and will not start

Tiny
GRAMPAS5150
  • MEMBER
  • 2003 SATURN ION
  • 4 CYL
  • 2WD
  • AUTOMATIC
  • 268,000 MILES
All turn signals work except left rear. New bulbs have been put in. The signal indicator flashes one time when I turn on the left turn signal and that's it. The right side works perfect. Emergency flashers don't work at all. I don't think the button even clicks. Also the car has started fine. I start it every two days or so. This morning it was completely dead looks to be a new battery. Just bought it from someone else. Any ideals as to any of my problems?
Thursday, May 21st, 2020 AT 6:15 PM

34 Replies

Tiny
JACOBANDNICKOLAS
  • MECHANIC
  • 110,194 POSTS
Hi,

Does the left front signal turn on or do anything? I'm asking because the power supply to the left rear signal is provided by the body control module. So, to start I need you to check for power to the yellow wire on the left rear signal bulb.

I attached two pics. The first is the body control module showing how power is distributed. The second is at the light itself (rear) showing the yellow wire I'm referring to.

Do this and let me know what you find.

Joe
Was this
answer
helpful?
Yes
No
Thursday, May 21st, 2020 AT 8:18 PM
Tiny
GRAMPAS5150
  • MEMBER
  • 47 POSTS
Joe, after I wrote the earlier question I went and rechecked the turn signals and found that out of the four blinkers only the front left one is working. The blinker indicator on the dash the left one flashes just once when lever is pushed down and when lever is pushed down for the right side the indicator light flashes normal even though the outside lights don't work.
Was this
answer
helpful?
Yes
No
Friday, May 22nd, 2020 AT 3:28 AM
Tiny
JACOBANDNICKOLAS
  • MECHANIC
  • 110,194 POSTS
Hi,

If you are sure the bulbs are good, chances are it is either the switch or the logic module in the body control module. Ugh! I miss the old days. LOL

Listen, here is what I suggest to save us from replacing parts that are good. What really needs done is to have the computer scanned for what are called (B) codes. That will scan the body control module and see if it is the switch or the module itself. I hate to ask you to do that, but like I mentioned, I don't want to replace good parts.

If you could have that done, let me know what codes are found.

Let me know.
Joe
Was this
answer
helpful?
Yes
No
Friday, May 22nd, 2020 AT 7:26 PM
Tiny
GRAMPAS5150
  • MEMBER
  • 47 POSTS
Does it take a special computer or can a place like AutoZone do or will a code reader work?
Was this
answer
helpful?
Yes
No
Friday, May 22nd, 2020 AT 8:13 PM
Tiny
JACOBANDNICKOLAS
  • MECHANIC
  • 110,194 POSTS
Hi,

Chances are AutoZone won't have a scan tool that can read body control module codes. You could ask or at least let them try.

Let me know if you have other questions.

Joe
Was this
answer
helpful?
Yes
No
Saturday, May 23rd, 2020 AT 10:41 PM
Tiny
GRAMPAS5150
  • MEMBER
  • 47 POSTS
Another question for you. About every two days I will go out to start the car and it will just click. I can hook up jumpers to it and it fires right up, and will so for two days and then it does it again. This the second time in a row that it had done this. I don't know much about the car since I just bought it. As far as I know there is no light on anywhere and I start it every day. It only clicks once when I turn the key. Doesn't even make a noise as if it was trying to turn over and it doesn't make the several clicking noises om use to when the battery is dead. Any ideals?
Was this
answer
helpful?
Yes
No
Sunday, May 24th, 2020 AT 11:40 AM
Tiny
JACOBANDNICKOLAS
  • MECHANIC
  • 110,194 POSTS
Hi,

Okay, the most common cause of what you described is a loose or corroded battery terminal and is really easy to fix. Take a look through this link:

https://www.2carpros.com/articles/everything-goes-dead-when-engine-is-cranked

If that isn't helpful, then do this. Keeping in mind the battery or the alternator can be failing, we need to check one thing at a time. What I want you to do is when the car is running, take it to a parts store and ask them to load test the battery. That way we will know if the battery is just weak. In most cases, they will do it free of charge hoping to sell you a battery.

If you can't take it, here is a link that explains how to load test one at home:

https://www.2carpros.com/articles/car-battery-load-test

Next, if the battery passes, either have them test the alternator at the same time or you can do it yourself. All you need is a multi meter or volt meter. Here is a link that shows how it's done:

https://www.2carpros.com/articles/how-to-check-a-car-alternator

When you check the alternator output, with the engine off, battery voltage should be around 12v. With the engine running, it should be near 14v on the meter.

If everything checks good, we will need to check for a voltage draw, but I'm not going to overwhelm you with that at this point.

Do this and let me know what you find. If possible, let me know the voltages you find if you do it yourself.

I will watch for your reply.

Take care,
Joe
Was this
answer
helpful?
Yes
No
Sunday, May 24th, 2020 AT 7:53 PM
Tiny
GRAMPAS5150
  • MEMBER
  • 47 POSTS
Okay, I will see about getting both tested but just to make that its not the starter getting stuck or going out. Remember when a battery would fail you would get a bunch of clicks or starter would drag when the key is turned. There is only one click when the key is turned.
Was this
answer
helpful?
Yes
No
Sunday, May 24th, 2020 AT 8:12 PM
Tiny
JACOBANDNICKOLAS
  • MECHANIC
  • 110,194 POSTS
Hi,

If the battery is good and you get one click, it is either the starter itself or a weak connection. Keep in mind, the starter places the heaviest load on the electrical system in the car. If there is a weak, loose, or corroded connection, usually you will get one click and then connection is temporarily lost. Since it starts right up when you jump start it, the first thing I would check are the terminals on the battery. Make sure there is nothing loose or corroded. I say that because when you attach jumper cables, the clamp on the cable can be allowing the terminal to tighten on the battery post and make the connection.

Please feel free to let me know if you have other questions. Also, I don't feel the starter is bad simply because it works properly when jump started. Even though there are two batteries, they still only supply 12v.

Let me know if I can help.

Joe
Was this
answer
helpful?
Yes
No
+1
Sunday, May 24th, 2020 AT 8:49 PM
Tiny
GRAMPAS5150
  • MEMBER
  • 47 POSTS
Joe, just wanted you to know I will do what you recommend, it may take me a few days or longer because i'm waiting on paperwork from DMV so the car will be legal to drive. So don't forget about me and visa versa. Bring back the old days!
Was this
answer
helpful?
Yes
No
Monday, May 25th, 2020 AT 7:43 AM
Tiny
GRAMPAS5150
  • MEMBER
  • 47 POSTS
Okay, I tried to jump the car and it didn't even budge from just the single click. So I took it down to AutoZone and the put it on a tester out of the car of course and he said it is at 0 percent. I have to wait until tomorrow to see if it holds a charge.
Was this
answer
helpful?
Yes
No
Monday, May 25th, 2020 AT 5:57 PM
Tiny
JACOBANDNICKOLAS
  • MECHANIC
  • 110,194 POSTS
Sounds good. Let me know what is found.

Joe
Was this
answer
helpful?
Yes
No
Monday, May 25th, 2020 AT 8:55 PM
Tiny
GRAMPAS5150
  • MEMBER
  • 47 POSTS
I will keep you posted on this whole thing step by step. Your knowledge has given me hope in not just to junk this car. I miss the old days of cars that were simple to work on and when I was able to work on them disabled.
Was this
answer
helpful?
Yes
No
Tuesday, May 26th, 2020 AT 4:15 AM
Tiny
JACOBANDNICKOLAS
  • MECHANIC
  • 110,194 POSTS
Don't worry. We'll get it running. And like you, I miss the old cars. LOL They were much easier to work with.

Take care,
Joe
Was this
answer
helpful?
Yes
No
Tuesday, May 26th, 2020 AT 10:24 AM
Tiny
GRAMPAS5150
  • MEMBER
  • 47 POSTS
Hello again. Okay, I have replaced the battery and so far so good. I am going to let it sit for a day or two to see if it goes dead. I replaced the whole turn signal switch and that still didn't fix the blinker problem. I investigated the emergency flasher problem and it's unplugged. I plugged it back in and only the right side the inside indicators work, but only the left rear outside light flashed. Same when I turn on the blinkers, only the left rear flashes and only the right side inside indicator flashes. The left inside indicator will flash one time. Where is the flasher(s) located? Also Monday i'm going to try and see about getting the b codes read.
Was this
answer
helpful?
Yes
No
Saturday, May 30th, 2020 AT 3:51 PM
Tiny
JACOBANDNICKOLAS
  • MECHANIC
  • 110,194 POSTS
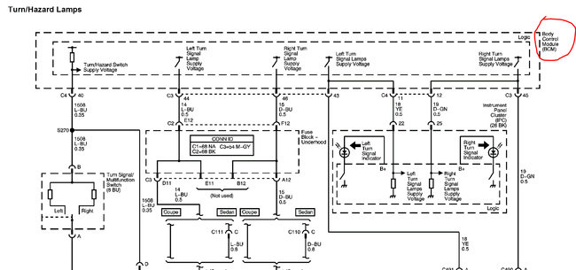
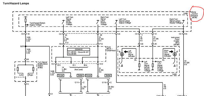
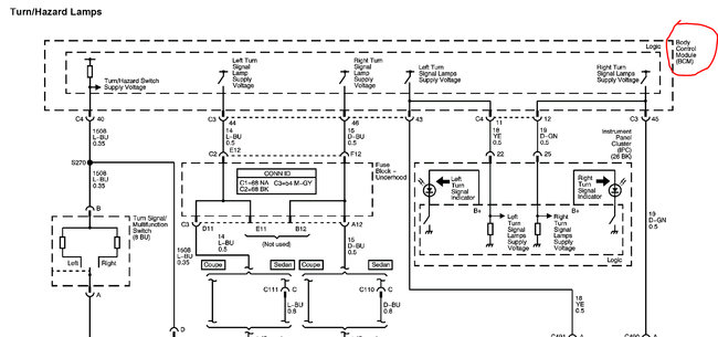
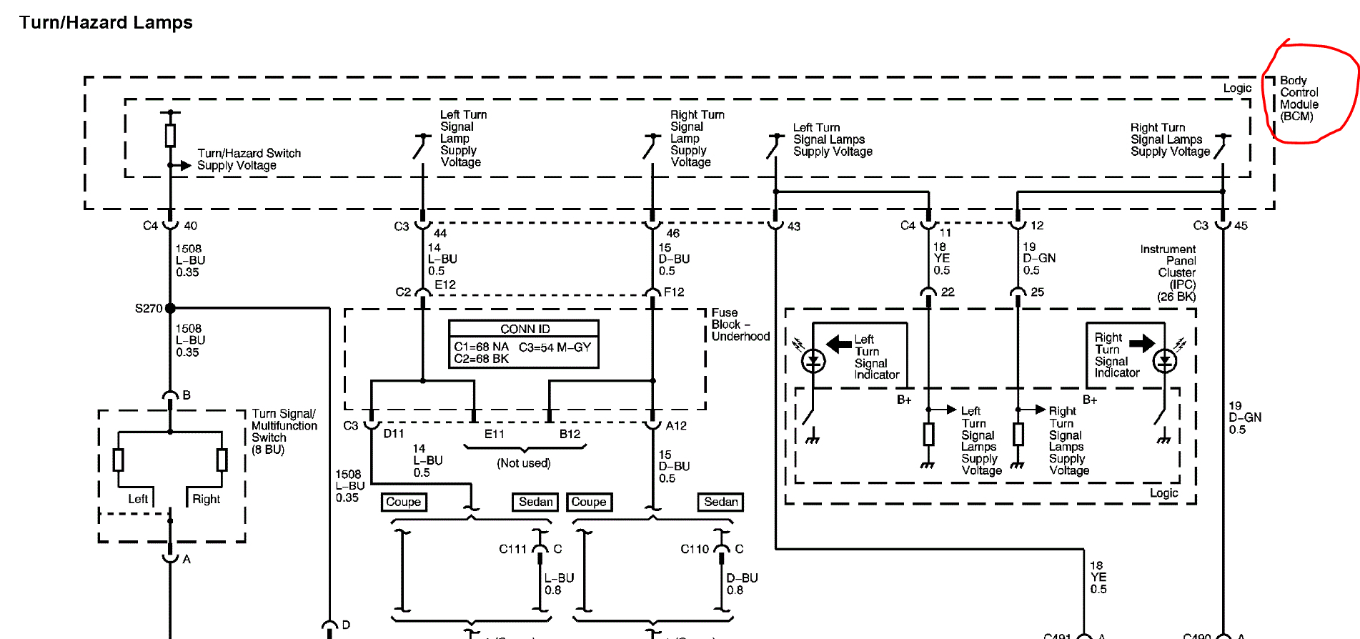
The turn signal flasher function is performed by the Body Control Module (BCM). That is why I'm thinking that is where the problem is. If you take a look at the attached picture, that is a portion of the body control module schematic for the signals/hazard.

Let me know what you find.

Joe
Was this
answer
helpful?
Yes
No
Saturday, May 30th, 2020 AT 8:36 PM
Tiny
GRAMPAS5150
  • MEMBER
  • 47 POSTS
Will the new BCM need to be programmed to the car when I replace it?
Was this
answer
helpful?
Yes
No
Sunday, May 31st, 2020 AT 6:24 AM
Tiny
GRAMPAS5150
  • MEMBER
  • 47 POSTS
This is the is the diagram if the fuse block and it shows a BCM relay slot on number 47 but is missing in my fuse block. Could this be the problem?
Was this
answer
helpful?
Yes
No
Sunday, May 31st, 2020 AT 10:33 AM
Tiny
JACOBANDNICKOLAS
  • MECHANIC
  • 110,194 POSTS
The IP stands for instrument panel. Chances are it isn't the cause. Plus, I assume it wasn't removed when this happened, correct?

Joe
Was this
answer
helpful?
Yes
No
Sunday, May 31st, 2020 AT 7:12 PM
Tiny
GRAMPAS5150
  • MEMBER
  • 47 POSTS
If it was removed I don't have any clue I just know that that slot is empty. Where is the BCM located for my car and will it have to be programmed.
Was this
answer
helpful?
Yes
No
Monday, June 1st, 2020 AT 3:36 AM

Please login or register to post a reply.