Turn signals not working?

Tiny
DOCFIXIT
  • MECHANIC
  • 18,828 POSTS
Hazards wired diffently from turns. Switch lot easier than column. Does turn indicater come on steady? Bottom top of column find connector flat lots of wires. Hedl by small fastener. Remove with test light operate turns light on Dark Blue right Light blue left. If test light does not flash then switch. Remove syeering wheel if tilt wheel will need special puller. Unscrew switch slid out and wiring up through collum. Attache string to connector to aide in install
Was this
answer
helpful?
Yes
No
Sunday, October 25th, 2020 AT 12:08 PM (Merged)
Tiny
IMEASY24
  • MEMBER
  • 2 POSTS
  • 1997 CHEVROLET SILVERADO
  • 288,000 MILES
When I turn on blinker light both blinkers in the rear.
Was this
answer
helpful?
Yes
No
Monday, February 8th, 2021 AT 5:14 PM (Merged)
Tiny
CARADIODOC
  • MECHANIC
  • 34,468 POSTS
That is the typical symptom of a bad ground wire. To verify that, if you turn on the left signal, the left rear bulb will go off when you remove the right rear bulb from its socket.
Was this
answer
helpful?
Yes
No
Monday, February 8th, 2021 AT 5:14 PM (Merged)
Tiny
IMEASY24
  • MEMBER
  • 2 POSTS
When I pulled the right bulb the left signal light kept blinking. I noticed that when you have the blinker going and hit the brake it quits blinking. Any ideas?
Was this
answer
helpful?
Yes
No
Monday, February 8th, 2021 AT 5:14 PM (Merged)
Tiny
KEN L
  • MASTER CERTIFIED MECHANIC
  • 55,322 POSTS
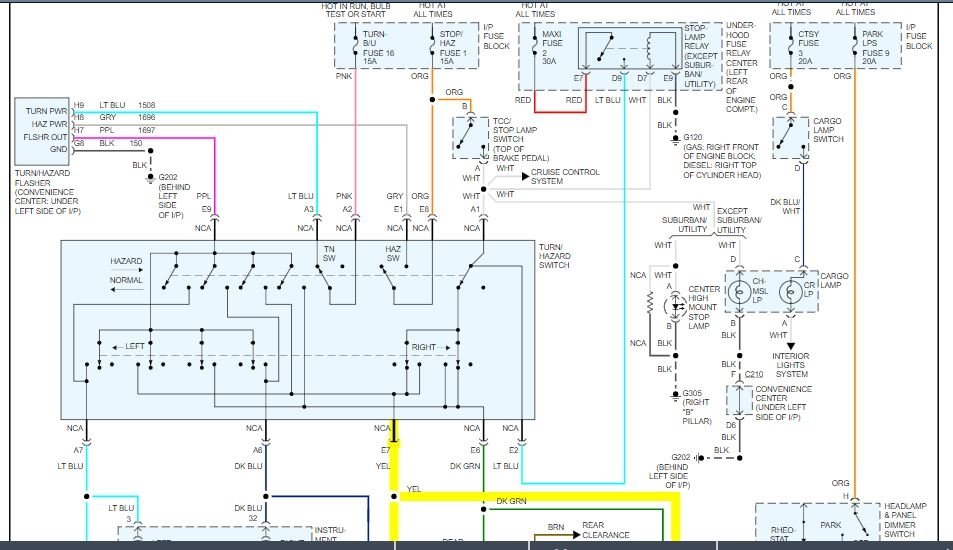
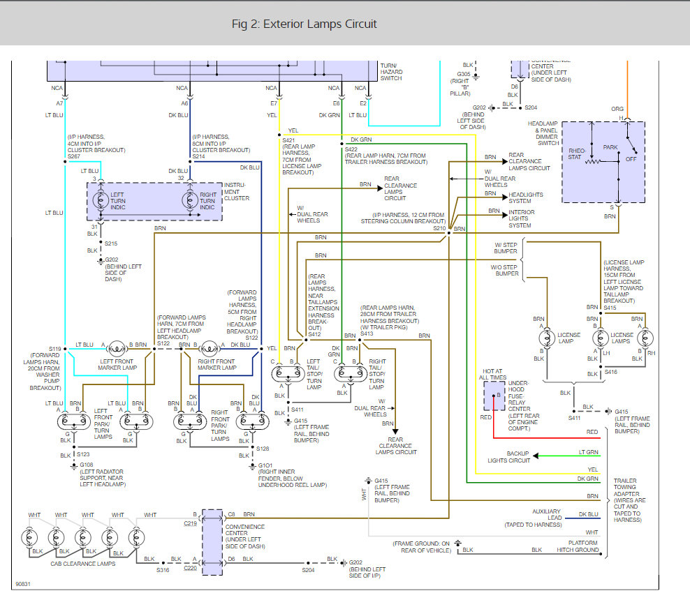
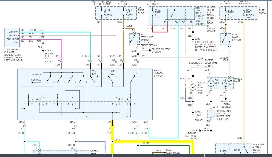
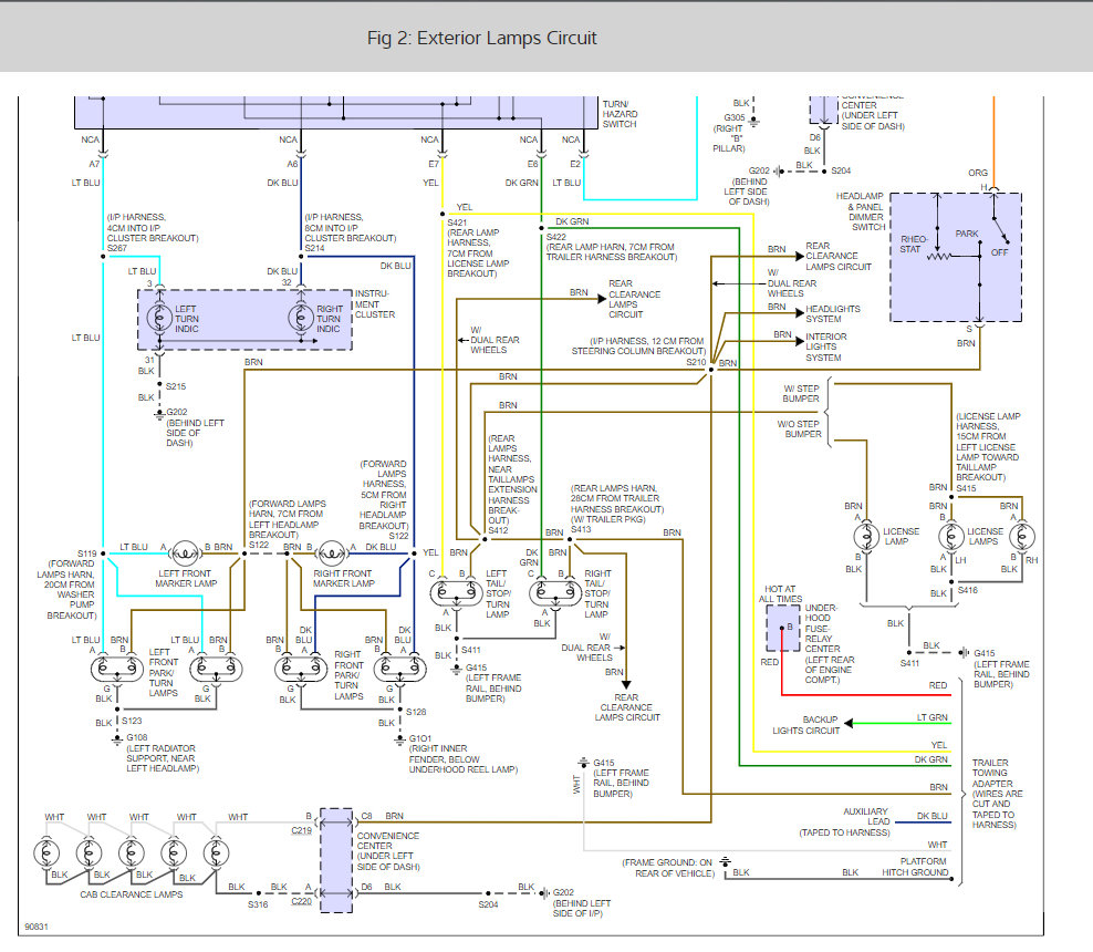
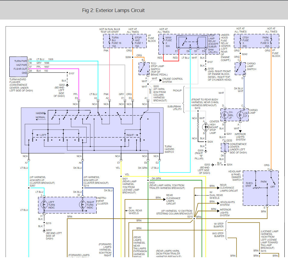
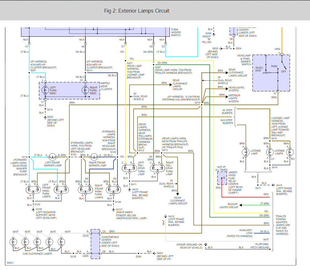
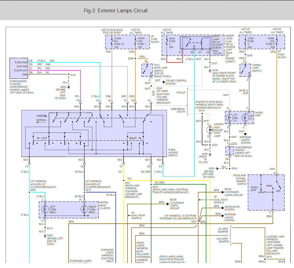
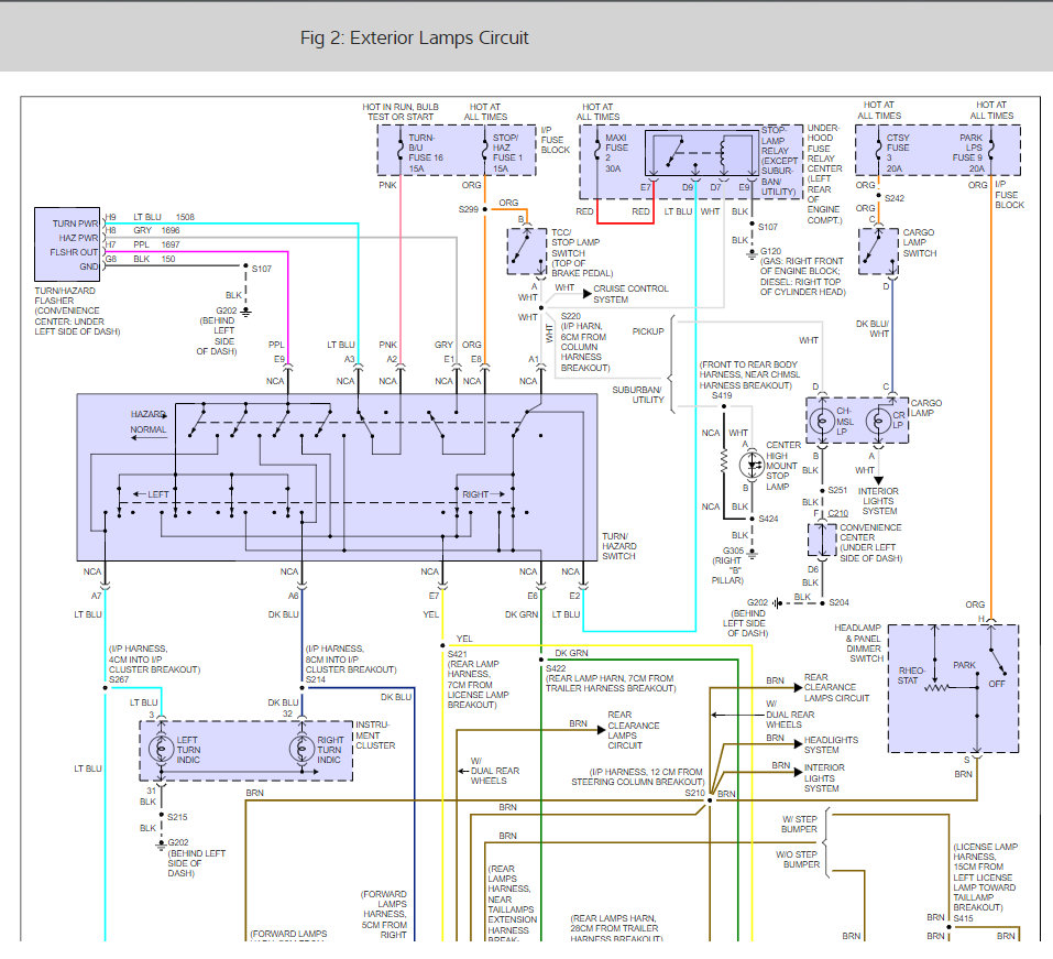
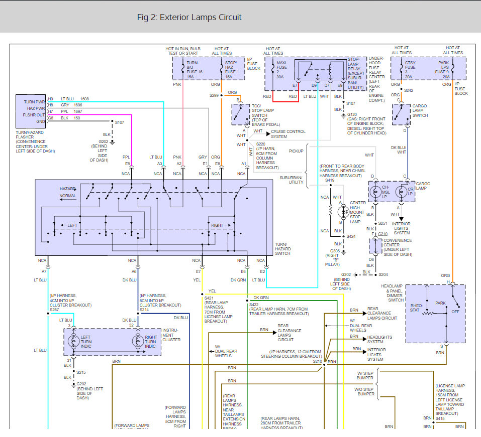
It sounds like you have a hazard or turn signal switch that is having a problem but to confirm here is a guide and a blinker wiring diagram (below) so you can do some testing. Remove the blinker and brake lights before you begin testing.

https://www.2carpros.com/articles/how-to-use-a-test-light-circuit-tester

Please let us know what happens so it will help others.

Cheers, Ken
Was this
answer
helpful?
Yes
No
Monday, February 8th, 2021 AT 5:14 PM (Merged)
Tiny
DAVID EVANS
  • MEMBER
  • 3 POSTS
  • 1996 CHEVROLET SILVERADO
  • 5.7L
  • V8
  • 4WD
  • AUTOMATIC
  • 203,000 MILES
Bought the truck listed above about a month ago. Owned many had same issue on a few but this one is different. Left side break and turn signal light is not working. Already changed fuses brake light switch and relay. Still can't get it to work right. Also all new bulbs and boards. Can't seem to find a break in the wire anywhere.
Was this
answer
helpful?
Yes
No
Monday, February 8th, 2021 AT 5:14 PM (Merged)
Tiny
ASEMASTER6371
  • MECHANIC
  • 52,796 POSTS
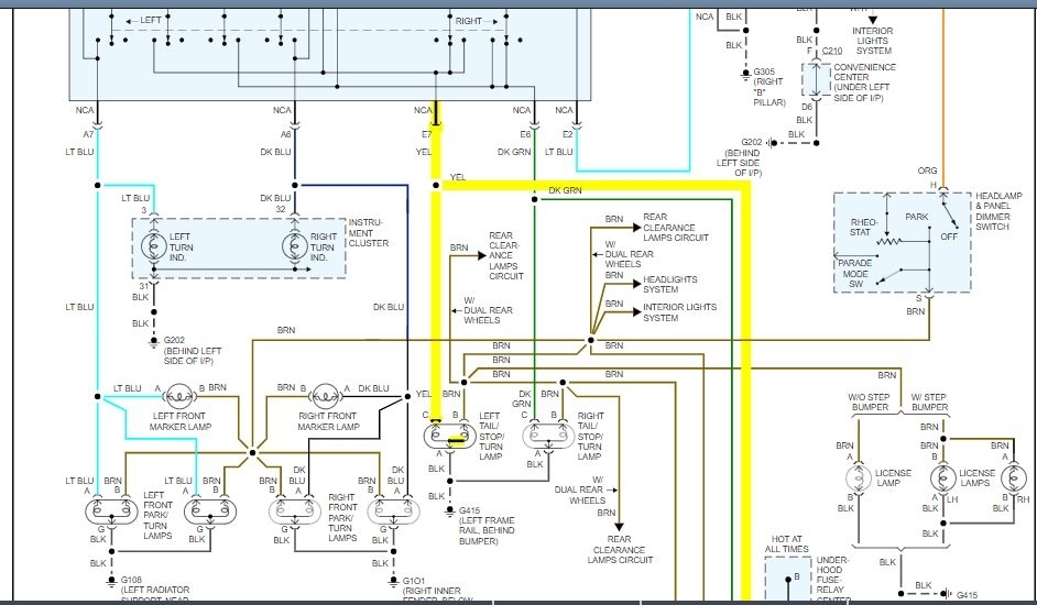
Good morning,

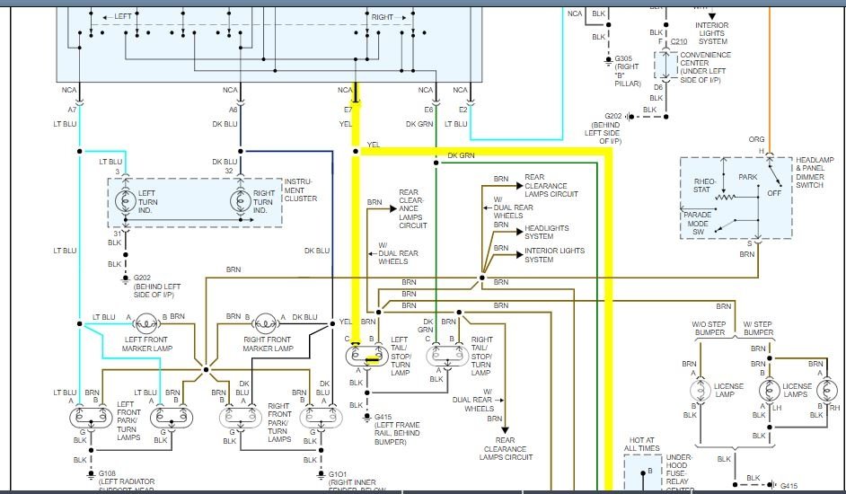
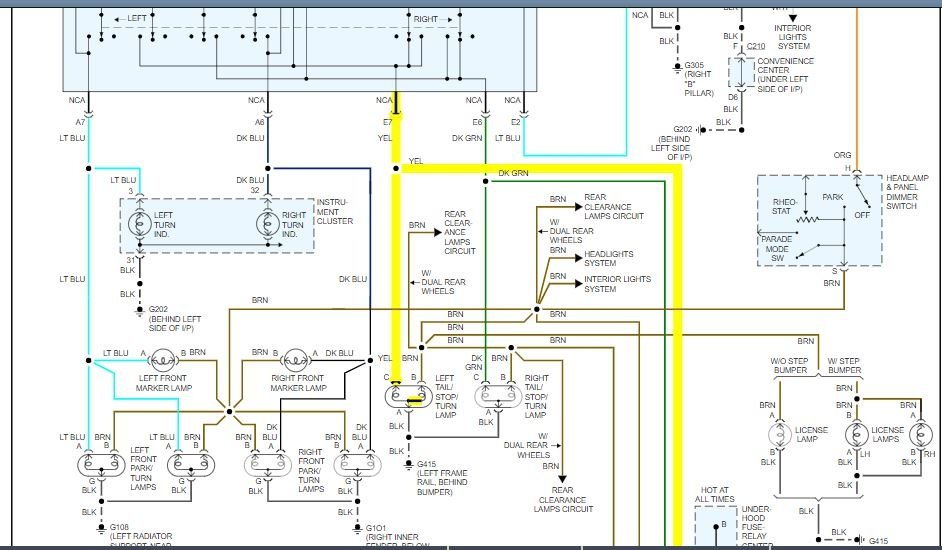
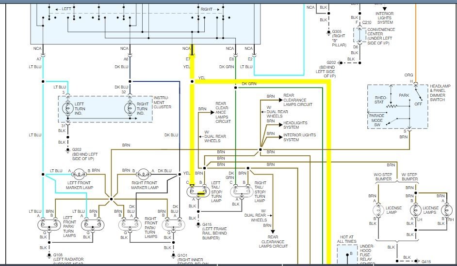
I attached a wiring diagram for you to view. Test the yellow wire I highlighted for power with the brake applied or the left turn signal activated.

https://www.2carpros.com/articles/how-to-check-wiring

https://www.2carpros.com/articles/turn-signal-switch-replacement

Roy

Tools Required:
J 41352 Modular Column Holding Fixture
Or Equivalent

REMOVAL
Remove or disconnect the following:
1. Do steps 1 through 7, Refer to Shroud and Lock Cylinder Set Replacement.
2. Two wire harness straps (22) from steering column wire harness.
3. Steering column bulkhead connector from vehicle wire harness.
4. Axial position assurance connector (23) from electrical BTSI actuator (61). (Column shift only)
Electrical connector from BTSI actuator (61).
5. Grey and black connectors of turn signal & multifunction switch (24) from column bulkhead connector.
6. Two pan head tapping screws (13).
7. Turn signal & multifunction switch assembly (24) from column.

INSTALLATION
Install or connect the following:
1. Turn signal & multifunction switch assembly (24) to column.
With small blade screwdriver compress electrical contact and move multifunction switch (24) into position.
Electrical contact must rest on cancelling cam assembly (6).
2. Two pan head tapping screws (13). Tighten (13) to 6.0 Nm (53 lb in).
3. Grey and black connectors of multifunction switch (24) to column bulkhead connector.
4. Electrical connector to electrical BTSI actuator (61). (Column shift only)
Axial position assurance connector (23).
5. Steering column bulkhead connector to vehicle wire harness.
6. Two wire harness straps (22) to steering column wire harness.
7. Do steps 4 through 10, Refer to Shroud and Lock Cylinder Set Replacement.
Was this
answer
helpful?
Yes
No
+1
Monday, February 8th, 2021 AT 5:14 PM (Merged)
Tiny
DAVID EVANS
  • MEMBER
  • 3 POSTS
Thanks for the quick response. I will let you know later today how it turns out.
Was this
answer
helpful?
Yes
No
Monday, February 8th, 2021 AT 5:14 PM (Merged)
Tiny
ASEMASTER6371
  • MECHANIC
  • 52,796 POSTS
You are welcome.

Always glad to help.

Roy
Was this
answer
helpful?
Yes
No
Monday, February 8th, 2021 AT 5:14 PM (Merged)
Tiny
DAVID EVANS
  • MEMBER
  • 3 POSTS
Sorry took so long to get back to you. Found out the new board I bought was also faulty. But I got it all fixed now. Thanks
Was this
answer
helpful?
Yes
No
Monday, February 8th, 2021 AT 5:14 PM (Merged)
Tiny
ASEMASTER6371
  • MECHANIC
  • 52,796 POSTS
You are welcome.

Always glad to help.

Roy
Was this
answer
helpful?
Yes
No
Monday, February 8th, 2021 AT 5:14 PM (Merged)

Please login or register to post a reply.