Monday, October 15th, 2018 AT 2:39 PM
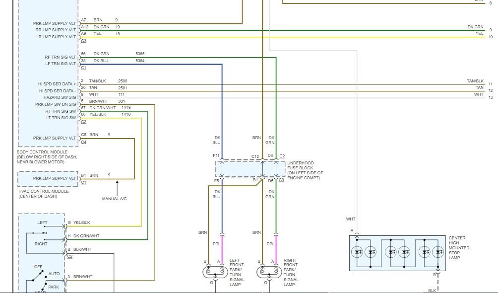
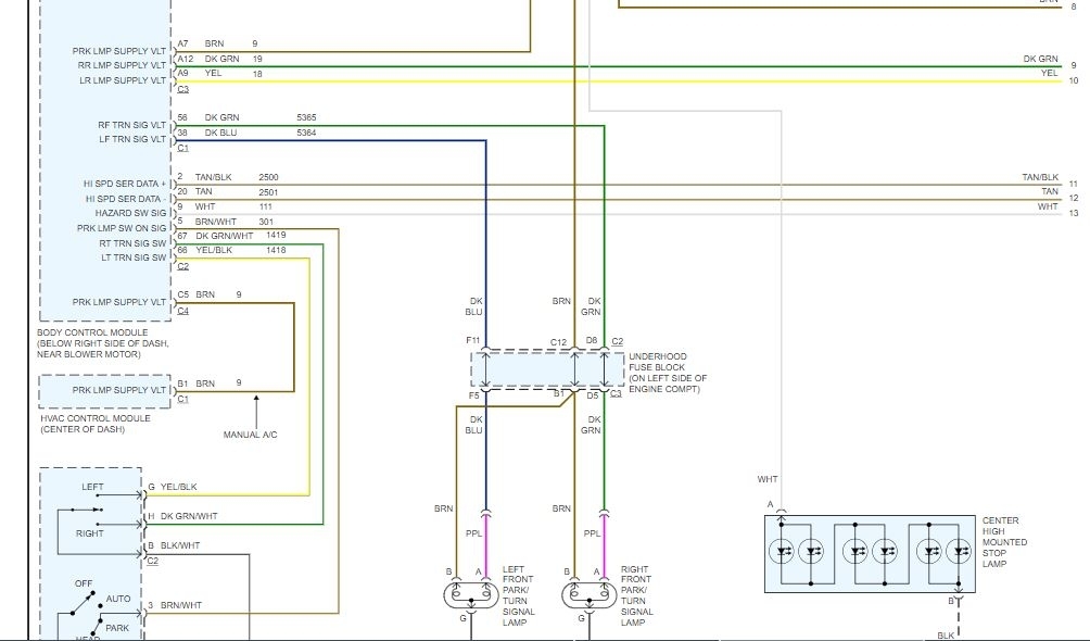
The drivers side front running light/turn signal is not working. The bulb is dual purposed as the running light and the blinker when turned on. The running light stays on but does not blink when you turn the blinker on, the drivers side rear blinks faster but again the front does nothing, just stays illuminated. You can turn the auto lights off and it stays off but the rear will still blink fast. I have tried changing all the bulbs anyway but still is not working. Any ideas?

