Turn signal not working

Tiny
CHIEFS FOREVER
  • MEMBER
  • 2004 CHEVROLET IMPALA
  • 6 CYL
  • 2WD
  • AUTOMATIC
  • 120,000 MILES
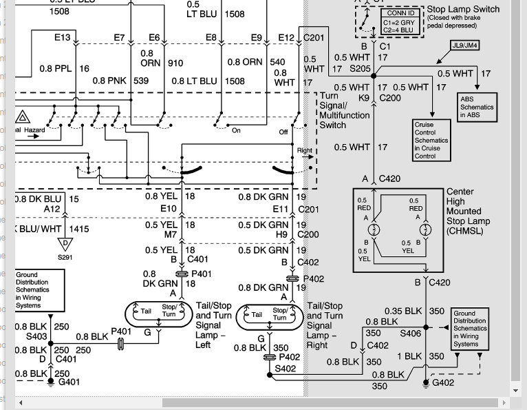
When turn sign is in the right turn direction back turn signal light comes on and flashes quickly but front does not come on. Replaced bulb but no change. When pushing hazard light that same bulb lights up. Can a flasher just effect one bulb?
Sunday, August 26th, 2018 AT 12:47 PM

1 Reply

Tiny
FREEMBA
  • MECHANIC
  • 1,152 POSTS
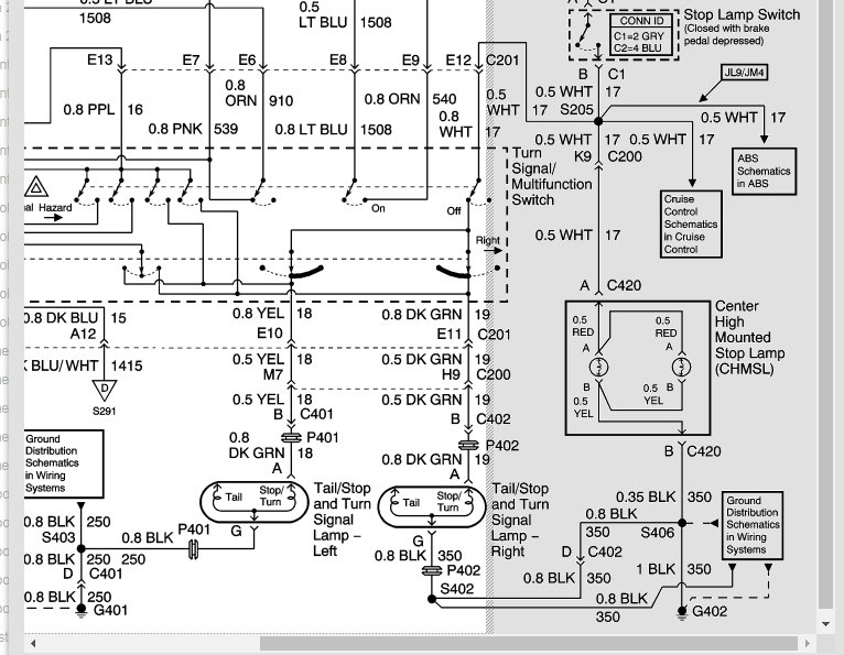
Usually when this happens the bulb which does not come on is faulty. However, if water gets into the light it can adversely affect the bulbs' socket. Check the socket for water damage. If damage is found replace the socket and repair the lights' cover, as it is cracked or coming loose from its housing.
Also, use a test light (see link below) to check for battery voltage (12v) on the DK GRN (dark green) wire metal connection of the bulb socket, with both, the ignition switch and turn signal switch ON. Next, check the BLK (black) wire (this is the ground wire) of the socket (using the test light).
If either wire fails the test, check for voltage (or ground further down the wire) there may be an open or ground in the wire preventing voltage (or ground connections) from reaching the bulb. Repair the wires as necessary.

https://www.2carpros.com/articles/how-to-use-a-test-light-circuit-tester
Was this
answer
helpful?
Yes
No
-1
Monday, August 27th, 2018 AT 7:58 PM

Please login or register to post a reply.