Turn signal intermittent malfunction?

Tiny
BOBSHARK1
  • MEMBER
  • 2012 FORD ESCAPE
  • 2.5L
  • 4 CYL
  • 4WD
  • AUTOMATIC
  • 60,000 MILES
Randomly, the left turn signal comes on. Stays on when turn signal switch on steering column in either "left turn" or "neutral" position. Putting the turn signal switch in "right turn signal" position stops left signal from blinking, but right turn signal then does not work. Intermittent problem. Sometimes all works fine.
Monday, July 24th, 2023 AT 9:11 AM

11 Replies

Tiny
STEVE W.
  • MECHANIC
  • 15,695 POSTS
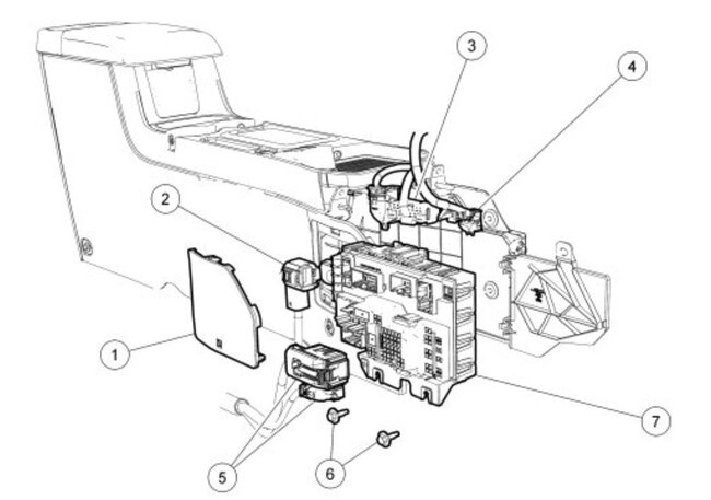
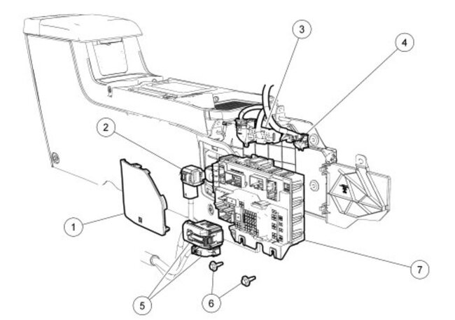
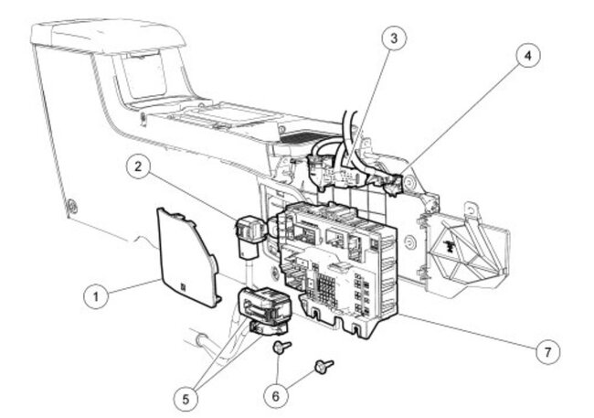
The description sounds like a bad multifunction switch 8L8Z13K359AA. Moving it is allowing the internal contacts to disconnect. Replacement isn't hard but it's sort of fussy when it comes to the steering column cover tabs. Being plastic, you need to be gentle with them. However, to replace it you remove the trim panel from below the steering column by pulling down on the top latches shown as 1 in the attached picture then remove the three screws (item 4) that hold the plastic trim to the steering column. With those out you use a thin pry tool to release the tabs that hold the two shells together. Remove the two shells. Now unplug the two electrical connectors on the switch and the 2 screws that hold the switch to the column. Reverse the process to install the new switch.
Was this
answer
helpful?
Yes
No
Tuesday, July 25th, 2023 AT 4:06 PM
Tiny
BOBSHARK1
  • MEMBER
  • 6 POSTS
Thanks Steve. I'll give it a shot and let you know. I appreciate your expertise.
Was this
answer
helpful?
Yes
No
Wednesday, July 26th, 2023 AT 5:54 AM
Tiny
STEVE W.
  • MECHANIC
  • 15,695 POSTS
Let us know what you find. Please.
Was this
answer
helpful?
Yes
No
Wednesday, July 26th, 2023 AT 7:46 PM
Tiny
BOBSHARK1
  • MEMBER
  • 6 POSTS
Steve,

Replaced the switch. The problem is the same. I'm going to check all the bulbs and connections, but everything I'm reading is pointing to the SJB.
Was this
answer
helpful?
Yes
No
Friday, July 28th, 2023 AT 7:47 AM
Tiny
STEVE W.
  • MECHANIC
  • 15,695 POSTS
The thing is that the way the system works it shouldn't be the SJB with that symptom. But stranger things have happened. If the SJB got corrosion in the connector it could cause strange things.
Was this
answer
helpful?
Yes
No
Friday, July 28th, 2023 AT 8:15 AM
Tiny
BOBSHARK1
  • MEMBER
  • 6 POSTS
Hey again Steve,

So, from more reading, and your comment, I guess the next thing is for me to check for corrosion in the SJB connectors. (Note: when I pulled the # 6 fuse for the blinkers before replacing it, I tried the turn signal switch. The left blinker was rapid in both the left turn and neutral positions just like when a bulb burns out. The right signal was dark in the right signal position. However, I'm pretty sure all my bulbs are good. Just wanted to add that info.) It looks like there are three screws on the console side panel I need to remove to get access. Do you have a diagram/instructions for removing the console panel and SJB? From there it looks like getting some contact cleaning solution and a soft toothbrush to use on any corrosion. If that doesn't do it, I guess it's time to take it to the dealer. Thanks again.

Bob
Was this
answer
helpful?
Yes
No
Monday, July 31st, 2023 AT 11:36 AM
Tiny
STEVE W.
  • MECHANIC
  • 15,695 POSTS
Just be careful, the SJB has a computer in it. This is the warning in service data Prior to the replacement of the module, it is necessary to upload the module configuration information to a scan tool. This information must be downloaded into the new Smart Junction Box (SJB) after installation. For additional information, refer to Section 418-01 See: Information Bus > Programming and Relearning > Programmable Module Installation (PMI). In the event that As-Built data is required (SJB (Smart Junction Box) does not communicate), all Remote Keyless Entry (RKE) devices must be programmed to the new SJB (Smart Junction Box). A minimum of 2 RKE (Remote Keyless Entry) devices are necessary to complete the configuration and turn off the flashing interior lights. The Tire Pressure Monitoring System (TPMS) functionality is integral to the SJB (Smart Junction Box).

That said, removing it isn't that hard. Use a trim stick to pop the bezel around the shifter off, then remove the cover and the console finish panel. Now you unplug the connectors and remove the bolts holding the SJB. Then clean things up and test it.
If you have a scan tool (FORScan is good for Fords and not real expensive) then you can run a self test on it and see if it has a problem.
Was this
answer
helpful?
Yes
No
Monday, July 31st, 2023 AT 5:47 PM
Tiny
BOBSHARK1
  • MEMBER
  • 6 POSTS
Steve,

Thanks for all your help. However, it now looks like it might be the stupidest thing. I was playing around with the hazard flashers just to see if they were working properly, or also messed up like the turn signals. The hazards wok fine, but simply pushing in the hazard flasher button on the steering console seems to alleviate the turn signal problem, at least intermittently - the signals work fine for the most part now, and when they start to act up, I turn on the hazards for a few seconds and the signals revert to normal. I bought the car used and did a significant amount of interior cleanup, so I'm thinking I either trickled some water/cleaner down into the hazard flasher, or otherwise flushed some dirt down there. So, I plan to remove the hazard flasher next and clean everything up with some contact cleaner to see if that resolves the problem permanently, and, if not, replace the hazard flasher and hope for the best that way. Anyway, I appreciate all your guidance.
Was this
answer
helpful?
Yes
No
Monday, August 7th, 2023 AT 11:15 AM
Tiny
STEVE W.
  • MECHANIC
  • 15,695 POSTS
Thanks for the update. Let us know how it works out.
Was this
answer
helpful?
Yes
No
Monday, August 7th, 2023 AT 7:54 PM
Tiny
BOBSHARK1
  • MEMBER
  • 6 POSTS
Oh well. Back to thinking it's the SJB. It's back to where it was as far as random on and locking on.
Was this
answer
helpful?
Yes
No
Wednesday, August 9th, 2023 AT 7:34 AM
Tiny
STEVE W.
  • MECHANIC
  • 15,695 POSTS
Well, you could do some testing right at the connector for the SJB and that would eliminate any wiring issue and narrow it down. For that you would go to the SJB connector and use a couple T pins (find them in the sewing isle) that you will push into the back of the two wires that control the signals. That would be the Brown w/white wire on pin 29 and the brown with blue wire at pin 42. All the unit sees is one or the other getting grounded to select either side. So, if you unplug the switch and use the two pins and the signals work like they are supposed to you have a wiring issue. Possibly a bad ground wire to the switch, you could try this as well, go to the multifunction switch and find the Black wire w/blue stripe, which is the ground. Take a pin and push it into the back of the connector and just run a jumper wire from it to a good ground and see if things work. Testing is a pain but being it wasn't the most likely item, a bit of testing to keep from buying the SJB may be a good thing.
Was this
answer
helpful?
Yes
No
Wednesday, August 9th, 2023 AT 9:13 AM

Please login or register to post a reply.