Turn signal issues

Tiny
PAUL WESTHOFF
  • MEMBER
  • 2003 CHEVROLET MALIBU
  • 3.1L
  • 6 CYL
  • 2WD
  • AUTOMATIC
  • 192,000 MILES
My turn signals only work on an intermittent basis. If the car sits over night I try to use them in the morning, I get my hazards on. After work I start the car my service engine soon light comes on the turn signals work normally. So unless that service engine light is on the signals work as my hazards whether I push the switch up or down. I have replaced the hazard switch and turn signal switch as I know they hazard switch runs both. I also replaced the turn signal bulbs and reset the ECM. I know it is a strange one if you have any ideas I would greatly appreciate the help.
Thanks,
Paul
Monday, December 4th, 2017 AT 11:01 AM

1 Reply

Tiny
JACOBANDNICKOLAS
  • MECHANIC
  • 110,194 POSTS
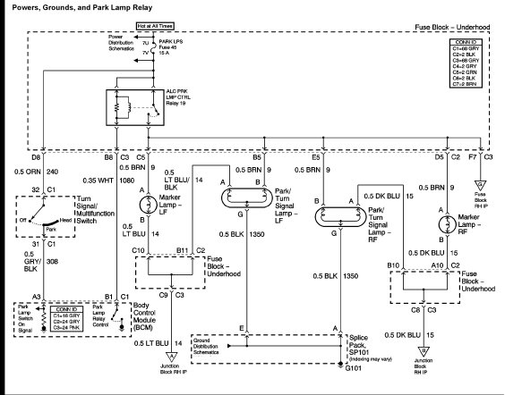
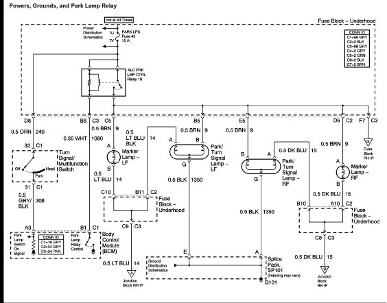
It sounds like a body ground issue. Check and make sure body grounds are good, clean, and tight. Also, another thing to consider is the body control module. I attached a schematic of the system. Start with grounds first.
Was this
answer
helpful?
Yes
No
+1
Monday, December 4th, 2017 AT 6:04 PM

Please login or register to post a reply.