The right front turn signal light does not work?

Tiny
DAVID CHEN
  • MEMBER
  • 2003 CHEVROLET IMPALA
  • 3.4L
  • V6
  • 2WD
  • AUTOMATIC
  • 100,000 MILES
The bulb is okay and right signal indicate arrow do not light up, the rear signal light is on but blinking fast once the front bulb was removed. The right signal indicate arrow is light up. Reinstall the bulb back to right front unit. Than turn on the hazard switch, all of the 4 bulbs were flashing normally. Note: the hazard switch was replaced with a new one but does not do any good either.
Sunday, May 7th, 2023 AT 10:06 PM

5 Replies

Tiny
KEN L
  • MASTER CERTIFIED MECHANIC
  • 55,335 POSTS
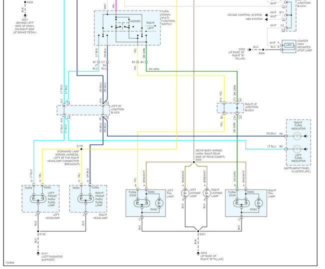
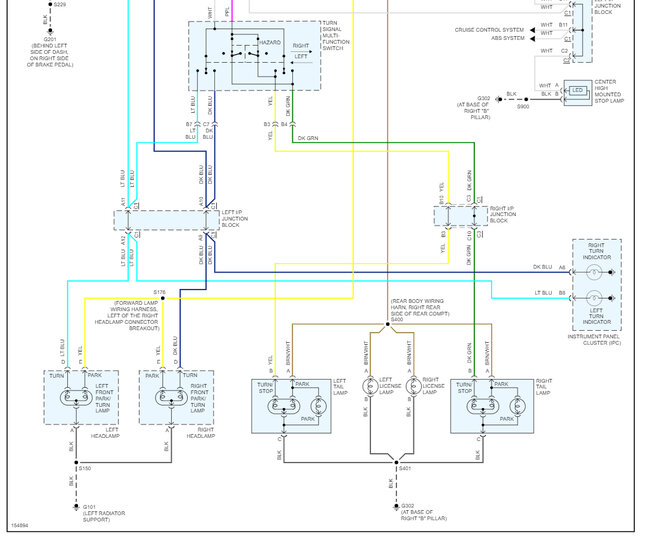
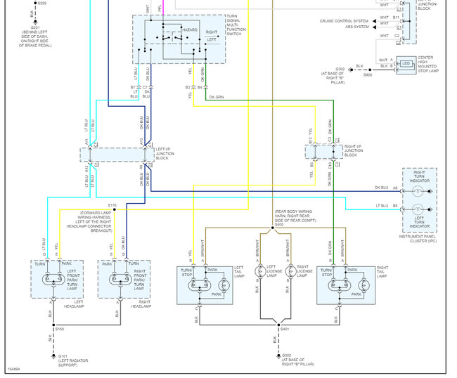
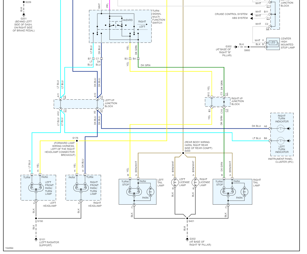
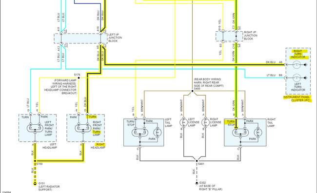
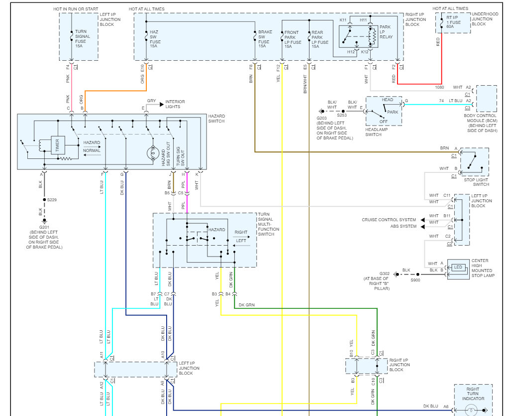
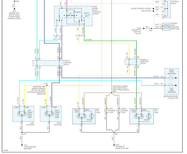
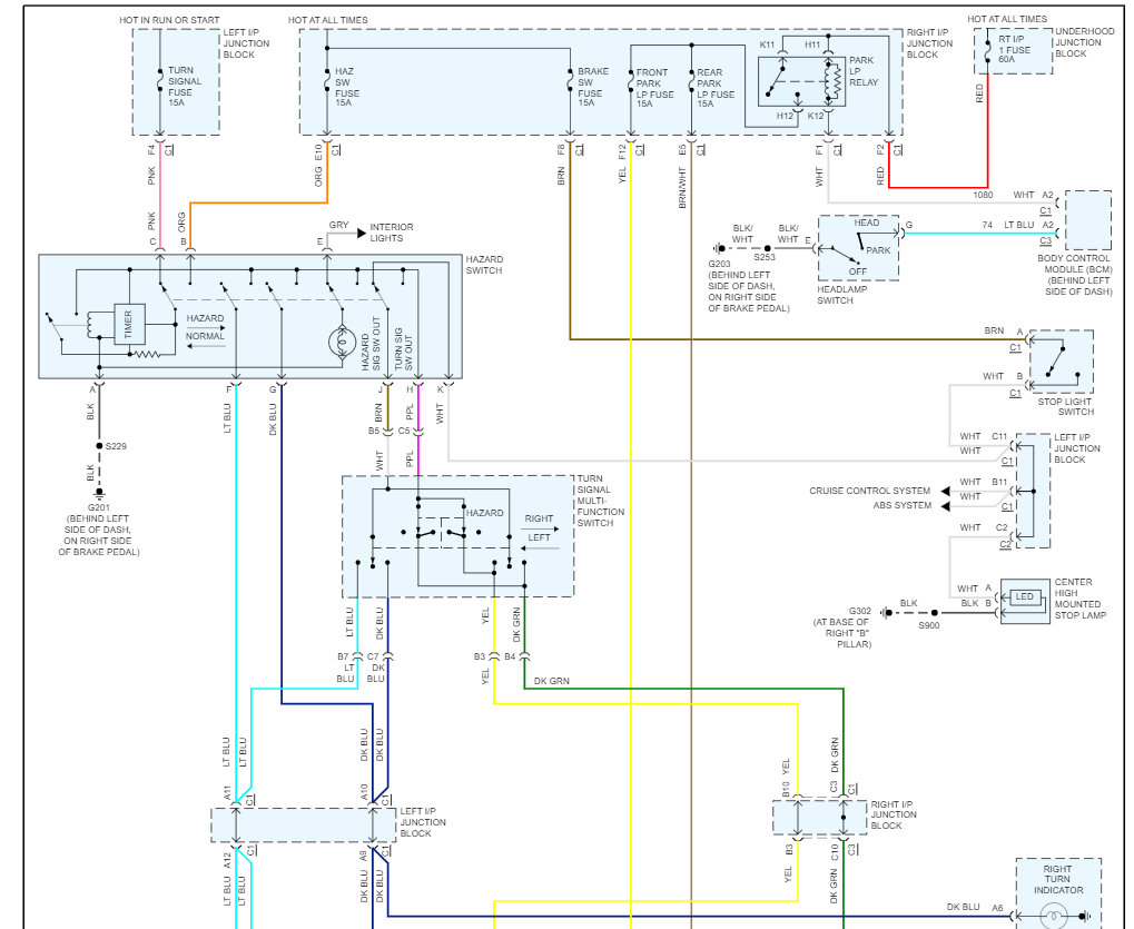
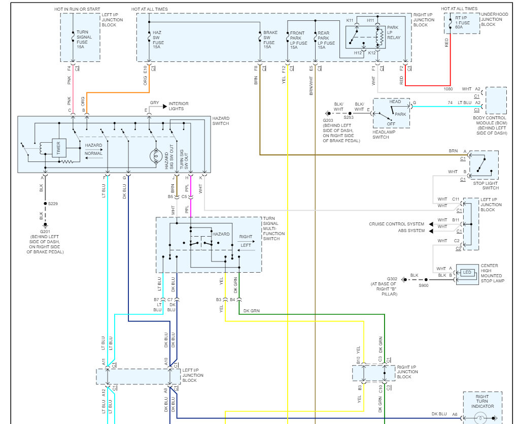
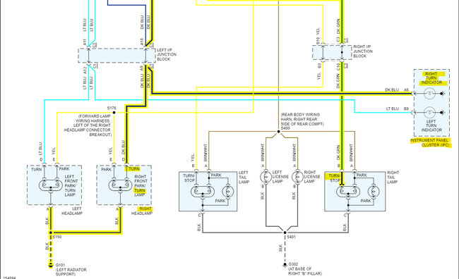
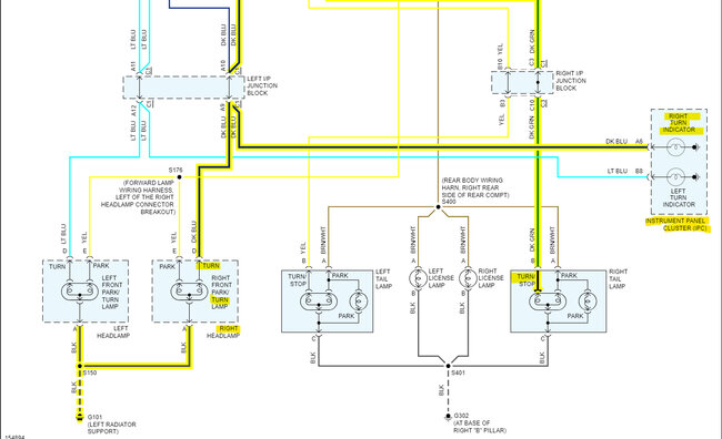
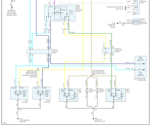
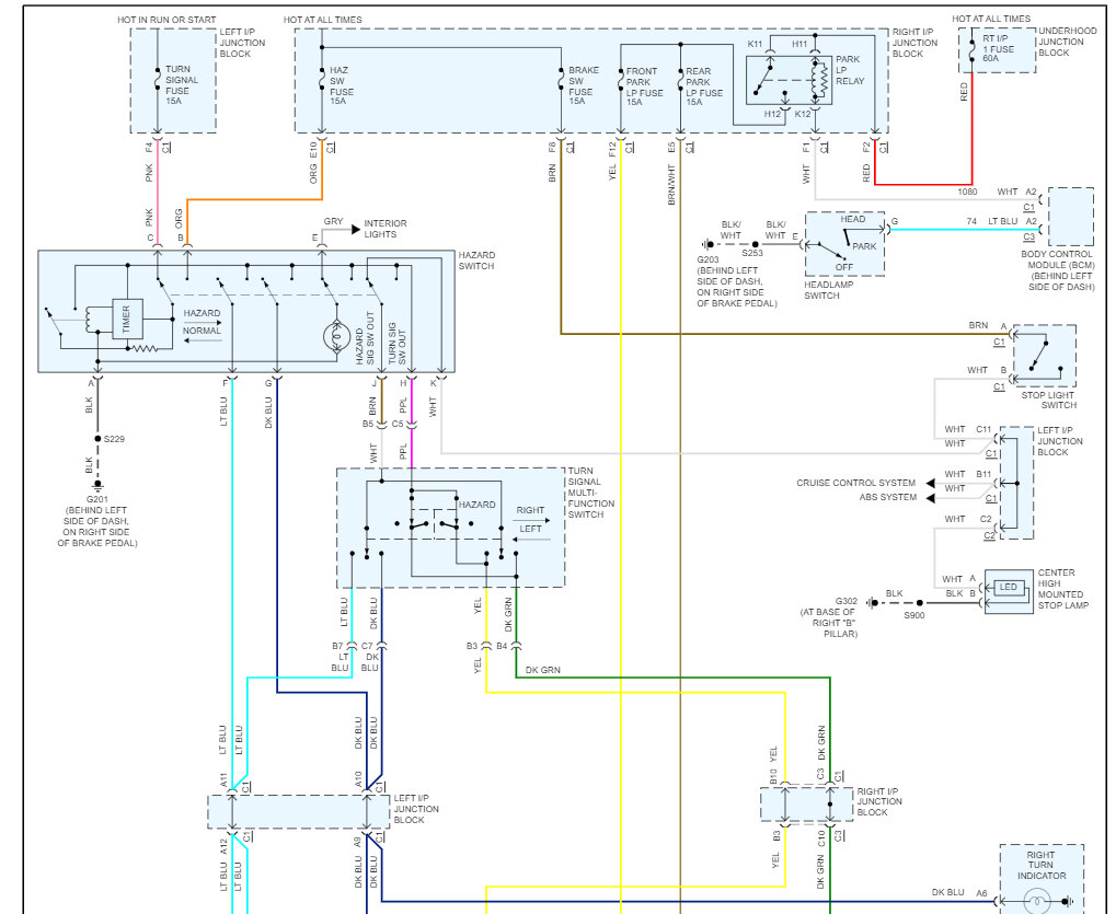
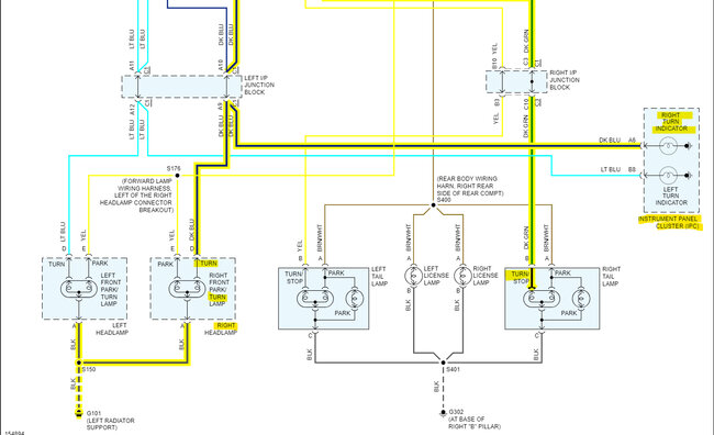
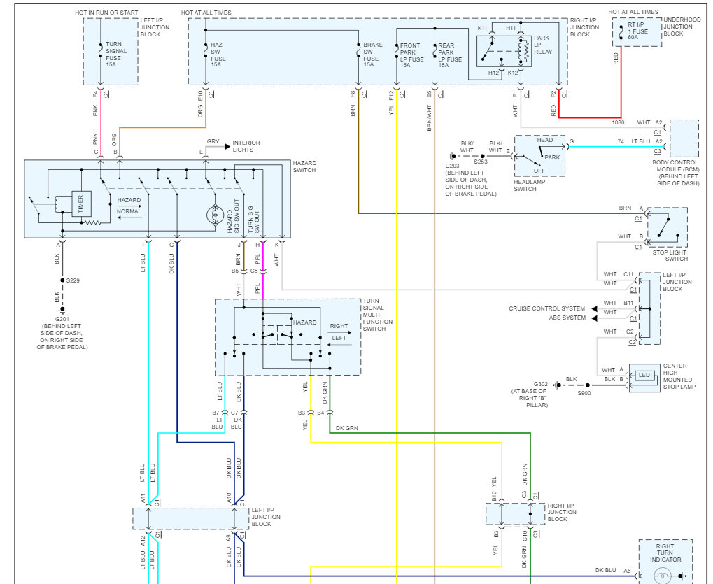
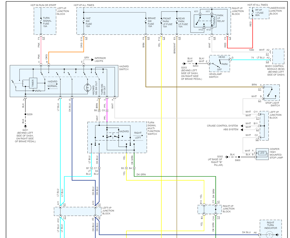
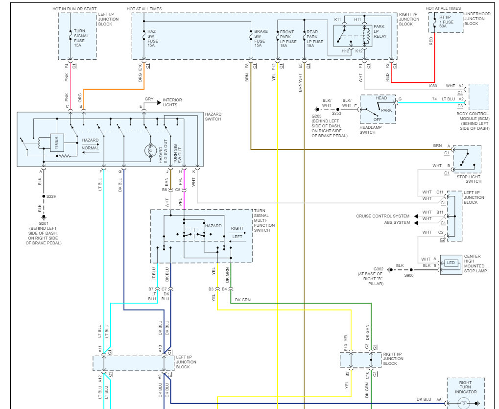
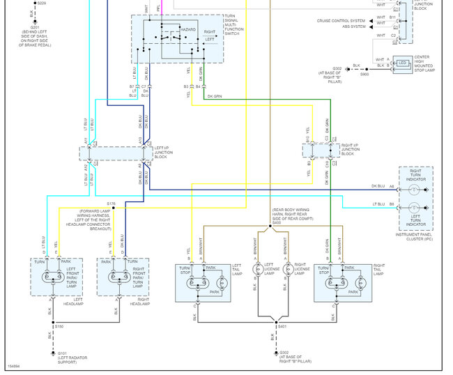
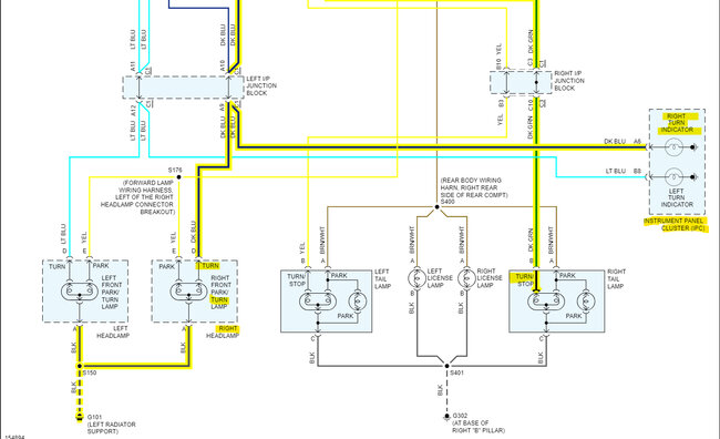
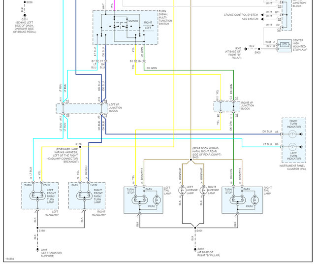
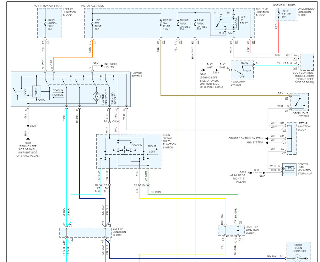
This sounds like the hazard switch needs to be replaced which is where the turn signal flasher is. Here are the blinker wiring diagrams so you can see how the system works and I have included how to change out the hazard switch as well. Check out the images (below). Please let us know if you need anything else to get the problem fixed.
Was this
answer
helpful?
Yes
No
-1
Monday, May 8th, 2023 AT 4:23 PM
Tiny
KEN L
  • MASTER CERTIFIED MECHANIC
  • 55,335 POSTS
What happened here? What fixed it?
Was this
answer
helpful?
Yes
No
Tuesday, July 15th, 2025 AT 6:58 PM
Tiny
DAVID CHEN
  • MEMBER
  • 16 POSTS
  • 2003 CHEVROLET IMPALA
  • 3.4L
  • V6
  • 2WD
  • AUTOMATIC
  • 12,000 MILES
The rear right signal light is blinking very fast. The front light bulb removed it is good, and the rear light blinking normally and the arrow indicator also back on. Use the test light to check the light bulb socket it is okay. The hazard switch was replaced with a new one but did not fix the problem. Is it related to the Turn signal multi-function switch or not? Please advise me of the possible causes. Thank you with best regards.
Was this
answer
helpful?
Yes
No
Tuesday, July 15th, 2025 AT 6:59 PM (Merged)
Tiny
AL514
  • MECHANIC
  • 5,590 POSTS
Hello, it's possible the multi-function switch is to blame, but it might also be a bad Ground on that right front circuit. You said the test light checked out ok, did it blink when you tested the socket with the turn signals on? If so, I think I know what's happening.
If your test light flashes during the socket test, but not with the bulb in, there might be a bad Ground for that Right Front turn signal, and current flow is having to travel a different route to ground, passing through the RF Turn signal filament, then through the Park Lamp filament, and then finally through the LF Park filament to get to ground. And this is why when you use your test light it works fine because the test light has a good ground. This is just something to check before replacing the multi-Function switch.
The 3rd diagram below shows what might be happening. Try running an aux ground on that black wire at the Right Front turn signal socket and see if it resolves your issue. If it doesn't then you can check the Function switch some more, but this should be a quick easy test. Bad grounds do strange things for turn signals, and I know replacing the multi-Function switch is not always an easy job.
Was this
answer
helpful?
Yes
No
+1
Tuesday, July 15th, 2025 AT 6:59 PM (Merged)
Tiny
DAVID CHEN
  • MEMBER
  • 16 POSTS
Using an ohmmeter check the grounding and socket output voltage are okay respectively, check the multi-function switch that seem malfunction, it just replaced with new unit and the problem solved. Thank you very much for your instructions.
Was this
answer
helpful?
Yes
No
+1
Tuesday, July 15th, 2025 AT 6:59 PM (Merged)

Please login or register to post a reply.