Turn signal not working

Tiny
MAKANAKI7
  • MEMBER
  • 2007 HONDA ACCORD
  • 1.3L
  • V6
  • 2WD
  • AUTOMATIC
  • 37 MILES
The problem is that the hazard light works perfectly, but the turn light does not work. I change the flasher and the controller doesn't work. What can I the only problem is the turn light.
Saturday, June 4th, 2022 AT 7:48 PM

3 Replies

Tiny
KASEKENNY
  • MECHANIC
  • 18,907 POSTS
There are a number of things that can cause this, but we need to start by checking the voltage coming out of the relay for the turn lights.

Here is a guide that will help with this:

https://www.2carpros.com/articles/how-to-check-wiring

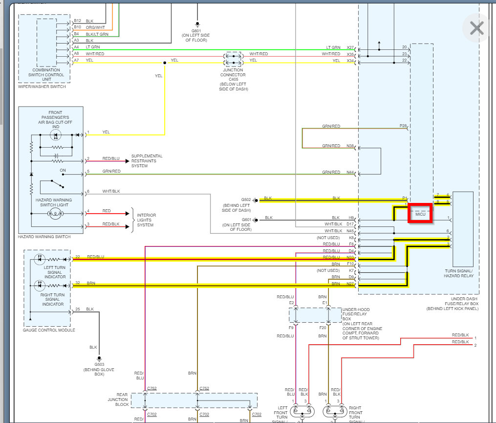
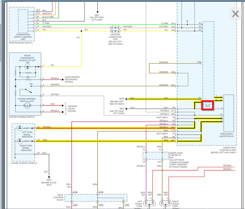
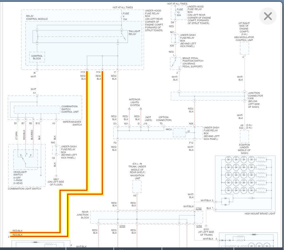
I am attaching the wiring diagram below which will help with this as well.

Basically, we need to find out if the voltage is there and if it is not then it is a relay or turn signal switch issue.

Please run through this info and let me know what questions you have but I suspect you have a relay issue.

Thanks
Was this
answer
helpful?
Yes
No
Sunday, June 5th, 2022 AT 7:31 PM
Tiny
MAKANAKI7
  • MEMBER
  • 18 POSTS
I have change the turn signal switch and the relay.
Was this
answer
helpful?
Yes
No
Sunday, June 5th, 2022 AT 10:05 PM
Tiny
KASEKENNY
  • MECHANIC
  • 18,907 POSTS
If you have changed the switch and relay and still no change then the likely cause is a failure in what is called the MICU. Basically, this is the circuit board that is internal to the under-dash fuse block.

If you look at the wiring diagram the way this works is the switch is turned on and the signal is sent to the relay. The relay then sends the signal to the lamps, but it has to be grounded through the MICU.

This means we need to remove the relay and check to find out if you have ground through the MICU. You can do this by turning the switch on and finding where you have power coming from the switch and then use the ground terminal to see if you have voltage on your meter. If you don't then you have no ground.
Was this
answer
helpful?
Yes
No
Monday, June 6th, 2022 AT 6:38 AM

Please login or register to post a reply.