Friday, September 22nd, 2023 AT 10:11 PM
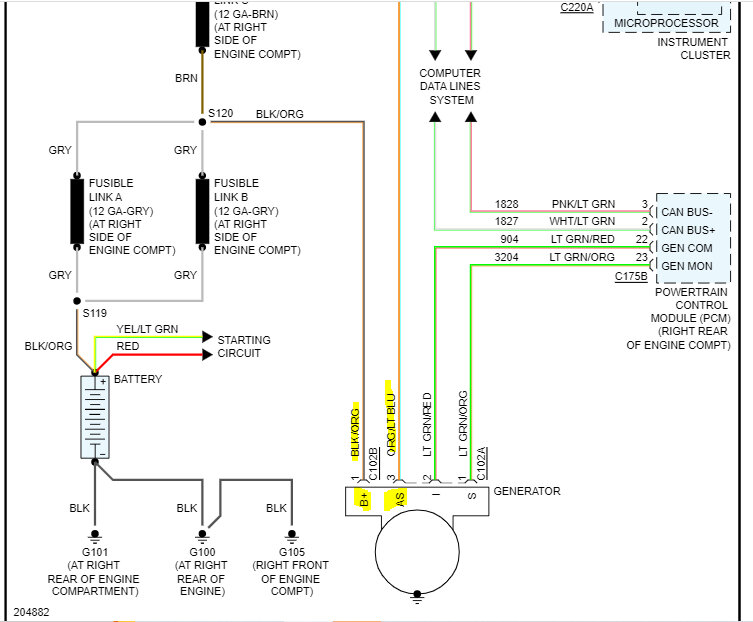
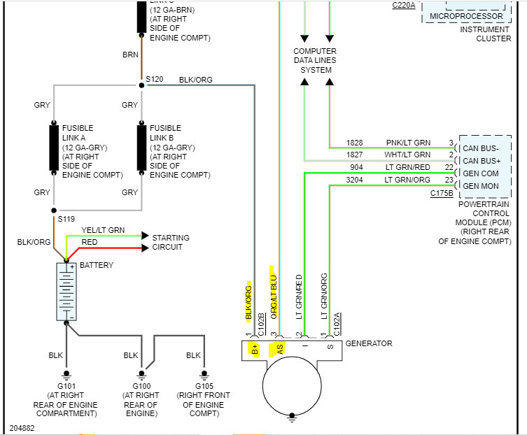
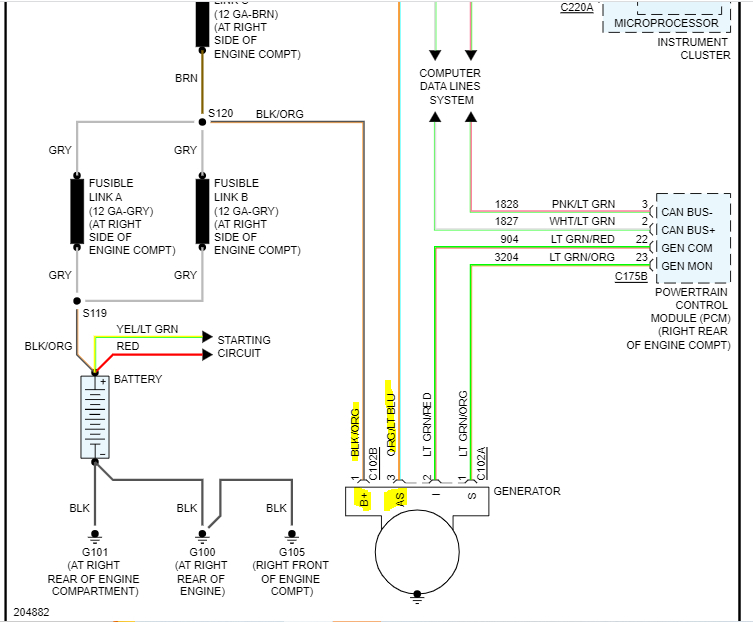
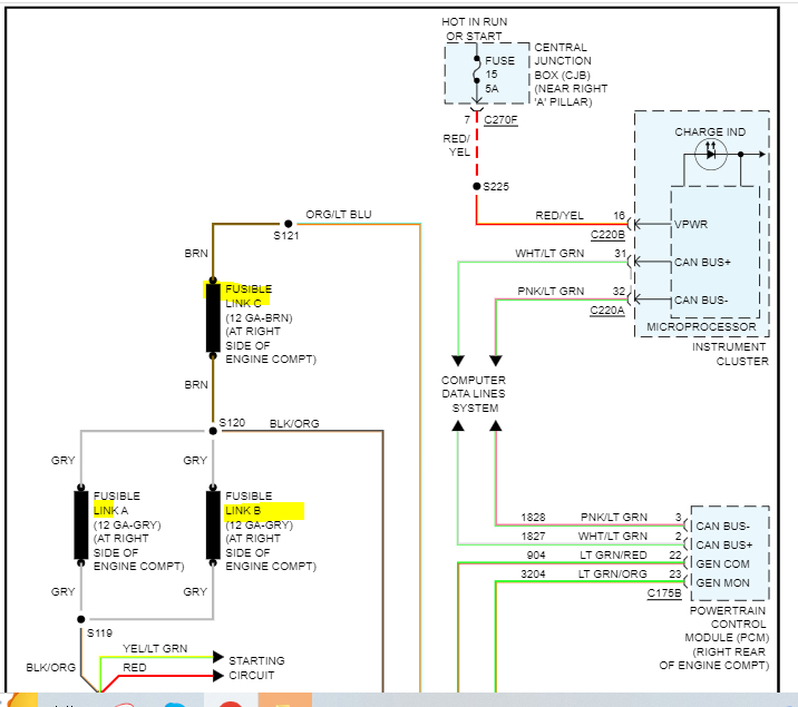
While driving all windows up air conditioning on 4 I noticed the output was weak, then all power shut off inside, instrument panel, radio, windows, everything. I parked turned the engine off. Got a jump but couldn’t get it out of park. Installed a new battery drove it home. Even with new battery, battery light kept coming on only while in idle mode, stop lights or in park ect. A couple of days went by and my son replaced the alternator because of the battery light being on. Now the brand-new battery is showing it’s dead, jumping it didn’t work so we are charging it overnight to see if it will start in the morning. A couple hours into charging battery it seems to be taking a charge but I’m still going to wait till morning to see if it’s going to start. I’ve never had electrical issues before and I keep up on all maintenance. Wondering if it could be as simple as a relay?



