Engine cranks but will not start

Tiny
TWROBERTS
  • MEMBER
  • 1995 GMC C1500
  • 5.0L
  • V8
  • 2WD
  • 329,999 MILES
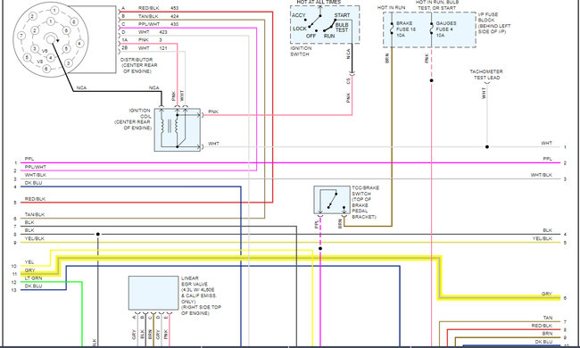
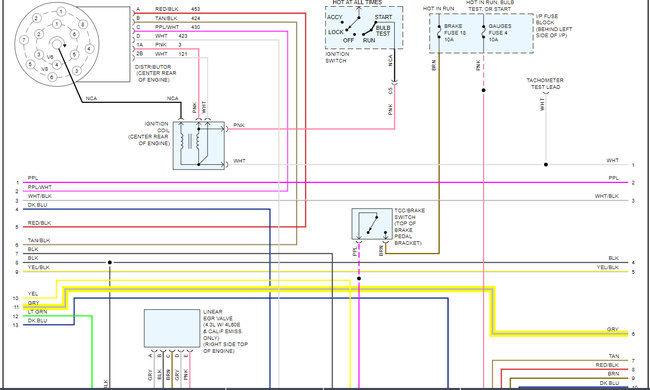
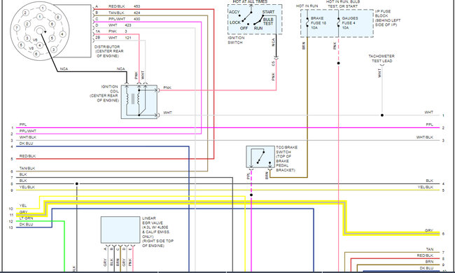
Truck is turning over, wants to start, no fuel coming from injectors and no spark at plugs. Changed distributor cap and rotor along with coil pack. No change. Fuel does come through filter under drivers door side, not sure on PSI.

Had a hard freeze since the last time it was started only thing I can think of that is different since last start.

Last time I started it, 1-2 months ago, there was a backfire in the engine compartment but kept running. Has exhaust leak and a bit of white smoke when first started.

Truck has been sitting up for several years but always starts. Sometimes has needed a jump or new battery.
Sitting up due to transmission problem.
Monday, March 15th, 2021 AT 7:30 PM

1 Reply

Tiny
ASEMASTER6371
  • MECHANIC
  • 52,796 POSTS
Good morning,

Fuel that is several years old is not good.

I would drop the tank, flush out all the old fuel and replace the fuel pump as well. Add fresh fuel when completed.

https://www.2carpros.com/articles/how-to-replace-an-electric-fuel-pump

Change the fuel filter as well.

https://www.2carpros.com/articles/how-to-change-a-fuel-filter

The pump should run for 2 seconds when the key is turned to the on position. Then it will turn on full when cranking.

Check the pressure when completed. You should have 9-13 pounds of pressure.

https://www.2carpros.com/articles/how-to-check-fuel-system-pressure-and-regulator

Roy

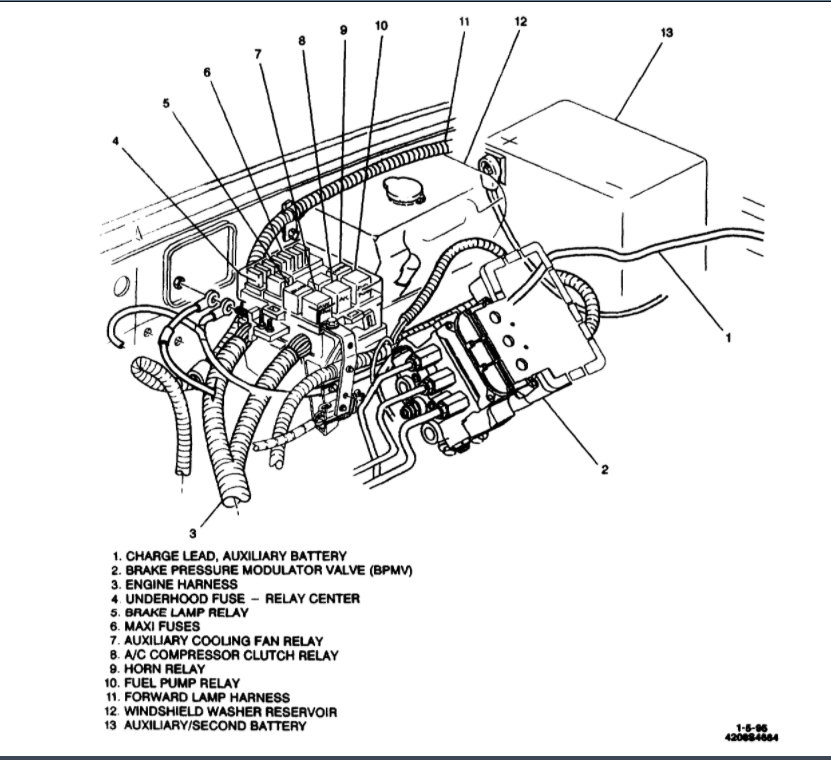
REMOVE OR DISCONNECT
1. Relieve fuel system pressure. Refer to Fuel System Pressure Relief Procedure.
2. Negative battery cable.
3. Raise the vehicle on a hoist.
4. Fuel tank.
5. Sender unit and pump by turning the cam lock counterclockwise using tool J 36608 or J 24187.
6. Fuel pump from the sending unit.
- Pull the fuel pump up into the attaching hose while pulling outward from the bottom support.
- Do not damage the rubber insulator or the strainer.

INSPECT
1. Fuel pump attaching hose for signs of deterioration.
2. Rubber sound insulation at the bottom of the pump.
3. Strainer.

INSTALL OR CONNECT
1. Fuel pump assembly into the attaching hose.

NOTE: Care should be taken not to fold over or twist the strainer when installing the sending unit. This can restrict fuel flow.

2. Sending unit and fuel pump assembly into the fuel tank.
- Insert new O-ring seal.

3. Cam lock assembly.
- Turn the cam lock clockwise to lock it.

4. Fuel tank.
5. Negative battery cable.
6. Check system for leaks.

REMOVE OR DISCONNECT
1. Relieve fuel pressure.
2. Fuel filler cap.
3. Fuel feed nuts.
4. Clamp bolt.
5. Filter and clamp from fuel lines.
6. Clamp from filter.

INSTALL OR CONNECT
1. Clamp to filter.
2. Filter and clamp to fuel lines.
3. Clamp bolt.
4. Fuel feed nuts.
5. Fuel filler cap.
6. Check for leaks.
Was this
answer
helpful?
Yes
No
+1
Tuesday, March 16th, 2021 AT 2:44 AM

Please login or register to post a reply.