No crank no start issue

Tiny
WOMACKD
  • MEMBER
  • 2011 CHEVROLET SILVERADO
  • 6.2L
  • V8
  • 4WD
  • AUTOMATIC
  • 200,000 MILES
The truck has power, the lights and everything works. Door locks, windows, everything works. It just won't turn over not even a click.
Tuesday, November 16th, 2021 AT 9:52 PM

1 Reply

Tiny
JACOBANDNICKOLAS
  • MECHANIC
  • 110,192 POSTS
Hi,

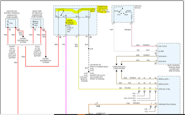
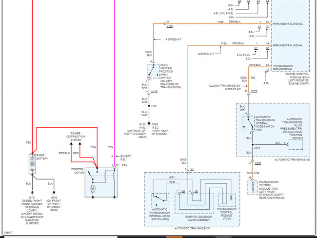
This could be the result of a few different things. What we need to do first, is check the power supply to the starter motor S terminal. It will be a purple wire but will only have 12v with the key in the start position.

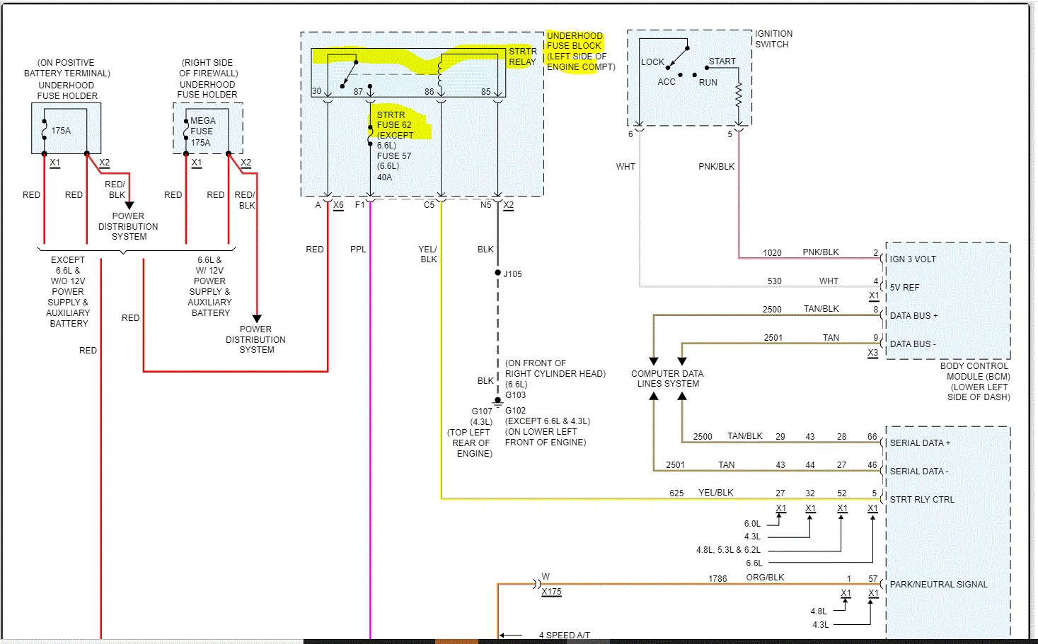
So, let's start at the beginning. First, I need you to check fuse 62 in the under-hood fuse box. That is a starter fuse that supplies power to the S terminal. When checking the fuse, confirm there is power to and from the fuse. Here is a link you may find helpful.

https://www.2carpros.com/articles/how-to-check-a-car-fuse

If the fuse is good, then I need you to check the starter relay. It is also in the under-hood fuse box. Remove the relay and switch it with a different relay having the same part number. If there isn't one, here is a link showing how to test a relay.

https://www.2carpros.com/articles/how-to-check-an-electrical-relay-and-wiring-control-circuit

One last link. Because the starter itself may be bad, here is a link that explains how to test a starter. Do this if everything tests good above.

https://www.2carpros.com/articles/starter-not-working-repair

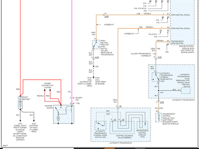
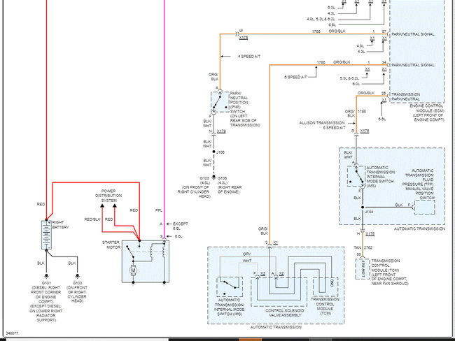
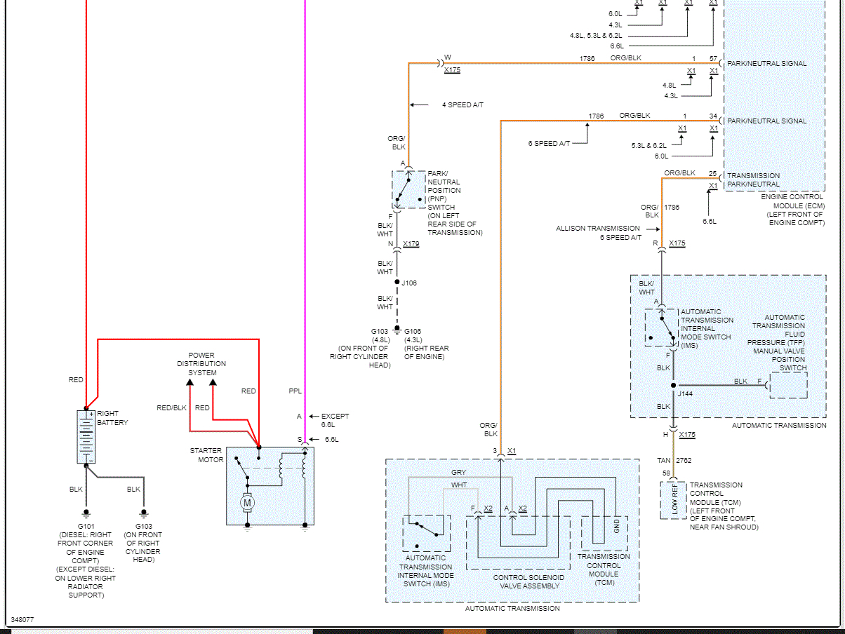
I attached the wiring schematic below for the starting circuit for you to reference. Also, the last pic is the fuse box. I highlighted the fuse and relay for you.

I hope this helps. Let me know what you find.

Joe

See pics below.

Was this
answer
helpful?
Yes
No
Wednesday, November 17th, 2021 AT 8:08 PM

Please login or register to post a reply.