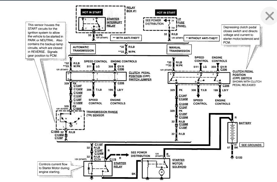
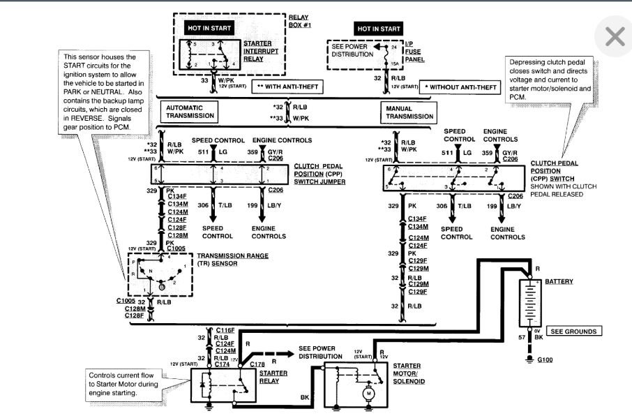
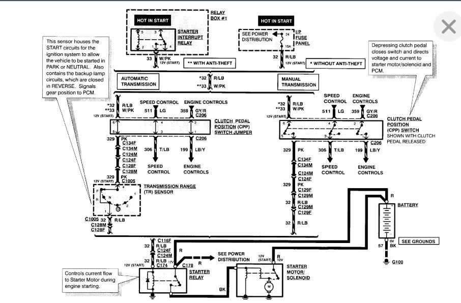
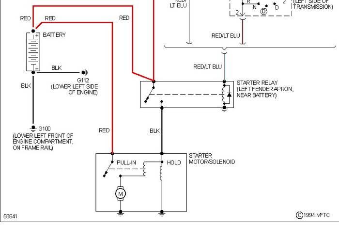
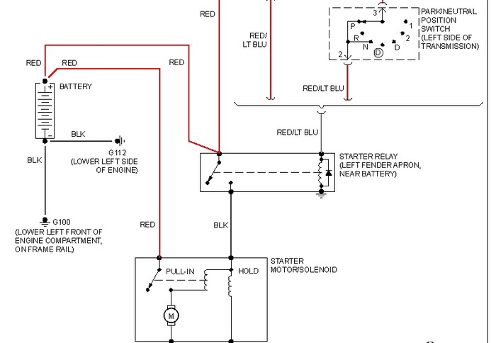
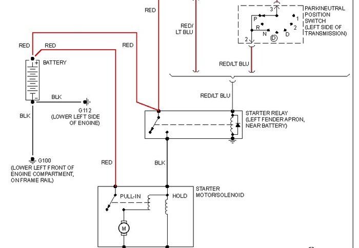
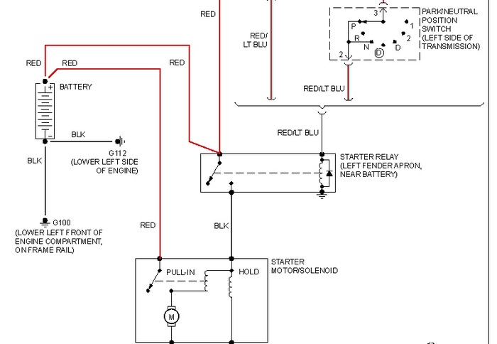
Make sure the connection is good from the solenoid on the fender to the starter motor itself.
Then check the wire at the solenoid on the starter. The little wire should have power with the key in the start position only.
If it does, then you need a starter motor. If it does not then we need to do some checks at the relay.
Roy
Was this helpful?
Yes
No
+1
Monday, March 8th, 2021 AT 5:40 PM
(Merged)






