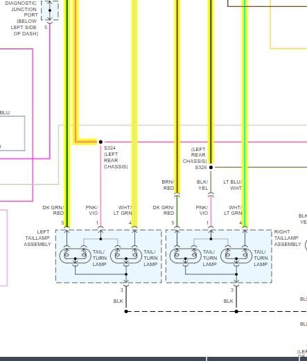
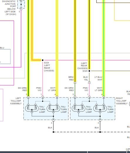
Both rear brake and parking lights receive power from the TIPM. I attached schematic pics for you to see. I had to break it into three pictures so you could see it all. The first thing I would check is the ground. All the affected lights ground at the same place. According to the schematic, it is the left rear of the engine compartment. The third brake light ground is a different location.
Now, if you have a good feeling it is a ground issue since they all went at once. However, power does come from the TIPM and that could still be an issue.
Check the ground first and let me know what you find. Also, there is a park lamp relay under the hood on the TIPM. Check it and check fuses 15, 32. And 34.
I highlighted the wires related to this tail lights. I will also add that if the license plate lights work, they also go to the same ground. But there are a few splices to be concerned about. On the schematic, everywhere there is a black dot on the wire, that is a splice, so check them too.
Let me know if you have questions or if I can help.
Take care,
Joe
Was this helpful?
Yes
No
+1
Wednesday, June 23rd, 2021 AT 3:27 PM
(Merged)


