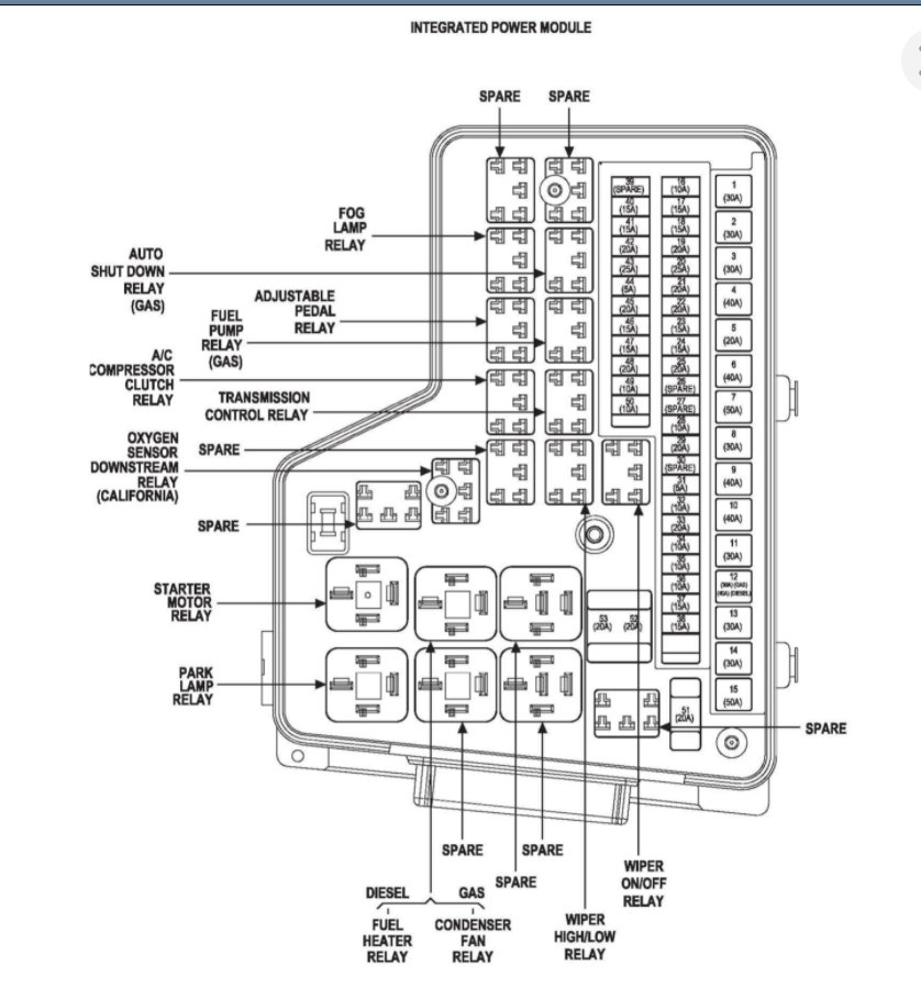
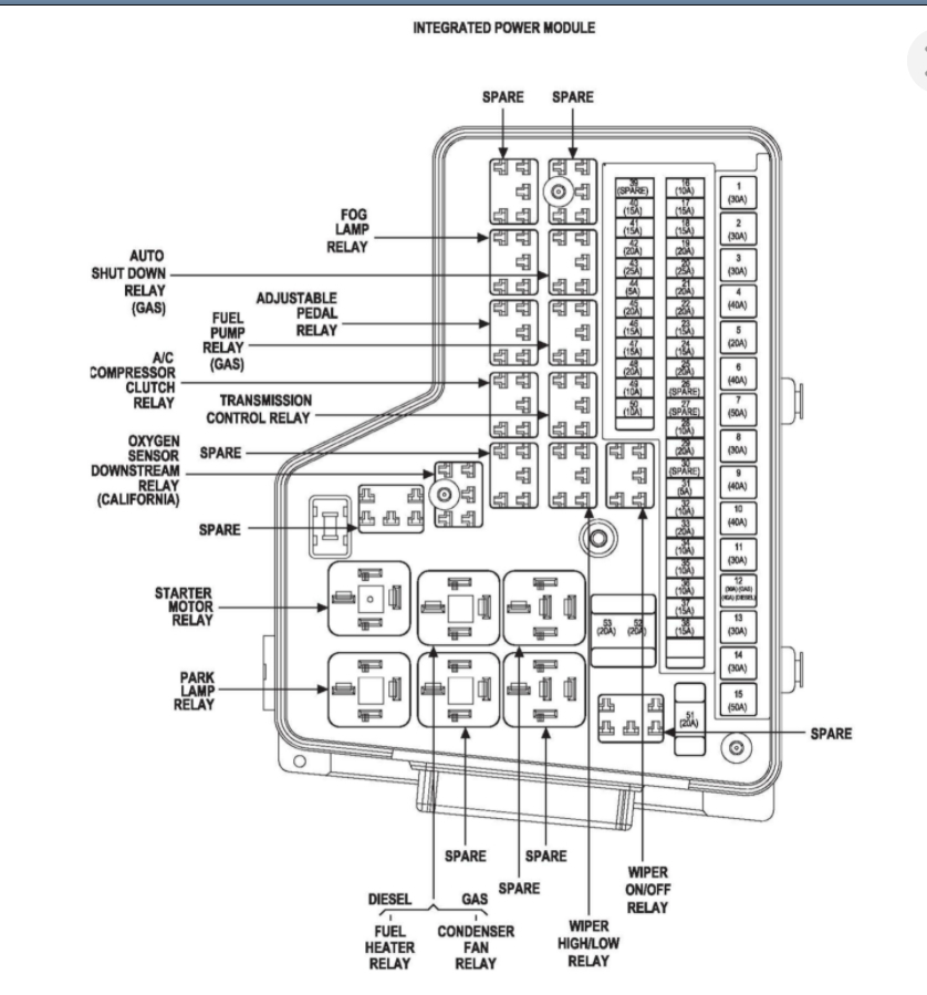
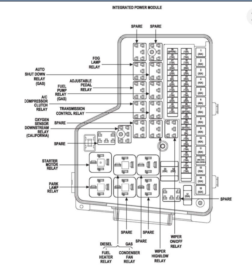
Windows stopped going down where the fuse panels?

Tiny
MLISTRE65
  • MEMBER
  • 2004 DODGE RAM
  • V8
  • 2WD
  • AUTOMATIC
  • 88,000 MILES
All four windows stopped going down at the same time. I need to find the fuse and test them.
Monday, September 29th, 2008 AT 2:16 PM

1 Reply

Tiny
KASEKENNY
  • MECHANIC
  • 18,907 POSTS
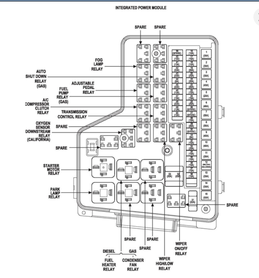
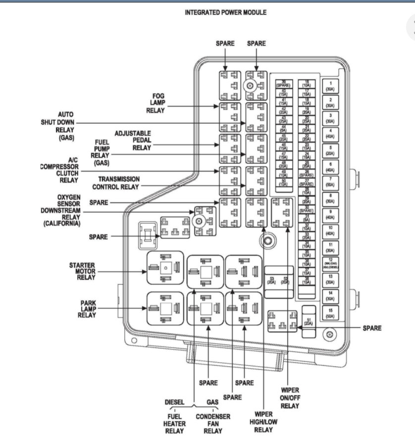
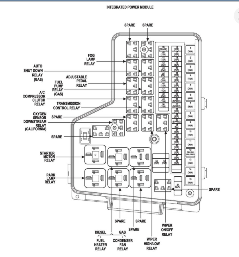
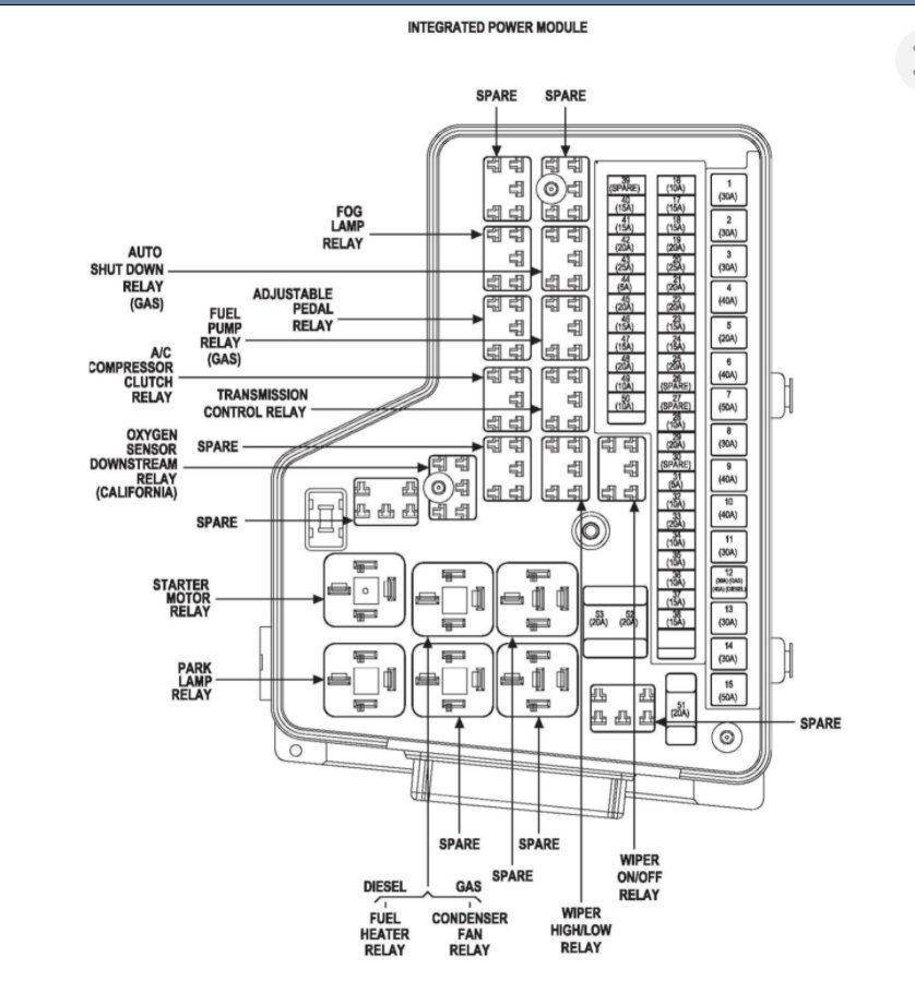
This could be the fuse on the side of the steering column but it could also be the Driver Door module. So check the fuse using this guide:

https://www.2carpros.com/articles/how-to-check-a-car-fuse

If that checks out then I would replace the module which is basically just the master window switch bank.

Please run though this material and let us know if you have other questions. Thanks
Was this
answer
helpful?
Yes
No
Sunday, July 4th, 2021 AT 10:28 AM

Please login or register to post a reply.