No power to ignition switch?

Tiny
MRED342000
  • MEMBER
  • 1992 DODGE RAM
I have power to my interior lights but no power to the ignition switch any suggestions?
Monday, December 7th, 2009 AT 1:54 PM

3 Replies

Tiny
RASMATAZ
  • MECHANIC
  • 75,992 POSTS
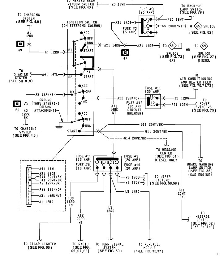
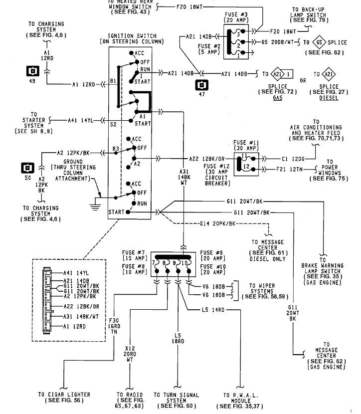
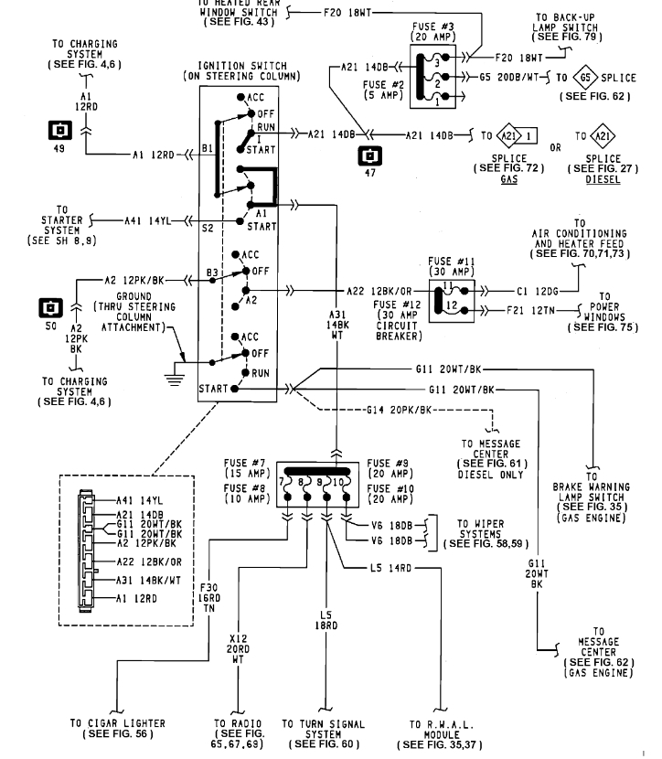
Check and test the orange fusible link this one here powers the ignition switch. Here are the wiring diagrams for the ignition switch. Check out the images (below). Let us know how it goes
Was this
answer
helpful?
Yes
No
+1
Monday, December 7th, 2009 AT 3:23 PM
Tiny
MRED342000
  • MEMBER
  • 2 POSTS
Checked fusible links I have a white wire that runs with an orange wire that is burnt in to which becomes a red wire that goes into the fire wall. The white wire seems to be going to the ecm it is not burnt but the orange wire going to the same fusible link is burnt. What do you suggest to do next?
Was this
answer
helpful?
Yes
No
+1
Monday, December 7th, 2009 AT 8:07 PM
Tiny
RASMATAZ
  • MECHANIC
  • 75,992 POSTS
Jumper the orange fusible link with 4 grade lower size wire with an inline fuse and then check the ignition for power
Was this
answer
helpful?
Yes
No
Monday, December 7th, 2009 AT 9:52 PM

Please login or register to post a reply.