Sunday, July 19th, 2020 AT 4:45 PM
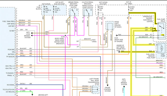
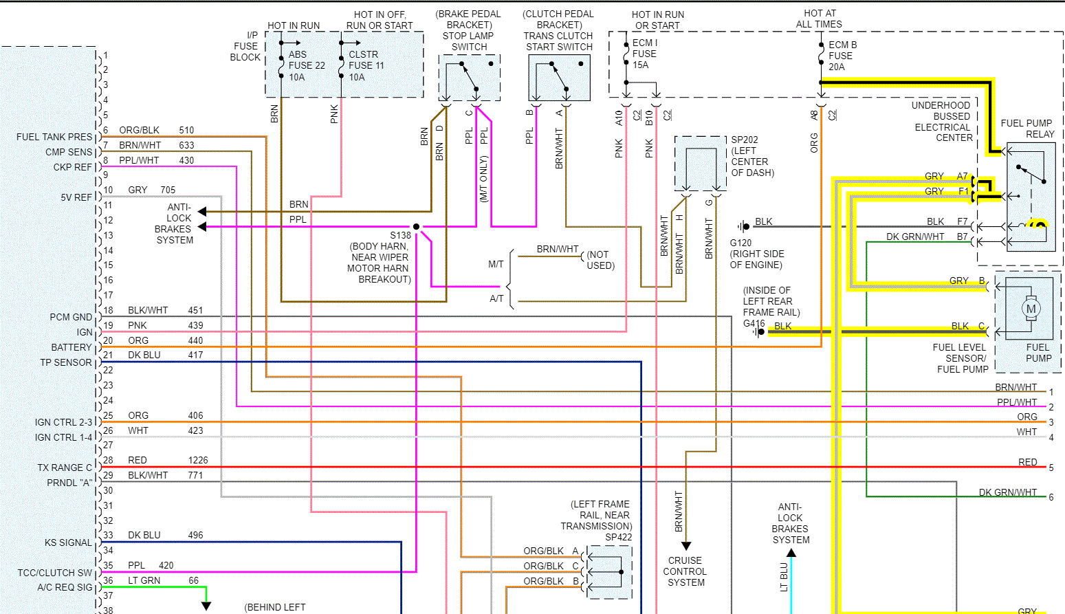
Truck was running fine then turned a hard left to go up a hill and just shut off. Tried to restart and it tried to idle very poorly. Engine was shaking everything. Then it was not even trying to fire. I don't believe it is a fuel problem as I have recently changed the fuel pump, filter, and pressure regulator. I recently contacted you guys about that fuel problem and after finding that my snap ring that holds the fuel pump had rusted out completely I got that resolved. Ultimately it was actually a wire that was grounding out against the oil fill tube and cutting power off to the fuel pump. I don't believe it is the timing belt because I know what that sounds like from past experience. Could a crankshaft or camshaft sensor just randomly quit working? I did let the clutch out fast shifting into 2nd gear because of the people tailgating me. Any thoughts appreciated.







