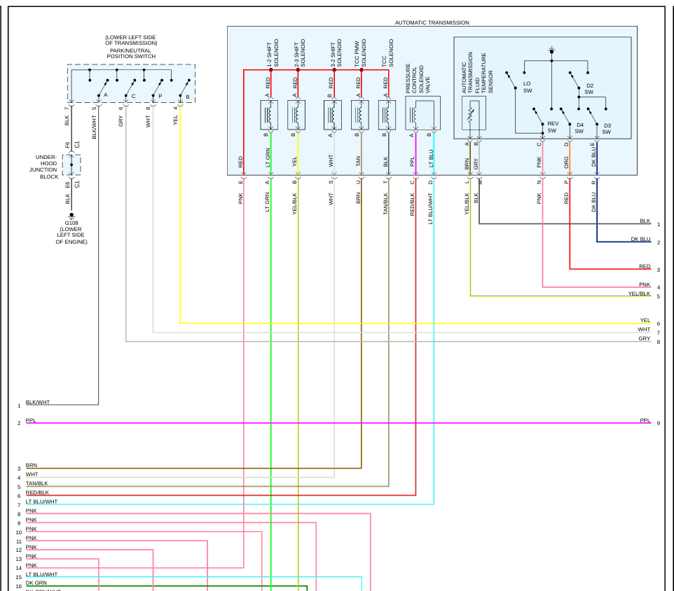
Monday, January 6th, 2020 AT 5:33 PM
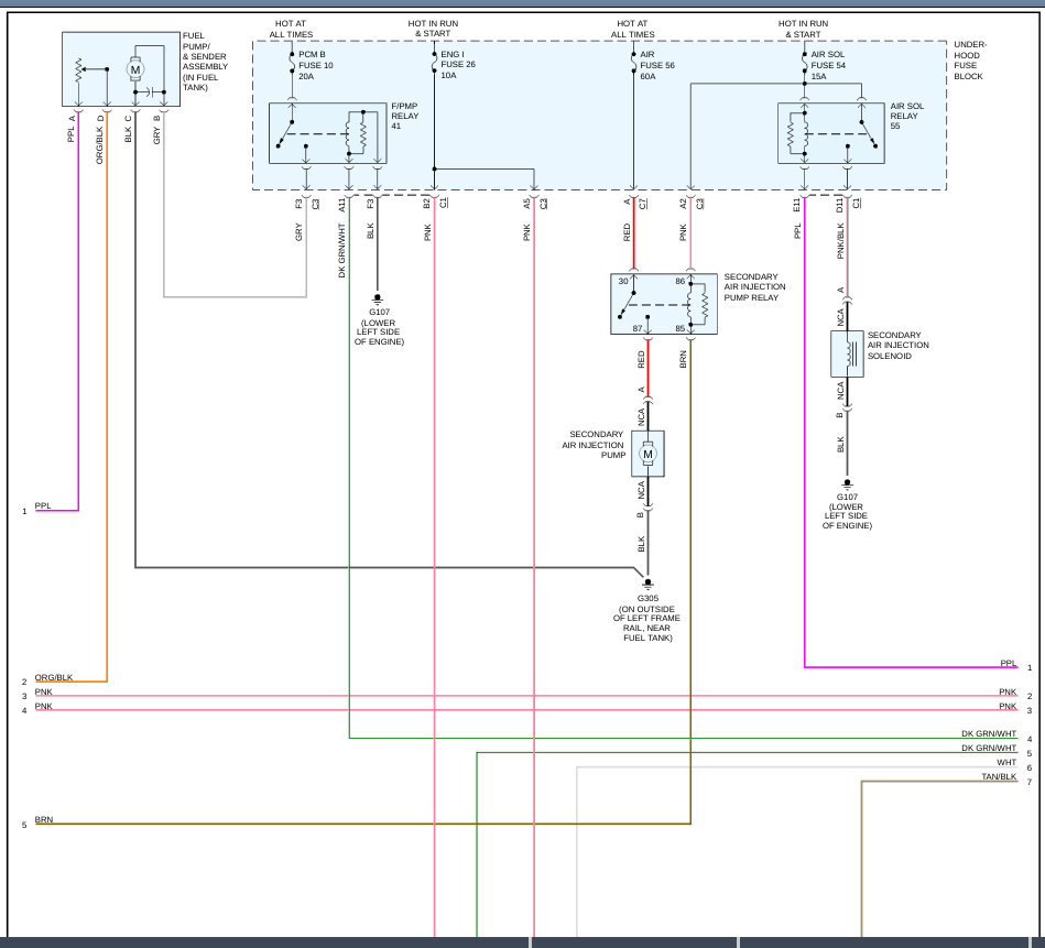
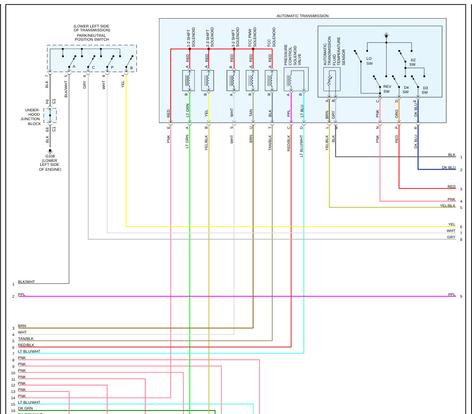
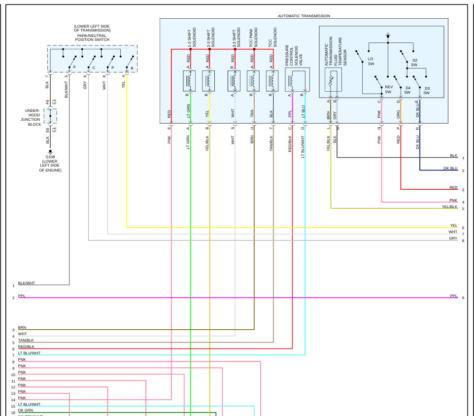
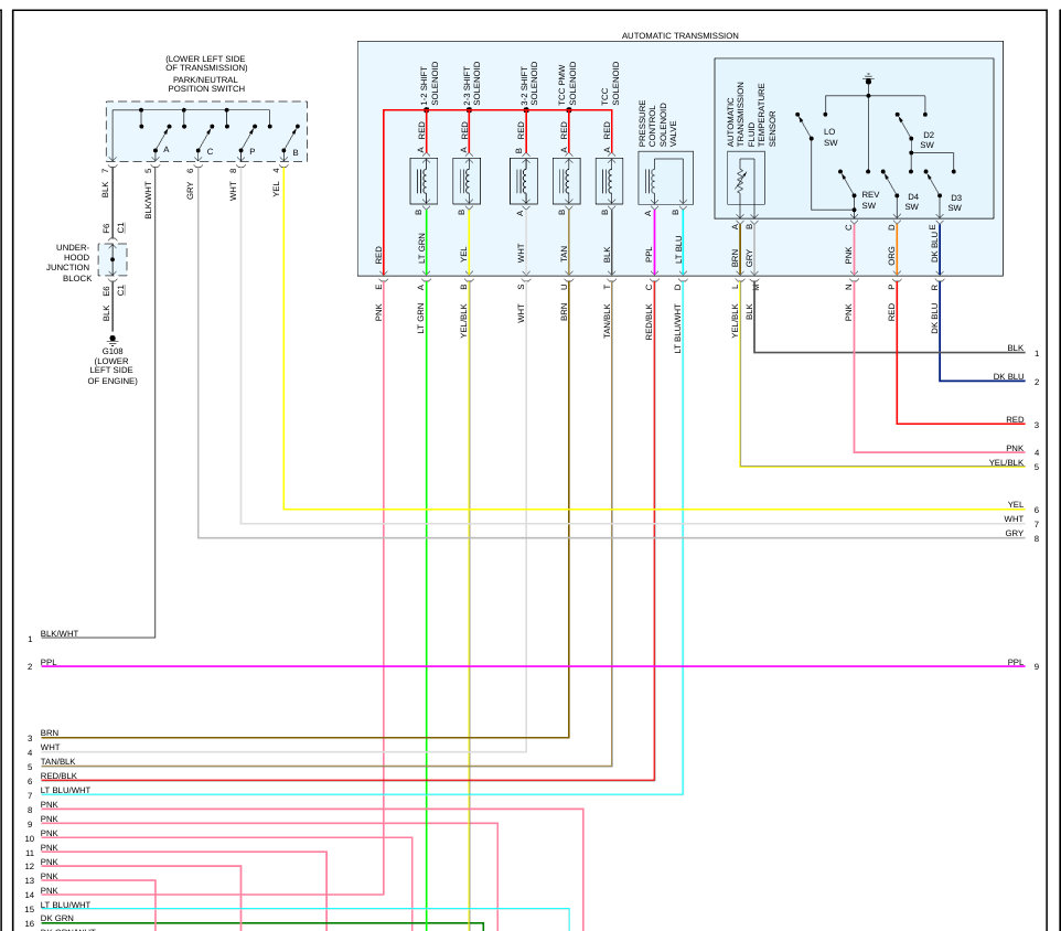
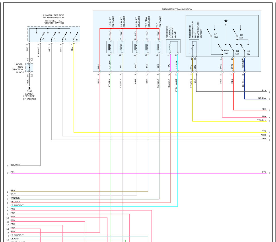
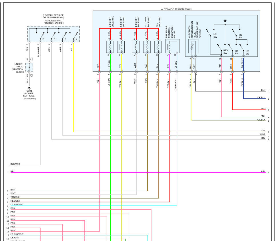
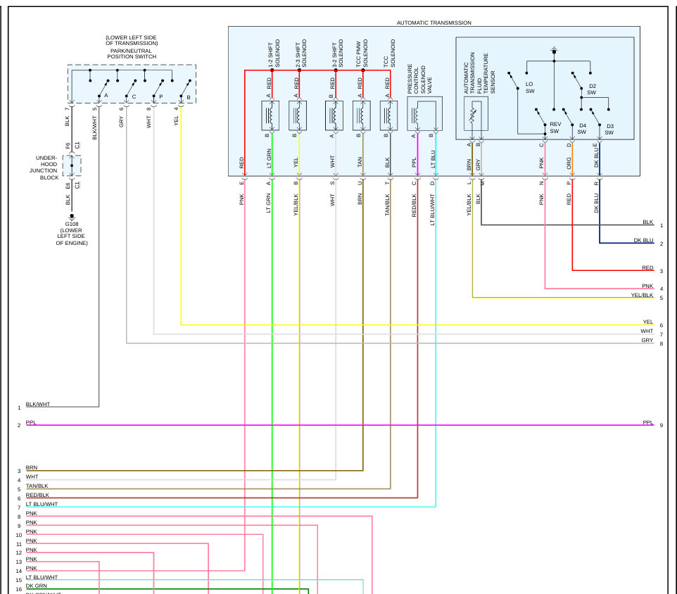
Crank it back up and it's missing wont stay running unless you keep it running by pumping the accelerator. With that being said I have recently put a new head on it cause it blew a head gasket so I have had the harmonic balancer-crank sensor-cam sensor off so it needed to have the relearn process done so I took it to my buddies shop and he done it did not fix it so I left his shop and the first opportunity I got I held the accelerator to the floor it did not want to shift into second but when I came to a stop it was running perfect, but before I got home it started back doing the same thing.





































