After rebuilding the transmission, it will not shift out of first gear?

Tiny
DUTCHGIRL
  • MEMBER
  • 1999 DODGE RAM
  • 5.9L
  • V8
  • 4WD
  • AUTOMATIC
  • 175,000 MILES
I just rebuilt my transmission, and it won't shift out of 1st gear. The sensors and valve body are new. I have adequate fluid. I'm not throwing any codes. I adjusted the TV cable. I even unplugged the 8-pin connector and started driving in 1st, manually going to 2nd then drive and it still wouldn't shift out of 1st. I'm at a loss as to what I should check next or what it could be. Thanks in advance.
Monday, February 19th, 2024 AT 10:19 AM

6 Replies

Tiny
KEN L
  • MASTER CERTIFIED MECHANIC
  • 55,512 POSTS
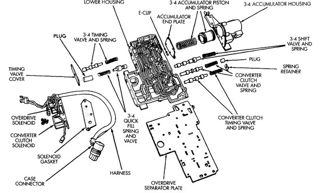
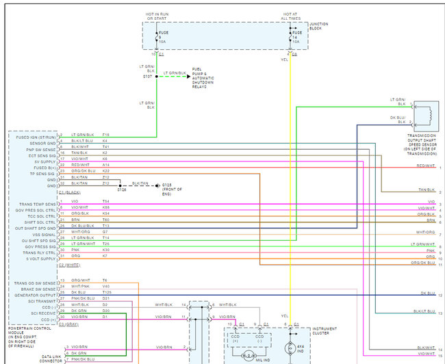
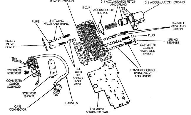
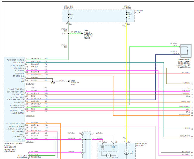
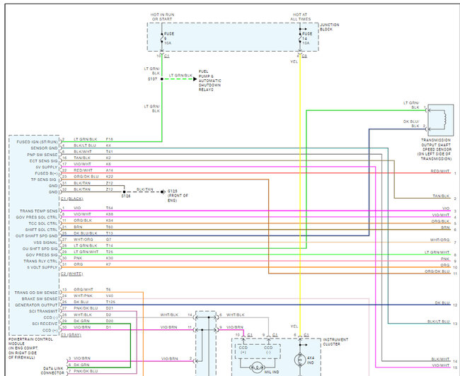
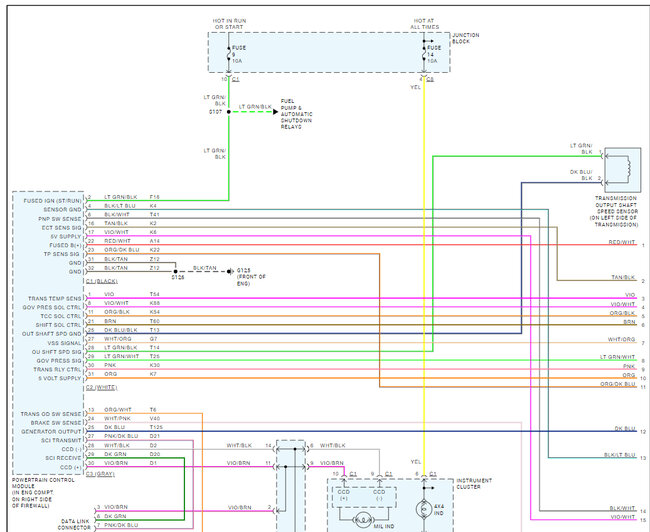
I would start by checking fuse # 9 and 14 in the junction fuse box on the inside of the truck, and fuses # 1 and 3 in the fuse panel under the hood. There is also a transmission control relay in the same fuse panel under the hood I would swap out. If these are okay or don't fix the problem, I would say you got a defective rebuilt valve body and transmission solenoid assembly. Here is a guide to help check the fuses and the transmission wiring diagrams so you can see how the system works:

https://www.2carpros.com/articles/how-to-check-a-car-fuse

Check out the images (below). Please let us know what happens.
Was this
answer
helpful?
Yes
No
Monday, February 19th, 2024 AT 11:41 AM
Tiny
DUTCHGIRL
  • MEMBER
  • 17 POSTS
All fuses and the relay were good. Is there a way to bench test the valve body and solenoid assembly?
Was this
answer
helpful?
Yes
No
Monday, February 19th, 2024 AT 2:49 PM
Tiny
KEN L
  • MASTER CERTIFIED MECHANIC
  • 55,512 POSTS
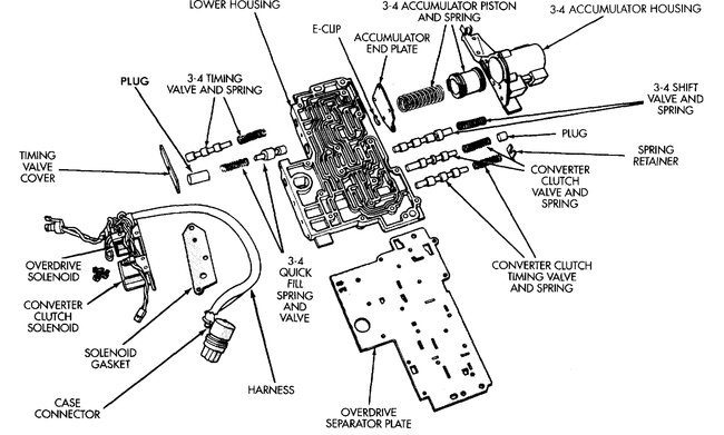
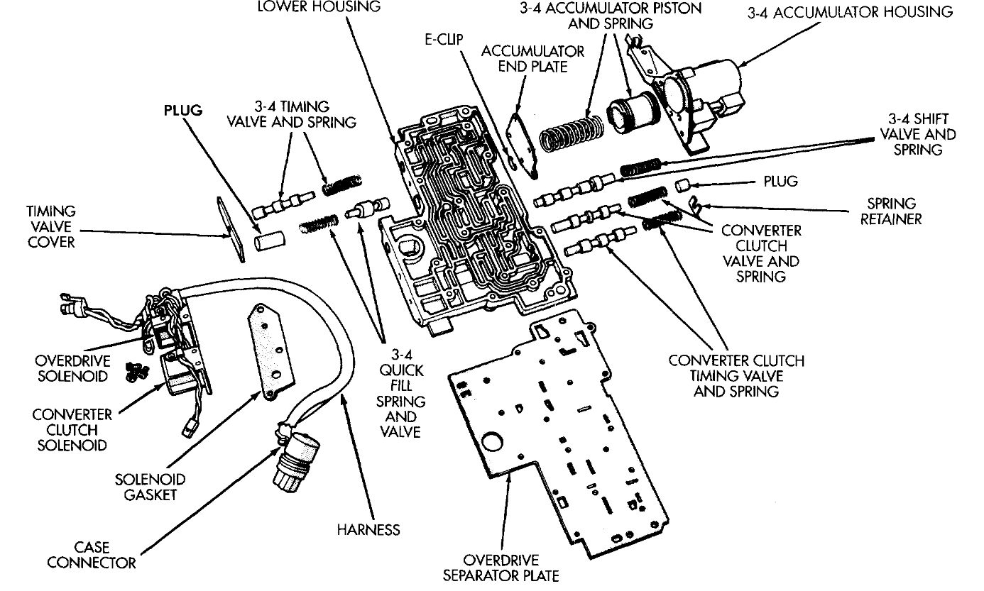
Yep, you can put 12 volts to the shift solenoids to see if they click and remove the shuttle valve to see if they move freely and make sure the check balls are in the correct placements. Also, it is important to tighten the valve body evenly.

Valve Body to Case Bolt 100 in. Lb
Solenoid Wiring Connector Screw 35 in. Lb
Solenoid To Transfer Plate Screw 35 in. Lb

CAUTION: Do not force valves or plugs into place during reassembly. If the valve body bores, valves and plugs are free of distortion or burrs, the valve body components should all slide into place easily. In addition, do not overtighten the transfer plate and valve body screws during reassembly. Overtightening can distort the housings resulting in valve sticking, cross leakage and unsatisfactory operation. Tighten valve body screws to recommended torque only.

Here are the instructions on how the valve body is assembled and it shows where the check balls go. Check out the images (below). Please let us know what happens.
Was this
answer
helpful?
Yes
No
Tuesday, February 20th, 2024 AT 10:15 AM
Tiny
KEN L
  • MASTER CERTIFIED MECHANIC
  • 55,512 POSTS
Anything?
Was this
answer
helpful?
Yes
No
Saturday, May 11th, 2024 AT 11:25 AM
Tiny
DUTCHGIRL
  • MEMBER
  • 17 POSTS
Still no luck. Solenoids we're good. No stuck parts on the valve body. All check balls where they were supposed to be. When I start it out in 1 then shift to 2 then D it does well but the rpms continue to rev up after I get in D and it will not shift anymore. Any ideas?
Was this
answer
helpful?
Yes
No
Saturday, May 11th, 2024 AT 1:25 PM
Tiny
KEN L
  • MASTER CERTIFIED MECHANIC
  • 55,512 POSTS
Lets run the codes to see what's is stored, also does the speedometer work?

This guide can help:

https://www.2carpros.com/articles/checking-a-service-engine-soon-or-check-engine-light-on-or-flashing

Please go over this guide and get back to us.
Was this
answer
helpful?
Yes
No
Sunday, May 12th, 2024 AT 11:44 AM

Please login or register to post a reply.