Friday, March 26th, 2021 AT 1:31 AM
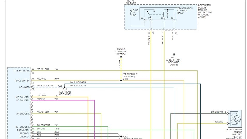
Hello. I have a bit of a weird question so I hope it is okay to ask here. I actually do not have any vehicle issues but I am looking for what the symptoms would be for a specific given scenario. I currently do not have access to a vehicle to test it myself so that is why I am here asking. The vehicle would be the one listed above with a 42RLE-VLP transmission and a NV233 transfer case. Okay, what would happen if you unplugged the external connectors to the VLP solenoid on the transmission and the Assembly Shift Motor/Mode sensor on the transfer case? Would you be able to still drive it and just not have 4x4 and bad gas mileage? Or would it default to limp mode or just be inoperable? How would the vehicle respond to having those two connectors disconnected? Any information would be greatly appreciated. Thank you.








