Transmission slips and hesitates

Tiny
PAMMCELHANNON
  • MEMBER
  • 2015 CHEVROLET SUBURBAN
  • 5.2L
  • V8
  • 4WD
  • AUTOMATIC
  • 100,000 MILES
Feels like it hesitates when accelerating, and slips. Makes a sound like driving on rumble strips with vibration.
Saturday, February 15th, 2020 AT 4:32 PM

2 Replies

Tiny
ASEMASTER6371
  • MECHANIC
  • 52,796 POSTS
Good evening,

Is the check engine light on? If it is, do you know the code?

https://www.2carpros.com/articles/automatic-transmission-problems

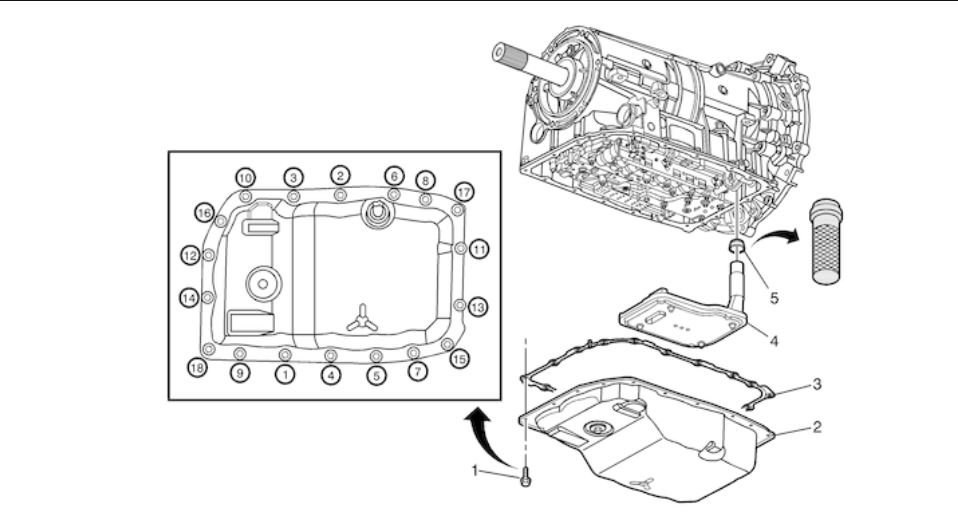
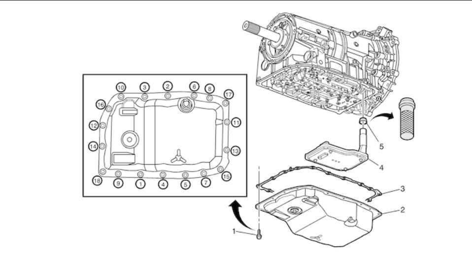
It could be a clogged filter in the transmission. How long since you had the fluid and filter changed.

https://www.2carpros.com/articles/how-to-service-an-automatic-transmission

Roy
Was this
answer
helpful?
Yes
No
Saturday, February 15th, 2020 AT 4:50 PM
Tiny
KASEKENNY
  • MECHANIC
  • 18,907 POSTS
What is the fluid condition like? Should be pink and not smell burnt. If the fluid is low then it will cause hesitations during acceleration. However, the vibration is caused by the clutches slipping so we need to make sure the fluid is not burnt.

Let's start with checking the fluid quality and go from there. Next thing is to check for codes. I doubt you will have any but we need to check.

https://www.2carpros.com/articles/automatic-transmission-problems
Was this
answer
helpful?
Yes
No
Saturday, February 15th, 2020 AT 5:00 PM

Please login or register to post a reply.