Transmission shifting, multiple OBD2 codes

Tiny
SAM CRENSHAW
  • MEMBER
  • 2002 VOLKSWAGEN CABRIOLET
  • 2WD
  • AUTOMATIC
  • 150,000 MILES
Here are the codes I'm getting:

P0753
P0758
P0763
P0785
P0773
P0748

These all point to errors in the same neighborhood.

Does it appear that a replacement of the entire module will be the proper fix?
Monday, January 31st, 2022 AT 2:57 PM

17 Replies

Tiny
JACOBANDNICKOLAS
  • MECHANIC
  • 110,194 POSTS
Hi,

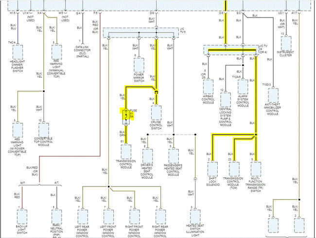
Wow, you have basically every solenoid valve there is in that list, shift and pressure. Did this happen all at once? Did you check the connection between the TCM (under the left rear seat) and the transmission valve body control valves? Also, have you checked the TCM ground? It's a brown wire at the TCM which is under the left seat as well.

If this happened all at once, I don't suspect it's related to the solenoids. However, before replacing the entire module, I would check all connections for damage, being disconnected, or anything that could prevent the signal. Also, make sure the ground isn't damaged as well.

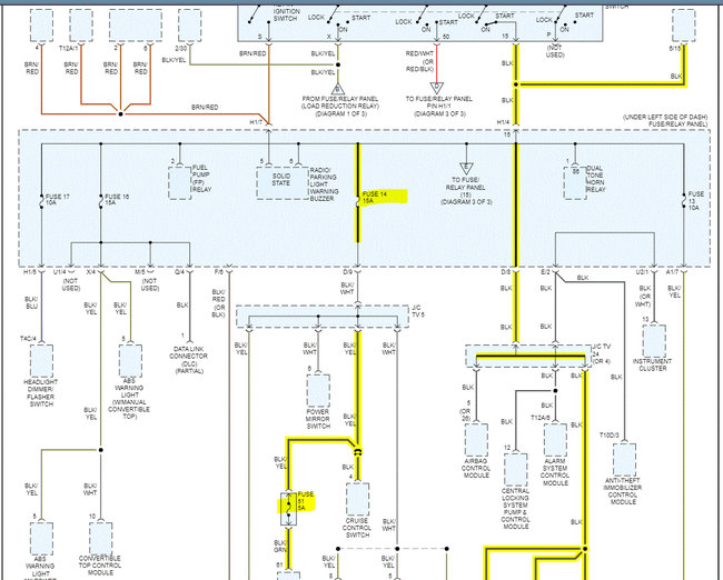
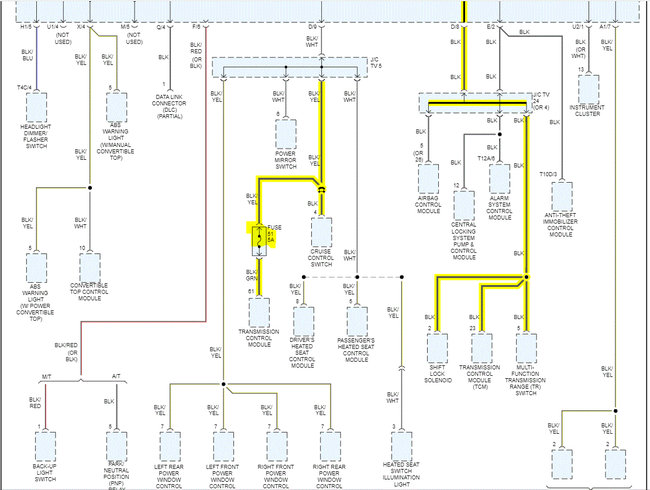
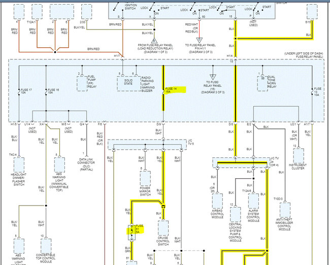
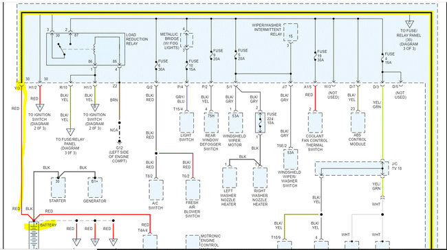
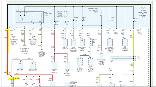
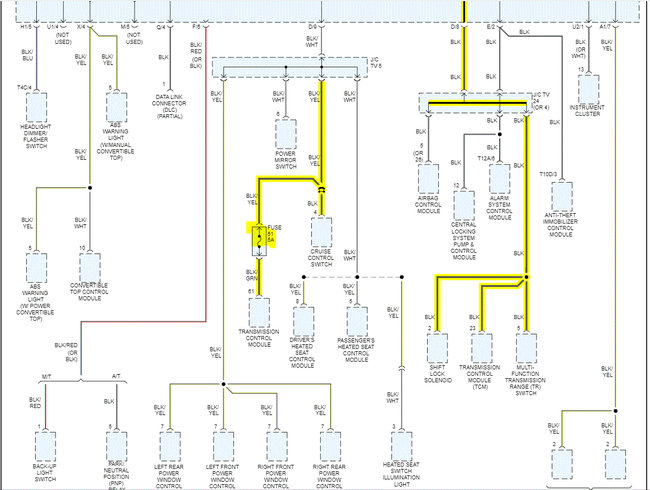
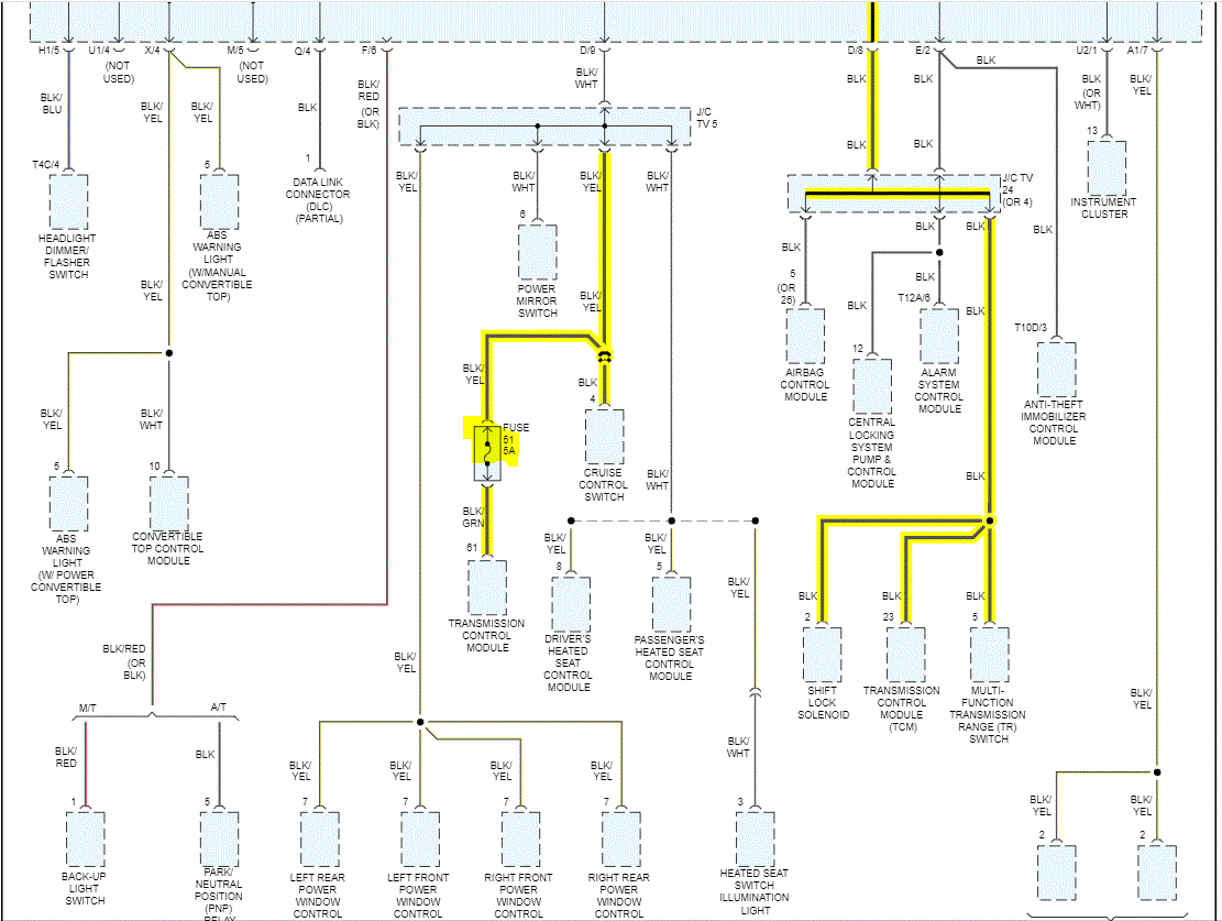
Let me know. I attached the wiring schematic below for the transmission circuits for your reference. I had to cut it in half to make it readable but I did overlap them so you can follow from one to the next.

Also, let me know what happens when you try driving the vehicle and if you have other questions.

Take care,

Joe

See pics below.
Was this
answer
helpful?
Yes
No
Monday, January 31st, 2022 AT 7:49 PM
Tiny
SAM CRENSHAW
  • MEMBER
  • 52 POSTS
Hi Joe, thanks for your response. All of this is beyond my past experience level so please bear with me.

Will I find the TCM under the rear seat inside or underneath the vehicle? Do you happen to have a photo of what it will look like?

I've only just come into possession of the vehicle, so I have no information about the history of how this happened.

Thanks so much.

Sam
Was this
answer
helpful?
Yes
No
Wednesday, February 2nd, 2022 AT 7:50 AM
Tiny
JACOBANDNICKOLAS
  • MECHANIC
  • 110,194 POSTS
Sam,

It will be in the vehicle under the rear, left seat. I attached a pic below showing the location.

Let me know if this helps.

Take care,

Joe
Was this
answer
helpful?
Yes
No
+1
Wednesday, February 2nd, 2022 AT 12:57 PM
Tiny
SAM CRENSHAW
  • MEMBER
  • 52 POSTS
Hi Joe,

Okay, I eyeballed the TCM and, although I don't really know what I'm looking at, everything appeared to be intact and untouched from the factory and I saw no wires that appeared to be frayed or damaged under the seat.

Should I remove the module to check the connections underneath/behind it on the sides that aren't visible?

Secondly, forgive my ignorance, but is this component connected anywhere to a fuse and, if so, could a blown fuse have caused all of the failures to show up?

Thanks so much,

Sam
Was this
answer
helpful?
Yes
No
Tuesday, February 8th, 2022 AT 2:19 PM
Tiny
JACOBANDNICKOLAS
  • MECHANIC
  • 110,194 POSTS
Hi,

It may be a good idea to remove it and disconnect connections to get a view of their conditions. If you do remove it, disconnect the battery first and then the battery. When you reconnect, have the battery disconnected and once the TCM is reconnected, you can safely connect to the battery.

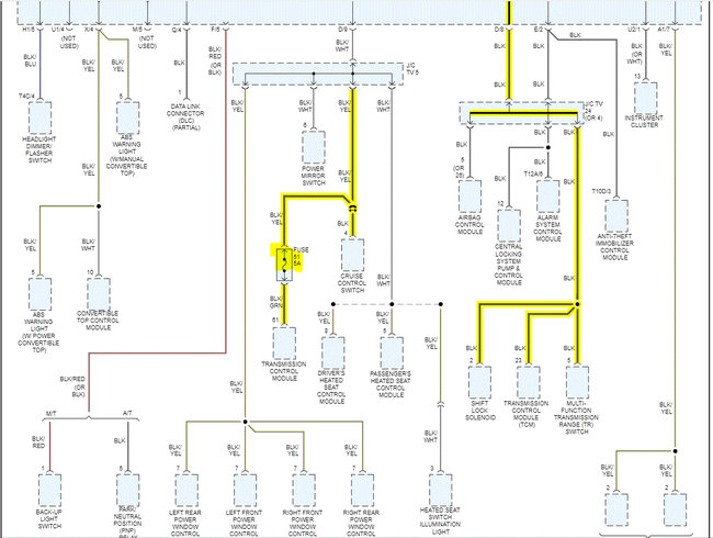
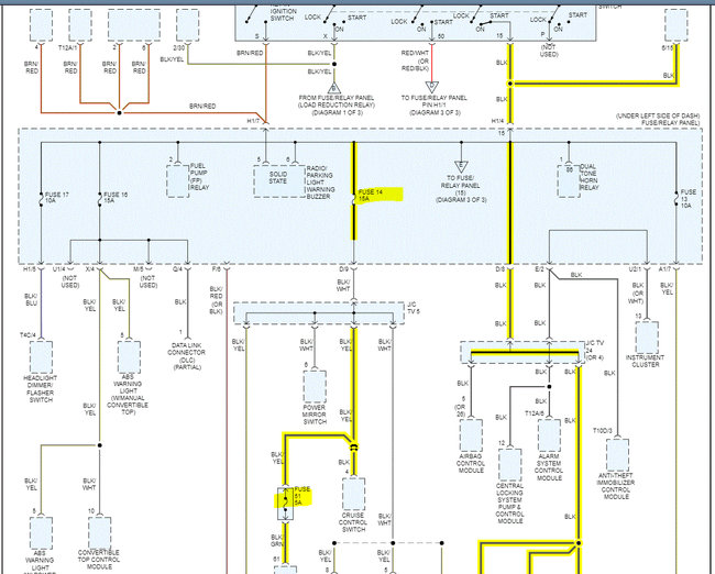
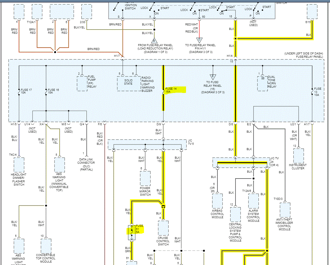
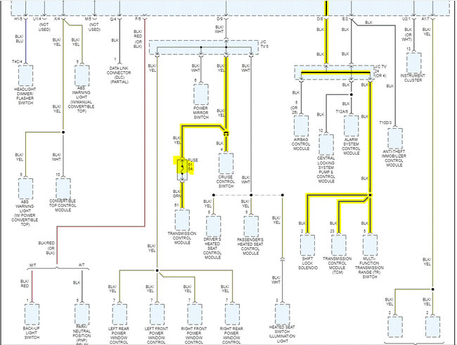
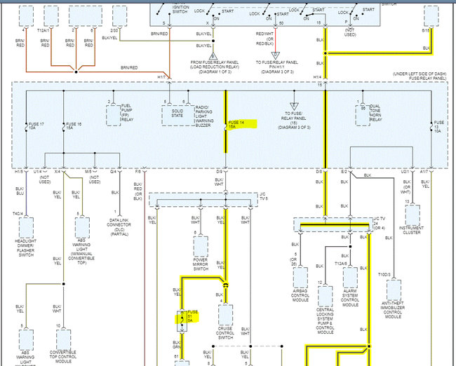
I attached a few pics from the power distribution circuit. I highlighted things related to the TCM.

Take a look through and inspect the fuses as well.

Joe

See pics below.
Was this
answer
helpful?
Yes
No
Wednesday, February 9th, 2022 AT 1:55 PM
Tiny
SAM CRENSHAW
  • MEMBER
  • 52 POSTS
*Pictures attached* from the outside, the module itself appears to be pristine.

The wiring harness attached to it, however, to me, looks like it may have had some aftermarket work done on it.

I was going to take apart the plug on the wiring harness to look at the internal wiring but, not knowing what I'm doing, it not coming easily apart and being fearful of breaking it, I'm holding off until you give me directions for doing so, if necessary.

What do you think? There's what appears to be electrical tape and a small zip tie where the wiring harness connects to the plug.

Thanks so much,
Sam
Was this
answer
helpful?
Yes
No
Thursday, February 10th, 2022 AT 11:07 AM
Tiny
JACOBANDNICKOLAS
  • MECHANIC
  • 110,194 POSTS
Hi,

I wouldn't recommend taking it apart. There are too many tiny things that can be damaged. I did look through all the pics. Pic 7, which I copied and reattached below, has something white at a pin. Is that just dust?

Let me know.

Joe
Was this
answer
helpful?
Yes
No
Thursday, February 10th, 2022 AT 4:37 PM
Tiny
SAM CRENSHAW
  • MEMBER
  • 52 POSTS
Yes, it was just a piece of debris.

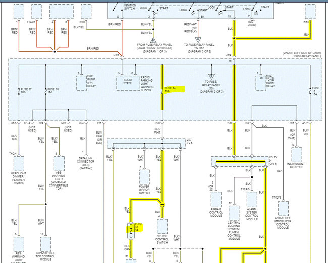
As I understand it, the two relevant fuses are 14 and 51. 14 is fine. 51 is, I believe, the large fuse at the upper left. I don't know how to check that one to see if it's okay.
Was this
answer
helpful?
Yes
No
Friday, February 11th, 2022 AT 12:32 PM
Tiny
JACOBANDNICKOLAS
  • MECHANIC
  • 110,194 POSTS
Hi,

Fuse 51 is a 5-amp fuse. It won't be in the fuse box. If I recall, it is above the fuse box and mounted on the firewall (inside the vehicle). It should be a standard fuse.

Let me know if you are able to find it. Thinking back, I had to stand on my head with a flashlight in my teeth to find it. LOL However, I believe fuse 51 is specific to cruise control.

Let me know exactly what is happening with the transmission.

Take care,

Joe
Was this
answer
helpful?
Yes
No
Friday, February 11th, 2022 AT 3:23 PM
Tiny
SAM CRENSHAW
  • MEMBER
  • 52 POSTS
Plain and simple - it doesn't shift from 2nd to 3rd gear.
Was this
answer
helpful?
Yes
No
Friday, February 11th, 2022 AT 4:28 PM
Tiny
JACOBANDNICKOLAS
  • MECHANIC
  • 110,194 POSTS
Hi, Sam:

Okay, I just went through all the codes again. Everything is related to shift solenoids, pressure solenoids, and so on. It's a bit hard to believe they all failed at the same time. Also, in most cases, the problem is not the electrical part of the solenoid. Instead, the problem is caused by foreign material obstructing the mechanical function of the solenoid or the flow of the fluid through the transmission valve body.

Looking at the pics you sent me of the TCM, I feel we may have a different issue. I realize you just got the vehicle. In what condition is the transmission fluid? If it is clean, I think we have a wiring issue in the transmission or where the harness connects to it.

I attached a pic below showing an exploded view. I highlighted the connector. You can see the harness enters the transmission and is distributed to the solenoids. Have you checked for any damage to the connector? Have you removed the fluid and pan yet to inspect the harness in there?

Let me know.
Was this
answer
helpful?
Yes
No
+1
Saturday, February 12th, 2022 AT 7:54 PM
Tiny
SAM CRENSHAW
  • MEMBER
  • 52 POSTS
Hi Joe,

I'm just getting back around to this project.

I'm trying to figure out where the connector you referenced above is physically located so I can eyeball the wiring.

I've attached a couple of photos. Can you tell me if I'm in the right area?

Thanks for your patience.

Sam
Was this
answer
helpful?
Yes
No
Tuesday, March 29th, 2022 AT 10:55 AM
Tiny
JACOBANDNICKOLAS
  • MECHANIC
  • 110,194 POSTS
Hi,

The pics you attached appear to be the starter motor. As far as the connectors, see pic 1 below. It identifies where it will be.

Joe

See pic below.
Was this
answer
helpful?
Yes
No
Tuesday, March 29th, 2022 AT 3:22 PM
Tiny
SAM CRENSHAW
  • MEMBER
  • 52 POSTS
Okay, I looked down from the top instead. Is this what I want?

Pretty grimy.
Was this
answer
helpful?
Yes
No
Tuesday, March 29th, 2022 AT 4:00 PM
Tiny
JACOBANDNICKOLAS
  • MECHANIC
  • 110,194 POSTS
Sam,

That appears to be correct. I noticed a lot of oil on the connectors and wiring. Make sure they are clean and tight. If possible, clean the connector and then place a dielectric grease on them to prevent corrosion in the future.

Let me know what you find.

Joe
Was this
answer
helpful?
Yes
No
Tuesday, March 29th, 2022 AT 4:48 PM
Tiny
SAM CRENSHAW
  • MEMBER
  • 52 POSTS
Hey Joe,

Just want to make sure I'm on the right track. I coated the area with oven cleaner and then washed it off before removing the connectors. I've attached photos. Are these the right ones and do they, and the plugs look to be okay to you?

Thks,

Sam
Was this
answer
helpful?
Yes
No
Wednesday, March 30th, 2022 AT 9:34 AM
Tiny
JACOBANDNICKOLAS
  • MECHANIC
  • 110,194 POSTS
Sam,

Yes, sir. Those look correct. Also, the connectors look good as well. The only one I can't really tell on is the round one. Am I seeing shiny spots or bent pins?

As far as the oven is concerned, that is a new one to me. LOL However, if it works, great! Make sure the connectors are dry and then using dielectric grease, reconnect them.

Let me know.

Joe
Was this
answer
helpful?
Yes
No
Wednesday, March 30th, 2022 AT 7:55 PM

Please login or register to post a reply.

Related Transmission Replace/Remove Content

Automatic Transmission Replacement
VIDEO