Wednesday, November 13th, 2019 AT 9:11 AM
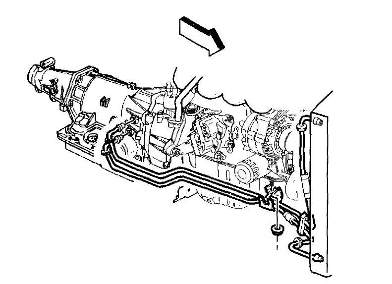
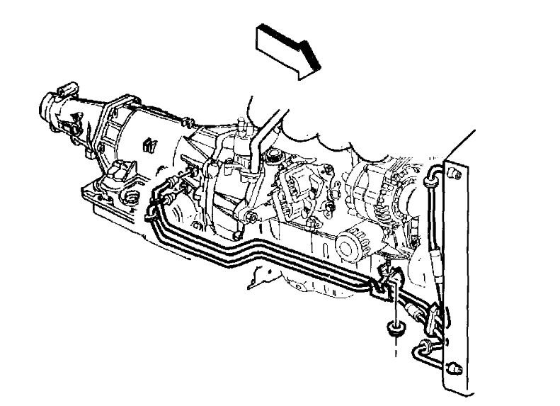
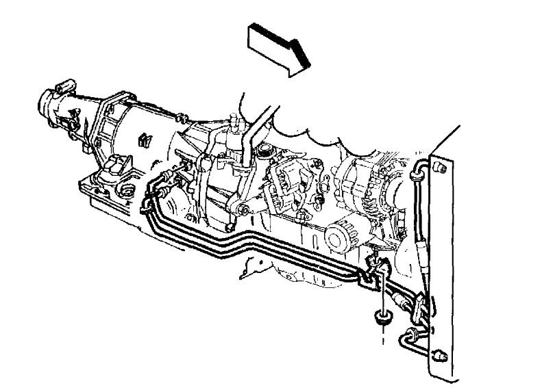
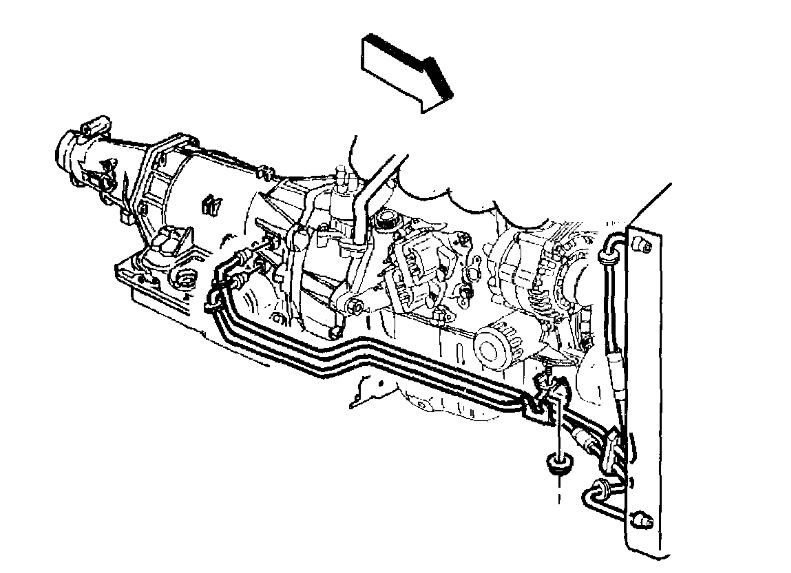
I have a small leak and it’s transmission fluid. It looks like it’s coming from the middle front behind the belts. Is there a drain plug for the transmission?
