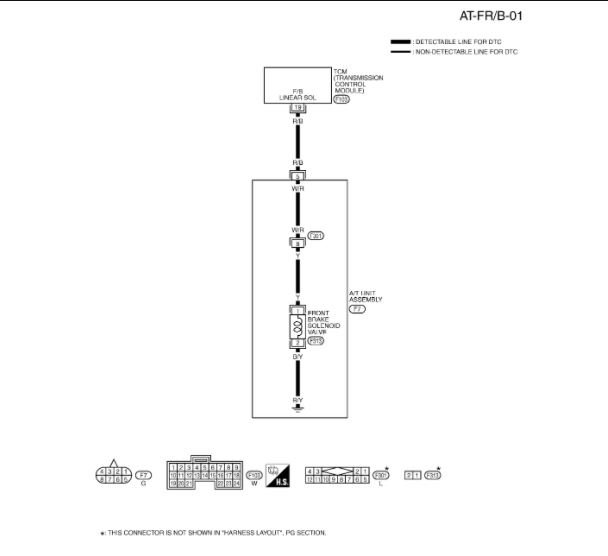
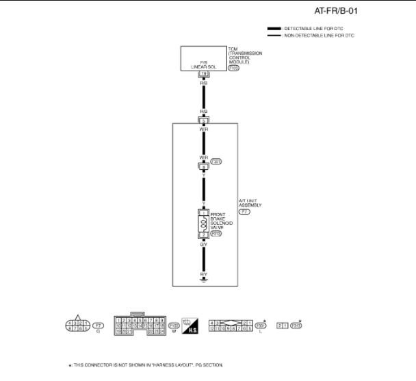
Transmission, A/T FR/B Solenoid Valve Circuit Malfunction

Tiny
LA.VERO
  • MEMBER
  • 2003 INFINITI G35
  • 6 CYL
  • AUTOMATIC
  • 155,615 MILES
Check light came on had code read and says A/T FR/B Solenoid Valve Circuit Malfunction.
If i'm stopped and drive the car wont go. I step on gas and is slowly driving takes awhile to kick in and drive or wont drive at all.
Does this sound right?
Tuesday, September 21st, 2021 AT 1:03 AM

9 Replies

Tiny
ASEMASTER6371
  • MECHANIC
  • 52,796 POSTS
Good morning,

I need the code number to help you. It should start with a P and then some numbers.

https://www.2carpros.com/articles/checking-a-service-engine-soon-or-check-engine-light-on-or-flashing

As far as the operation, I would start by changing the fluid and filter. If you have a clogged filter, it will act like this.

https://www.2carpros.com/articles/automatic-transmission-problems

https://www.2carpros.com/articles/how-to-service-an-automatic-transmission

Roy

Was this
answer
helpful?
Yes
No
Tuesday, September 21st, 2021 AT 4:32 AM
Tiny
LA.VERO
  • MEMBER
  • 40 POSTS
P1757.
Was this
answer
helpful?
Yes
No
Tuesday, September 21st, 2021 AT 9:53 AM
Tiny
ASEMASTER6371
  • MECHANIC
  • 52,796 POSTS
Thank you.

The code is for the front brake solenoid circuit. This is located in the ABS module and has nothing to do with your issue.

Did you get the fluid changed yet to see if that is the issue?

Roy
Was this
answer
helpful?
Yes
No
Tuesday, September 21st, 2021 AT 10:46 AM
Tiny
LA.VERO
  • MEMBER
  • 40 POSTS
No, I have not.
So the code has nothing to do with transmission?
Was this
answer
helpful?
Yes
No
Wednesday, September 22nd, 2021 AT 10:41 AM
Tiny
ASEMASTER6371
  • MECHANIC
  • 52,796 POSTS
Correct. It is part or an indicator of an issue with the ABS.

Roy
Was this
answer
helpful?
Yes
No
Wednesday, September 22nd, 2021 AT 11:01 AM
Tiny
LA.VERO
  • MEMBER
  • 40 POSTS
Oh gosh.
When I put into Drive step on gas it would take a few seconds to kick into gear. Now it does not go at all. A few people. Told us it was transmission, so my son bought one over the weekend. I feel real stupid.
Was this
answer
helpful?
Yes
No
Wednesday, September 22nd, 2021 AT 11:06 AM
Tiny
ASEMASTER6371
  • MECHANIC
  • 52,796 POSTS
Did you change the fluid? I would try that first before buying a transmission.

Roy
Was this
answer
helpful?
Yes
No
Wednesday, September 22nd, 2021 AT 11:12 AM
Tiny
LA.VERO
  • MEMBER
  • 40 POSTS
Have not done anything only the code reader 3 times. He already bought the transmission. We picked it up in Saturday from Sacramento.
Was this
answer
helpful?
Yes
No
Wednesday, September 22nd, 2021 AT 11:14 AM
Tiny
ASEMASTER6371
  • MECHANIC
  • 52,796 POSTS
I would change the fluid first. It is about $89.00. A lot cheaper than replacing the transmission.

Roy
Was this
answer
helpful?
Yes
No
-1
Wednesday, September 22nd, 2021 AT 11:19 AM

Please login or register to post a reply.