Tuesday, April 21st, 2020 AT 3:41 PM
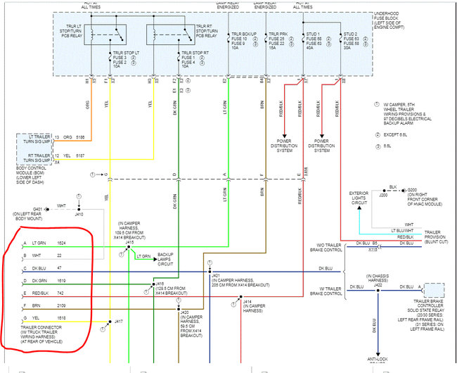
My trucks traction control and stabilitrak light comes on the dash along with the warning on the bottom saying service traction control and service stabilitrak. After about 5 to 10 minutes driving and it will reset it’s self after car is turned off for a period of time. . I tried using a code reader while the dash light was on and it says that there’s no codes and no dash lights on when I can clearly see that the traction control light is on. Not sure what it is.


