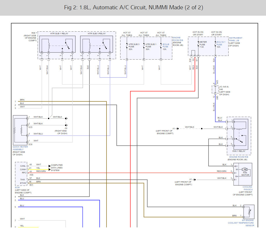
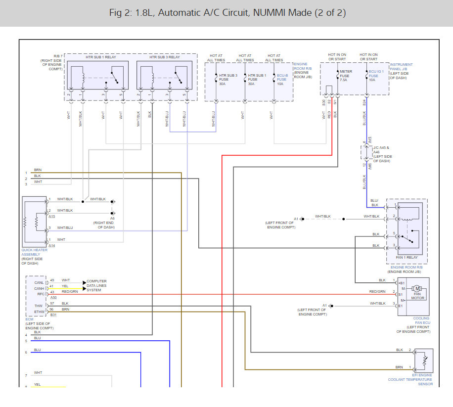
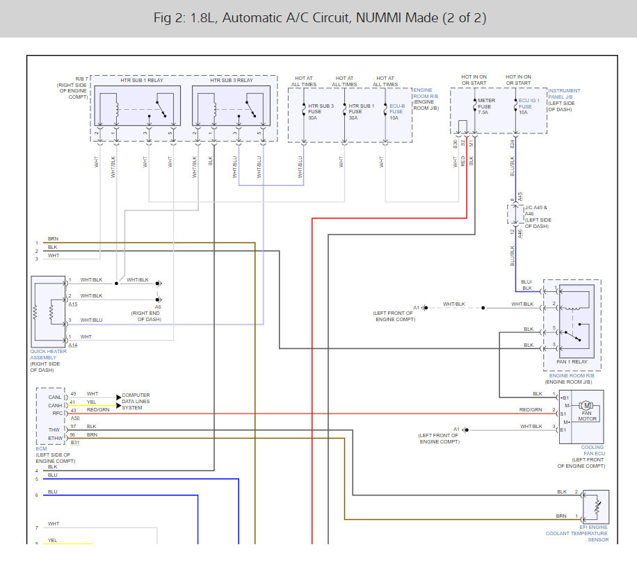
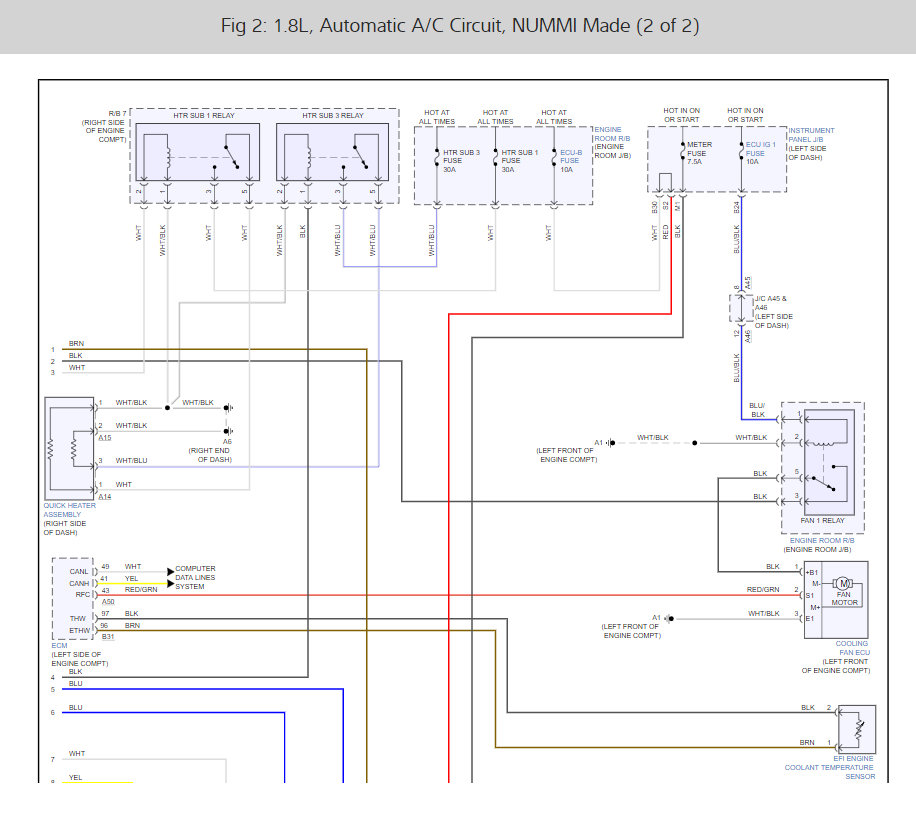
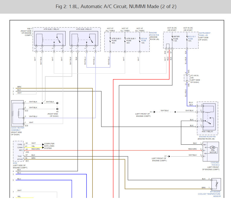
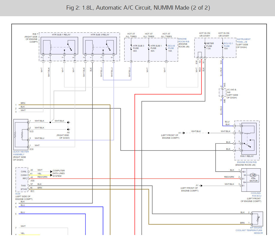
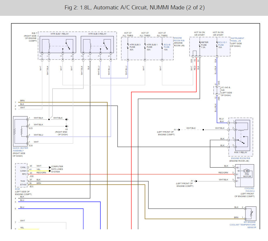
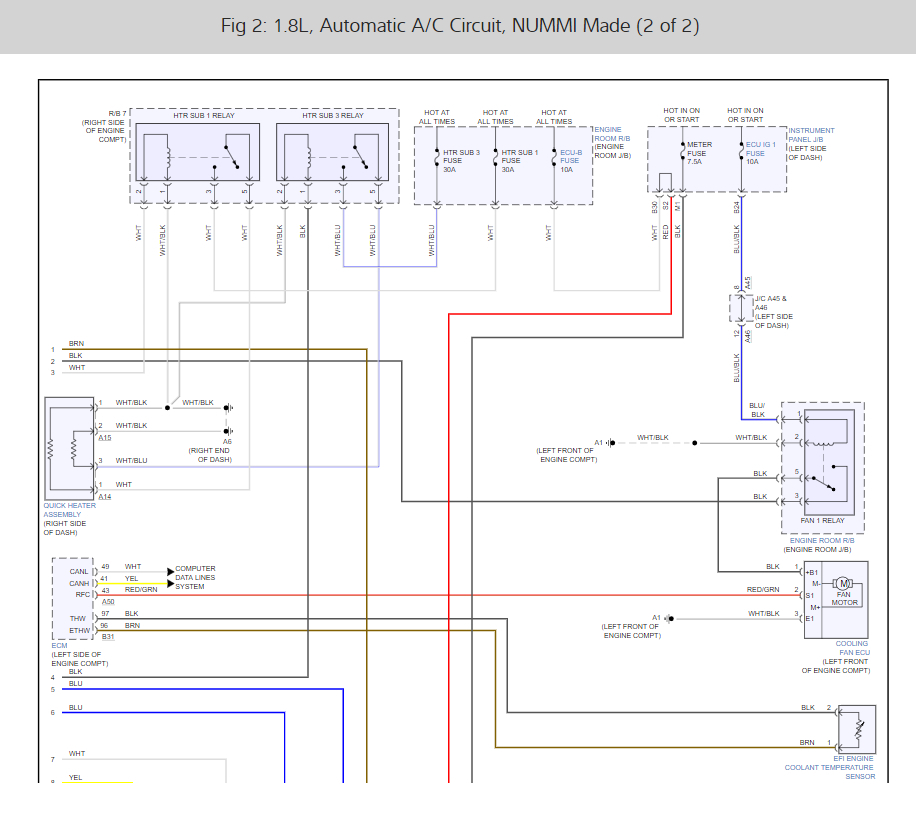
When im in my car. When I turn on my A/C it will usually work. Sometimes tho it simply doesn't work at all.
If I listen closely I will hear something click like its trying to work. I will turn it off and back on and will hear the click and nothing comes out of the vents.
Every time this happens (when it doesn't work), it does not last for more than 5 minutes it will eventually turn on, on its own. I cant find much of a pattern to it. Sometimes I will turn it from cold to hot and back, and turn it off and on a bunch of times, and I don't know if this is superstition, but it seems like it sometimes will jump start it and get the air flowing.
This happens w/ both the heater and the A/C.
When does this happen? Sometimes right away (when I get in the car) and sometimes after its been working for awhile it will just poop out for a few minutes. Start working. Poop out. Start working and continue working for the rest of the car ride.
For the most part my A/C and heater it works much more than it doesn't (its not a huge deal but annoying). But this has been going on for more than a year or 2.
Why does everything work for the most part. But this problem comes up every now and then?
Thanks For any help!C
Wednesday, August 12th, 2009 AT 5:23 PM













