The radio and clock went off where fuse box is?

Tiny
JONLEF
  • MEMBER
  • 2002 TOYOTA COROLLA
Four cylinder front wheel drive automatic 91,000 miles.

The radio and clock went off at the same while driving. The emergency flashers, cigarette lighter and cell phone outlet now do not work either. The air circulation fan, the switch is just below the radio, continues to work. I have checked the fuses under the hood according to the owners manual; they all appear continuous. My Haynes Repair Manual says there is another fuse box located at the left end of the instrument cluster, but the only thing I find is a flip out storage box there. What am I missing?
Also, could a cheap cell phone charger have caused this problem? This occurred after my daughter's eBay purchased charger was used in the cigarette lighter. She says the same thing happened to her Subaru after she used the charger.

I have problem finding the fuse box on same car 2002 Corolla. I took out the storage compartment beside steering wheel and it looks like it was removed because I cannot see it. Any ideas please?

Thanks for a reply.
Tuesday, December 30th, 2008 AT 5:49 PM

26 Replies

Tiny
KEN L
  • MASTER CERTIFIED MECHANIC
  • 55,302 POSTS
Hi StarMagellan,

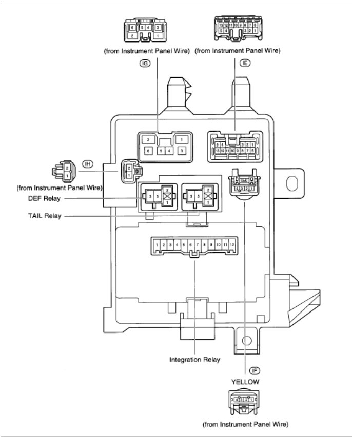
2002 Corolla inside fuse box location Left of steering wheel, behind "storage only"
compartment.

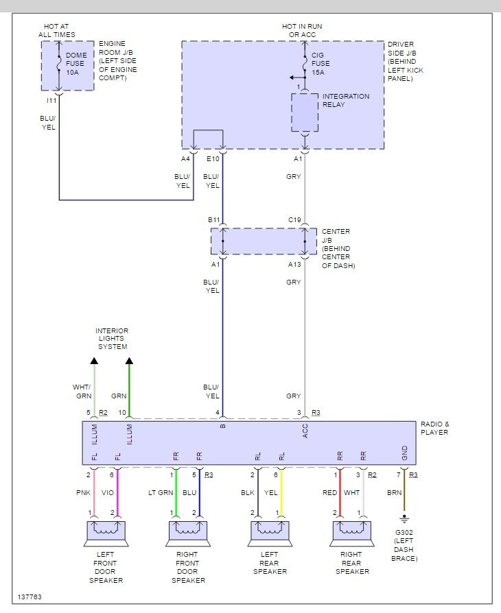
Radio fuse is - Fuse #31, right side, third fuse down.
It is a Type "A" fuse - controls radio, clock, cigarette lighter.

Under the dash in instrument panel junction box on driver side.

Here is some diagrams and wiring so toy can do some testing:

https://www.2carpros.com/articles/how-to-use-a-test-light-circuit-tester

1 - A/C 7.5 Amp Air Conditioning System, Electric Cooling Fan
2 - SPARE 5 Amp
3 - SPARE 10 Amp
4 - SPARE 15 Amp
5 - DOME 15 Amp Car Audio System, Interior Light, Personal Lights, Trunk Light, Clock, Daytime Running Light System, Theft Deterrent System
6 - HAZARD 10 Amp Turn Signal Lights, Emergency Flashers
7 - AM2 15 Amp Starter System, ST & IGN Fuses
8 - HEAD (LH) or HEAD (LH-UPR) 10 Amp Left Hand Headlight
9 - ALT-S 5 Amp Charging System
10 - HEAD (RH) or HEAD (RH-UPR) 10 Amp Right Hand Headlight
11 - EFI or F-HTR 15 Amp Multiport Fuel Injection System/Sequential Multiport Fuel Injection System
12 - HORN 10 Amp Horn, Theft Deterrent System
13 - DRL 7.5 Amp Daytime Running Light System
14 - HEAD RH-LO 10 Amp Right Hand Headlight
15 - HEAD KLH-LO 10 Amp Left Hand Headlight
16 - CDS 30 Amp Electric Cooling Fan
17 - TURN 7.5 Amp Turn Signal Lights, Emergency Flashers
18 - GAUGE 10 Amp Gauge & Meters, Back-up Lights, Air Conditioning System, Power Windows, Rear Window Defoggers, Power Door Lock System
19 - WIP 20 Amp Windshield Wiper & Washer
20 - DEL I-UP/M-HTR 10 Amp Rear Window Defogger, Multiport Fuel Injection System/ Sequential Multiport Fuel Injection System
21 - ECU-IG 10 Amp Starting System, Electric Cooling Fan, Automatic Transmission Shift Lock System, Anti-Lock Brake System, Cruise Control System
22 - IGN 7.5 Amp Multiport Fuel Injection System/Sequential Multiport Fuel Injection System, Charging System, SRS Airbag System, Seat Belt Pretensioners
23 - STOP 15 Amp Stop Lights, High Mounted Stop Light, Anti-Lock Brake System, Automatic Transmission Shift Lock System
24 - TAIL 15 Amp Tail Lights, Gauges & Meters, Instrument Panel Light Control, Cigarette Lighter, Clock, Car Audio System, Rear Window Defogger, License Plate Lights, Electronically Controlled Automatic Transmission System, Multiport Fuel Injection System/Sequential Multiport Fuel Injection System, Air Conditioning System, Emergency Flashers
25 - OBD 7.5 Amp On-Board Diagnosis System
26 - ECU-B 7.5 Amp SRS Air Bag System, Seat Belt Pretensioners
27 - ST 5 Amp Starter System, Multiport Fuel Injection System/Sequential Multiport Fuel Injection System
28 - D/L 30 Amp Power Door Lock System
29 - FOG 15 Amp No Circuit
30 - S-HTR 15 Amp No Circuit
31 - CIG 15 Amp Car Audio System, Clock, Cigarette Lighter, Power Rear View Mirrors, SRS Air Bag System, Seat Belt Pretensioners, Automatic Transmission Shift Lock System, Theft Deterrent System
32 - HTR 50 Amp Air Conditioning System, A/C Fuse
33 - MAIN 40 Amp Starter System, HEAD (LH) or HEAD (LH-UPR), HEAD (RH) or HEAD (RH-UPR), HEAD LH-LO, & HEAD RH-LO Fuses
34 - RDI 30 Amp Electric Cooling Fan
35 - AM1 50 Amp CIG, GAUGE, TURN, ECU-IG, & WIP Fuses
36 - DEF 40 Amp Rear Window Defogger, DEF I-UP/M-HTR Fuses
37 - POWER 30 Amp Power Windows, Electric Moon Roof
36 - FL ABS 50 Amp Anti-Lock Brake System
37 - FL ALT 100 Amp RDI, CDS, AM 1, POWER, D/L, TAIL, OBD, FOG, ECU-B, STOP, DEF, & HTR Fuses

Please run some tests and get back to us so we can continue helping you.

check out the fuse and wiring diagrams (BELOW)

Best, Ken
Was this
answer
helpful?
Yes
No
+5
Wednesday, January 4th, 2017 AT 9:52 AM (Merged)
Tiny
DEVILSFAN
  • MEMBER
  • 1 POST
  • 2000 TOYOTA COROLLA
Four cylinder front wheel drive automatic.

Fuse is good but still not working.
Was this
answer
helpful?
Yes
No
+2
Wednesday, January 4th, 2017 AT 9:53 AM (Merged)
Tiny
MHPAUTOS
  • MECHANIC
  • 31,937 POSTS
Hi there,

First check with a test light that you have power going into the fuse and out the fuse. Sometimes the fuse can look okay but still be blown. Let me know what you find.

Mark (mhpautos)
Was this
answer
helpful?
Yes
No
+1
Wednesday, January 4th, 2017 AT 9:53 AM (Merged)
Tiny
POPROCKS4U
  • MEMBER
  • 2 POSTS
  • 1989 TOYOTA COROLLA
  • 4 CYL
  • 2WD
  • MANUAL
  • 190,000 MILES
1989 Corolla wagon 1.6 liter, two barrel carburetor. The radio, clock and overhead lights stopped working. Fuse is good. What else could cause this problem?
Was this
answer
helpful?
Yes
No
+1
Wednesday, January 4th, 2017 AT 9:53 AM (Merged)
Tiny
KHLOW2008
  • MECHANIC
  • 41,814 POSTS
Did you check the dome fuse in under-hood fuse box?
Was this
answer
helpful?
Yes
No
+1
Wednesday, January 4th, 2017 AT 9:53 AM (Merged)
Tiny
POPROCKS4U
  • MEMBER
  • 2 POSTS
After your reply, I checked the fuse you mentioned in your response and it was blown. Thanks! I replaced it with a 7.5 A and the lights and "radio" are working. I will get some 10 Amp fuses later.
Was this
answer
helpful?
Yes
No
Wednesday, January 4th, 2017 AT 9:53 AM (Merged)
Tiny
KHLOW2008
  • MECHANIC
  • 41,814 POSTS
Glad to know you have fixed the problem.

Have a nice day.
Was this
answer
helpful?
Yes
No
-1
Wednesday, January 4th, 2017 AT 9:53 AM (Merged)
Tiny
2CP-ARCHIVES
  • MEMBER
  • 4,540 POSTS
  • 2002 TOYOTA COROLLA
  • 265,000 MILES
Where is the fuses for a 2002 corolla windshield wipers located?
Was this
answer
helpful?
Yes
No
Monday, October 22nd, 2018 AT 8:35 PM (Merged)
Tiny
KHLOW2008
  • MECHANIC
  • 41,814 POSTS
Hello,

The fuse for the wipers is (Fuse # 4 under dash) Here is a guide to help you check for power and the fuse locations below.

https://www.2carpros.com/articles/how-to-check-a-car-fuse

Check out the diagrams (Below). Please let us know if you need anything else to get the problem fixed. Cheers
Was this
answer
helpful?
Yes
No
+1
Monday, October 22nd, 2018 AT 8:35 PM (Merged)
Tiny
ALLENGADSDEN
  • MEMBER
  • 4 POSTS
  • 2002 TOYOTA COROLLA
  • 4 CYL
  • 2WD
  • AUTOMATIC
  • 18,900 MILES
Where is the fuse box located on the 2002 Toyota corolla
Was this
answer
helpful?
Yes
No
Monday, October 22nd, 2018 AT 8:35 PM (Merged)
Tiny
MMPRINCE4000
  • MECHANIC
  • 8,548 POSTS
Open drivers door, fuse panel is behind panel near the door hinges.
Was this
answer
helpful?
Yes
No
-2
Monday, October 22nd, 2018 AT 8:35 PM (Merged)
Tiny
DARG49
  • MEMBER
  • 44 POSTS
  • 1999 TOYOTA COROLLA
  • 230,000 MILES
Dash lighting, cigarette lighter, license plate lighting, tail lights all of a sudden no longer work, but where is fuse for all that located? Had one light on dash lighting go out years ago and have been fine without it. Have a Haynes repair manual which doesn't seem to help much with this problem.
Was this
answer
helpful?
Yes
No
Monday, October 22nd, 2018 AT 8:35 PM (Merged)
Tiny
JACOBANDNICKOLAS
  • MECHANIC
  • 110,192 POSTS
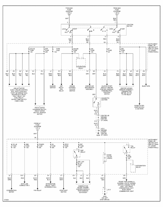
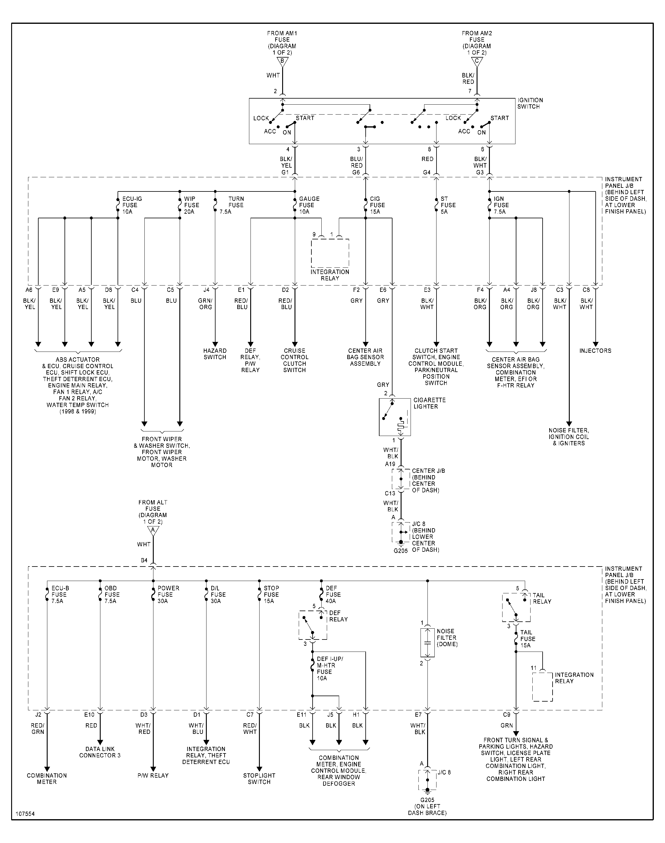
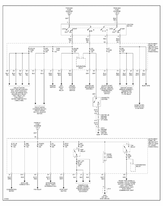
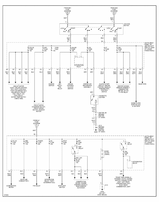
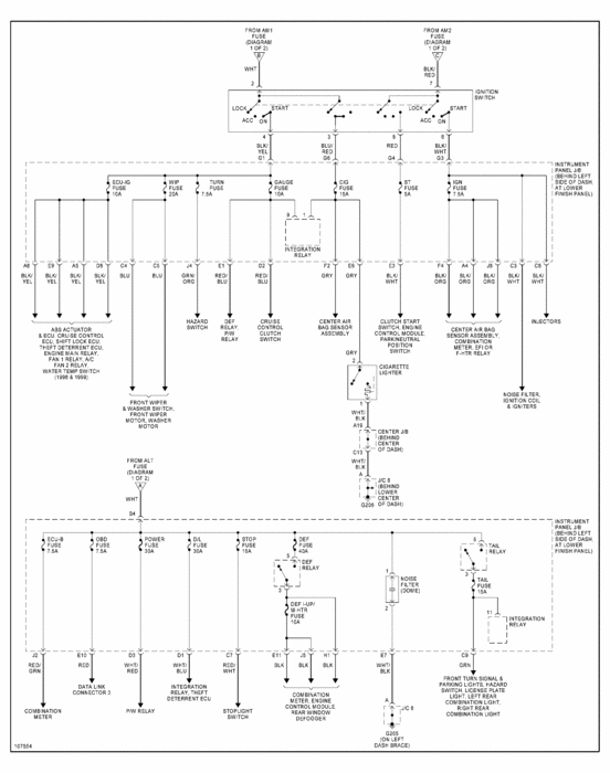
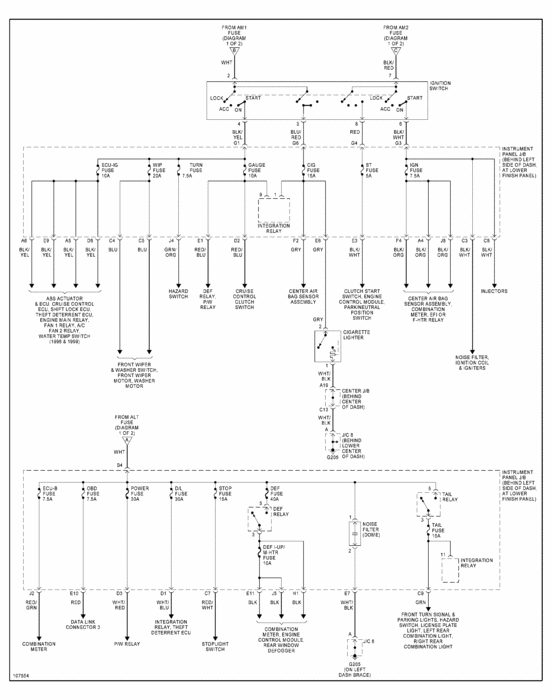
It is located behind the left side of dash at lower finish panel. I attached a schematic. Please note, the power to this fuse box comes from a main fuse box under the hood.
Was this
answer
helpful?
Yes
No
-2
Monday, October 22nd, 2018 AT 8:35 PM (Merged)
Tiny
DARG49
  • MEMBER
  • 44 POSTS
Thank you, I had already found that after asking the question. Saw all the fuses and not sure which one is causing my problem, will disconnect battery and start pulling them tomorrow.
Was this
answer
helpful?
Yes
No
-1
Monday, October 22nd, 2018 AT 8:35 PM (Merged)
Tiny
JACOBANDNICKOLAS
  • MECHANIC
  • 110,192 POSTS
Check the bottom section of the schematic. If I recall, all the things you mentioned are listed on the circuit all the way to the right.
Was this
answer
helpful?
Yes
No
Monday, October 22nd, 2018 AT 8:35 PM (Merged)
Tiny
KHLOW2008
  • MECHANIC
  • 41,814 POSTS
Tail fuse is in instrument panel junction box, behind left side of dash, at lower finish panel.
Was this
answer
helpful?
Yes
No
Monday, October 22nd, 2018 AT 8:35 PM (Merged)
Tiny
DARG49
  • MEMBER
  • 44 POSTS
Thank you to all who responded, I went out this morning and went through the fuses and found and replaced the burnt one, everything seems to work now. Thanks
Was this
answer
helpful?
Yes
No
Monday, October 22nd, 2018 AT 8:35 PM (Merged)
Tiny
KHLOW2008
  • MECHANIC
  • 41,814 POSTS
You're welcome.

Have a great day.
Was this
answer
helpful?
Yes
No
Monday, October 22nd, 2018 AT 8:35 PM (Merged)
Tiny
WENDER
  • MEMBER
  • 1 POST
  • 2000 TOYOTA COROLLA
  • 4 CYL
  • FWD
  • AUTOMATIC
  • 114,000 MILES
I already know that the fuel pump is located under the back seat, however I can't figure out
where the fuse is located. "Fuel pump Fuse"
- "Fuse of the Fuel Pump"

Thank you very much.
Was this
answer
helpful?
Yes
No
Monday, October 22nd, 2018 AT 8:35 PM (Merged)
Tiny
MMPRINCE4000
  • MECHANIC
  • 8,548 POSTS
Most high draw devices use a fuse and relay, like fuel pump. They are generally located in engine compartment fuse/relay box.

The dealer or trusted garage can test the fuel pump using the diagnostic link in cabin.

Also check your owners manual.
Was this
answer
helpful?
Yes
No
Monday, October 22nd, 2018 AT 8:35 PM (Merged)

Please login or register to post a reply.