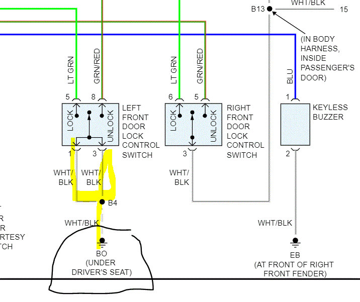
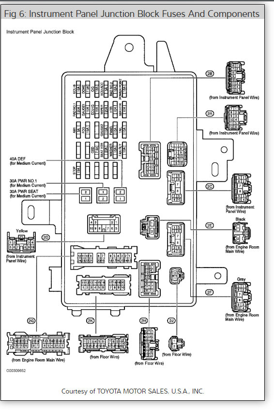
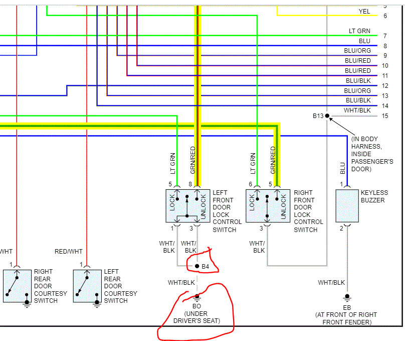
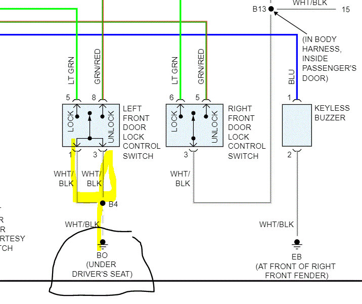
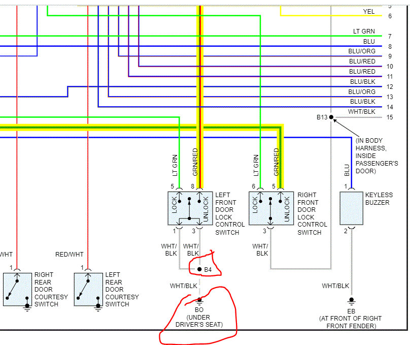
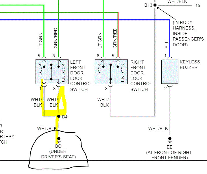
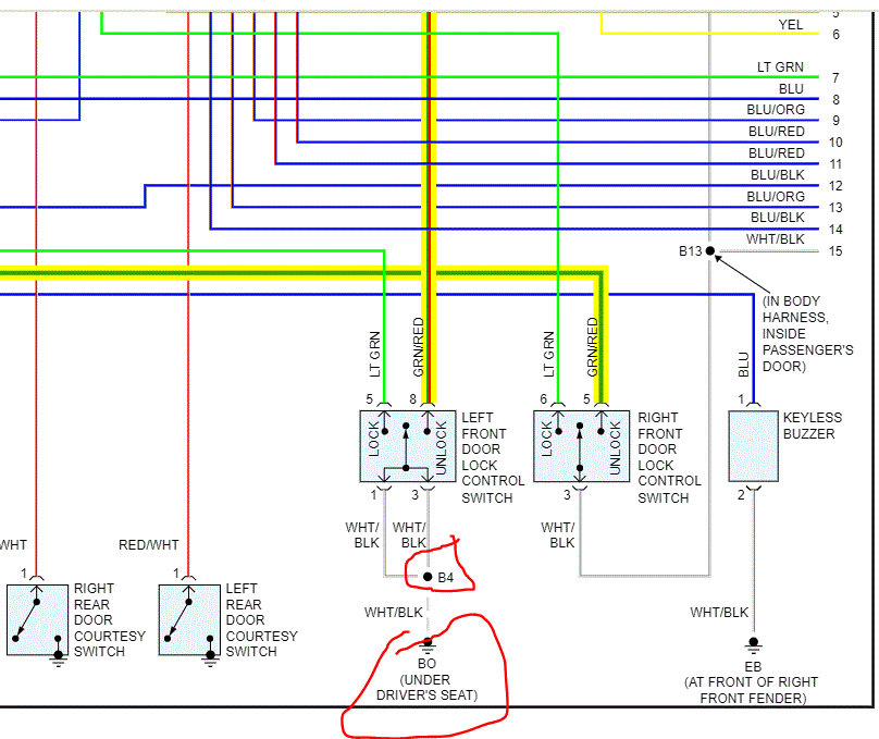
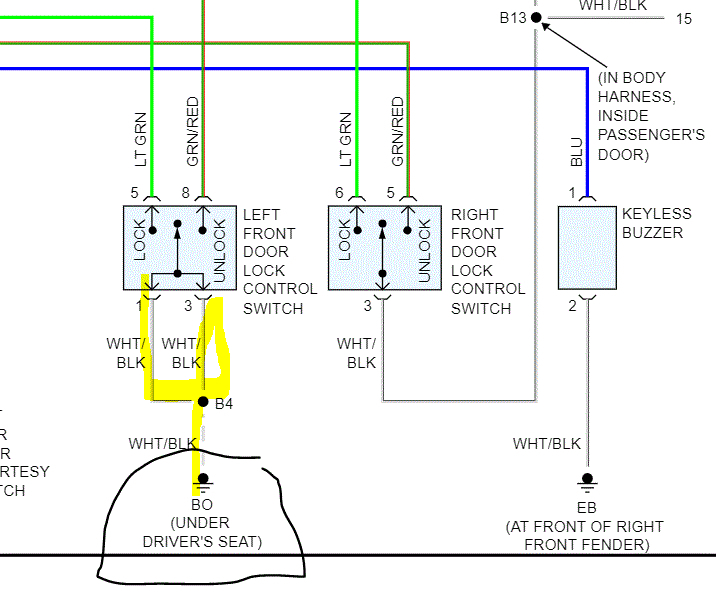
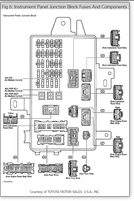
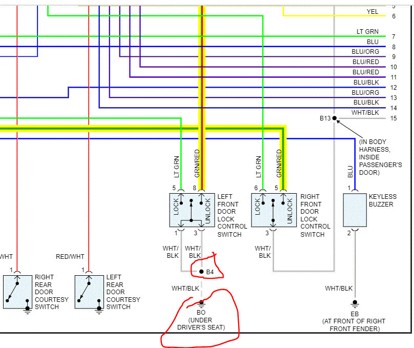
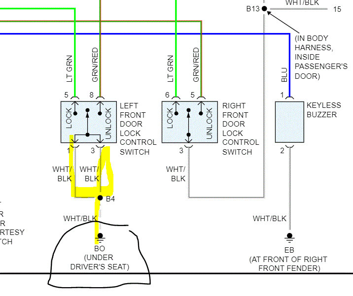
The door lock button will lock all 4 doors when pushed, but when pushed to open only the drivers door opens. Its the same with the remote. All doors will lock but only the drivers will open. I have changed the locking program to no avail. Occasionally, when driving the car and pushing the unlock button, all the doors will open. But the next time or two you lock the doors, only the drivers door opens automatically.
Jul 15, 2008 at 9:08 AM




























