Burned out brake light bulb

Tiny
STONETWIG
  • MEMBER
  • 2001 TOYOTA CAMRY
A light came on indicating that there was a burned out bulb somewhere. We discovered it was the bulb over the back license plate. We replaced it. The indicator light did not go out. It was time for the safety inspection so I took it in and it failed saying a light was burned out on the rear brake light, drivers side. We replaced the bulb and it didn't work. We tried a second new bulb and it still didn't work.

How hard is it to trace the wiring for this light?

thanks for any help
Monday, December 21st, 2009 AT 5:14 PM

1 Reply

Tiny
SQM
  • MECHANIC
  • 6,383 POSTS
Hello,

First you want check and verify that if there is any power to the brake light socket.
It is possible to have a faulty socket as it could be melted and not providing power to the bulb. Check for power at the base of the socket then at the wire that goes to the socket. This can help eliminate if it is the socket or other wiring issue.
Having no power to the harness can be due to a short or a bad ground. To find out where the issue is, it will be required to trace the wires using a multimeter.

https://www.2carpros.com/articles/how-to-use-a-voltmeter
https://www.2carpros.com/articles/how-to-check-wiring

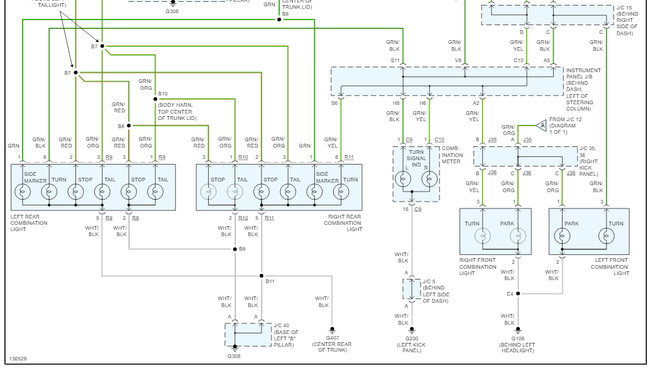
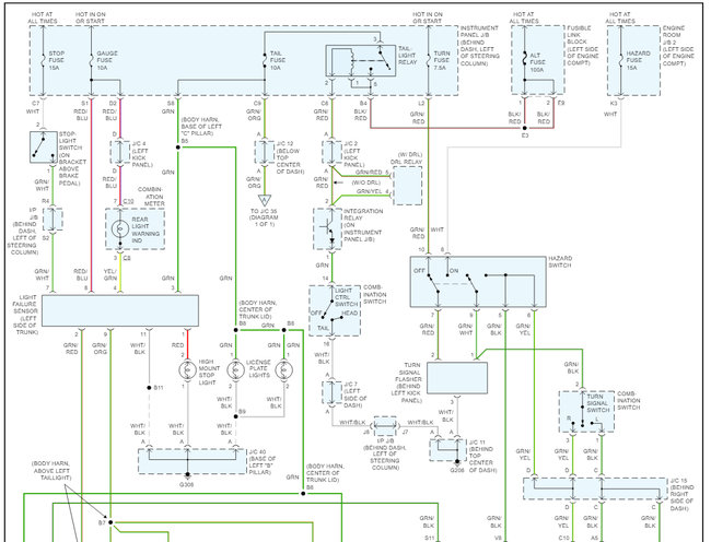
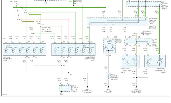
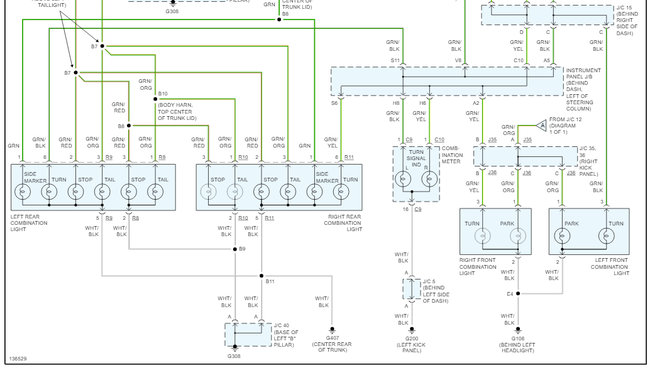
I have attached the wiring schematics below.

Please let me know of any questions.
Thank you.
Was this
answer
helpful?
Yes
No
Monday, November 8th, 2021 AT 11:02 AM

Please login or register to post a reply.