Hello -- sai
Well - let's get the IAC checked so we can get that off the question/answer board. You can do this, I have attached the check for you and the location.
Next, you say only on a hard stop it dies. As long as you relax to a stop, no issues. The "ONLY" time it dies is if you have to really get down on it to stop?
If this is the case - go down the road - really get on it to stop - it should stall. Okay, do it again only this time as it is getting ready to stall, not before. . .. . .. . .shift into neutral and tell me what happens.
The other question Mr Weizel asked was if you had Vacuum power assist on the brakes. You do have a brake booster so I have attached that check also - please perform that and let us know.
Thank you very much for the donation.
Find a car repair manual for your car repair questions.
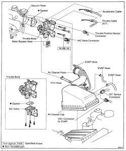
IDLE AIR CONTROL (IAC) VALVE
INSPECTION
INSPECT IAC VALVE OPERATION

Check that the IAC valve is half opened.
Connect the IAC valve connector to the IAC valve.
Turn the ignition switch ON.
Check that the IAC valve moves in 0.5 seconds by order of fully close, fully open and half open. If operation is not as specified, replace the IAC valve.
Turn the ignition switch OFF.
Disconnect the IAC valve connector from the IAC valve.
Location

Brake Booster Check
ON-VEHICLE INSPECTION

OPERATING CHECK
Depress the brake pedal several times with the engine off and check that there is no change in the pedal reserve distance.
Depress the brake pedal and start the engine. If the pedal goes down slightly, operation is normal.

AIR TIGHTNESS CHECK
Start the engine and stop it after 1 or 2 minutes. Depress the brake pedal several times slowly. If the pedal goes down farthest the 1st time, but gradually rises after the 2nd or 3rd time, the booster is air tight.
Depress the brake pedal while the engine is running, and stop the engine with the pedal depressed. If there is no change in the pedal reserve travel after holding the pedal for 30 seconds, the booster is air tight.
Saturday, May 9th, 2020 AT 1:47 PM