No forward gear

Tiny
HOAN_19
  • MEMBER
  • 1997 TOYOTA CAMRY
Engine Mechanical problem 4 cyl Two Wheel Drive Automatic 200000 miles

My car won't go forward when put in drive or any of the lower gear. Will go in reverse when in reverse gear. I do not know what the problem is. Try refill transmission fluid. Don't know what else to do. Thank you. Any light on the subject would be greatly appreciated.
Tuesday, October 5th, 2010 AT 5:30 PM

32 Replies

Tiny
KEN L
  • MASTER CERTIFIED MECHANIC
  • 55,440 POSTS
It sounds like you have a gear selector potions switch that is out. But to be sure lets do some easy testing. Here is a guide and some diagrams (Below) on how to do the job. There are some system fuses that should be checked as well.

https://www.2carpros.com/articles/how-to-use-a-test-light-circuit-tester

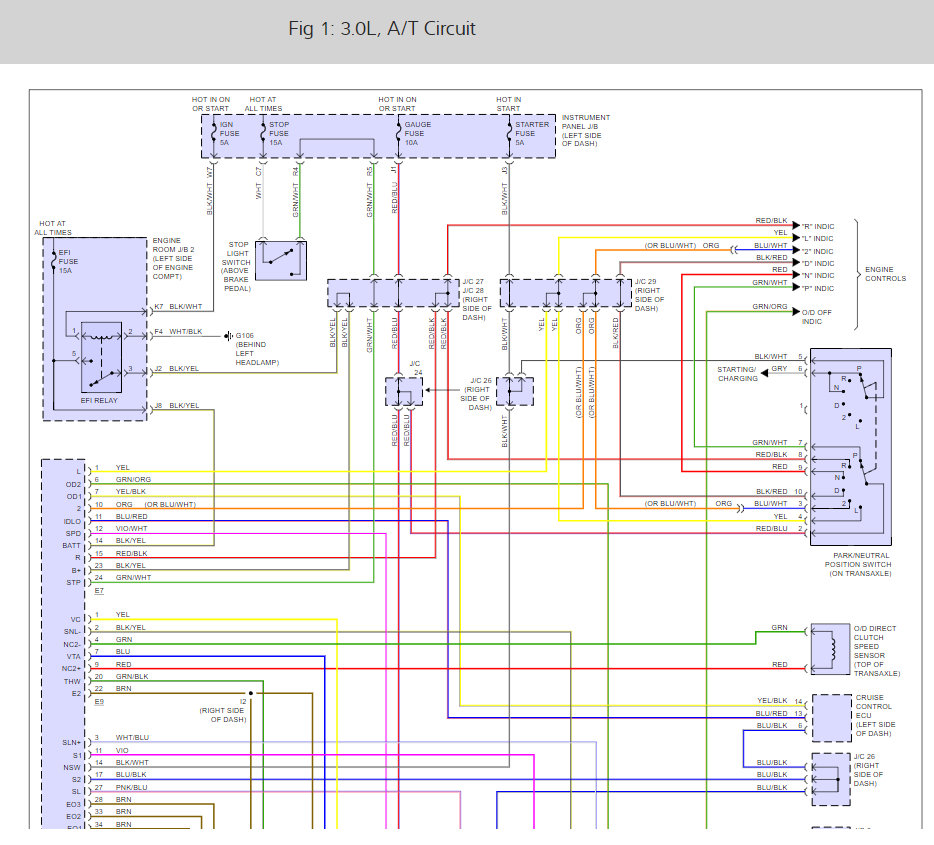
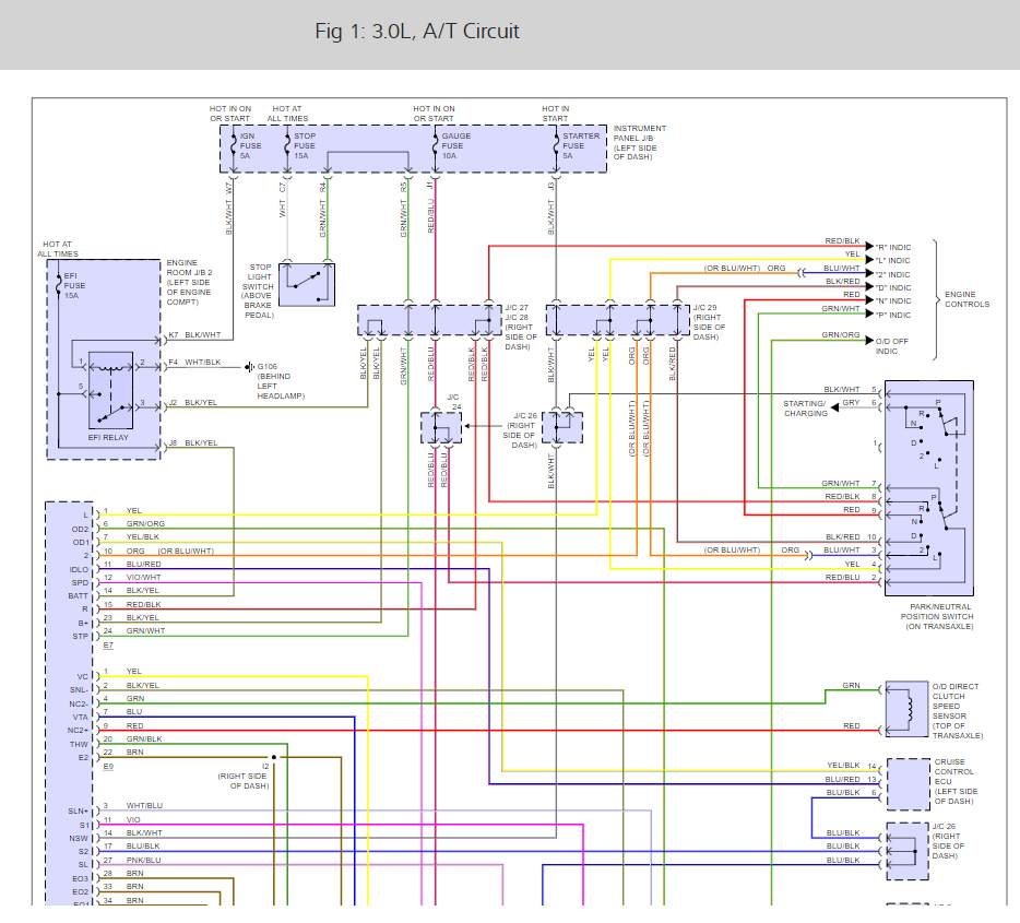
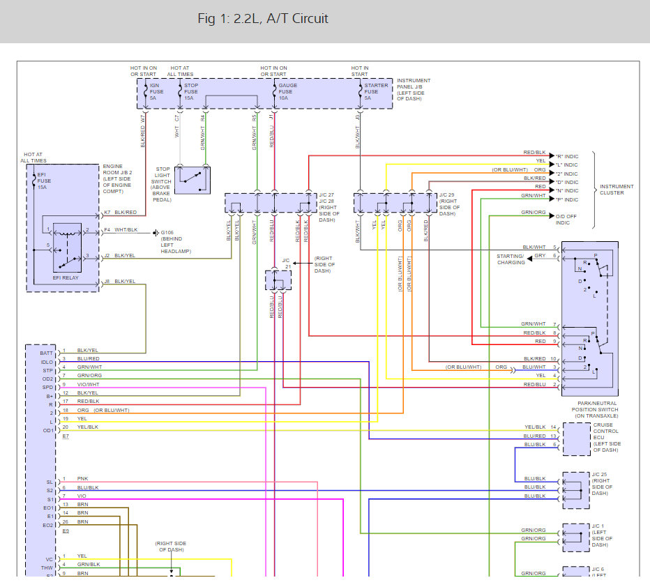
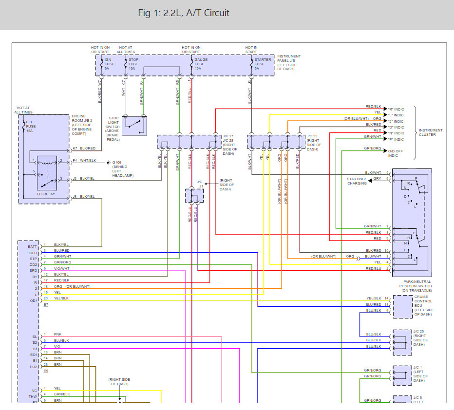
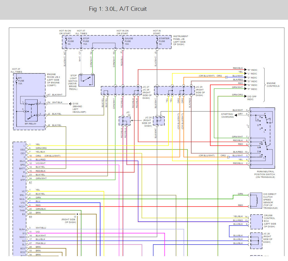
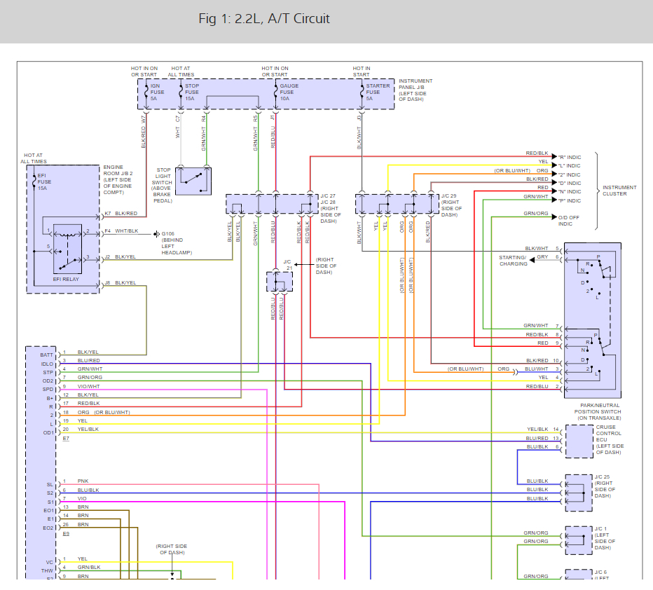
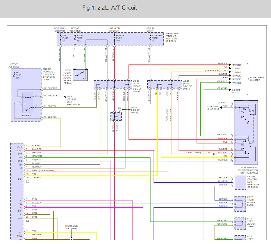
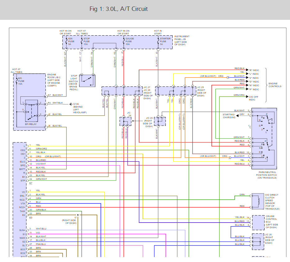
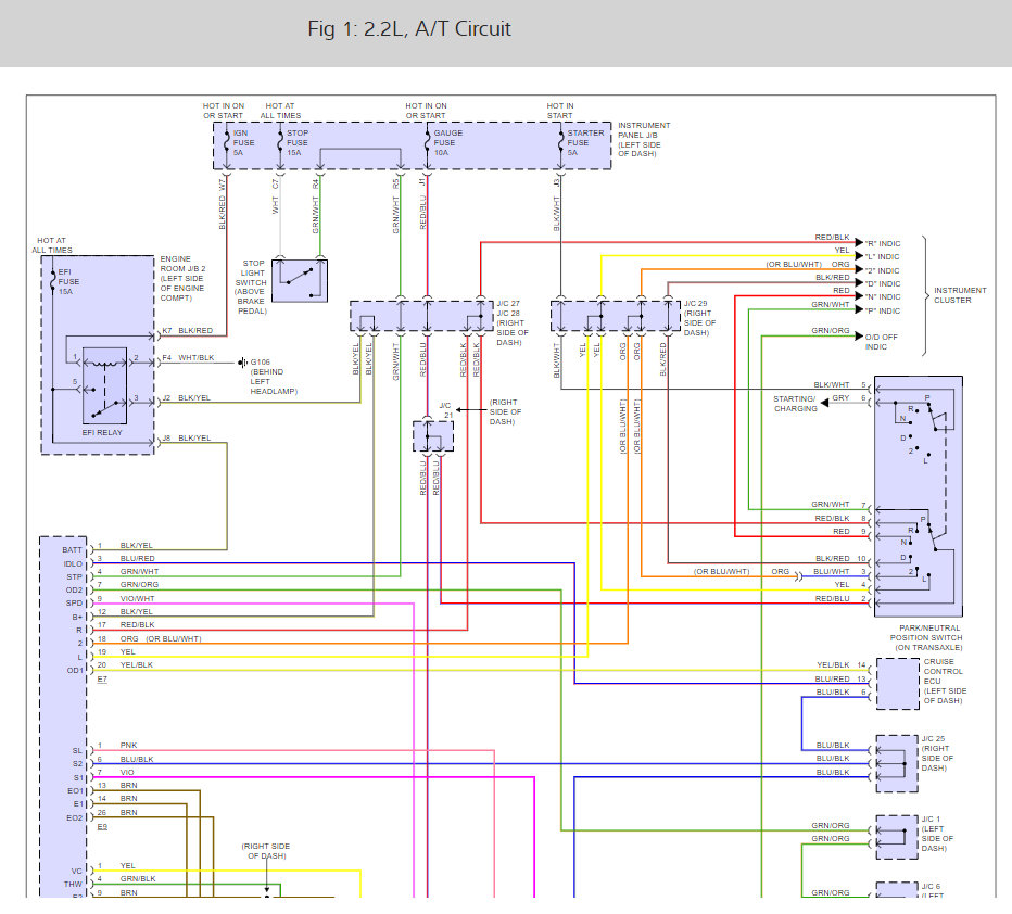
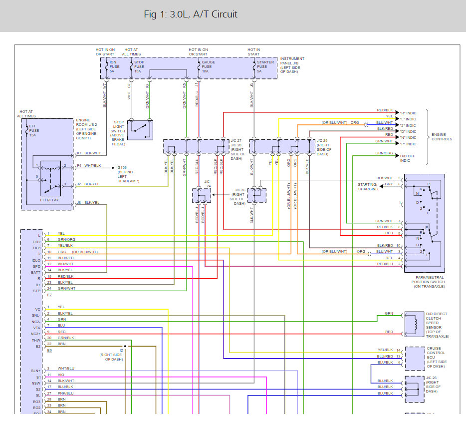
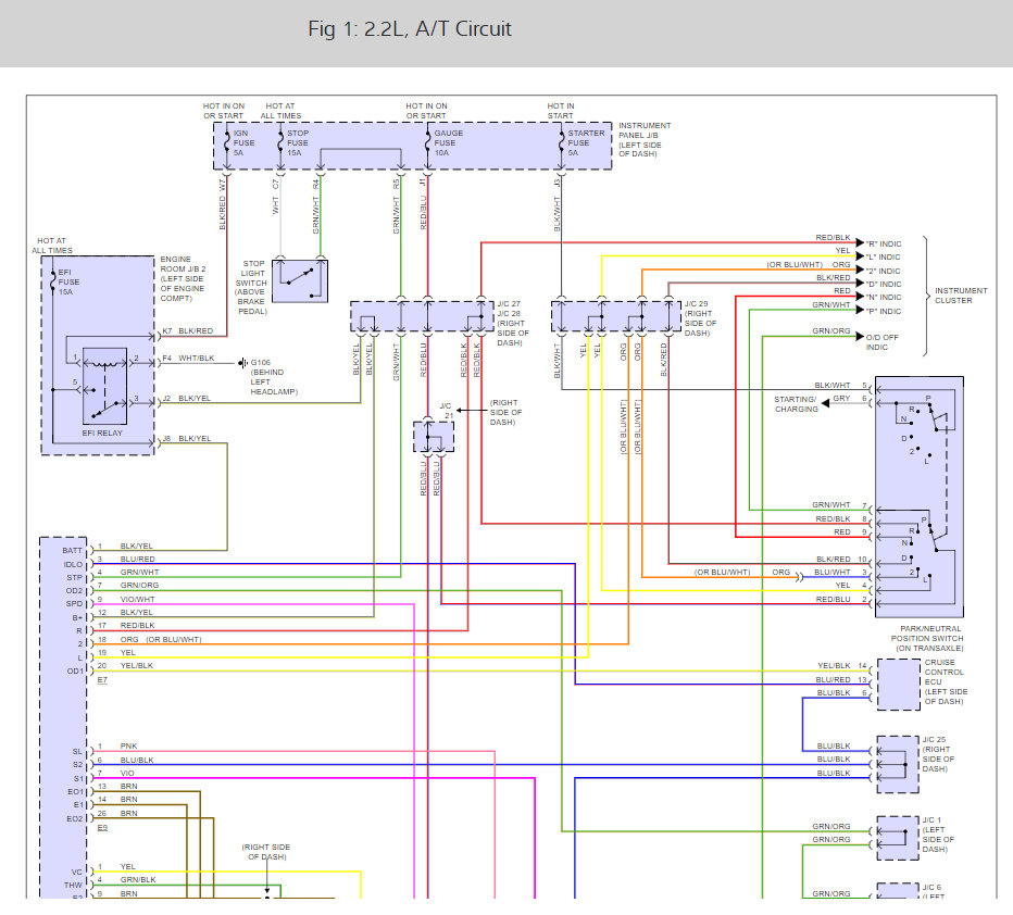
Here is the transmission and transmission range sensor wiring diagrams so you can check it out to confirm the failure and get it fixed.

https://www.2carpros.com/articles/how-a-neutral-safety-switch-works

Please let us know what you find.

Cheers, Ken
Was this
answer
helpful?
Yes
No
+6
Tuesday, November 28th, 2017 AT 4:03 PM
Tiny
DEEREY
  • MEMBER
  • 11 POSTS
  • 1995 TOYOTA CAMRY
  • 6 CYL
  • 2WD
  • MANUAL
  • 188,000 MILES
Transmission problem
1995 Toyota Camry 6 cyl Two Wheel Drive Manual 188000 miles

The above mentioned vehicle started with a slow take-off (not the delayed shift into gear which I know is a common problem but a gradual take off from a dead stop which kept getting worse as time went by.) I checked the fluid level (while engine hot & running, of course) and it was nearly full. I decided anyway to put about half a quart of tranny fluid in to see if it would help but now the vehicle won't go forward at all (it was just about to that point to begin with). Any suggestions or ideas would be welcome.
Was this
answer
helpful?
Yes
No
+1
Tuesday, November 28th, 2017 AT 4:09 PM (Merged)
Tiny
KHLOW2008
  • MECHANIC
  • 41,814 POSTS
Hi deerey,

Thank you for the donation.

Are you able to move in reverse?
Does shifting to L works?

Seems the trans is bad. Previously when you were not getting good acceleration, the trans should be stuck either in 2nd or 3rd and this would cause the trans to strain when taking off under load. The clutches have been damaged and you would need a rebuilt or replacement.
Was this
answer
helpful?
Yes
No
-1
Tuesday, November 28th, 2017 AT 4:09 PM (Merged)
Tiny
DEEREY
  • MEMBER
  • 11 POSTS
I forgot to mention that it does go in reverse but no forward gears, including the lower ones (1&2). Thank you for your response.
Was this
answer
helpful?
Yes
No
+3
Tuesday, November 28th, 2017 AT 4:09 PM (Merged)
Tiny
DEEREY
  • MEMBER
  • 11 POSTS
BTW is changing out the tranny on this model a difficult task (I have changed them out on larger Ford autos years back and other than the them being quite heavy, is wasn't to bad).
Was this
answer
helpful?
Yes
No
Tuesday, November 28th, 2017 AT 4:09 PM (Merged)
Tiny
KHLOW2008
  • MECHANIC
  • 41,814 POSTS
Yes, that can be due to faulty forward clutches.

Here is a description of the removal procedure.

REMOVAL
1. Disconnect negative battery cable. Remove battery, air cleaner assembly and air cleaner case. Disconnect throttle valve cable from throttle body. Remove cruise control actuator with mounting bracket from body.

2. Raise and support vehicle. Disconnect necessary electrical connectors and ground cables for transaxle removal. Disconnect shift cable and oil cooler lines at transaxle. Remove shift cable clamp bracket from transaxle.

3. Remove front (radiator side) engine mount shock absorber-to-lower frame assembly bolts. Remove front (radiator side) engine mount-to-lower frame assembly bolts/nuts. Remove starter.

4. Remove 4 upper transaxle-to-cylinder block bolts. Support engine with hoist. Steering gear assembly must be supported in place during transaxle removal. Secure steering gear assembly to engine hoist using an attaching strap placed at each end of steering gear assembly.

5. Remove front wheels. Remove front exhaust pipe located between exhaust manifolds and rear exhaust pipe. Drain transaxle fluid. Remove axle shafts from transaxle. See appropriate AXLE SHAFTS article in AXLE SHAFTS & TRANSFER CASES section.

6. Remove rear (firewall side) engine mount-to-lower frame assembly bolts/nuts. Remove transaxle mount-to-transaxle bolts at driver's side end of transaxle.

7. Remove stabilizer bar mount bracket-to-lower frame assembly bolts. Remove steering gear assembly-to-lower frame assembly bolts/nuts. Support lower frame assembly with floor jack. Lower frame assembly is located below engine and transaxle.

8. Remove bolts for each fender liner from lower frame assembly. Remove lower frame assembly mounting brackets. Lower frame assembly mounting brackets are located on front and rear of lower frame assembly and attach lower frame assembly to body. Remove lower frame assembly.

9. Support transaxle with transmission jack. Remove torque converter cover from front of transaxle. Remove torque converter bolts. Remove exhaust manifold support brace from rear of exhaust manifold. Remove remaining transaxle-to-cylinder block bolts. Lower transaxle from vehicle.
Was this
answer
helpful?
Yes
No
+1
Tuesday, November 28th, 2017 AT 4:09 PM (Merged)
Tiny
S1R1S1
  • MEMBER
  • 1 POST
  • 1995 TOYOTA CAMRY
  • 4 CYL
  • FWD
  • AUTOMATIC
  • 190,000 MILES
1995 Toyota Camry 4cyl. Auto trans 190,000mi.- Trans shifts into reverse but no forward gears. Dropped pan no debris. Fluid does not seem scorched. What next? If tranny needs to come out do I need to pull motor?
Was this
answer
helpful?
Yes
No
+1
Tuesday, November 28th, 2017 AT 4:09 PM (Merged)
Tiny
RASMATAZ
  • MECHANIC
  • 75,992 POSTS
You have an internal tranny problem-Its faster if you pull it out together
Was this
answer
helpful?
Yes
No
-1
Tuesday, November 28th, 2017 AT 4:09 PM (Merged)
Tiny
KAYWALKER29
  • MEMBER
  • 3 POSTS
  • 2000 TOYOTA CAMRY
  • 170,000 MILES
I have a 2000 toyota camry. The car can reverse but can't not move forward. What's wrong with my car. Yes I put transmission oil and the engine oil and still a no go.
Was this
answer
helpful?
Yes
No
+2
Tuesday, November 28th, 2017 AT 4:10 PM (Merged)
Tiny
HMAC300
  • MECHANIC
  • 48,601 POSTS
If trans fluid is full and not dark brown or black then scan for codes it is probably an internal problem could be a bad clutch pak or seal as well
Was this
answer
helpful?
Yes
No
Tuesday, November 28th, 2017 AT 4:10 PM (Merged)
Tiny
KAYWALKER29
  • MEMBER
  • 3 POSTS
How am I going to get the codes if I can't not move it to a mechanic? Just ask him to come check it out?
Was this
answer
helpful?
Yes
No
Tuesday, November 28th, 2017 AT 4:10 PM (Merged)
Tiny
KAYTIDID116
  • MEMBER
  • 3 POSTS
  • 1996 TOYOTA CAMRY
  • 4 CYL
  • AWD
  • AUTOMATIC
  • 150,000 MILES
Transmission problem
1996 Toyota Camry 4 cyl All Wheel Drive Automatic 150000 miles

I was stopped at a traffic signal, when the light turned green I pushed on the gas like normal and nothing happened. Until that point the car was fine. I need some advice on what needs to be repaired. Thanks.
Was this
answer
helpful?
Yes
No
Tuesday, November 28th, 2017 AT 4:10 PM (Merged)
Tiny
KHLOW2008
  • MECHANIC
  • 41,814 POSTS
Hi kaytidid116,

Is the engine revving without the vehicle moving?

Is the Check Engine Light indicating?

Did you check the transmission fluid level and condition?

Was any abnormal noises emitted?
Was this
answer
helpful?
Yes
No
Tuesday, November 28th, 2017 AT 4:10 PM (Merged)
Tiny
HMAC300
  • MECHANIC
  • 48,601 POSTS
O utake it to atrans shop most offer free towing. I think youhave more wrong internally
Was this
answer
helpful?
Yes
No
Tuesday, November 28th, 2017 AT 4:10 PM (Merged)
Tiny
KAYTIDID116
  • MEMBER
  • 3 POSTS
The engine does revve up when pushing on the gas. I have changed the transmission fluid and filter, however this did not change anything.
Was this
answer
helpful?
Yes
No
Tuesday, November 28th, 2017 AT 4:10 PM (Merged)
Tiny
KAYWALKER29
  • MEMBER
  • 3 POSTS
I believe it's something internal as well. Thank you for your help.
Was this
answer
helpful?
Yes
No
Tuesday, November 28th, 2017 AT 4:10 PM (Merged)
Tiny
KHLOW2008
  • MECHANIC
  • 41,814 POSTS
Try shifting to each gear position and test if any position works.

At the transmission near the shift lever, disconnect the electrical connectors and try shifting to each gear to see if any or all of them works. If trans does not work, then it has failed and a rebuild or replacement is necessary. If all gears work, it is electrical and not the fault of the trans mechanical.
Was this
answer
helpful?
Yes
No
+1
Tuesday, November 28th, 2017 AT 4:10 PM (Merged)
Tiny
BBOTTOM1
  • MEMBER
  • 1 POST
  • 1994 TOYOTA CAMRY
Transmission problem
1994 Toyota Camry 4 cyl Two Wheel Drive Automatic 200k miles

I need to put the transmission in neutral. The car has no electrical power.
Was this
answer
helpful?
Yes
No
Tuesday, November 28th, 2017 AT 4:10 PM (Merged)
Tiny
RASMATAZ
  • MECHANIC
  • 75,992 POSTS
I need to put the transmission in neutral. The car has no electrical power. What exactly is the problem here. I'm lil bit confuse here-Please! Explain.
Was this
answer
helpful?
Yes
No
Tuesday, November 28th, 2017 AT 4:10 PM (Merged)
Tiny
RASMATAZ
  • MECHANIC
  • 75,992 POSTS
Reply to PM
From: bbottom1
To: rasmataz
Posted: Tue Apr 15, 2008 6:53 pm
Subject: Toyota Camry Transmission

I need to tow the car and the engine has been partially disassembled and there is no battery. Without power you can't shift the transmissin to neutral. How can I shift the transmission to neutral without the ignition on.

Check the owners manual should be in there for the override button
Was this
answer
helpful?
Yes
No
Tuesday, November 28th, 2017 AT 4:10 PM (Merged)

Please login or register to post a reply.