Timing marks for camshafts needed

Tiny
UBONNKE
  • MEMBER
  • 2013 FORD F-150
  • 6.2L
  • V8
  • 4WD
  • AUTOMATIC
  • 234,526 MILES
How to get correct timing marks for both camshafts?
Sunday, July 3rd, 2022 AT 7:18 AM

4 Replies

Tiny
SQM
  • MECHANIC
  • 6,383 POSTS
Hello,

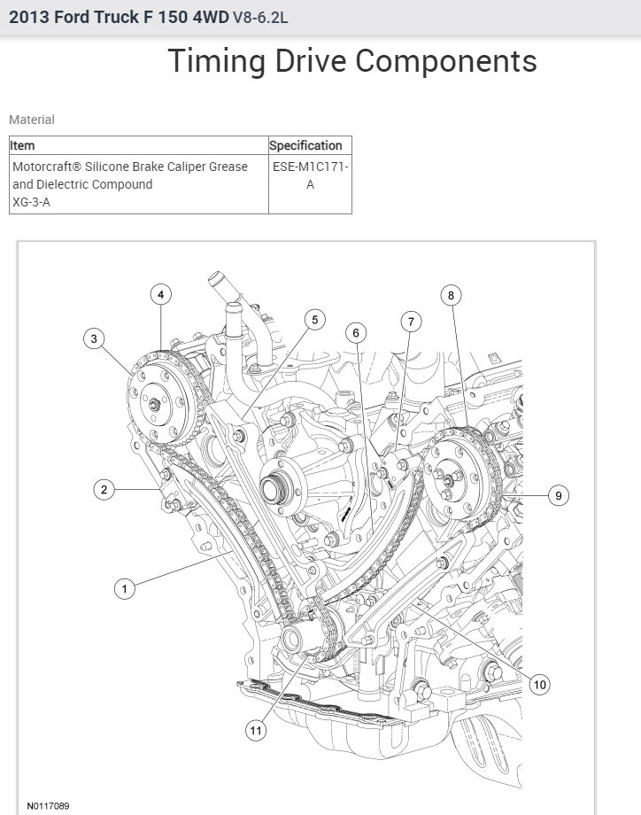
See attached for the timing chain replacement procedure including the timing marks.

Let me know of any questions.
Thank you.
Was this
answer
helpful?
Yes
No
+2
Sunday, July 3rd, 2022 AT 10:13 AM
Tiny
KEN L
  • MASTER CERTIFIED MECHANIC
  • 55,322 POSTS
It is a process to get the timing chain marks correct, here are the timing chain replacement procedures and marks in the diagrams below. Check out the diagrams (below). Please let us know if you need anything else to get the problem fixed.
Was this
answer
helpful?
Yes
No
-2
Sunday, July 3rd, 2022 AT 10:20 AM
Tiny
UBONNKE
  • MEMBER
  • 4 POSTS
Please is the type of engine I am working on, I love if more similar engine will be touch, yet still a timing diagram of coyote engine with twin camshaft, 5.0liter v8 f150 Ford truck. 2013 - 2014 f150 Ford.
Was this
answer
helpful?
Yes
No
+1
Sunday, July 3rd, 2022 AT 12:01 PM
Tiny
UBONNKE
  • MEMBER
  • 4 POSTS
I mean 2012 Gen 1 coyote timing marks with diagrams.
Was this
answer
helpful?
Yes
No
+1
Sunday, July 3rd, 2022 AT 12:06 PM

Please login or register to post a reply.