Timing belt replacement

Tiny
SORRYDOG1969
  • MEMBER
  • 2008 HONDA ACCORD
  • 3.5L
  • V6
  • 2WD
  • AUTOMATIC
  • 245,000 MILES
After replacing timing belt with all done correctly there's no spark to the plugs. Has compression fuel and air.
Friday, August 27th, 2021 AT 11:31 PM

3 Replies

Tiny
JACOBANDNICKOLAS
  • MECHANIC
  • 110,194 POSTS
Hi,

If you lost spark to all coils, first, check the number 13 fuse in the under hood fuse box. In addition to checking the fuse, confirm there is power to and from it. Here is a link showing how that is done:

https://www.2carpros.com/articles/how-to-check-a-car-fuse

If the fuse is good, confirm the ignition coil relay is good. If there is a different relay in the box having the same part number, switch them. If there isn't, here is a link that shows how to test a relay:

https://www.2carpros.com/articles/how-to-check-an-electrical-relay-and-wiring-control-circuit

If that checks good, confirm continuity to ground. Each of the coil packs will have a black wire. Check that wire on a few to confirm.

If there is continuity, make sure nothing was disconnected at the PCM.

Let me know what you find. If you have a live data scan tool, see if there is an RPM signal when cranking. Or, if the vehicle has a tachometer, see if it moves a bit when cranking.

Let me know what you find.

Take care,

Joe
Was this
answer
helpful?
Yes
No
Saturday, August 28th, 2021 AT 10:32 PM
Tiny
SORRYDOG1969
  • MEMBER
  • 2 POSTS
Okay, first let me say that I appreciate all you do to help me.

1. Okay the number 13 fuse is good.
2. The ignition coil relay is good.
3. Confirmed continuity to ground.
4. PCM is connected completely.
5. Tachometer says or jumps to about 500 while cranking the motor over.

My scan tool says that the camshaft position sensor is malfunctioning. But isn't that typical when replacing the timing belt or no?
Was this
answer
helpful?
Yes
No
Tuesday, August 31st, 2021 AT 10:07 AM
Tiny
JACOBANDNICKOLAS
  • MECHANIC
  • 110,194 POSTS
Hi,

first, you are very welcome. I just hope I can help.

As far as the cam sensor, it really shouldn't indicate a fault because of the work. What specific code did you get?

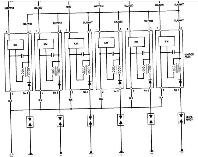
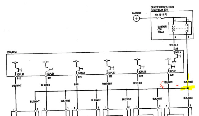
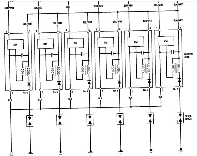
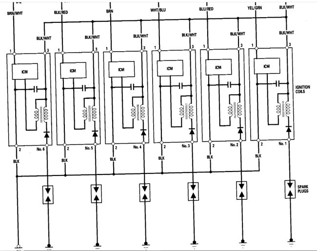
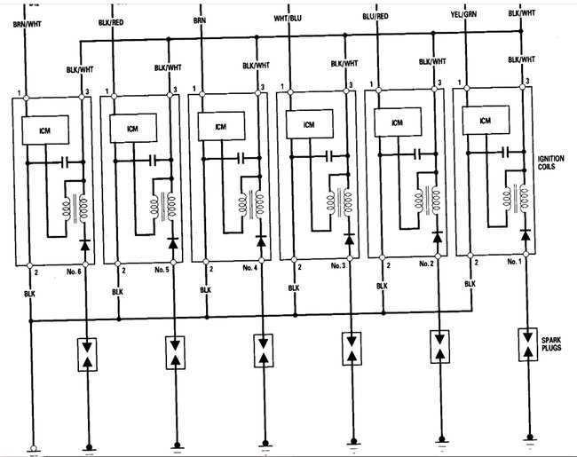
Next, the power from fuse 13 is always there to the ignition coils when the key is on or in the start position. The PCM provides a ground path to complete the circuit. I attached the OEM wiring schematic below. Fuse 13 provides power via a black wire with a white tracer to each of the coils. Did you confirm power there? Also, the red wire with a black tracer that goes to the PCM is a chassis ground. Make sure to check that as well.

Let me know if you already checked power at the coils. Also, let me know the camshaft code you are getting so I can further dig into that issue. As mentioned, the work you did shouldn't have caused the cam code. However, if the timing is off, that can cause a cam code.

Take care,

Joe
Was this
answer
helpful?
Yes
No
Tuesday, August 31st, 2021 AT 6:05 PM

Please login or register to post a reply.