Heater core plenum removal and replacement instructions please?

Tiny
ROANN WEE
  • MEMBER
  • 2012 CHEVROLET SILVERADO
  • 2WD
  • AUTOMATIC
  • 50,000 MILES
I am replacing my left blend door actuator and the door pivot will not move. How do remove the heater plenum to remove the obstruction, and where is it?
Thursday, June 14th, 2018 AT 12:17 PM

36 Replies

Tiny
KEN L
  • MASTER CERTIFIED MECHANIC
  • 55,538 POSTS
Hello,

The heater plenum is under the dash. Here is a guide to help you see what you are in for when doing the job. You will need to vacuum down and recharge the A/C system.

https://www.2carpros.com/articles/re-charge-an-air-conditioner-system

Start by disconnecting the battery and draining the coolant from the engine.

https://youtu.be/Eqf-H3COtSo
and

https://www.2carpros.com/articles/replace-blend-door-motor

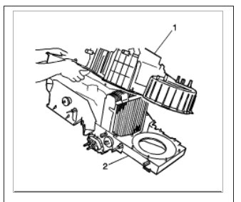
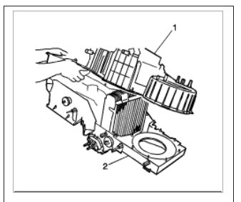
Check out the diagrams below on how the job is done on your truck and the locations of the blend door actuators drivers side is on the bottom passengers dye is on the top. Please let us know if you need anything else to get the problem fixed.

Cheers, Ken
Was this
answer
helpful?
Yes
No
+1
Wednesday, April 28th, 2021 AT 4:12 PM
Tiny
C.COLLIER
  • MEMBER
  • 1 POST
  • 2008 CHEVROLET SILVERADO
  • 4.3L
  • 6 CYL
  • 2WD
  • AUTOMATIC
  • 200,000 MILES
Need a step by step procedure or diagram of bolts to be removed to remove heater core.
Was this
answer
helpful?
Yes
No
+3
Tuesday, May 25th, 2021 AT 11:36 AM (Merged)
Tiny
ASEMASTER6371
  • MECHANIC
  • 52,796 POSTS
Good evening,

Below are the step by step instructions with the pictures.

Removal Procedure

1. Drain the engine coolant. Refer to Cooling System Draining and Filling (Vac-N-Fill) Cooling System Draining and Filling (Static Fill).

2. Using the J 43181 disconnect the inlet heater hose from the heater core.

1. Install the J 43181 to the heater core pipe.
2. Close the tool around the heater core pipe.
3. Firmly pull the tool into the quick connect end of the heater hose.
4. Firmly grasp the heater hose. Pull the heater hose forward in order to disengage the inlet hose from the heater core.

3. Using the J 43181 disconnect the surge tank outlet hose from the heater core.

1. Install the J 43181 to the heater core pipe.
2. Close the tool around the heater core pipe.
3. Firmly pull the tool into the quick connect end of the heater hose.
4. Firmly grasp the heater hose. Pull the heater hose forward in order to disengage the surge tank outlet hose from the heater core.

4. Remove the upper intake manifold sight shield.
5. Remove the battery.
6. Remove the accumulator.
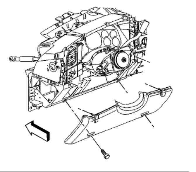
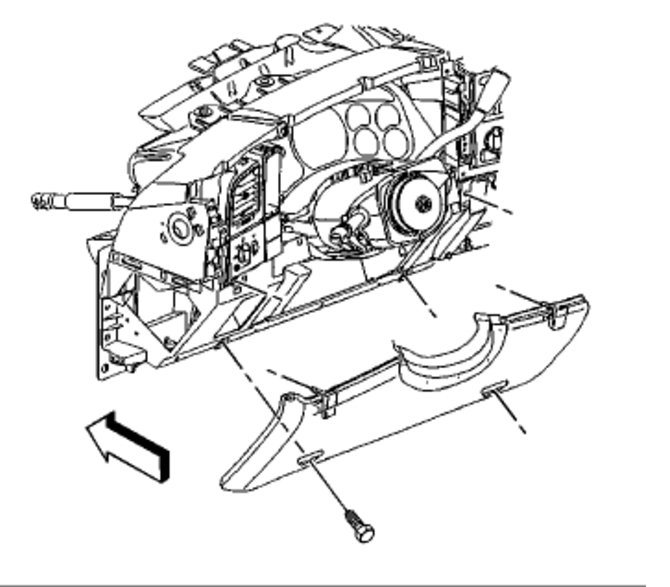
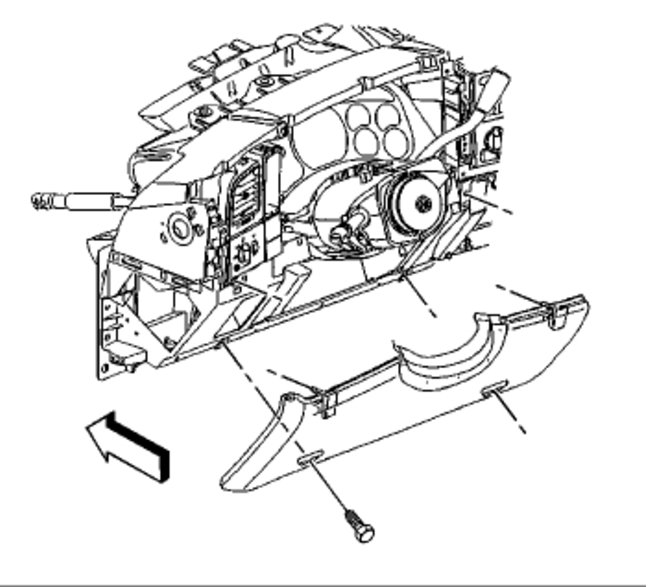
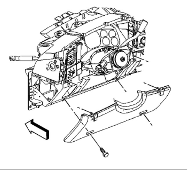
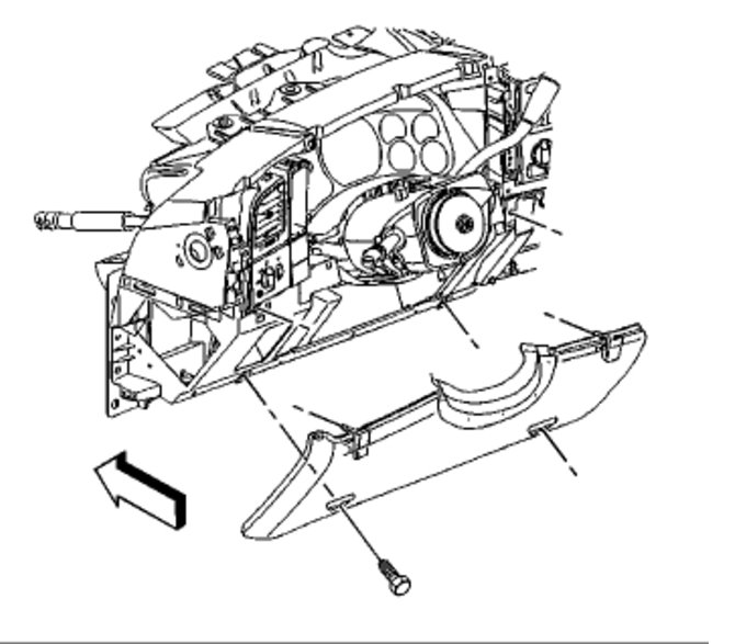
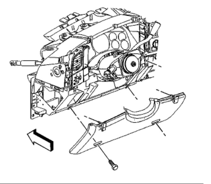
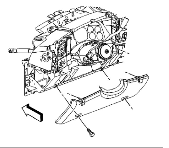
7. Remove the instrument panel to the service position.

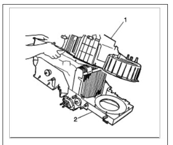
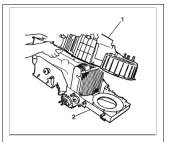
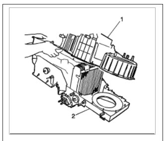
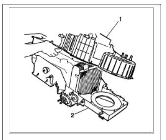
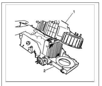
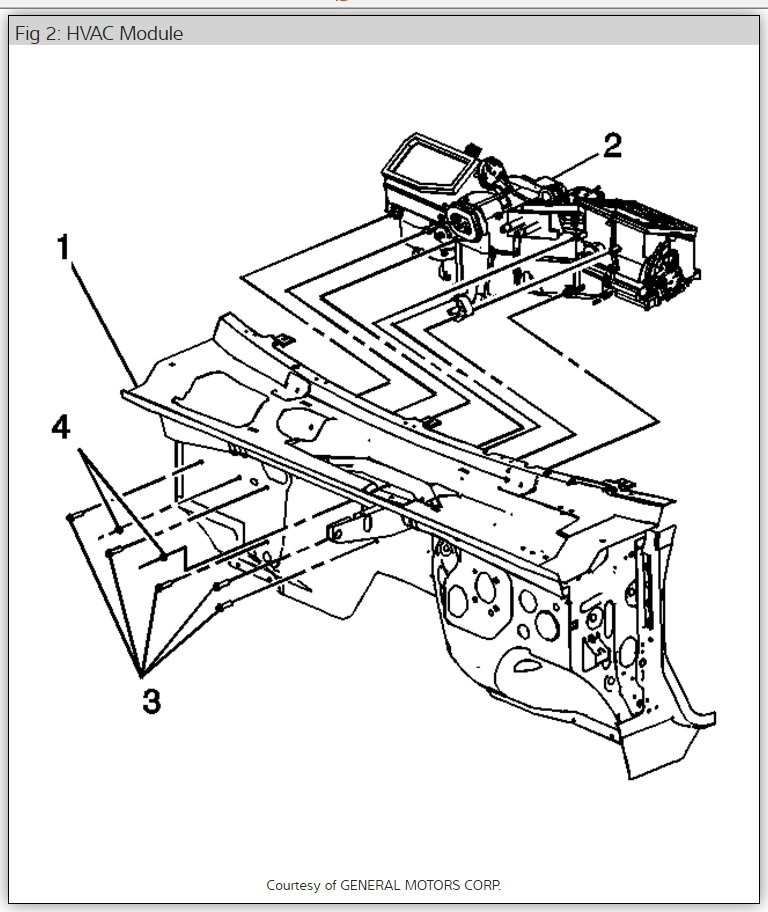
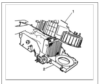
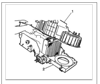
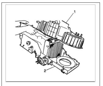
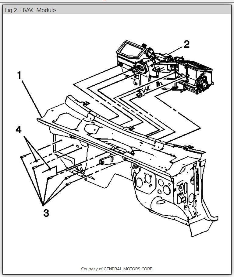
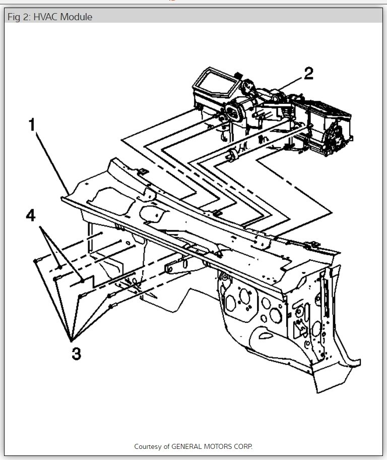
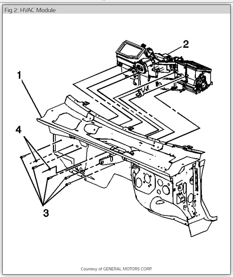
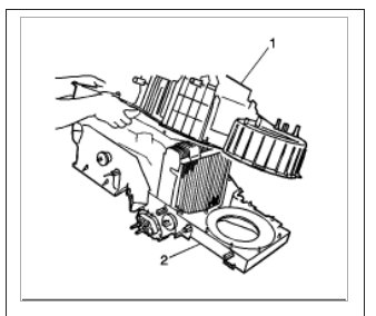
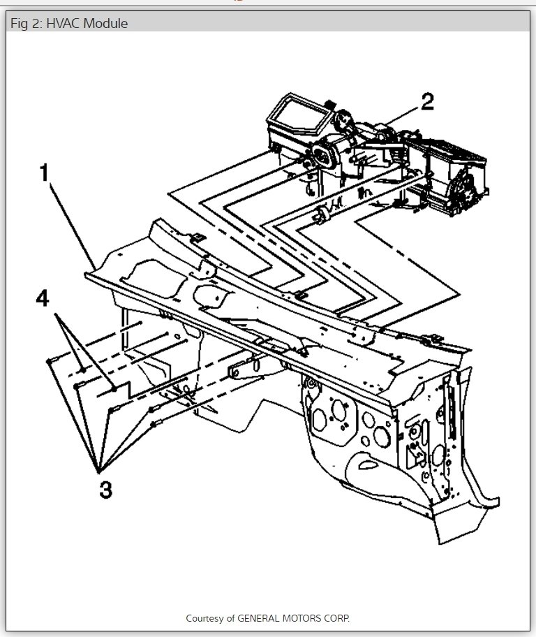
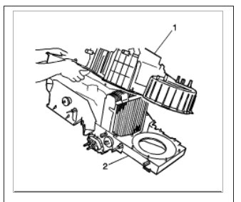
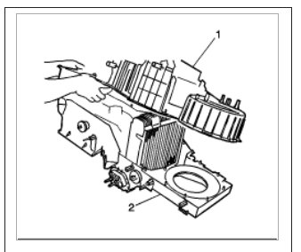
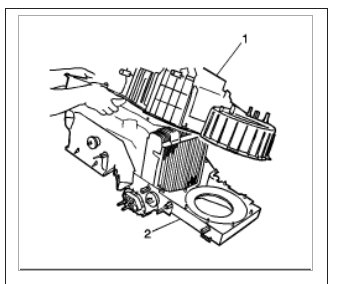
8. Remove the nuts (2) from the HVAC module (3).
9. Remove the bolts (1) from the HVAC module (3).
10. Remove the HVAC module (3).
Was this
answer
helpful?
Yes
No
Tuesday, May 25th, 2021 AT 11:36 AM (Merged)
Tiny
KEN L
  • MASTER CERTIFIED MECHANIC
  • 55,538 POSTS
Hello,

Here are the rest of the diagrams to help you get the job done plus you will need to vacuum down the air conditioner:

https://www.2carpros.com/articles/re-charge-an-air-conditioner-system

Check out the diagrams (below). Please let us know if you need anything else to get the problem fixed.

Cheers, Ken
Was this
answer
helpful?
Yes
No
Tuesday, May 25th, 2021 AT 11:36 AM (Merged)
Tiny
2CP-ARCHIVES
  • MEMBER
  • 4,540 POSTS
  • 2005 CHEVROLET SILVERADO
  • 13,000 MILES
How do you take out the heater core on a 2005 Silverado 2500 HD
Was this
answer
helpful?
Yes
No
Tuesday, May 25th, 2021 AT 11:37 AM (Merged)
Tiny
KEN L
  • MASTER CERTIFIED MECHANIC
  • 55,538 POSTS
You will need to discharge and recharge the air conditioner as well, here is a link for that

https://www.2carpros.com/articles/re-charge-an-air-conditioner-system

Here are the core replacement instructions.

Heater core replacement replacement general guide.

https://www.2carpros.com/articles/replace-heater-core

Tools Required

J 43181 Quick Connect Connector Removal Tool

Removal Procedure

Drain the engine coolant. Refer to Draining and Filling Cooling System (w/RPO HP2) or Draining and Filling Cooling System (w/o RPO HP2) in Engine Cooling.
If equipped remove the auxiliary battery. Refer to Battery Replacement - Auxiliary in Engine Electrical.
Using the J 43181 disconnect the inlet heater hose from the heater core.
Install the J 43181 to the heater core pipe.
Close the tool around the heater core pipe.
Firmly pull the tool into the quick connect end of the heater hose.
Firmly grasp the heater hose. Pull the heater hose forward in order to disengage the inlet hose from the heater core.
Fig 1: Identifying Heater Hose To Heater Core Fittings
GM362171
Courtesy of GENERAL MOTORS CORP.
View Full-Screen
Using the J 43181 disconnect the surge tank outlet hose from the heater core.
Install the J 43181 to the heater core pipe.
Close the tool around the heater core pipe.
Firmly pull the tool into the quick connect end of the heater hose.
Firmly grasp the heater hose. Pull the heater hose forward in order to disengage the surge tank outlet hose from the heater core.
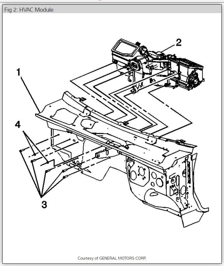
Remove the accumulator. Refer to Accumulator Replacement .
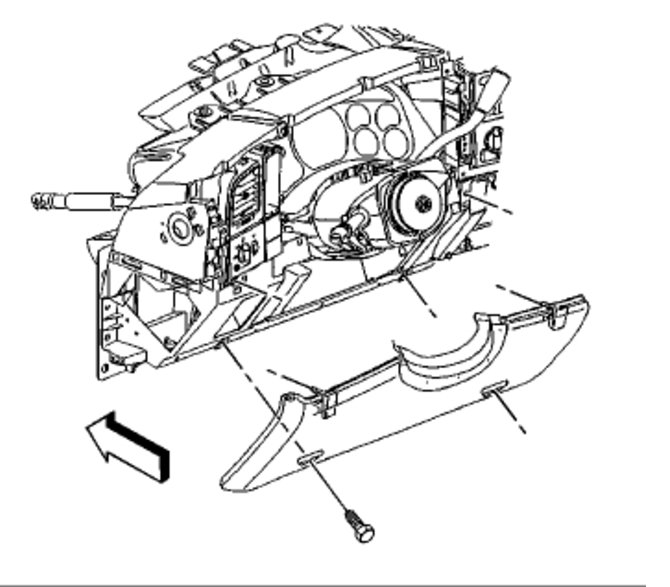
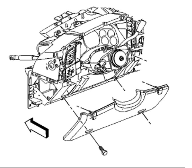
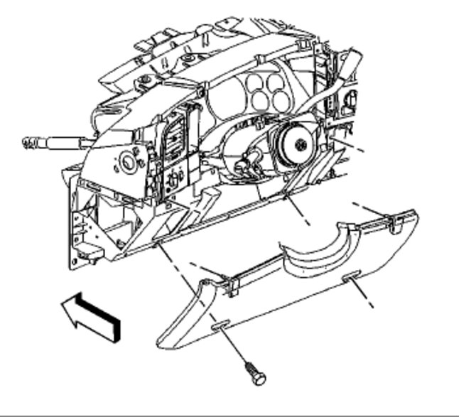
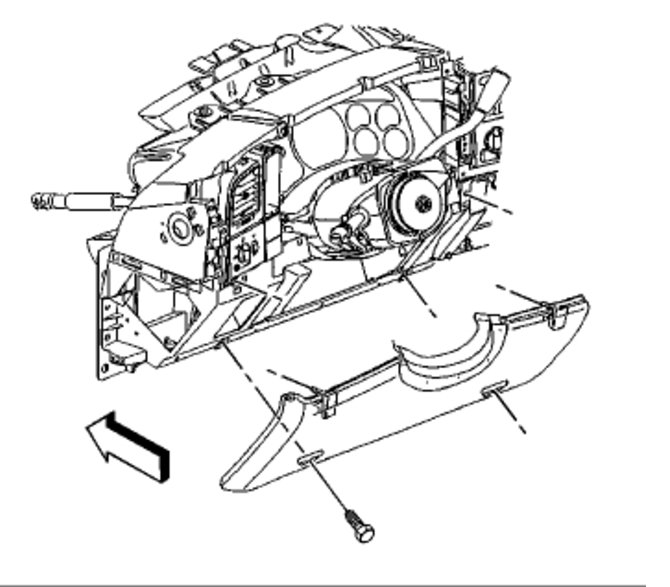
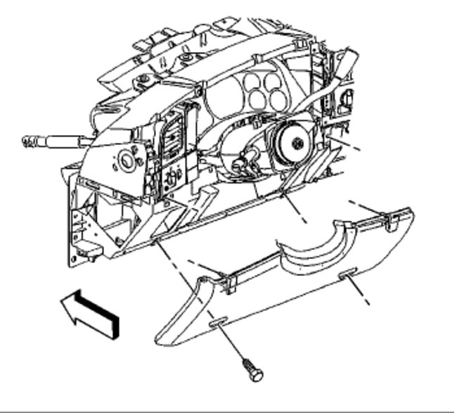
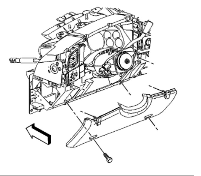
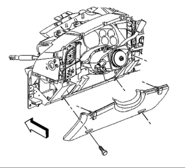
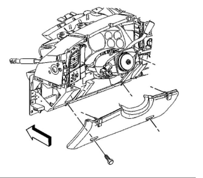
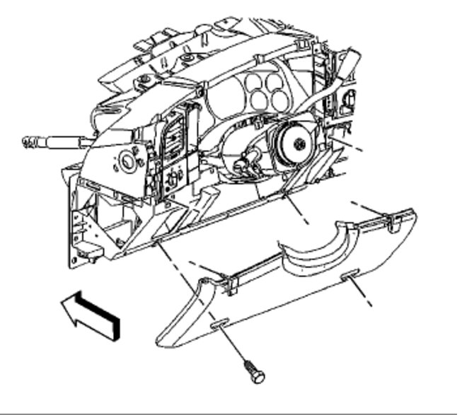
Remove the instrument panel carrier. Refer to Instrument Panel (I/P) Carrier Replacement in Instrument Panel, Gages and Console.
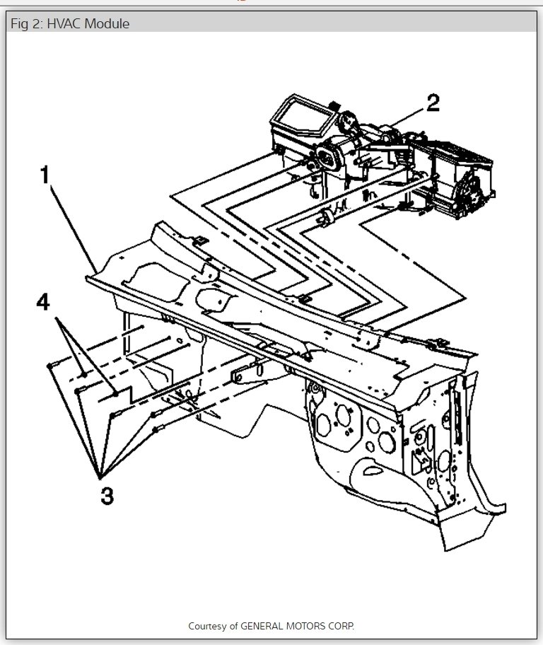
Remove the HVAC module drain hose.
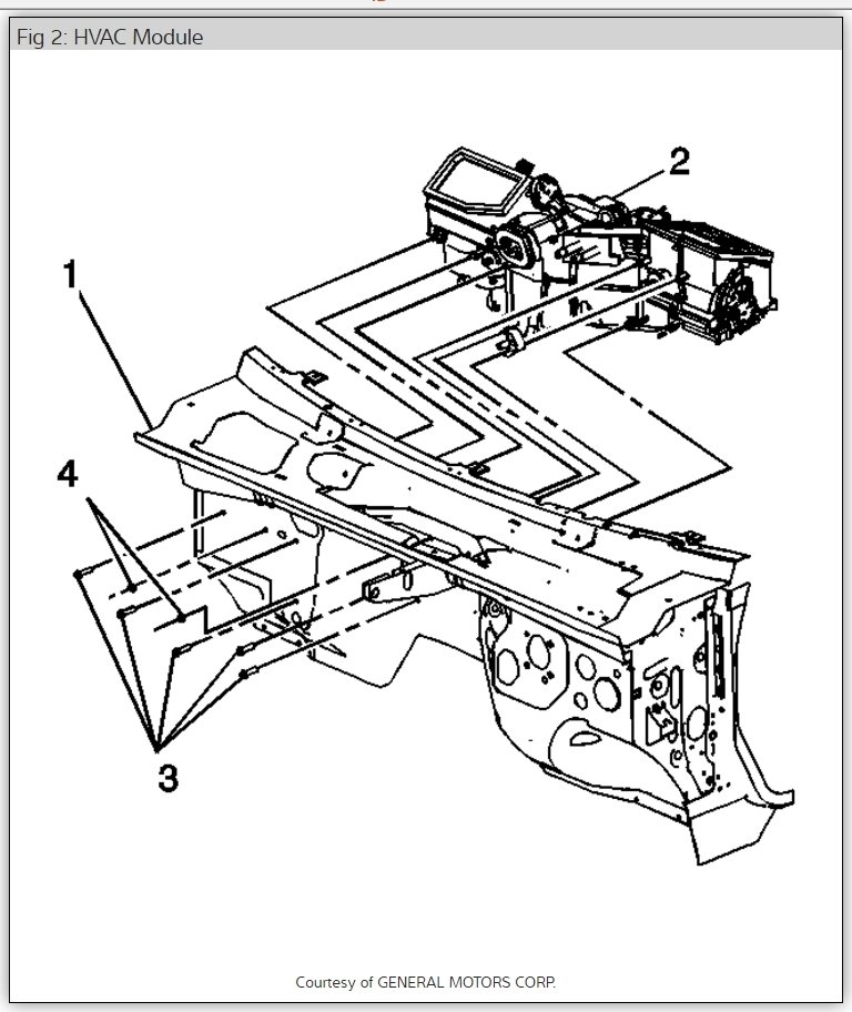
Disconnect the electrical harnesses and the ground connections from the HVAC module.
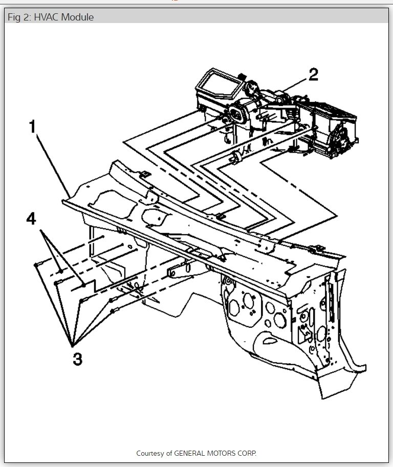
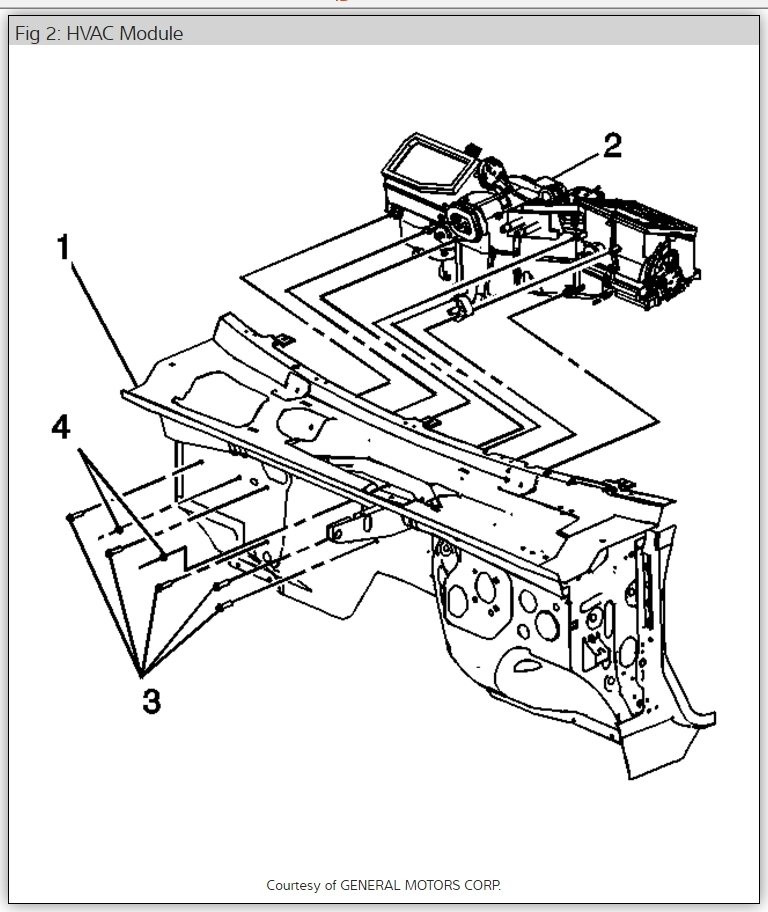
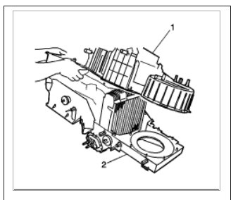
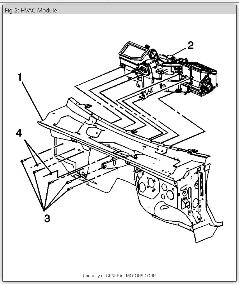
Remove the nuts (4) from the HVAC module (2).
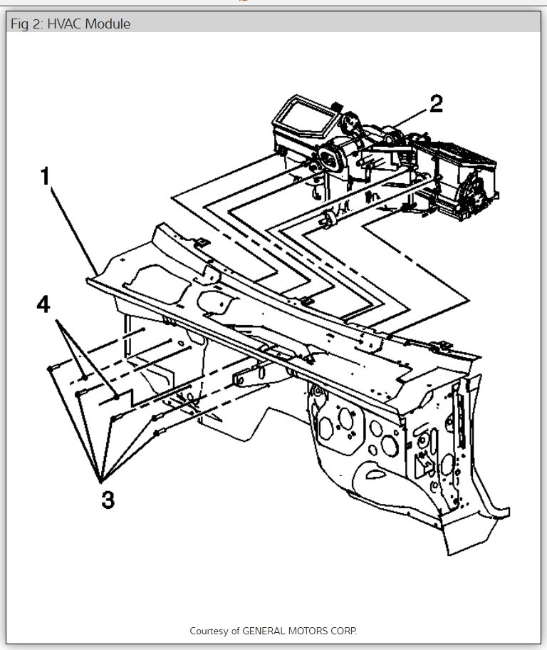
Fig 2: HVAC Module
GM810832
Courtesy of GENERAL MOTORS CORP.
View Full-Screen
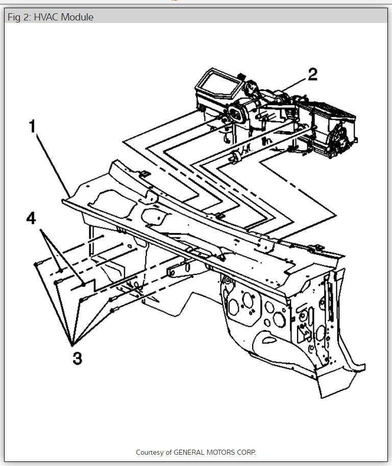
Remove the bolts (3) from the HVAC module (2).
Remove the HVAC module (2) from the vehicle (1).
Installation Procedure

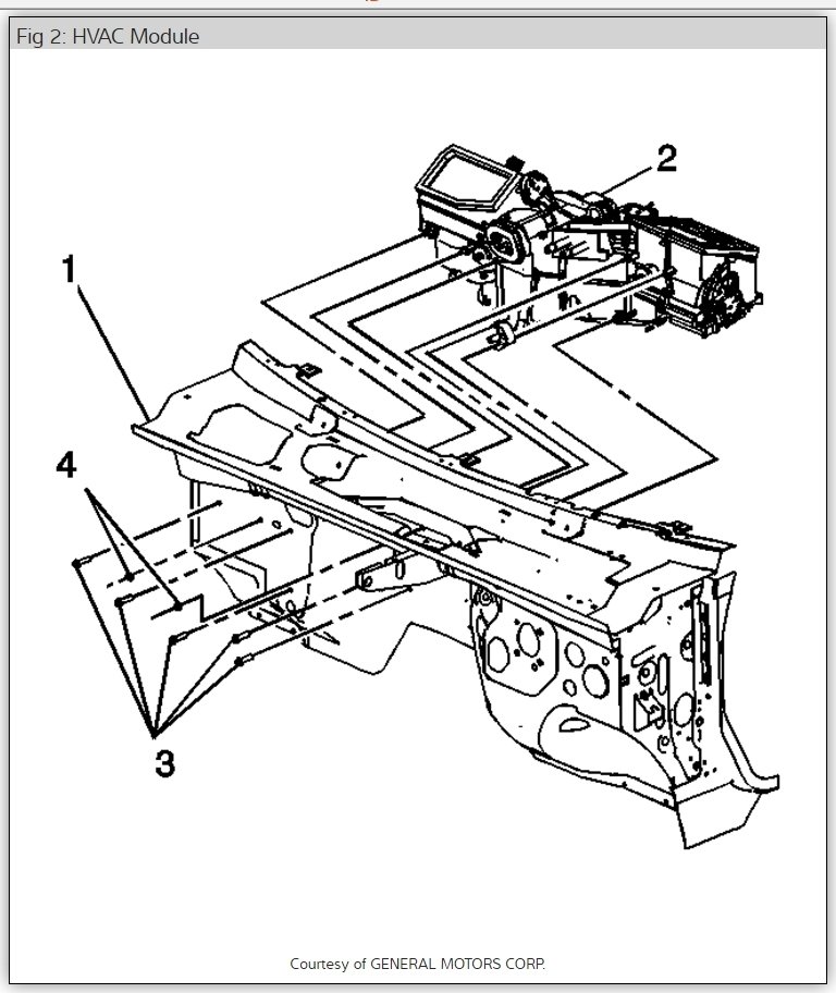
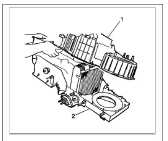
If replacing the HVAC module, transfer the components from the old HVAC module as necessary.
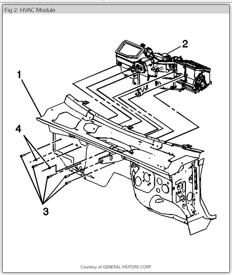
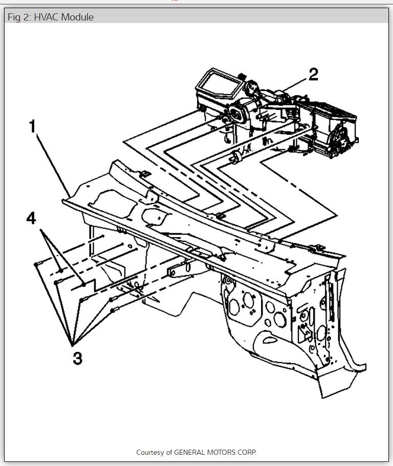
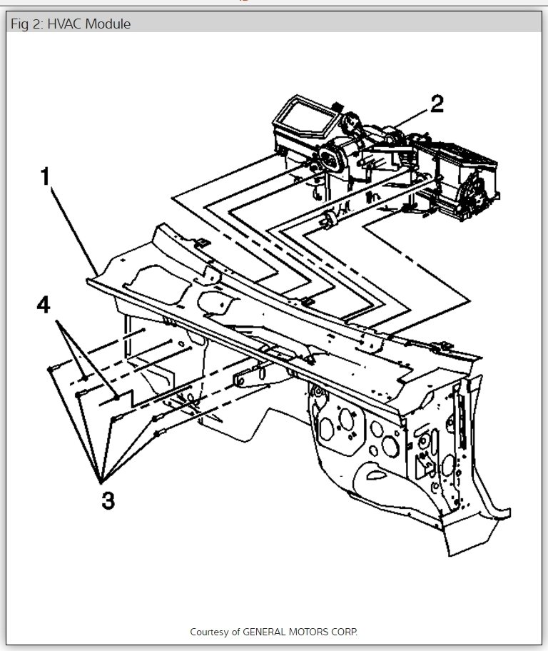
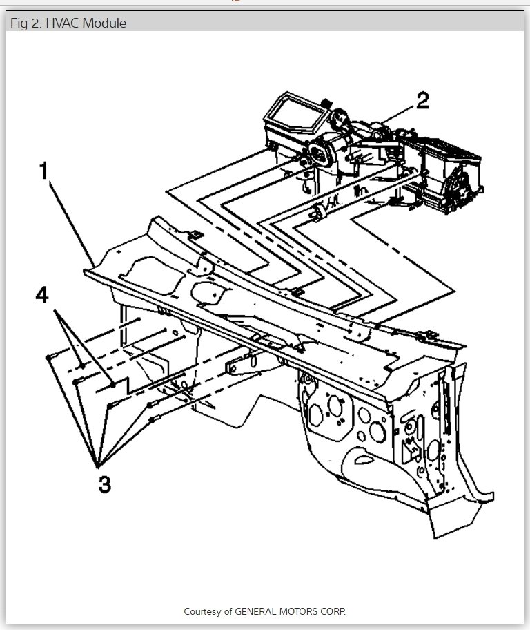
Fig 3: HVAC Module
GM810832
Courtesy of GENERAL MOTORS CORP.
View Full-Screen
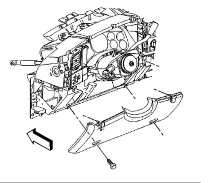
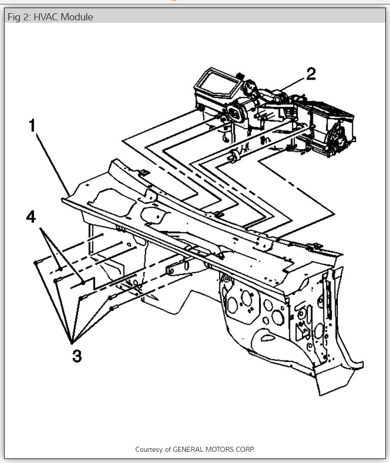
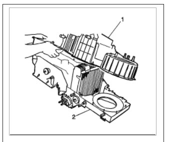
Install the HVAC module (2) to the vehicle (1).
NOTE: Refer to Fastener Notice in Cautions and Notices.
Install the nuts (4) to the HVAC module (2).
Tighten: Tighten The Nuts To 9 N.M (80 Lb In).

Install the bolts (4) to the HVAC module (2).
Tighten: Tighten The Bolts To 4 N.M (35 Lb In).

Connect the electrical harnesses and the ground connections.
Install the HVAC module drain hose.
Install the instrument panel carrier. Refer to Instrument Panel (I/P) Carrier Replacement in Instrument Panel, Gages and Console.
Install the accumulator. Refer to Accumulator Replacement .
Install the surge tank outlet hose to the heater core.
Firmly Push The Quick Connect Onto The Heater Core Pipe Until You Hear An Audible Click.

Fig 4: Removing/Installing Heater Hose To Engine
GM363237
Courtesy of GENERAL MOTORS CORP.
View Full-Screen
Install the inlet heater hose to the heater core.
Firmly Push The Quick Connect Onto The Heater Core Pipe Until You Hear An Audible Click.

Fill the cooling system. Refer to Draining and Filling Cooling System (w/RPO HP2) or Draining and Filling Cooling System (w/o RPO HP2) in Engine Cooling.

Check out the diagrams (Below). Please let us know if you need anything else to get the problem fixed.

Cheers, Ken
Was this
answer
helpful?
Yes
No
+9
Tuesday, May 25th, 2021 AT 11:37 AM (Merged)
Tiny
CDAMRON48
  • MEMBER
  • 2 POSTS
  • 2003 CHEVROLET SILVERADO
  • 180,000 MILES
I am having issues with my heat. So I was advised to change my blend door actuator. When I removed the old actuator the pivot arm that it turns was broken. I am trying to figure out what that part is that needs to be replaced that has the door pivot on it. Is it a part that can just be replaced or is it something more complex with the whole system?
Was this
answer
helpful?
Yes
No
Tuesday, May 25th, 2021 AT 11:37 AM (Merged)
Tiny
KEN L
  • MASTER CERTIFIED MECHANIC
  • 55,538 POSTS
Hello,

If the bleed door pivot is broken you will need to remove the heater plenum to replace it. Here are the instruction on how to do so in the diagrams below. You will need to disconnect the battery first and drain the engine coolant and AC system. here is a guide to help with that:

https://www.2carpros.com/articles/re-charge-an-air-conditioner-system

Can you please shoot a quick video with your phone so we can see what's going on? that would be great. You can upload it here with your response. Check out the diagrams (below). Please let us know what happens.
Was this
answer
helpful?
Yes
No
Tuesday, May 25th, 2021 AT 11:37 AM (Merged)
Tiny
CDAMRON48
  • MEMBER
  • 2 POSTS
Thank you for your reply. Here is a picture of the broken part I was describing. I’m not sure how complex the replacement of the heater plenum is but from first glance it looks beyond what I would probably do on my own. I might be stuck just taking it somewhere at this point.
Was this
answer
helpful?
Yes
No
Tuesday, May 25th, 2021 AT 11:37 AM (Merged)
Tiny
KEN L
  • MASTER CERTIFIED MECHANIC
  • 55,538 POSTS
Oh man, yep that is broken. The heater plenum will need to be removed. At least you have an idea of what you will be paying for when getting it repaired. Please let us know what happens.
Was this
answer
helpful?
Yes
No
Tuesday, May 25th, 2021 AT 11:37 AM (Merged)
Tiny
MCNEILL
  • MEMBER
  • 1 POST
  • 2001 CHEVROLET SILVERADO
  • 6 CYL
  • 2WD
  • AUTOMATIC
How much will it cost to replace a heater core in a 2001 Chevy Silverado 1500 V6 2 wheel drive?
Was this
answer
helpful?
Yes
No
Tuesday, May 25th, 2021 AT 11:37 AM (Merged)
Tiny
KEN L
  • MASTER CERTIFIED MECHANIC
  • 55,538 POSTS
The job will go for about $900.00 for a shop and about $1100.00 from a dealer parts and labor. This is a big job and requires the AC to be evacuated and recharged.

Here are some guides to give you an idea on what is involved.

https://www.2carpros.com/articles/replace-heater-core

and

https://www.2carpros.com/articles/re-charge-an-air-conditioner-system

Here are some diagrams for your car.

Disconnect the battery before you begin.

Please let us know if you need anything else to get the problem fixed.

Cheers, Ken
Was this
answer
helpful?
Yes
No
+6
Tuesday, May 25th, 2021 AT 11:37 AM (Merged)
Tiny
JRIEGERT
  • MEMBER
  • 3 POSTS
  • 2001 CHEVROLET SILVERADO
  • 5.3L
  • V8
  • 4WD
  • AUTOMATIC
  • 154,000 MILES
I just got done replacing my water pump, thermostat and it's housing and both belts. Also had to have some else replace my freeze plugs, though I'm not 100% sure they replaced them all. I still have a small leak coming from what appears to be directly under the heater core, but not inside the truck, outside. It will leak out about 1 gallon of coolant every 4 miles. It won't leak cold and with the truck off, but as soon as I start driving it, it starts loosing coolant. I also have radiator vapors coming through my heater vents, whether the heater is off or on, or even set on A/C. Is it my heater core, like I think? Or could it be something else?
Was this
answer
helpful?
Yes
No
Tuesday, May 25th, 2021 AT 11:37 AM (Merged)
Tiny
ASEMASTER6371
  • MECHANIC
  • 52,796 POSTS
Good afternoon,

It sounds like the heater core is leaking. The coolant is coming from the AC drain hole in the evaporator. Common issue.

I would replace the heater core.

https://www.2carpros.com/articles/replace-heater-core

Roy
Was this
answer
helpful?
Yes
No
+1
Tuesday, May 25th, 2021 AT 11:37 AM (Merged)
Tiny
ASEMASTER6371
  • MECHANIC
  • 52,796 POSTS
I attached a you tube video for you of the replacement.

Roy

https://www.youtube.com/watch?v=4OWbSgPCTkE
Was this
answer
helpful?
Yes
No
+1
Tuesday, May 25th, 2021 AT 11:37 AM (Merged)
Tiny
JRIEGERT
  • MEMBER
  • 3 POSTS
Thank you, then it's what I was thinking. Just wasn't 100% sure because it wasn't leaking inside the cab, like it did when my heater core went out in my 1982 Firebird.
In your opinion, would linking those hoses together to bypass the heater core until I can get it fixed cause any issues, especially with everything I've replaced and had others replace?
Was this
answer
helpful?
Yes
No
Tuesday, May 25th, 2021 AT 11:37 AM (Merged)
Tiny
ASEMASTER6371
  • MECHANIC
  • 52,796 POSTS
No, that is a good temporary fix until you get it repaired.

Roy
Was this
answer
helpful?
Yes
No
+1
Tuesday, May 25th, 2021 AT 11:37 AM (Merged)
Tiny
JRIEGERT
  • MEMBER
  • 3 POSTS
Thank you very much.
Was this
answer
helpful?
Yes
No
Tuesday, May 25th, 2021 AT 11:37 AM (Merged)
Tiny
ETCAR
  • MEMBER
  • 1 POST
  • 2001 CHEVROLET SILVERADO
  • V8
  • 4WD
  • AUTOMATIC
  • 75,000 MILES
Does it matter if hoses are reversed going into the heater core. Does it matter how water flows through the thermostat housing and the heater core. Also I can"t find the heater control valve can you help THANKS ed
Was this
answer
helpful?
Yes
No
Tuesday, May 25th, 2021 AT 11:37 AM (Merged)
Tiny
JACOBANDNICKOLAS
  • MECHANIC
  • 110,194 POSTS
Yes, the direction of flow through the thermostat matters. However, if you have the upper radiator hose going to the t-stat housing, if will flow correctly. As far as the heater core, I wouldn't think that would affect anything. However, I've never been asked this question in 30 years on the job.

Now for the "heater control valve, " it doesn't exist on this vehicle. You have what is called a blend air door that determines if you get heat in the vehicle. It is located near the heater core. In one position, it allows heat to enter the vehicle, and in the other, AC can enter the vehicle. If it is stuck in the wrong position, you won't get heat. Do this. Start the engine, turn the heat on high, and let the engine warm up. Feel both heater core hoses. Both should be hot. If they are, you have good flow through the heater core and the blend door is most likely the problem. If one is hot and the other is slightly warm, chances are the heater core is plugged. When the engine cools off, remove the heater core hoses and spray water through it in both directions to see if there is flow and to clean it out. That usually does the trick. Also, make sure there are no air pockets in the system after you do this. Allow the return line (to the intake) slightly loose for air to escape before fully tightening it. You will lose a little coolant, but that is what I recommend trying.
Was this
answer
helpful?
Yes
No
+1
Tuesday, May 25th, 2021 AT 11:37 AM (Merged)

Please login or register to post a reply.