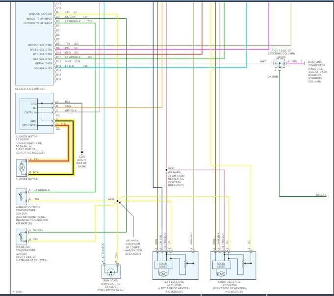
The digital climate control heater lights up fine, but nothing seems to come out the vents and no sound at all, the defrost and heater doesn't work, no heat. I replaced thermostat last month. all fluids are fine, I use 50/50 anti antifreeze, What are estimates if i need parts or if i can easy fix myself how to fix it myself? please get back to me soon, please include a video so i can watch. thanks Alicia
Please show me what steps to check before all repairs thanks.
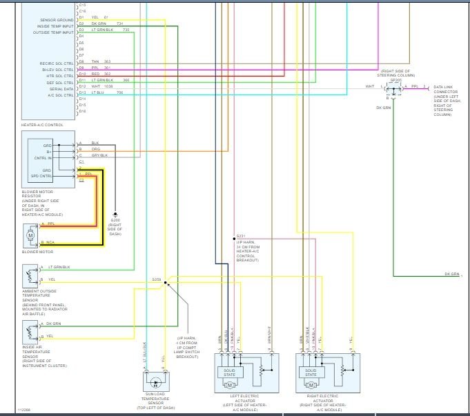
Please show me what steps to check before all repairs thanks.
Mar 3, 2019 at 7:18 AM

