Temperature gauge not working A/C blowing hot

Tiny
RUDYNOHUXTABLE
  • MEMBER
  • 2007 PONTIAC G6
  • 3.4L
  • 6 CYL
  • 4WD
  • AUTOMATIC
  • 200,000 MILES
My temperature gauge was working fine yesterday. I didn't notice it until first break today. I ran my car the whole break and it didn't move at all. It is not the thermostat because the fluid is cycling through my engine. It is not the radiator because the fluid has not leaked out. I just really want to know what it could be. Also when I turned my A/C on I noticed it is blowing hot.I added coolant but no change.
Friday, September 27th, 2019 AT 9:22 AM

35 Replies

Tiny
KEN L
  • MASTER CERTIFIED MECHANIC
  • 55,291 POSTS
Hello,

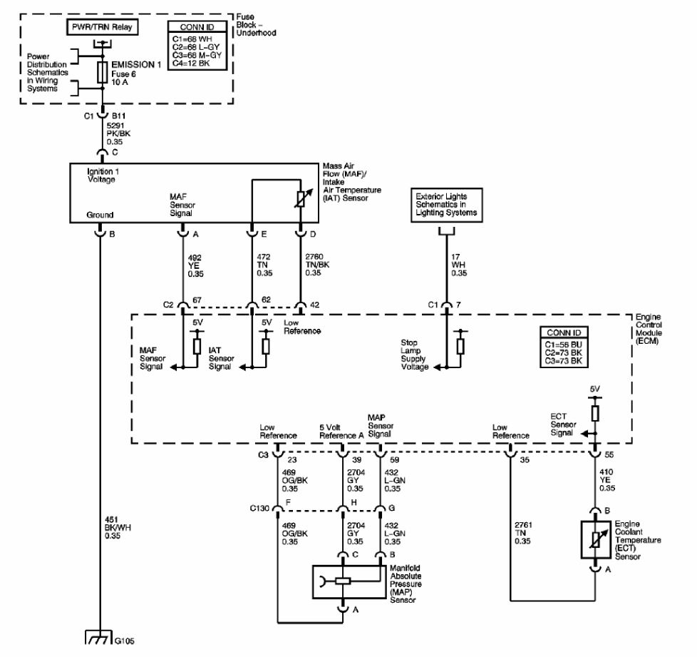
If the temperature sensor is not working or the computer is having an issue the A/C will not engine because the PCM thinks the engine is overheating. A new temperature sensor can help, but lets start by running the codes to see what comes up. here is a guide to help us get started, the temperature sensor location is in the diagrams below.

https://www.2carpros.com/articles/checking-a-service-engine-soon-or-check-engine-light-on-or-flashing

Check out the diagrams (below). Please let us know what happens.

Was this
answer
helpful?
Yes
No
+1
Sunday, September 29th, 2019 AT 11:06 AM
Tiny
ZAKARI SOLOMON
  • MEMBER
  • 0 POST
That worked! Thank you.
Was this
answer
helpful?
Yes
No
Thursday, November 12th, 2020 AT 10:41 AM
Tiny
DANE JOHNSON
  • MEMBER
  • 1 POST
  • 2007 PONTIAC G6
  • 3.6L
  • V6
  • FWD
  • AUTOMATIC
  • 99,000 MILES
My check engine light came on the other day and soon after my temperature gauge stopped working. After I drive the car for a while and feel the engine, it is not hot. There is a bit of warmth emitting from it but not much. Does anyone know what could be wrong? And is it bad to drive a car if the engine is running fairly cold?
Was this
answer
helpful?
Yes
No
+1
Thursday, November 12th, 2020 AT 10:42 AM (Merged)
Tiny
KHLOW2008
  • MECHANIC
  • 41,814 POSTS
Get a scan done to find out what is causing the check engine light to come on. A scan tool would allow you to see the engine temperature, unless if the temperature sensor is bad.

Once engine has been started for a minute or two, it would be okay to drive around even if you feel the engine might be running cold. Overheating on the other-hand would be a cause for concern.
Was this
answer
helpful?
Yes
No
-1
Thursday, November 12th, 2020 AT 10:42 AM (Merged)
Tiny
64GTO389
  • MEMBER
  • 3 POSTS
  • 2007 PONTIAC G6
  • 3.5L
  • 6 CYL
  • 85,000 MILES
Yesterday my check engine light came on and the temperature gauge quit working and the A/C also did not work. I went to local auto parts store and used OBD and reset the problem. I am just wondering what might cause this issue? After resetting the trouble codes everything seem to be fine for now. I am just wondering if this is common on this vehicle?
Was this
answer
helpful?
Yes
No
Thursday, November 12th, 2020 AT 10:42 AM (Merged)
Tiny
HARRY P
  • MECHANIC
  • 2,296 POSTS
Did you happen to get the trouble code numbers or just clear them?
Was this
answer
helpful?
Yes
No
Thursday, November 12th, 2020 AT 10:42 AM (Merged)
Tiny
64GTO389
  • MEMBER
  • 3 POSTS
I just cleared them!
Was this
answer
helpful?
Yes
No
Thursday, November 12th, 2020 AT 10:42 AM (Merged)
Tiny
HARRY P
  • MECHANIC
  • 2,296 POSTS
Well it is kind of hard to armchair it then, but I would say if it went away with simply clearing the codes that it is probably going to be an intermittent problem. Possibly in the wiring to the coolant temperature sensor. If it happens again, get the trouble code number(s) and we will go from there.
Was this
answer
helpful?
Yes
No
Thursday, November 12th, 2020 AT 10:42 AM (Merged)
Tiny
64GTO389
  • MEMBER
  • 3 POSTS
Thanks will do
Was this
answer
helpful?
Yes
No
Thursday, November 12th, 2020 AT 10:42 AM (Merged)
Tiny
NICOLEG6
  • MEMBER
  • 6 POSTS
  • 2006 PONTIAC G6
  • 2.4L
  • 4 CYL
  • 2WD
  • AUTOMATIC
  • 230,000 MILES
Hi there,

Just looking for advise where to start and what to check.
My temperature gauge on my cluster does not move stays on bottom/cold.
My fans seems to come on only when it is hot it does not always run on.
I had a coolant leak a month ago, added an additive liquid aluminum type and it seemed to seal whatever leak there was. I have not had to add any coolant.
Check engine light has been on since I purchased and was for EVAP sensor.

I had disconnect the wire harness to the engine coolant temperature sensor to see if I could get in there to replace if necessary, reconnected. Then next time I drove the temperature gauge on cluster worked for about an hour.
Was this
answer
helpful?
Yes
No
Thursday, November 12th, 2020 AT 10:42 AM (Merged)
Tiny
STEVE W.
  • MECHANIC
  • 15,676 POSTS
With your description I would suspect that the harness or connector at the sensor is the issue as it failed not long after the connector was moved. The fans should not run all the time. They are controlled by the engines temperature and AC use. Not a fan of any sealers as they tend to seal more than just the leak they were intended for.
I would remove the connector and check for loose or corroded pins. Also check the harness itself for damage, it does not take much to rub or melt through the wiring. If you have access to a good scan tool that has bi-directional controls many can do a gauge sweep that would show if the gauge itself was okay.
Was this
answer
helpful?
Yes
No
Thursday, November 12th, 2020 AT 10:42 AM (Merged)
Tiny
NICOLEG6
  • MEMBER
  • 6 POSTS
Thank you so much Steve your help is really appreciated. I do not have access to much or much cash to ask a garage. I will have a look now for anything loose or corroded and have a look at the harness. Would using a digital multi-meter be useful anywhere?
If everything there looks okay is there another step I should take to dig this?
Was this
answer
helpful?
Yes
No
Thursday, November 12th, 2020 AT 10:42 AM (Merged)
Tiny
STEVE W.
  • MECHANIC
  • 15,676 POSTS
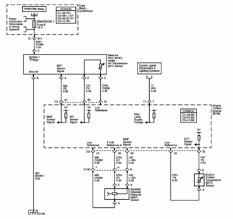
From your description it sounds like the connector. Use your meter and with the connector unplugged the tan wire should be a ground and the yellow wire should have 5 volts on it. The resistor in the ECT changes the 5 volt signal based on temperature and the PCM reads that and determines engine temperature. It then sends a signal through the data bus to the dash telling it to display the temperature. The gauge is a stepper motor that simply moves to the proper point. Those are a common failure item in the older vehicles but the gauge sweep test should show if it works. Many newer cars usually also sweep the gauges at initial key on. If yours moves the gas, speedometer, tachometer, oil, temperature (what ever it has for gauges) when you turn on the key and the others move but the temperature does not then it could be a faulty stepper motor.
Was this
answer
helpful?
Yes
No
+2
Thursday, November 12th, 2020 AT 10:42 AM (Merged)
Tiny
NICOLEG6
  • MEMBER
  • 6 POSTS
I completely understand thank you for describing everything so well. I will get right to it. Thank you so much for your time and knowledge Steve! Fingers crossed.
Was this
answer
helpful?
Yes
No
Thursday, November 12th, 2020 AT 10:42 AM (Merged)
Tiny
STEVE W.
  • MECHANIC
  • 15,676 POSTS
I would say to measure the resistance of the thermistor in the sensor but they rarely fail, it is usually the connector or the harness. Please post back with what you find.
Was this
answer
helpful?
Yes
No
Thursday, November 12th, 2020 AT 10:42 AM (Merged)
Tiny
NICOLEG6
  • MEMBER
  • 6 POSTS
I did not know that about the sensor. I am glad they do not usually fail. Of course I got nervous and bought one but was not sure if it would of fixed the problem. I have got your posts saved and I will get at it tomorrow and get back to you ASAP.
Thank you so much.
Was this
answer
helpful?
Yes
No
Thursday, November 12th, 2020 AT 10:42 AM (Merged)
Tiny
JIMB2020
  • MEMBER
  • 106 POSTS
  • 2006 PONTIAC G6
  • 3.9L
  • V6
  • 2WD
  • AUTOMATIC
  • 159,000 MILES
Sister came home with the following symptoms:
Clicking engine noise.
Instrument panel temperature gauge remains at 0.

I checked the oil, it was extremely low. The car has been leaking one drop at a time through the main bearing seal (typical). I replaced the oil and filter less than 2 months ago. I added oil and she drove the car. No noise. Engine sounds great- no problem, but the temperature gauge did not move. It got cold today, so I thought she is driving it very short distance to work, it may have not had a chance to warm up. I asked her to take it for a test drive, but the gauge did not move (engine hot). Is there a correlation between the instrument panel gauge gauge and oil level? Could the low level before I replenished the oil have cause some sensor to go bad?
Was this
answer
helpful?
Yes
No
Thursday, November 12th, 2020 AT 10:42 AM (Merged)
Tiny
STEVE W.
  • MECHANIC
  • 15,676 POSTS
What usually happens is the connector gets corroded or the harness starts to fail. Then, "I will replace the sensor". In the process of removing and replacing the sensor the harness gets moved around and the connector is removed and put on the new part and "miracles abound" the widget starts working again. Had to be a bad part. But it was actually the act of moving the wiring that repaired it. That is why most good diagnostics folks start testing without actually touching the component until they are 99% sure that it is in that area. Nothing like trying to write up a repair when you do not know what it was you moved or disconnected that suddenly brought it back. Plus you cannot say "I know it is repaired and will no't cause that problem again".
Was this
answer
helpful?
Yes
No
Thursday, November 12th, 2020 AT 10:42 AM (Merged)
Tiny
JACOBANDNICKOLAS
  • MECHANIC
  • 110,192 POSTS
Hi,

I doubt the two are related. However, is the engine coolant full? Is the heater working?

If the coolant is full and the heater is working, then we have flow. So, the next thing would be the engine coolant temperature sensor (ECT). Here is a link that shows how in general how one is replaced:

https://www.2carpros.com/articles/coolant-temperature-sensor-cts-replacement

Here are the directions specific to your vehicle. The attached pics correlate with the directions.

________________________

2006 Pontiac G6 V6-3.9L VIN 1
Removal and Replacement
Vehicle Powertrain Management Sensors and Switches - Powertrain Management Sensors and Switches - Computers and Control Systems Coolant Temperature Sensor/Switch (For Computer) Service and Repair Removal and Replacement
REMOVAL AND REPLACEMENT
ENGINE COOLANT TEMPERATURE (ECT) SENSOR REPLACEMENT

REMOVAL PROCEDURE

NOTE: Use care when handling the coolant sensor. Damage to the coolant sensor will affect the operation of the fuel control system.

pic 1

1. Drain the cooling system. Refer to Draining and Filling Cooling System. See: Cooling System > Removal and Replacement
2. Remove the intake manifold cover, if necessary.
3. Disconnect the engine coolant temperature (ECT) sensor electrical connector.
4. Remove the ECT sensor.

INSTALLATION PROCEDURE

NOTE: Replacement components must be the correct part number for the application. Components requiring the use of the thread locking compound, lubricants, corrosion inhibitors, or sealants are identified in the service procedure. Some replacement components may come with these coatings already applied. Do not use these coatings on components unless specified. These coatings can affect the final torque, which may affect the operation of the component. Use the correct torque specification when installing components in order to avoid damage.

pic 2

1. Coat the threads of the ECT sensor with sealer GM P/N 13246004 (Canadian P/N 10953480) or equivalent.
2. Install the ECT sensor.

NOTE: Refer to Fastener Notice.

Tighten the ECT sensor to 20 N.m (15 lb ft).

3. Connect the ECT electrical connector.
4. Install the intake manifold cover, if necessary.
5. Fill the cooling system. Refer to Draining and Filling Cooling System. See: Cooling System > Removal and Replacement

___________________

Let me know if that helps.

Joe
Was this
answer
helpful?
Yes
No
+2
Thursday, November 12th, 2020 AT 10:42 AM (Merged)
Tiny
NICOLEG6
  • MEMBER
  • 6 POSTS
Hey Steve.

Sorry for delay our wifi has been down.
So yes your right somethings going on with the wiring.
I checked all the fuses and everything is good there. The wiring looks fine. That is the problem I am having. But I tested the resistance on sensor and it is fine. I had bought a new one just in case and put it in too. Still nothing.

Thank you so much for your advice you have me in the right direction
I will use the multi-meter and check wiring again tonight.
Any thoughts on what could be going on?
Was this
answer
helpful?
Yes
No
Thursday, November 12th, 2020 AT 10:42 AM (Merged)

Please login or register to post a reply.