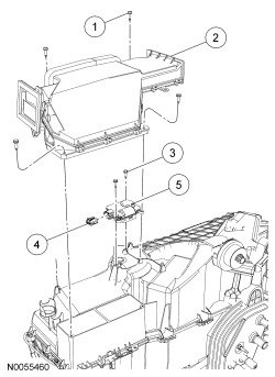
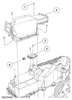
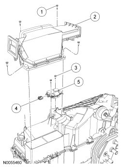
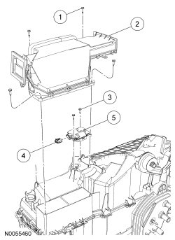
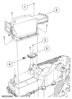
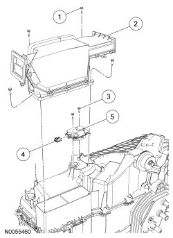
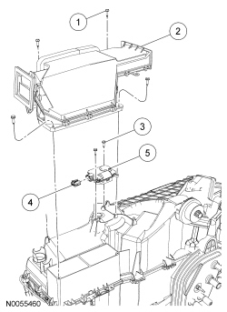
I have been growing through the internet and trying to find a solution for weeks. I have the vehicle listed above Limited with dual climate control. The driver-side A/C is not changing temperature, but every other quadrant is as usual. I have replaced the rear actuator, front passenger actuator behind the radio, and an actuator to the upper right of the accelerator pedal. When evaluating the actuator functions it appeared the actuator behind the radio moved when I was adjusting the temperature on the passenger side, but not the driver side, and the actuator by the accelerator when switching between feet, face, defrost, and so on, but not for any climate adjustments. Is there another temperature controlling actuator somewhere on the driver side I can replace to get function out of my driver side temperature control?
Friday, May 6th, 2022 AT 12:49 PM





