Taillights malfunction, the left taillight is out for signaling?

Tiny
PETEV1009
  • MEMBER
  • 2017 AUDI A4
  • 2.5L
  • 4 CYL
  • 4WD
  • AUTOMATIC
  • 88,000 MILES
Shown on car screen. Just left rear. Also, the right taillight blinks or flashes but will not laminate when lights are turned on. Left taillights will turn on for night use but blinker doesn't work. Reverse lights work when they choose. All front lights work as should.
Tuesday, April 4th, 2023 AT 3:57 AM

3 Replies

Tiny
KEN L
  • MASTER CERTIFIED MECHANIC
  • 55,469 POSTS
The first thing we need to do is check all fuses with the system on this guide can help and I have left the fuse location in the images below.

https://www.2carpros.com/articles/how-to-check-a-car-fuse

If the fuses are okay, you need to remove the rear light bulbs in question to see if any filaments or bulb contacts have melted together. Please check out this guide to see what I am talking about:

https://www.2carpros.com/articles/no-tail-lights-exterior-running-lights-tail-lights-out

Next, we need to check the grounds to the system because it could be the "vehicle electrical system control module" or the "comfort system central control module". Which would require a CAN scan to see which module is out. You can get a CAN scanner (Controller Area Network) from Amazon.

Here is a video to show you how:

https://youtu.be/u-4syLc-ifQ

and

https://www.2carpros.com/articles/can-scan-controller-area-network-easy

Here is one for about $99.00 if you need it:
https://amzn.to/3ZixY4v

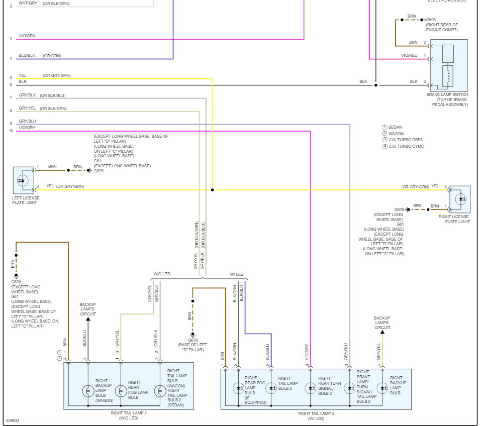
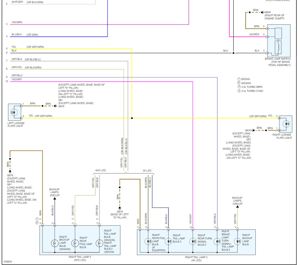
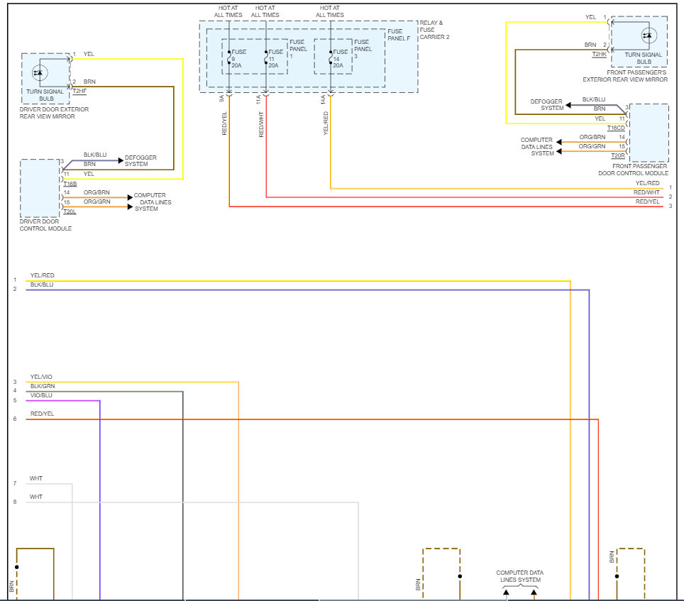
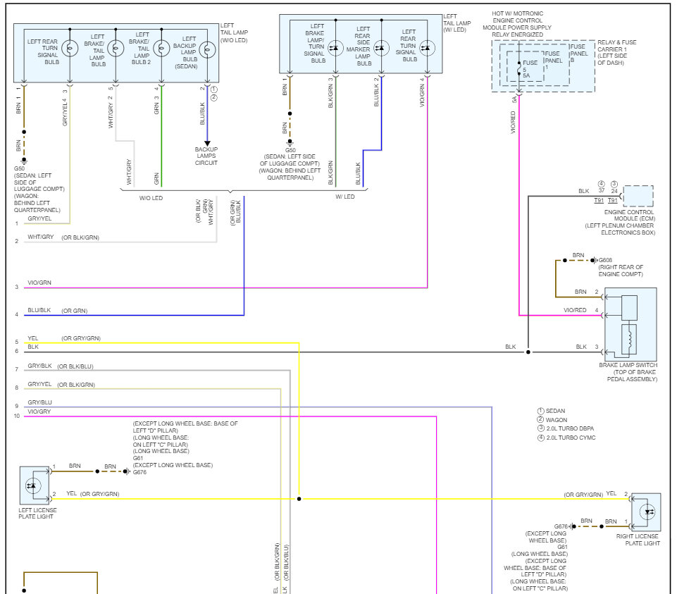
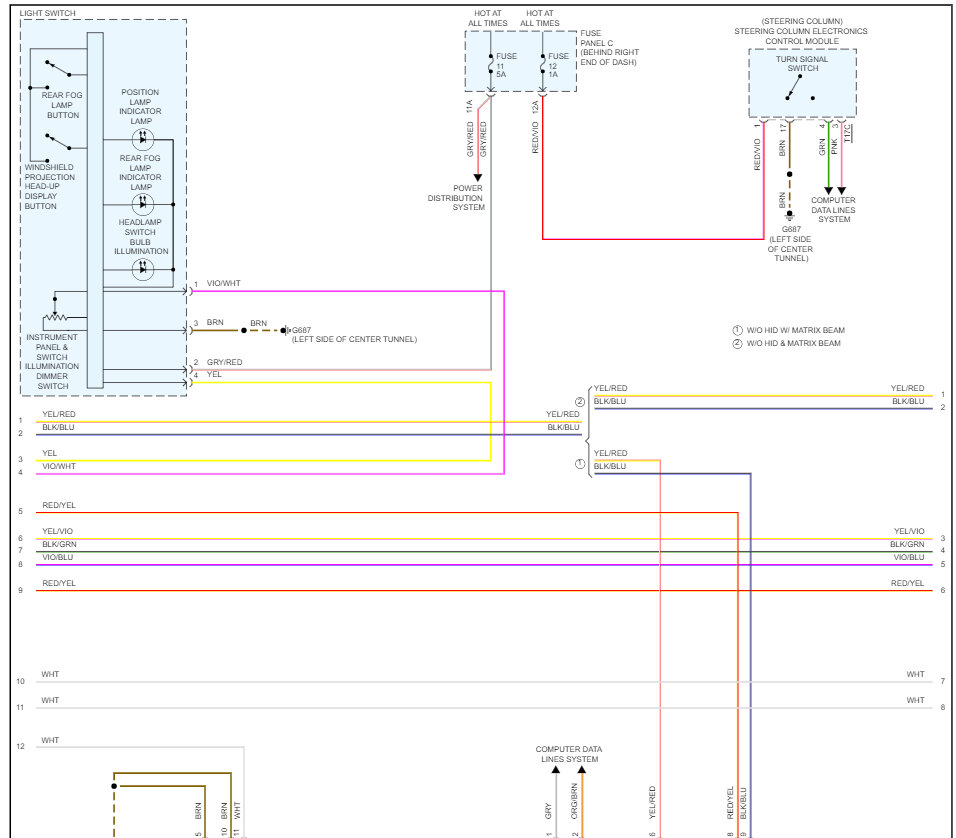
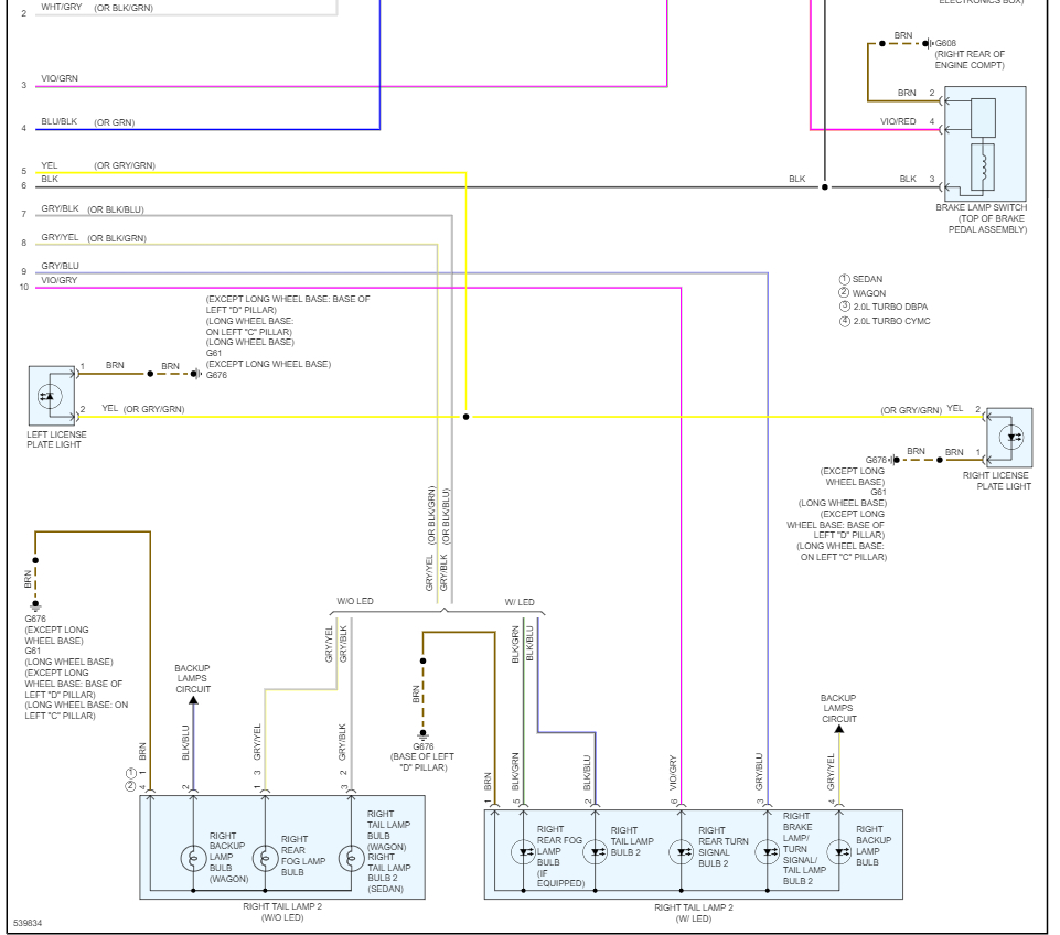
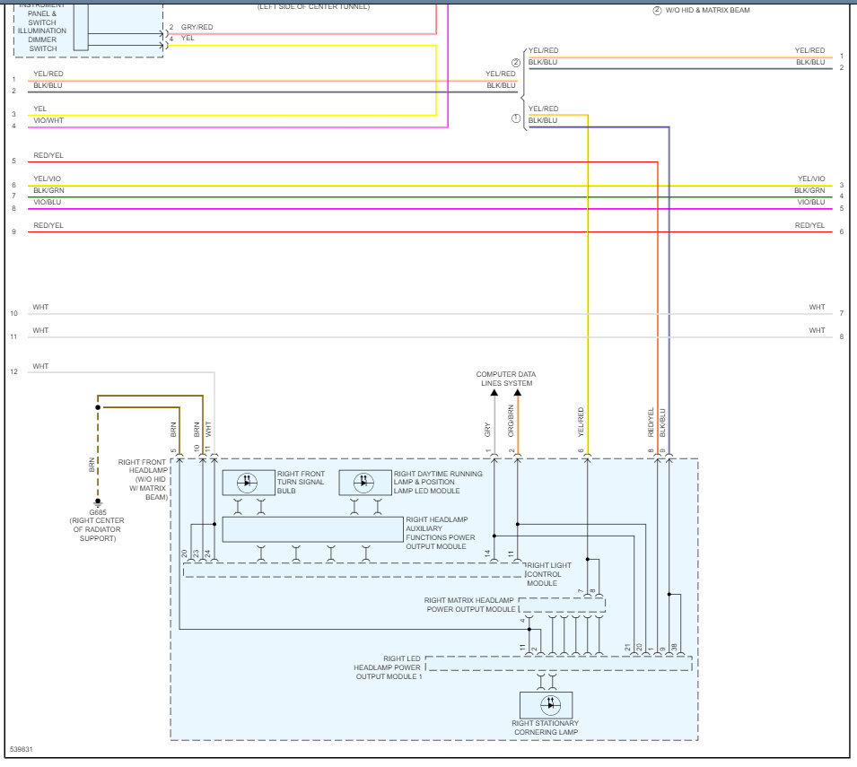
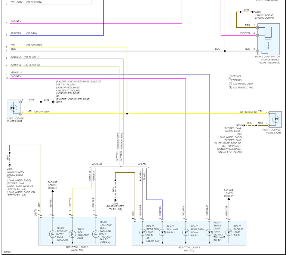
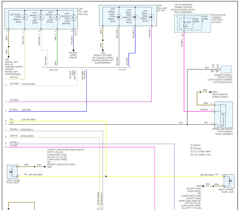
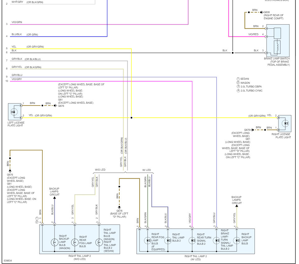
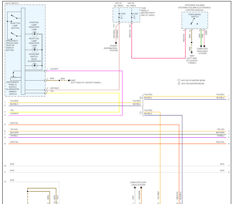
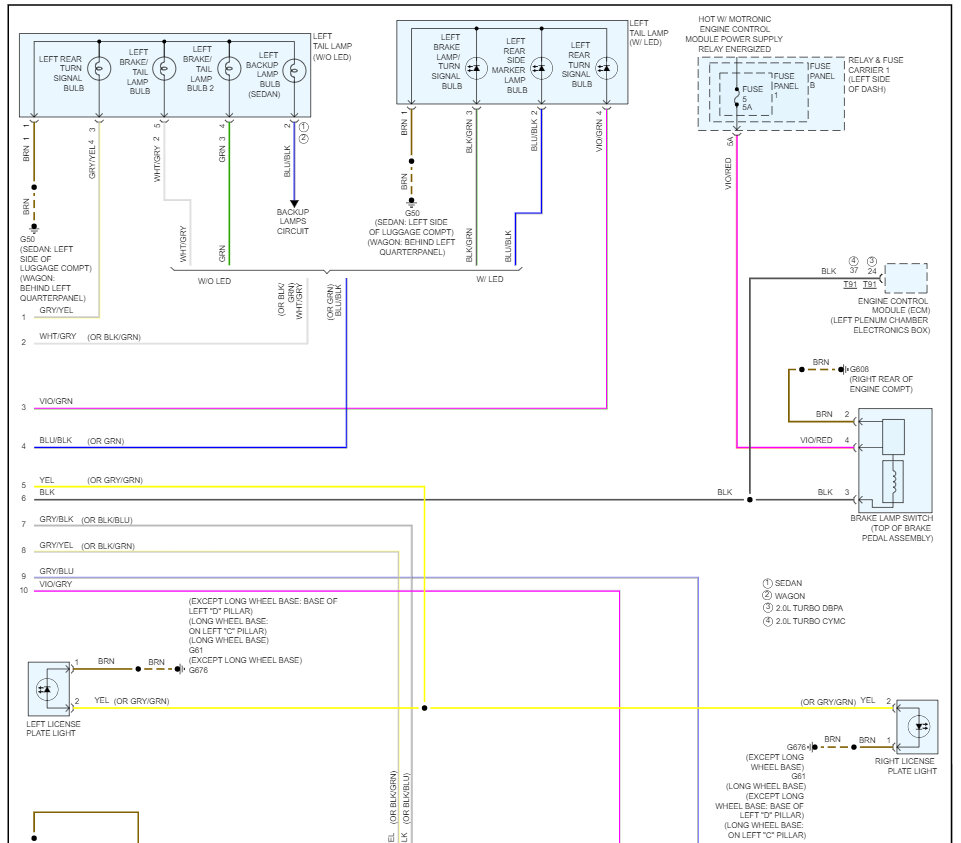
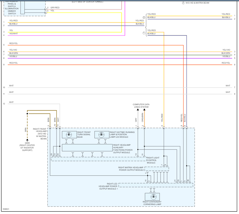
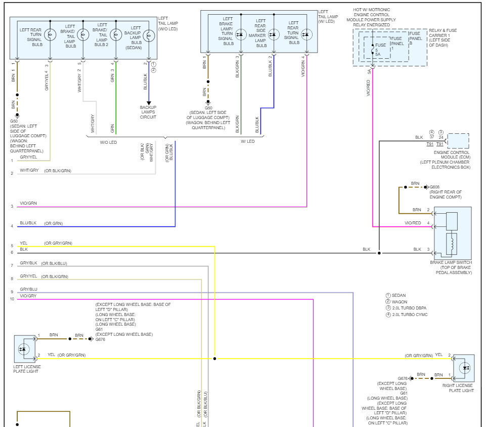
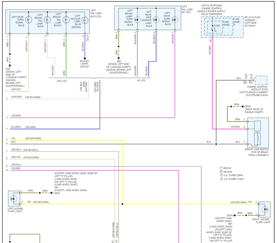
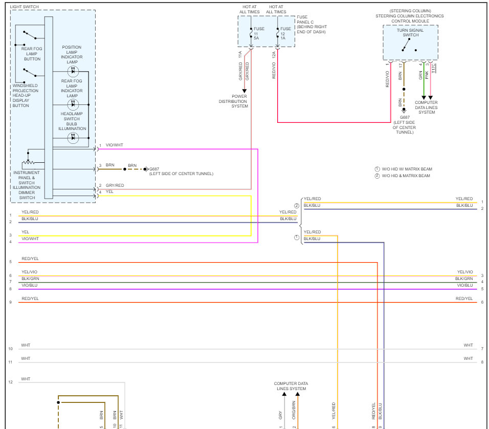
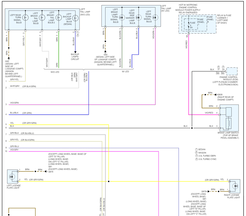
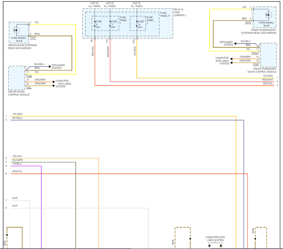
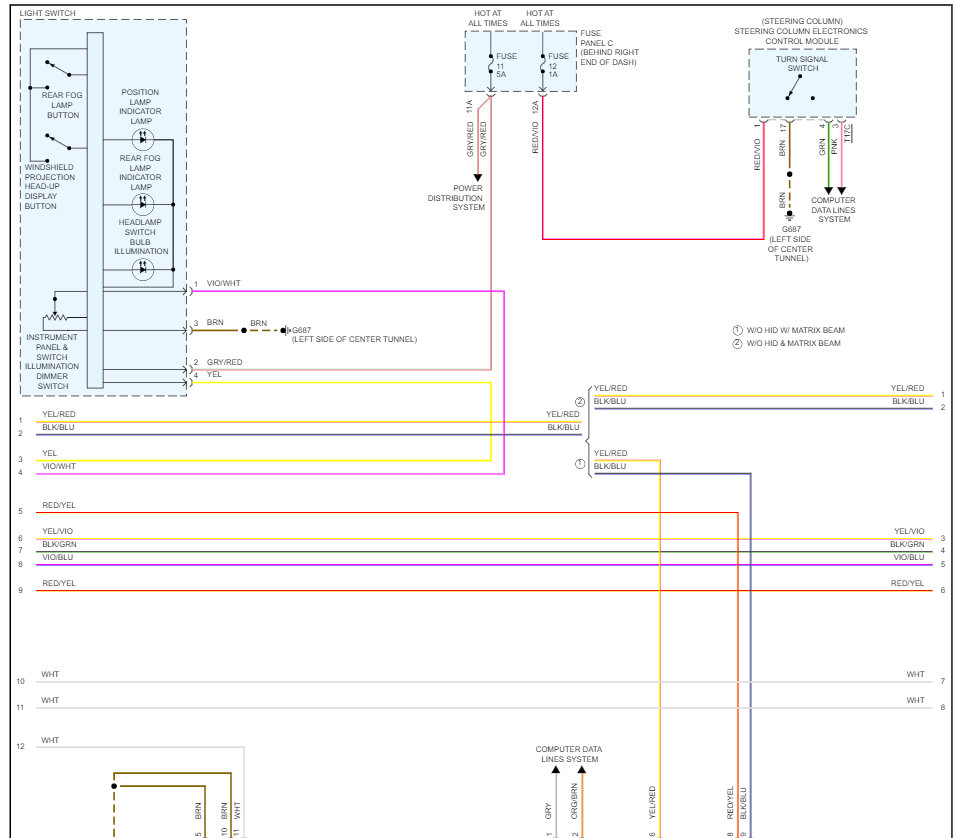
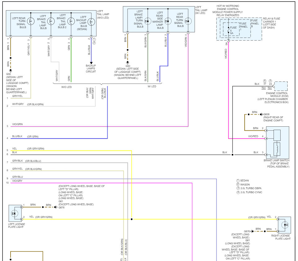
Here are the running light wiring diagrams so you can see how the system works and which fuses to check. Check out the images (below). Let us know what happens and please upload pictures or videos of the problem so we can see what's going on.

Was this
answer
helpful?
Yes
No
+1
Tuesday, April 4th, 2023 AT 9:08 AM
Tiny
PETEV1009
  • MEMBER
  • 2 POSTS
You guys were on point on the info giving. Great news though, starting with the fuses, there was a fuse missing for the signal and lights to work correctly. 7 months with this problem. 4 certified mechanics wasted my money and time. 4 shade tree mechanics just gave up trying to find the problem. I had looked at all the fuses before. This time with your detailed steps. Brought to mind are all fuses accounted for or is the right fuse Amp being used. Problem solved. Even fixed my stereo. Certain options for the settings became available. All this due to a fuse missing. Thank you. My son came home this week. Served 4 years in USA Marine Corp. Served 3 years in Japan. Picked him up in the A4. Which is his now. Thank you
Was this
answer
helpful?
Yes
No
Sunday, April 23rd, 2023 AT 9:49 PM
Tiny
KEN L
  • MASTER CERTIFIED MECHANIC
  • 55,469 POSTS
Please tell your son thank you for his service. I am glad we helped. Thanks for letting us know, we are here to help, please use 2CarPros anytime.
Was this
answer
helpful?
Yes
No
Monday, April 24th, 2023 AT 4:39 PM

Please login or register to post a reply.