Headlights turn off automatically?

Tiny
SUZYQUZY102
  • MEMBER
  • 1997 AUDI A4
  • 4 CYL
  • FWD
  • AUTOMATIC
  • 150,000 MILES
Will the headlights turn off automatically?
Tuesday, September 8th, 2009 AT 10:24 PM

1 Reply

Tiny
SQM
  • MECHANIC
  • 6,383 POSTS
Hello,

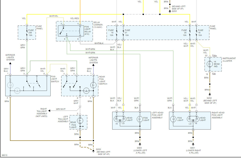
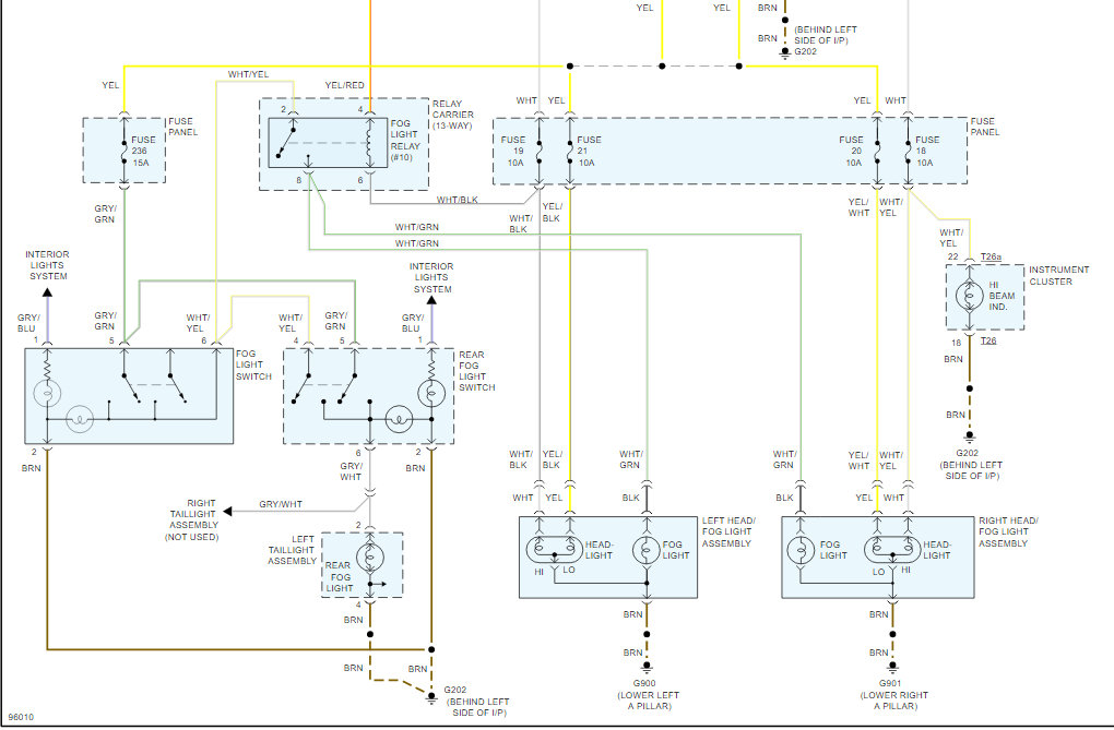
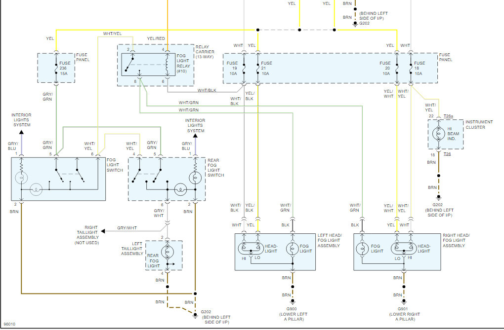
These year of Audi A4 did not come with automatic headlights. So they will not got off automatically when you turn off the engine.
However if the lights are left on then you will hear a chime to remind you to turn them off.

Keep in mind that the headlights can drain the battery fast if they are left on.

https://www.2carpros.com/articles/how-a-headlight-switch-works

Please let me know of any questions.
Thank you.
Was this
answer
helpful?
Yes
No
Tuesday, September 21st, 2021 AT 8:53 PM

Please login or register to post a reply.