Taillight/brake lights not working properly?

Tiny
JOHN30531
  • MEMBER
  • 2000 JEEP GRAND CHEROKEE
  • V8
  • 4WD
  • AUTOMATIC
  • 230,000 MILES
The passenger taillight works when the lights are on, but the driver’s side doesn’t. When the lights are off only the driver’s side brake lights work and the passenger side doesn’t.
Thursday, December 22nd, 2022 AT 2:29 PM

2 Replies

Tiny
KEN L
  • MASTER CERTIFIED MECHANIC
  • 55,512 POSTS
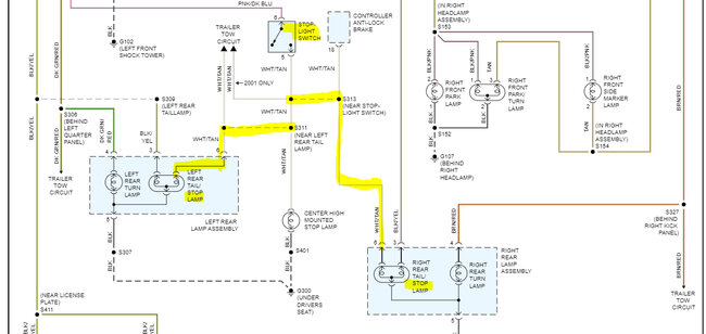
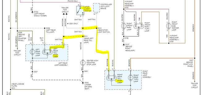
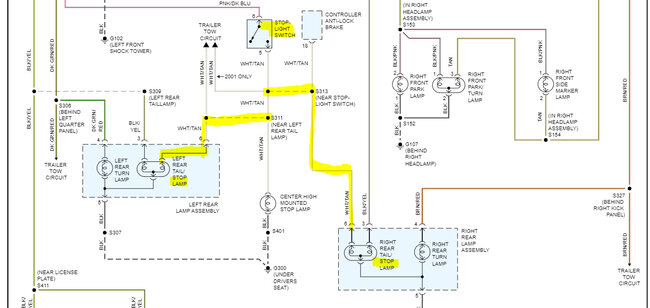
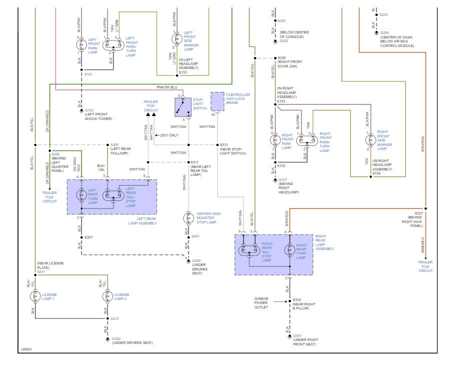
This sounds like a bad ground, or a combination flasher is not working correctly, here is a guide to help you check the grounds and the taillight and brake light wiring diagrams so you can see the ground location and where the combination flasher is located so you can swap it out.

https://www.2carpros.com/articles/how-to-use-a-test-light-circuit-tester

This guide can help as well:

https://www.2carpros.com/articles/no-tail-lights-exterior-running-lights-tail-lights-out

Check out the images (below). Please let us know what you find.
Was this
answer
helpful?
Yes
No
Friday, December 23rd, 2022 AT 11:41 AM
Tiny
JACOBANDNICKOLAS
  • MECHANIC
  • 110,194 POSTS
Hi,

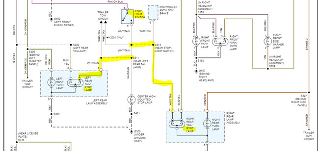
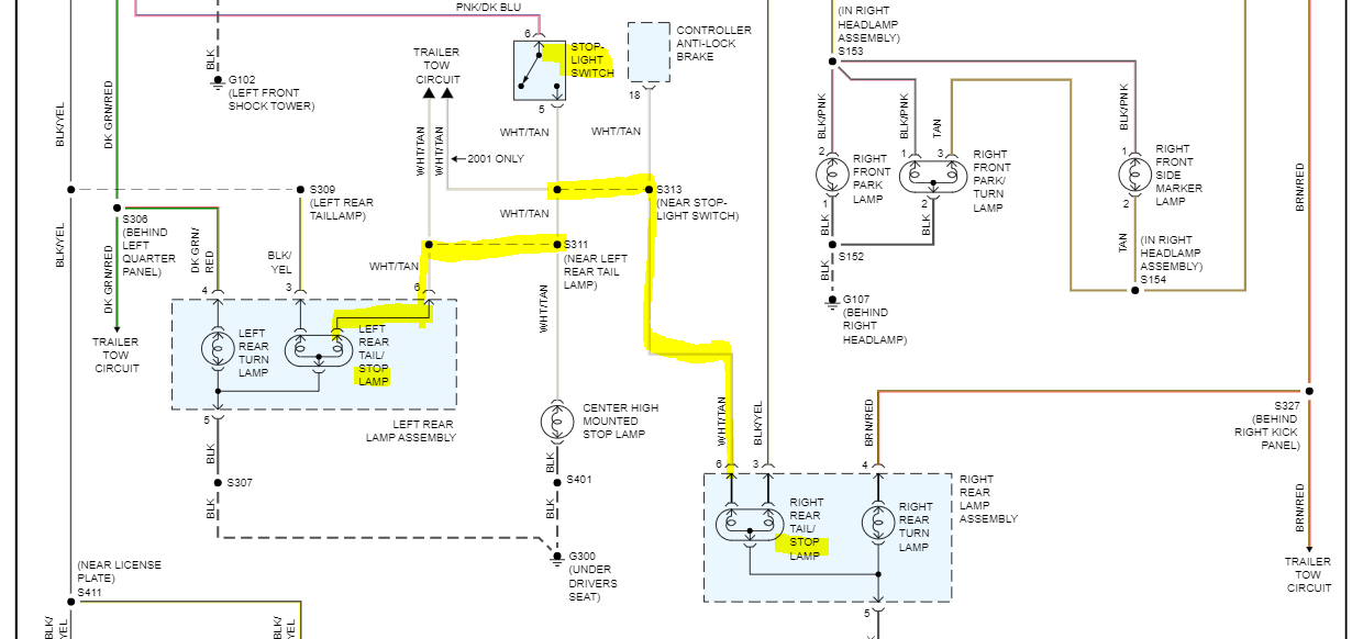
This is a confusing one because power from the brake lamp switch is sent to the lights without interruption.

I attached the schematic below for you so we can work out the issue together.

If you look at the schematic, I highlighted the brake lamp switch. I also highlighted the wiring to the brake lamps. Note the dashed line connecting the wiring. That indicates there is a mechanical connection between the two components.

I have a question. Does the center brake lamp work regardless of the headlamps being on or off?

Let me know. Also, I have a feeling we are going to find an issue with the mechanical connectors, but that is a theory at this point.

Let me know your thoughts and about the center high-mount brake lamp. Also, let me know if the vehicle has an OEM trailer wiring harness.

Take care.

Joe

See pic below.
Was this
answer
helpful?
Yes
No
Friday, December 23rd, 2022 AT 11:51 AM

Please login or register to post a reply.