Thursday, August 7th, 2014 AT 4:50 AM
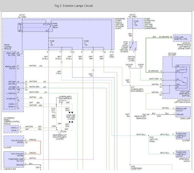
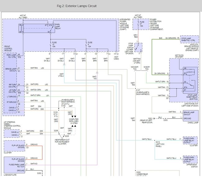
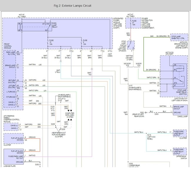
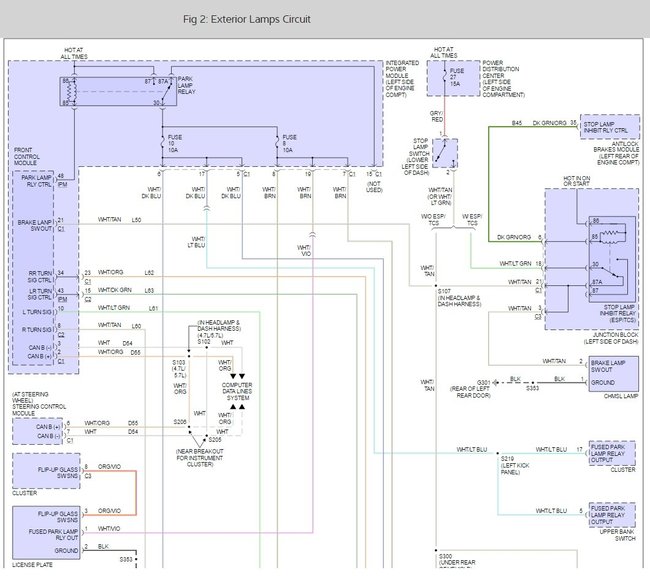
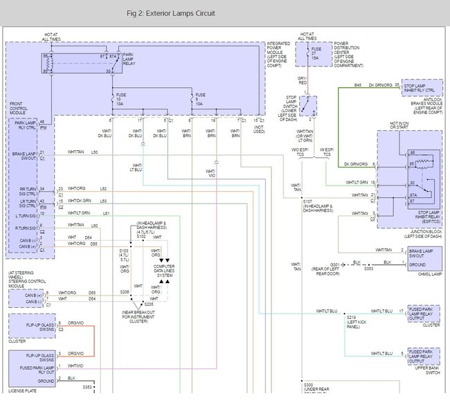
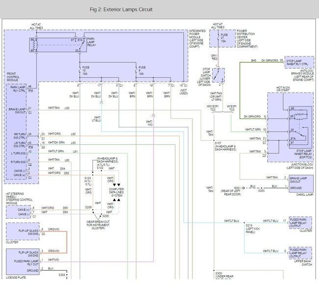
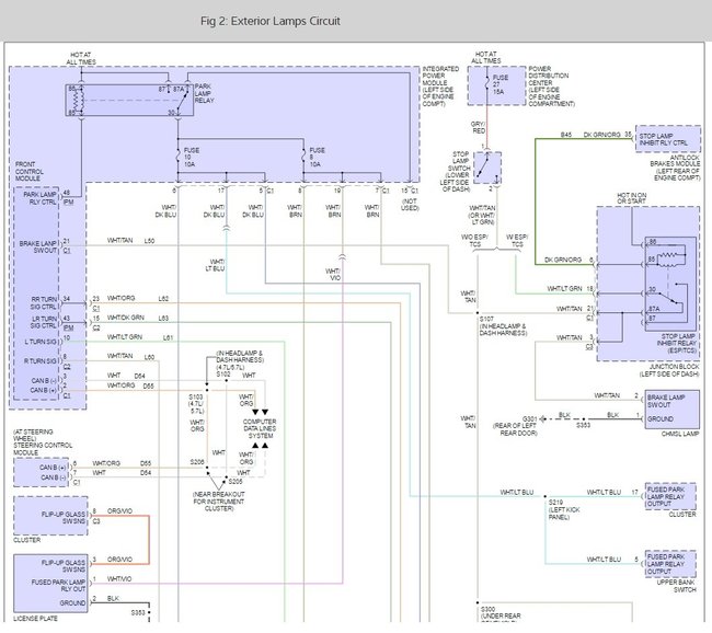
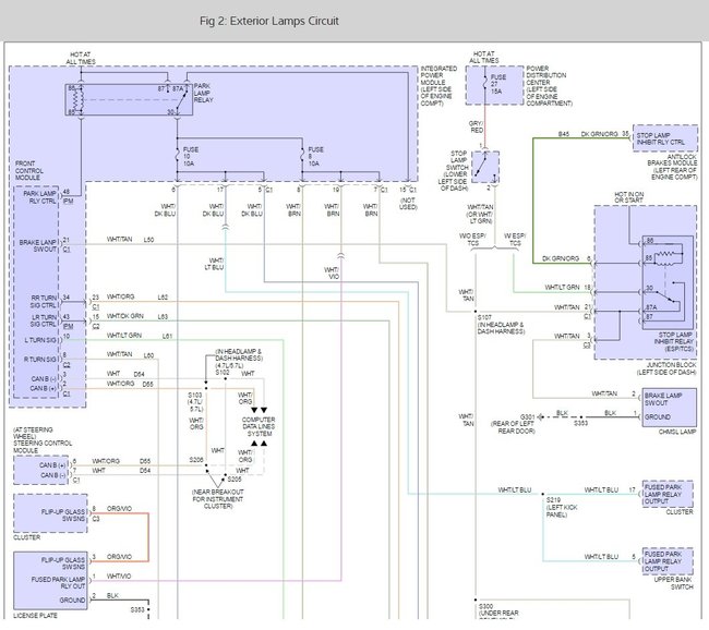
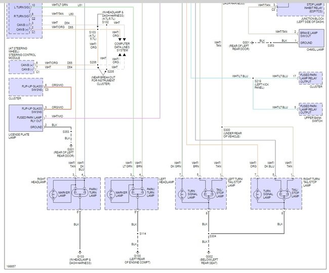
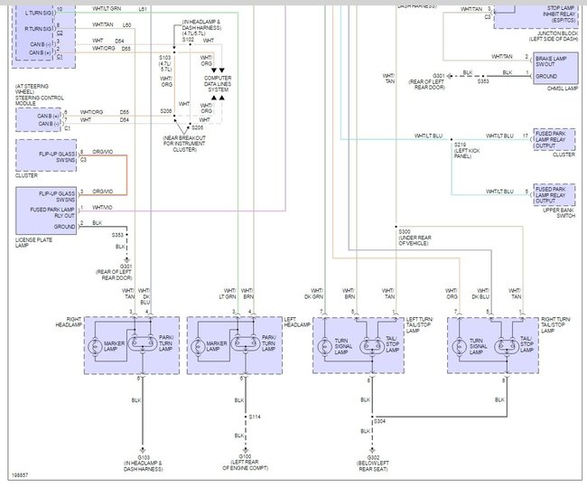
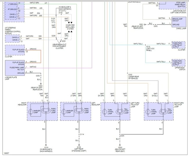
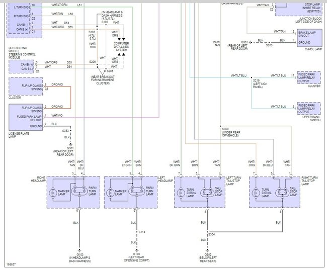
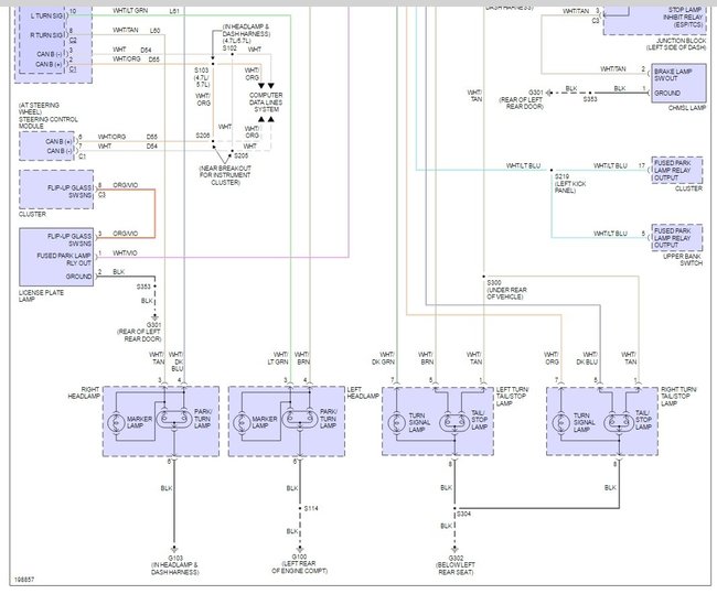
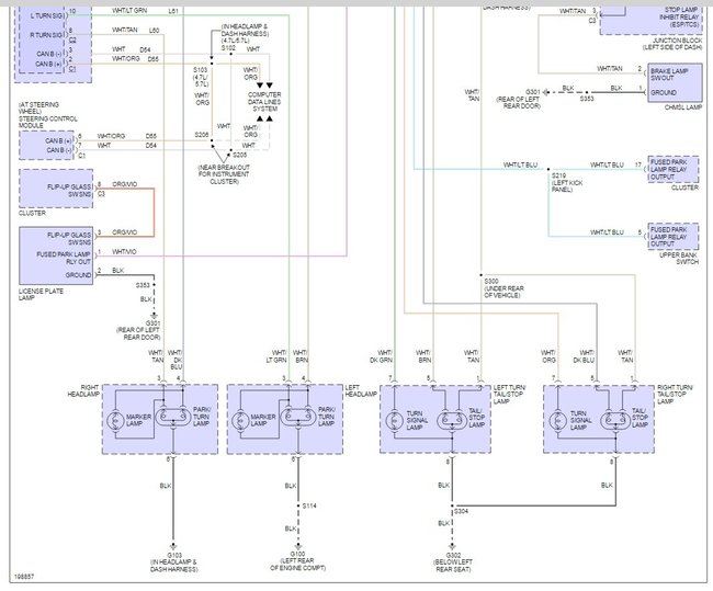
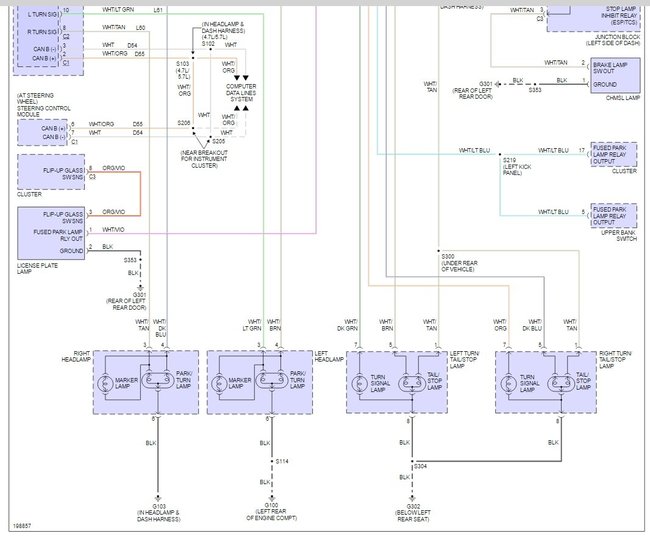
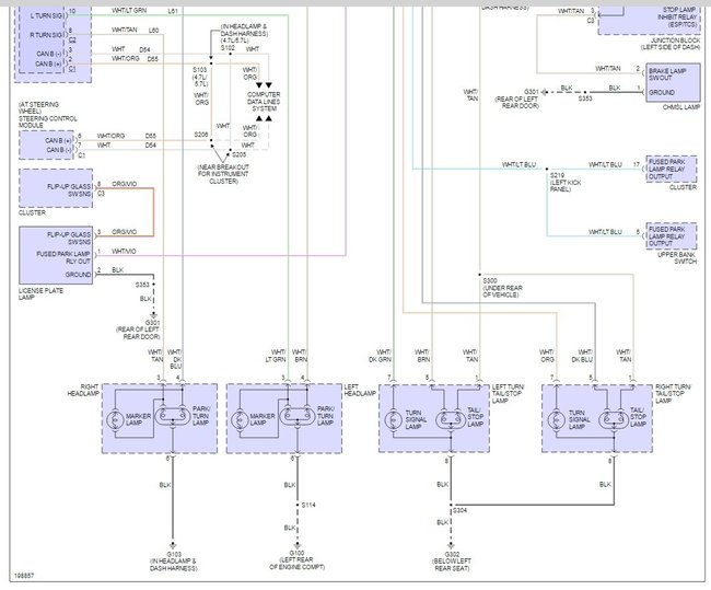
They don't work when pressing pedal. I replaced fuse and stop switch still nothing hazards work back ups work blinkers. And the interior lights turn on and off randomly









