Saturday, April 26th, 2025 AT 6:54 PM
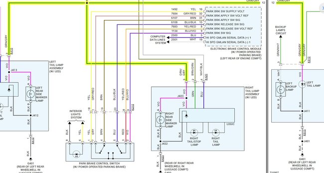
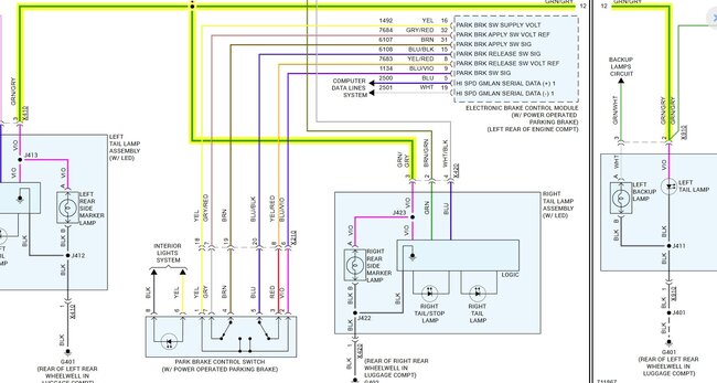
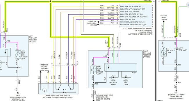
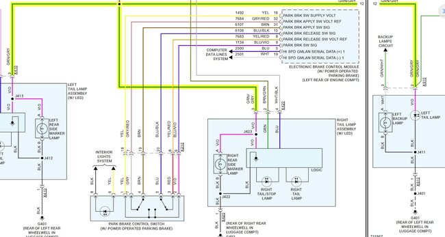
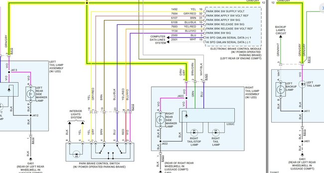
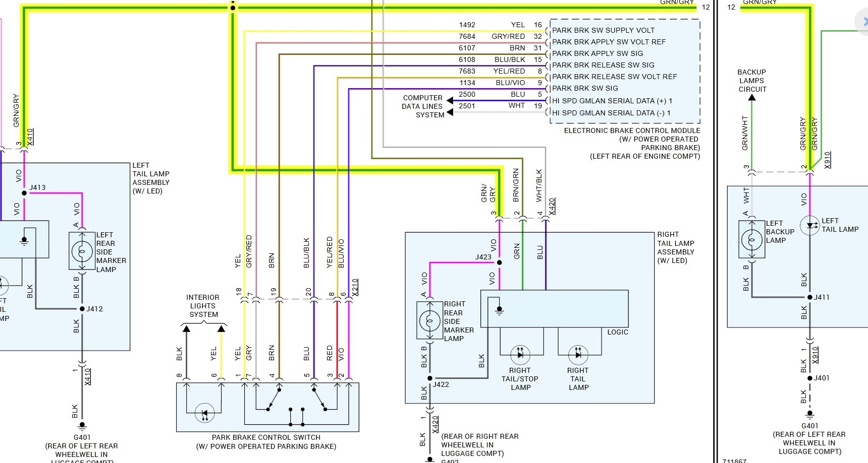
Both side rear taillights quit working on my way home from work late last night. I immediately checked to see if the bulbs needed replacing and learned that the tail lights on this year/model car are in sealed all one-piece enclosures and I am fairly certain that they are designed to be replaced as one whole unit. Thinking the odds of both sides being faulty or burning out at the same time to be extremely high, I decided to check the fuses and relays under the hood to see if any were blown. Fuse number 22 (a 5 amp) was blown. I replaced fuse and it blew again. I am stuck and frustrated. What should I do?





