Tail lights not working on right hand side

Tiny
JDL
  • MECHANIC
  • 16,098 POSTS
The voltage to panel lamps fuse comes from fusible link, battery junction block, underhood, passenger side firewall. The fusible link is black, check for voltage on both sides of link, if one side has voltage and the other side doesn't, the link is faulty. If more than one black fusible link, check them both.
Was this
answer
helpful?
Yes
No
Thursday, November 14th, 2019 AT 11:49 AM (Merged)
Tiny
MATTTYW20
  • MEMBER
  • 113 POSTS
I checked that red wire near ECM an There was power there I removed headlight switch an had power on red an orange wire then wen switch is on power to the yellow wire could it be a bad headlight switch
Was this
answer
helpful?
Yes
No
Thursday, November 14th, 2019 AT 11:49 AM (Merged)
Tiny
JDL
  • MECHANIC
  • 16,098 POSTS
Is there a brown wire coming off head lamp switch? That wire should carry voltage for tail lamps and other. The headlamp switch has two circuits. One side of headlamp switch is a circuit breaker, only for headlamps. The other side of headlamp switch controls feed for other lighting, including the tail lamps. I believe there is a different voltage source for each side. I'd want to check voltage sources to and from the headlamp switch, before condemning the switch.
Was this
answer
helpful?
Yes
No
Thursday, November 14th, 2019 AT 11:49 AM (Merged)
Tiny
MATTTYW20
  • MEMBER
  • 113 POSTS
An how would I do that I only have a test light I kno that everythin worked thursday night
Was this
answer
helpful?
Yes
No
Thursday, November 14th, 2019 AT 11:49 AM (Merged)
Tiny
JDL
  • MECHANIC
  • 16,098 POSTS
Probe the proper wire with test lite. Does the testlite have a sharp pointed end, that is the reason for the point, probe the wire or backprobe the connector. If you make a hole in the wire, cover it up with nail polish or something.

Give me a second and I'll find the wiring for headlamp switch.
Was this
answer
helpful?
Yes
No
Thursday, November 14th, 2019 AT 11:49 AM (Merged)
Tiny
BWEEZY69
  • MEMBER
  • 13 POSTS
  • 1990 CHEVROLET TRUCK
  • 150,000 MILES
My tail lights dont work parking lights dont work and my dash lights dont work headlights work and my interrior lights work brake lights and signals all work all the fuses looked good but th fuse labeled PANEL LPS is dead and with no power going to it please let me know where to go from here thanks
Was this
answer
helpful?
Yes
No
Thursday, November 14th, 2019 AT 11:49 AM (Merged)
Tiny
ASEMASTER6371
  • MECHANIC
  • 52,796 POSTS
Panel lamp fuse is powered from the headlight switch when the lights are on.

Check all fuses with a test light to verify. The headlight switch may have failed but you need to check for power out of the switch for the rear tail lights

roy
Was this
answer
helpful?
Yes
No
Thursday, November 14th, 2019 AT 11:49 AM (Merged)
Tiny
JDL
  • MECHANIC
  • 16,098 POSTS
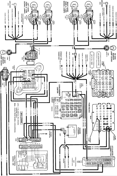
Here is wiring for headlamp switch.
Was this
answer
helpful?
Yes
No
Thursday, November 14th, 2019 AT 11:49 AM (Merged)
Tiny
BWEEZY69
  • MEMBER
  • 13 POSTS
Okay so turn head lights on and then re check power at that fuse? All the other fuses have power and are good headlights work just no parking lights dash lights or tail lighta but they were workin yesterday just not today so is it possible that the light switch is no good even though the hadlights come on?
Was this
answer
helpful?
Yes
No
+3
Thursday, November 14th, 2019 AT 11:49 AM (Merged)
Tiny
MATTTYW20
  • MEMBER
  • 113 POSTS
Heres where im at I turned the headlight switch on got power at park lamp fuse but no power at tail lights tailingts blink and the brak lights works but no pwer for just lights let em kno what you think thanks
Was this
answer
helpful?
Yes
No
+1
Thursday, November 14th, 2019 AT 11:49 AM (Merged)
Tiny
ASEMASTER6371
  • MECHANIC
  • 52,796 POSTS
Yes it is.
Was this
answer
helpful?
Yes
No
+1
Thursday, November 14th, 2019 AT 11:49 AM (Merged)
Tiny
JDL
  • MECHANIC
  • 16,098 POSTS
I gave you everything you need to check circuits at headlamp switch. Unless you can do the testing. I don't know where to go from here.
Was this
answer
helpful?
Yes
No
Thursday, November 14th, 2019 AT 11:49 AM (Merged)
Tiny
BWEEZY69
  • MEMBER
  • 13 POSTS
So if the orange and red wire have power at the switch that means switch is no good? Theres been a delay with my headlights coming on for a few days before this mess happened so I think th eswitch finall quit
Was this
answer
helpful?
Yes
No
Thursday, November 14th, 2019 AT 11:49 AM (Merged)
Tiny
MATTTYW20
  • MEMBER
  • 113 POSTS
I kno you gave the diagram but I was wondering is there any parking lamp relays that could have blown I kno there's 2 relays above the fusebox and 2 inside the fuse box do any of them control the parking lights thanks in advance for your help
Was this
answer
helpful?
Yes
No
Thursday, November 14th, 2019 AT 11:49 AM (Merged)
Tiny
MATTTYW20
  • MEMBER
  • 113 POSTS
  • 1990 CHEVROLET TRUCK
  • 130,000 MILES
My tail lights dont work parking lights dont work and my dash lights dont work headlights work and my interrior lights work so I think my dimmer switch is alright brake lights and signals all work its late but pulled some fuses out and they looked alright but for the past month ive noticed theres been a delay in my dash lights coming on so is it safe to say that my light switch is no good oor what do you guys think please let me know thanks
Was this
answer
helpful?
Yes
No
Thursday, November 14th, 2019 AT 11:49 AM (Merged)
Tiny
MATTTYW20
  • MEMBER
  • 113 POSTS
All the fuses were good I had no power at the PARK LP fuse soo where do I go from here
Was this
answer
helpful?
Yes
No
Thursday, November 14th, 2019 AT 11:49 AM (Merged)
Tiny
ASEMASTER6371
  • MECHANIC
  • 52,796 POSTS
If you have power in, then you need to check for power out.

It sounds like the switch

roy
Was this
answer
helpful?
Yes
No
Thursday, November 14th, 2019 AT 11:49 AM (Merged)
Tiny
JDL
  • MECHANIC
  • 16,098 POSTS
No park lamp relay according to my diagrams. Park lamps get voltage from light switch, brown wire is voltage for park lamps.
Was this
answer
helpful?
Yes
No
Thursday, November 14th, 2019 AT 11:49 AM (Merged)
Tiny
MATTTYW20
  • MEMBER
  • 113 POSTS
Actually my park lp fuse is fine it was my pnl light fuse I think?
Was this
answer
helpful?
Yes
No
Thursday, November 14th, 2019 AT 11:49 AM (Merged)
Tiny
BWEEZY69
  • MEMBER
  • 13 POSTS
I took switch out had power on red an orange wire then flipped it an the yellow wire had power I don't wanna spend the 20 bucks If its not the switch but with what I jus told you do you think it's likely the switch
Was this
answer
helpful?
Yes
No
Thursday, November 14th, 2019 AT 11:49 AM (Merged)

Please login or register to post a reply.