Tailgate and windows issue?

Tiny
BHAMDOC1973
  • MEMBER
  • 2005 LEXUS RX 330
  • 6 CYL
  • 2WD
  • AUTOMATIC
  • 240,000 MILES
I noticed that the tail gate won't open using the remote, the button under the steering, and even from the button on top of the license plate. I can open it manually from inside by removing the cover and unlatching the lock. Initially the gate would close by power from the button on the gate when its open, I press it and I hear the beeps and it closes fine. I removed the latch to see if anything is broken or any wires are cut, none. Then Tried the button on the gate to close it and now it won't close. Checked fuse 30amp under the hood and it is fine. I noticed also that master window switch the driver side window works but not the other 3, the lock/unlock also does not work. Since the battery was dead, I tried to reinitiate the windows but did not work. But you can still open the windows from each individual switch. I am thinking the master switch maybe bad, and since the lock unlock must be unlocked for the gate to open maybe that is why it is not working at all. Am just baffled.
Also, the AC head unit is not responsive, none of the buttons work or light up. This maybe a different issue, but I ordered another head unit for that. When all these codes deleted the last 2 remain, but they all come back again after I start it. Also if you can find for me where the door system communication bus or module is located, I want to disconnect it and see if the rest of the stuff work. The issues all started with the HVAC head unit just blinking whenever I hit the buttons, but nothing worked. Then it died completely, so am thinking one of them is fried and the circuit is shorted somewhere.
Saturday, August 17th, 2024 AT 7:11 AM

22 Replies

Tiny
KEN L
  • MASTER CERTIFIED MECHANIC
  • 55,488 POSTS
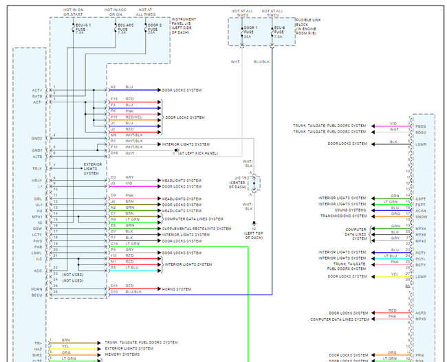
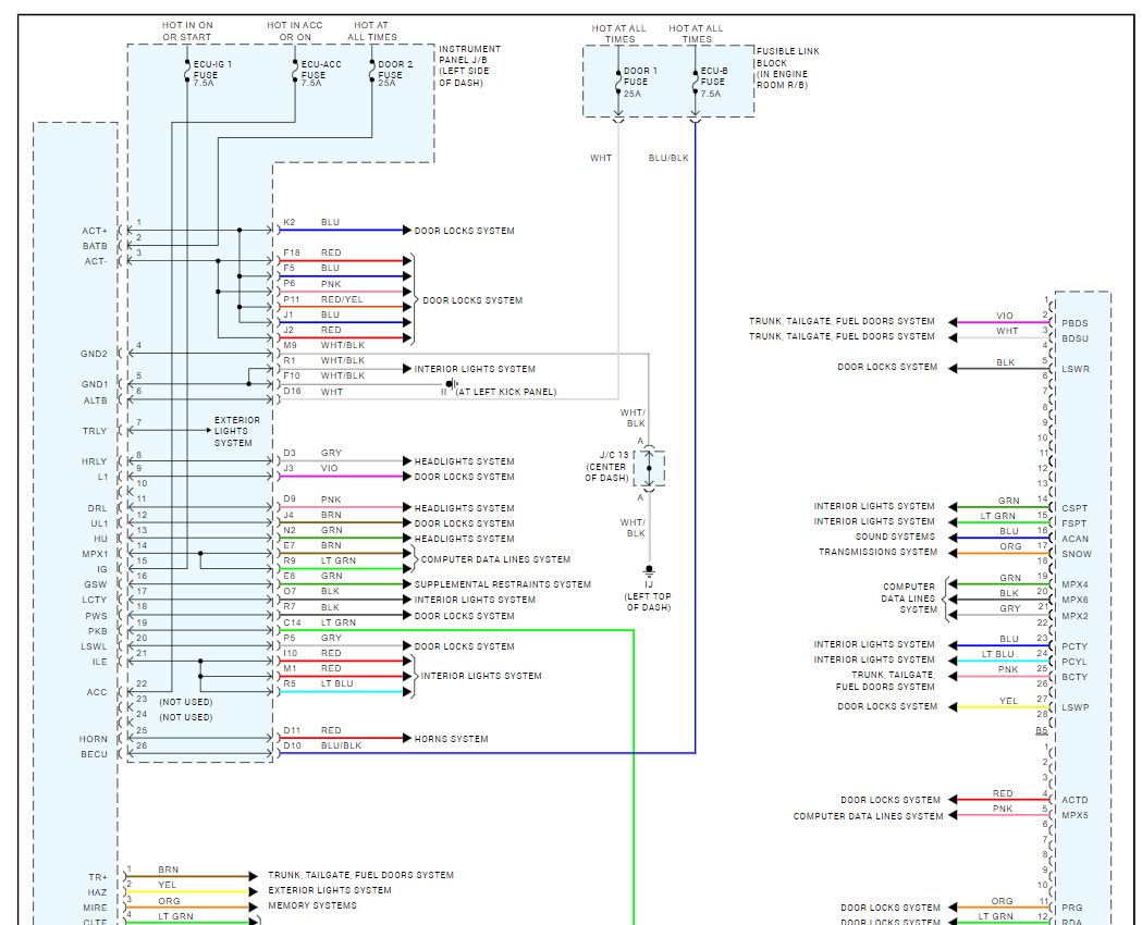
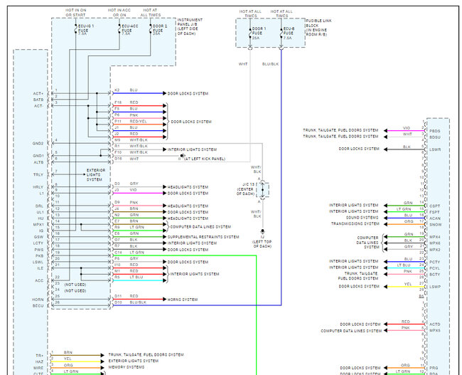
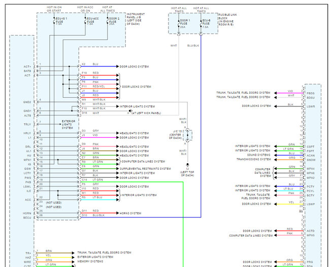
The Body ECU, runs all three of these systems, can you please check the body ECU-B fuse 7.5 amp and the Door1 20 amp fuse in the fuse panel under the hood? Also, check the ECU -ig1, ECU ACC, and Door2 fuses as well, have the key on when testing, here is a guide to help:

https://www.2carpros.com/articles/how-to-check-a-car-fuse

Here are the location of the fuses. Check out the images (below). Please let us know what happens.
Was this
answer
helpful?
Yes
No
Monday, August 19th, 2024 AT 9:01 AM
Tiny
BHAMDOC1973
  • MEMBER
  • 2,018 POSTS
Checked under hood they good, checked under panel of driver side and they good.
Was this
answer
helpful?
Yes
No
Monday, August 19th, 2024 AT 10:33 AM
Tiny
KEN L
  • MASTER CERTIFIED MECHANIC
  • 55,488 POSTS
Okay, it sounds like the body ECU has stopped working, I would check the power and grounds to it, and if they are okay send the Body ECU for testing or replacement, you can get a preprogrammed unit by searching Google or Ebay.

https://www.2carpros.com/articles/how-to-use-a-test-light-circuit-tester

Check out the images (below). Please let us know what happens.

Was this
answer
helpful?
Yes
No
Tuesday, August 20th, 2024 AT 8:42 AM
Tiny
BHAMDOC1973
  • MEMBER
  • 2,018 POSTS
I see. So, the body ECU is basically the fuse box under the panel of driver side? Or is it just in the same location?
Was this
answer
helpful?
Yes
No
Tuesday, August 20th, 2024 AT 1:11 PM
Tiny
KEN L
  • MASTER CERTIFIED MECHANIC
  • 55,488 POSTS
Yep, you are correct, it is basically the fuse panel and body ECU all in one.
Was this
answer
helpful?
Yes
No
Wednesday, August 21st, 2024 AT 8:47 AM
Tiny
BHAMDOC1973
  • MEMBER
  • 2,018 POSTS
It would not need programming would it?
Was this
answer
helpful?
Yes
No
Wednesday, August 21st, 2024 AT 8:49 AM
Tiny
BHAMDOC1973
  • MEMBER
  • 2,018 POSTS
I will swap it.
Was this
answer
helpful?
Yes
No
Thursday, August 22nd, 2024 AT 5:27 AM
Tiny
KEN L
  • MASTER CERTIFIED MECHANIC
  • 55,488 POSTS
It does not say. This is all it gives me.
Was this
answer
helpful?
Yes
No
Thursday, August 22nd, 2024 AT 9:44 AM
Tiny
BHAMDOC1973
  • MEMBER
  • 2,018 POSTS
Any instructions on how to remove it?
Was this
answer
helpful?
Yes
No
Thursday, August 22nd, 2024 AT 9:56 AM
Tiny
BHAMDOC1973
  • MEMBER
  • 2,018 POSTS
I got it out, waiting on replacement.
Was this
answer
helpful?
Yes
No
Thursday, August 22nd, 2024 AT 11:22 AM
Tiny
KEN L
  • MASTER CERTIFIED MECHANIC
  • 55,488 POSTS
Thank you for letting us know.
Was this
answer
helpful?
Yes
No
Friday, August 23rd, 2024 AT 7:06 AM
Tiny
BHAMDOC1973
  • MEMBER
  • 2,018 POSTS
Ugh, same issues after replacing it. Door locks, mirrors, power tailgate, HVAC, and all windows except driver side.
Was this
answer
helpful?
Yes
No
Thursday, August 29th, 2024 AT 6:47 AM
Tiny
KEN L
  • MASTER CERTIFIED MECHANIC
  • 55,488 POSTS
When you said the fuses are good in the post above do you mean the fuses have power? Also, I have marked the ground that needs to be double checked as well.
Was this
answer
helpful?
Yes
No
Thursday, August 29th, 2024 AT 10:19 AM
Tiny
BHAMDOC1973
  • MEMBER
  • 2,018 POSTS
Yes, they have power. I'll recheck fuses again and check grounds. Not sure what that left top of dash means but I'll look.
Was this
answer
helpful?
Yes
No
Thursday, August 29th, 2024 AT 10:43 AM
Tiny
BHAMDOC1973
  • MEMBER
  • 2,018 POSTS
So, this wire goes up then goes into the door wire harness, found it loose/cut so removed panel. Looks like it's going to the speaker.
Was this
answer
helpful?
Yes
No
Thursday, August 29th, 2024 AT 12:29 PM
Tiny
BHAMDOC1973
  • MEMBER
  • 2,018 POSTS
Those 2 grounds are fine too. Rechecked fuses
With probe and with ignition on all under hood and under panel and they all have power. Unplugged the amp, which I guess that is what it is still same issues.
Was this
answer
helpful?
Yes
No
Thursday, August 29th, 2024 AT 12:44 PM
Tiny
BHAMDOC1973
  • MEMBER
  • 2,018 POSTS
Now my question is, do those wires coming to the speakers up front, the driver's door one and the upper dash speaker, do they feed into anything else? I am talking about the original ones that were cut. There is no way that this butcher job has nothing to do with what is going on.
Was this
answer
helpful?
Yes
No
Thursday, August 29th, 2024 AT 12:57 PM
Tiny
KEN L
  • MASTER CERTIFIED MECHANIC
  • 55,488 POSTS
The body ECU does work with the sounds system, it looks like you are close to finding it being a wiring harness issue. You might want to do a pin to pin test, ot just remove the harness for inspection. It looks like the wiring got hacked by someone.
Was this
answer
helpful?
Yes
No
Friday, August 30th, 2024 AT 9:36 AM
Tiny
BHAMDOC1973
  • MEMBER
  • 2,018 POSTS
Can you explain a bit more of where to do a pin to pin? As I am baffled right now of where the issue could be. I was thinking that cutting the wires to the speaker in the door wouldn't affect anything as these 2 wires were among the harness in the door and only going to the speaker. But the harness at the amp, the 2 sets of wires coming from the amp were cut from the harness in the back, and that is where I am confused. Aren't those 2 sets coming from the body ecu? And so, what would the cut in the loop affect? Isn't it, for example, coming from the fuse in the body wcu responsible just for sound? And so, should it not affect anything else? Just brainstorming.
Was this
answer
helpful?
Yes
No
Friday, August 30th, 2024 AT 9:41 AM
Tiny
KEN L
  • MASTER CERTIFIED MECHANIC
  • 55,488 POSTS
Sure, this guide can help, a pin-to-pin tests each wire in the system for continuity and resistance to ground.

https://www.2carpros.com/articles/how-to-check-wiring

This guide can show you. Here are the hatchback and window wiring diagrams to complete the body ECU circuits. Recheck power inputs and grounds. Check out the images (below). Please let us know what happens.
Was this
answer
helpful?
Yes
No
Friday, August 30th, 2024 AT 9:52 AM

Please login or register to post a reply.