Swapped manual doors for power windows, need wiring diagram

Tiny
CATHY.J.DAY.3
  • MEMBER
  • 2003 GMC SIERRA
  • 5.3L
  • V8
  • 2WD
  • AUTOMATIC
  • 150,000 MILES
I need instructions on how to wire the power doors off of a 1999 Chevy Silverado onto my 2003 GMC Sierra that had manual windows I need wiring diagrams or how to hook those up please?
Tuesday, March 1st, 2022 AT 6:07 PM

1 Reply

Tiny
JACOBANDNICKOLAS
  • MECHANIC
  • 110,194 POSTS
Hi,

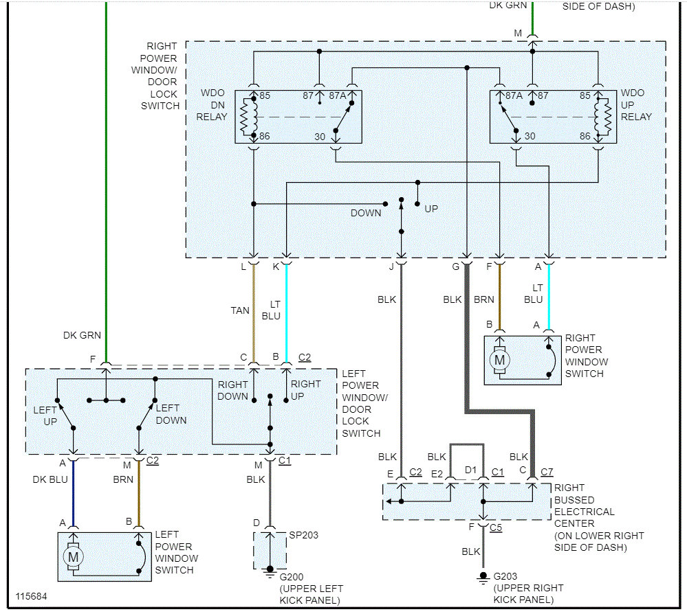
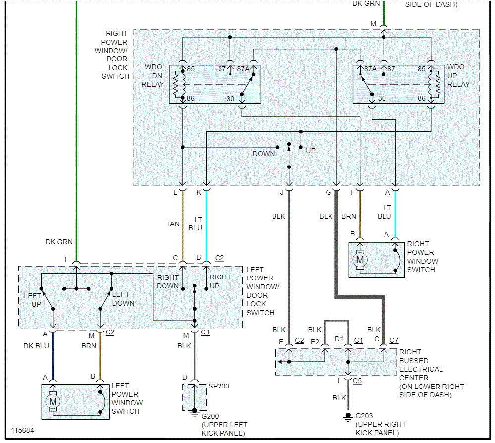
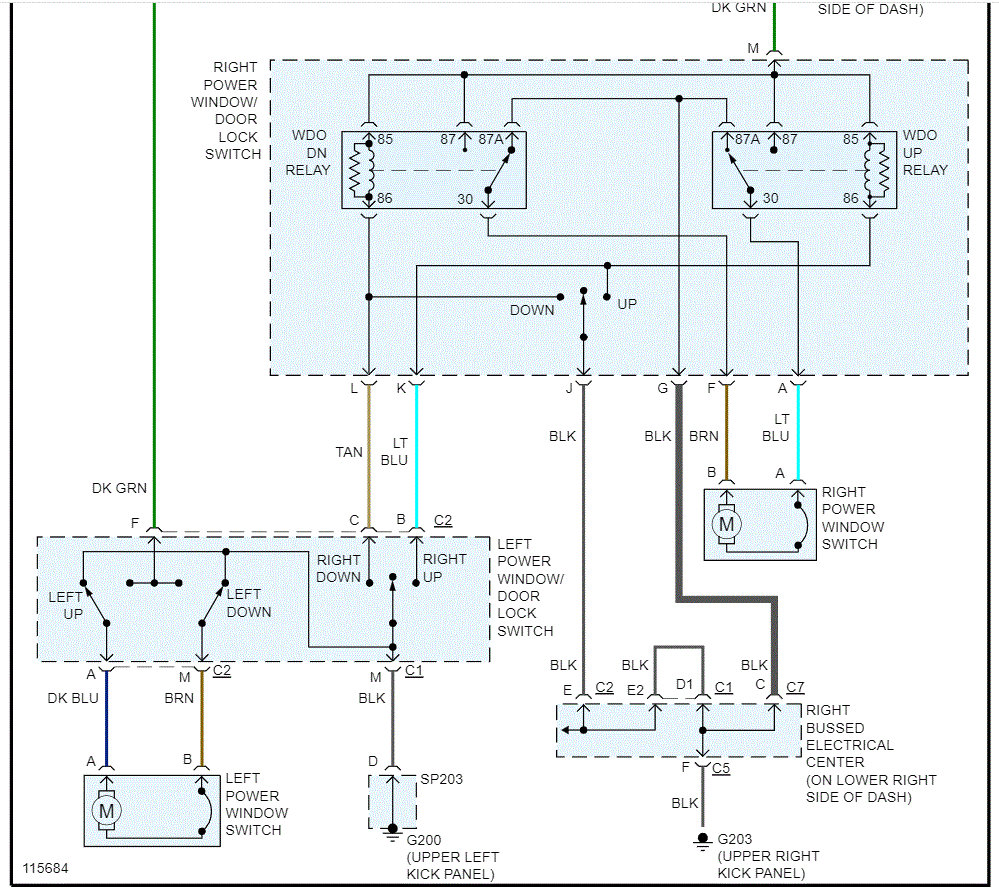
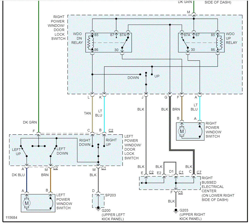
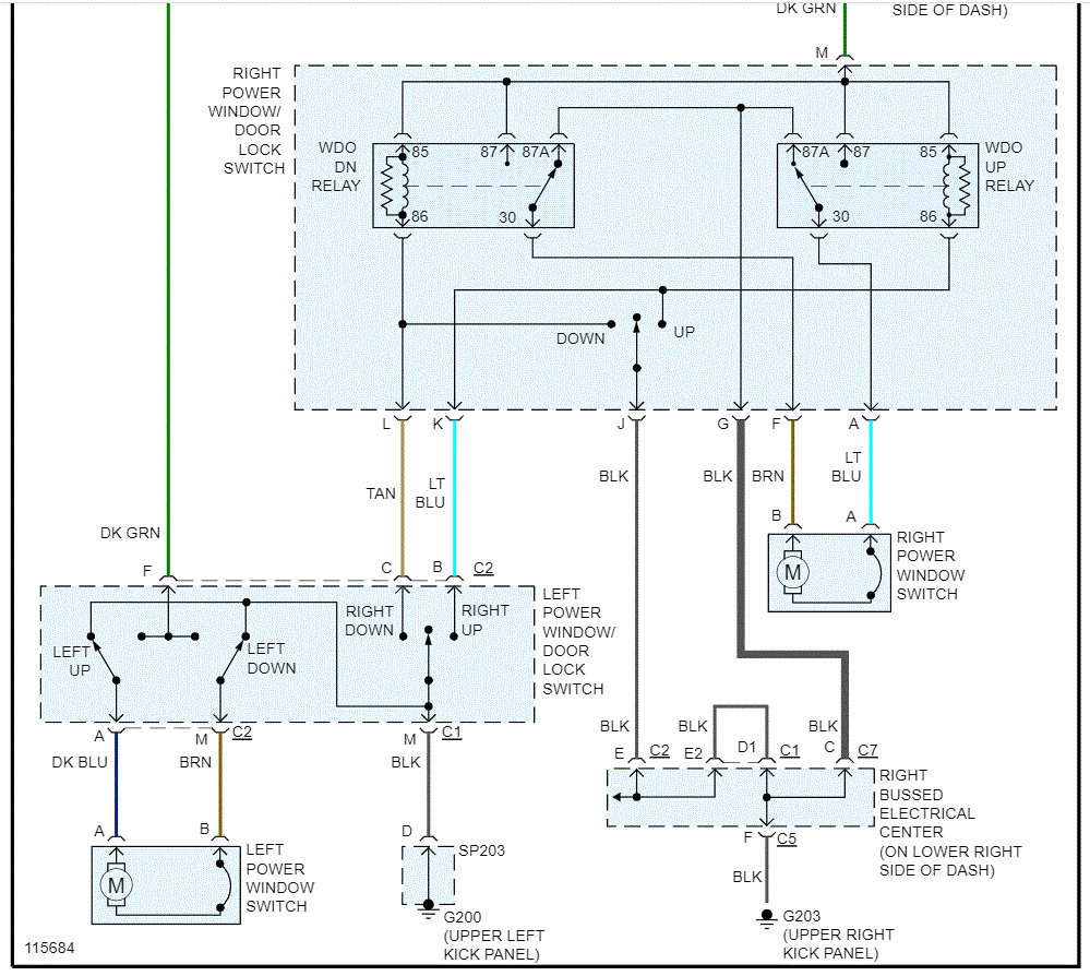
The difference in model years changes the design of the circuit. I'm not sure what all you received with the replacement doors, so I added the wiring schematics below for both the 2003 GMC and the 1999 Chevy.

Take a look through them and let me know if they help or if you have other questions. This may end up a little more difficult than you expected. Regardless, let's see if we can get it to work.

Here is a link you may find helpful when working with the wiring:

https://www.2carpros.com/articles/how-to-check-wiring

Let me know.

Joe

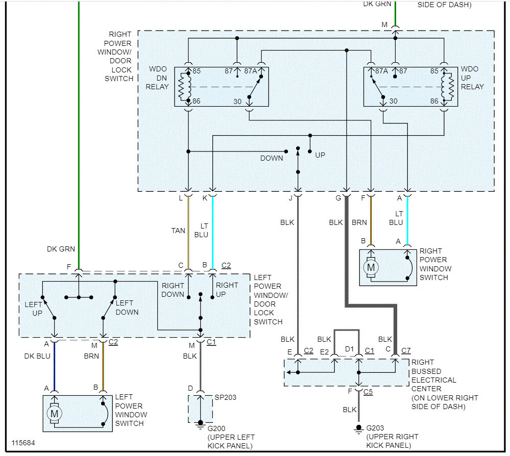
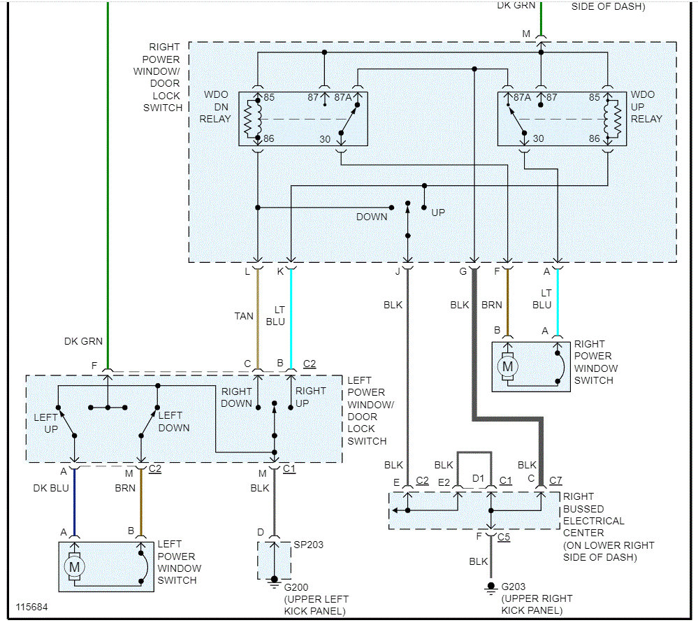
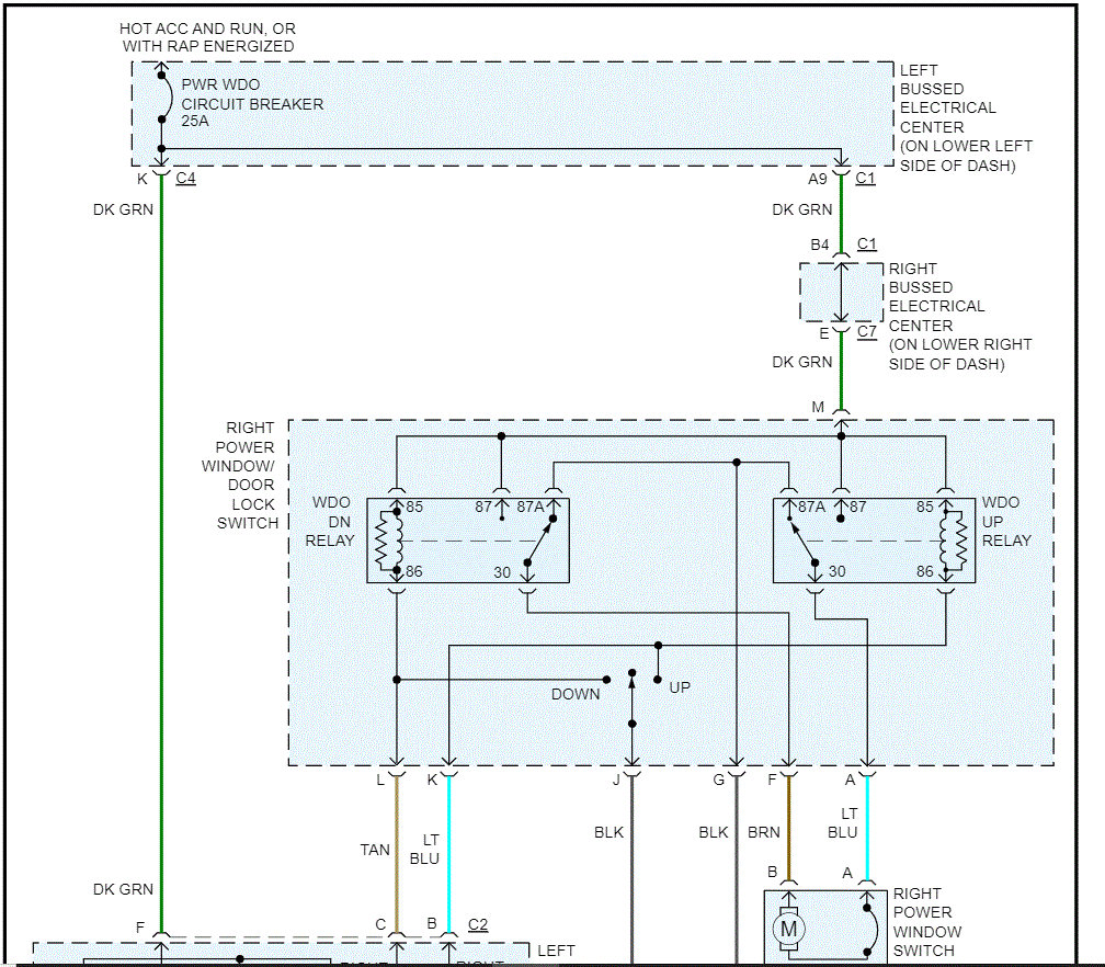
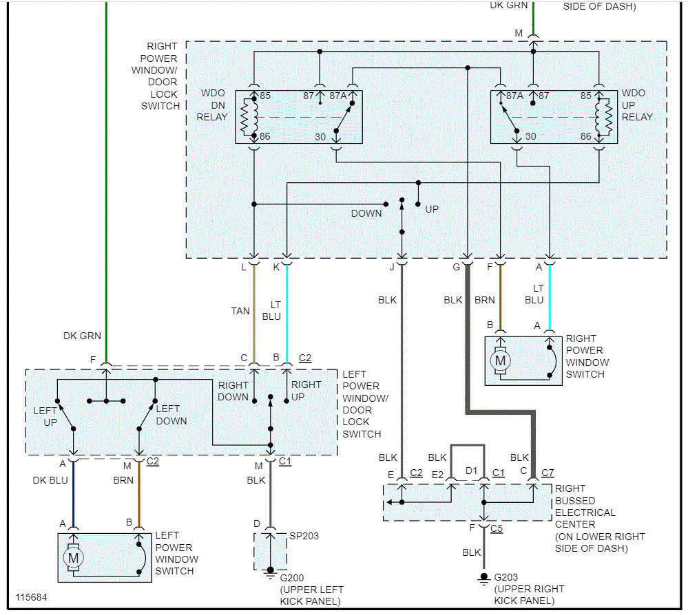
See pics below. Note: Pics 1 and 2 are the schematics for the 2003 and pics 3 and 4 are for the 1999. Each schematic in my manual was only one page, but I had to cut each in half to make them readable for you. I did overlap them so you can follow from one to the next.

Let me know.
Was this
answer
helpful?
Yes
No
+1
Wednesday, March 2nd, 2022 AT 7:06 PM

Please login or register to post a reply.