Power window wiring diagram

Tiny
DREWAPICTURE
  • MEMBER
  • 1999 GMC SIERRA
  • 5.3L
  • V8
  • 4WD
  • 120,000 MILES
Swapped out doors on my '06 chevy silverado 1500 v8 5.3l 4x4 automatic transmission. They had power locks and manual windows. For two '99 gmc sierra doors which have power windows, heated power mirrors, power locks, and a light. I need to know which pins on the switch (door locks and windows) need positive and which ones need ground. (They wont plug and play) they plug but no play.
Tuesday, July 15th, 2014 AT 5:13 PM

7 Replies

Tiny
HMAC300
  • MECHANIC
  • 48,601 POSTS
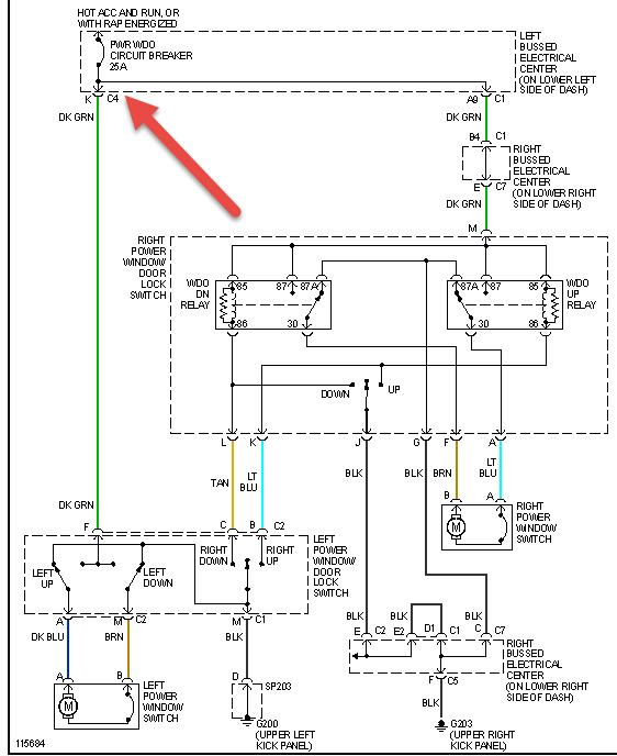
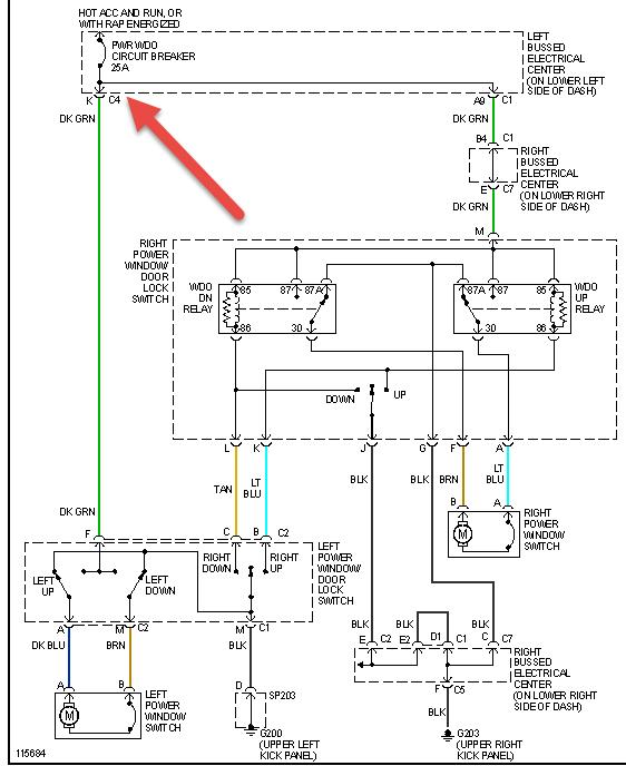
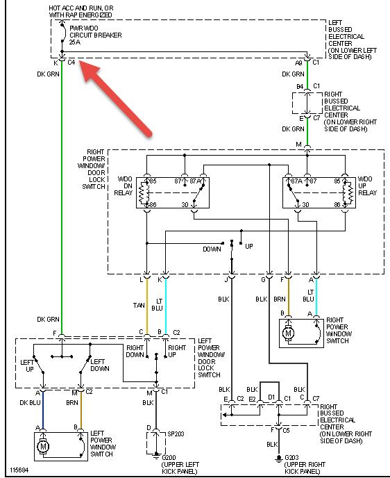
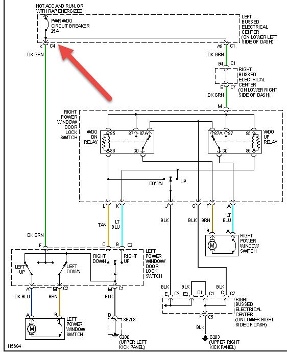
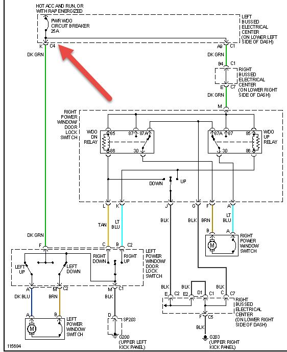
Here is a diagram for power windows for your truck. Make absolutely sure you put the circuit breaker in so you don't have an unprotected circuit. Check out the diagrams (Below). Please let us know if you need anything else to get the problem fixed.
Was this
answer
helpful?
Yes
No
+15
Thursday, July 17th, 2014 AT 12:18 PM
Tiny
DREWAPICTURE
  • MEMBER
  • 2 POSTS
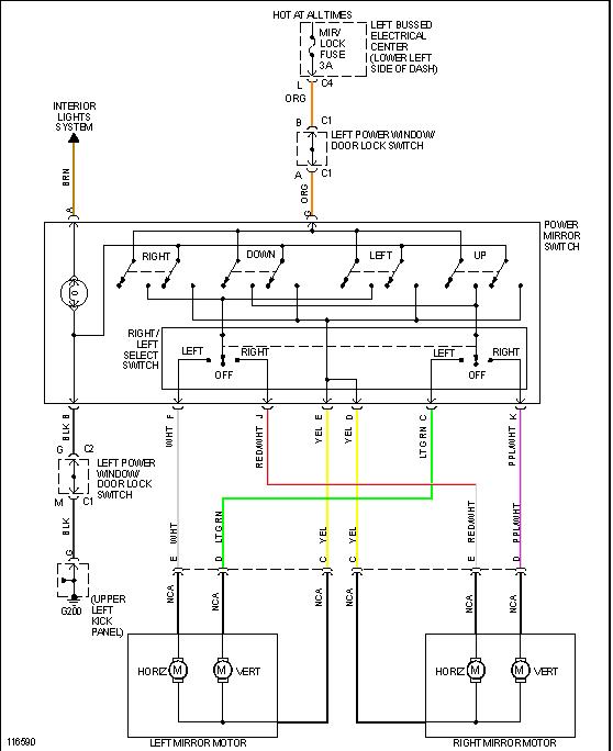
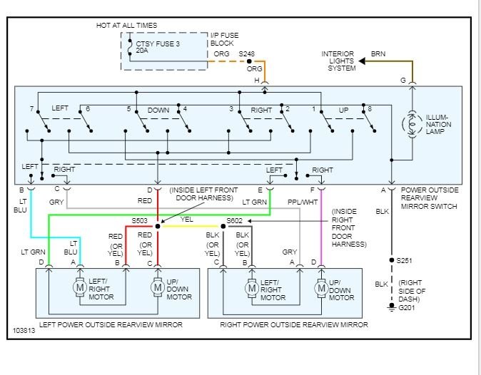
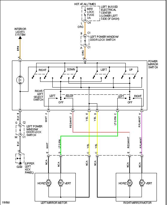
Hi, thanks for the help. I got it working complete with a fused link. Now I am having trouble with the power mirrors. I need a wiring diagram of the switch. 10 pin connection, 9 wires, which are power and ground? Thanks
Was this
answer
helpful?
Yes
No
+1
Saturday, August 2nd, 2014 AT 9:00 AM
Tiny
HMAC300
  • MECHANIC
  • 48,601 POSTS
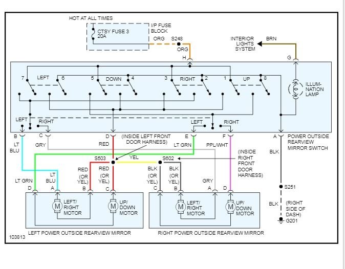
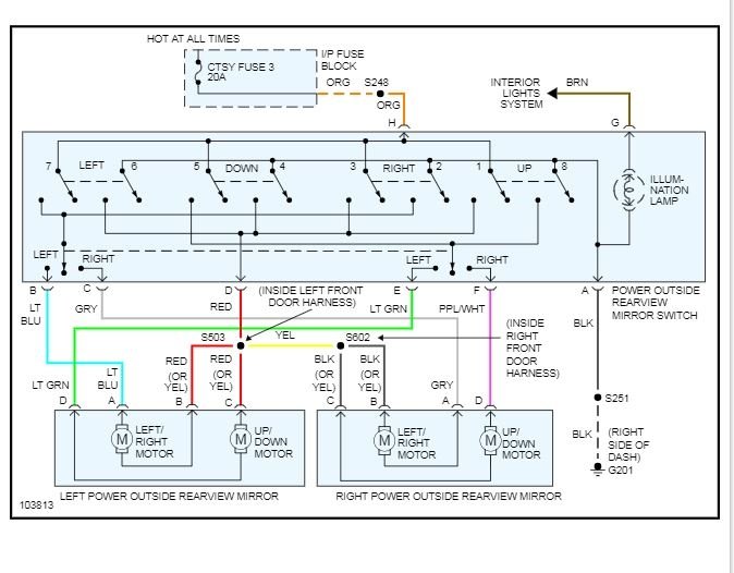
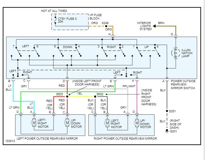
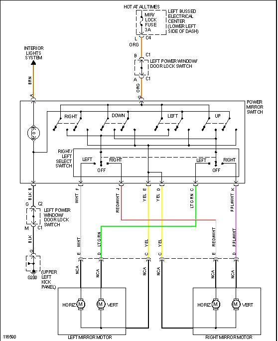
Top one is for 1999, bottom for 1998

Hope this helps
Was this
answer
helpful?
Yes
No
+6
Saturday, August 2nd, 2014 AT 9:16 AM
Tiny
KELVINP
  • MEMBER
  • 1 POST
  • 1999 GMC SIERRA
  • V8
  • 4WD
  • AUTOMATIC
  • 204,698 MILES
Driver side window will not go down, I have replaced motor and switch powers motor in both up and down positions. I suspect that the down limit switch is made if there is one where is it and how can I check it?
Was this
answer
helpful?
Yes
No
+2
Saturday, May 30th, 2020 AT 12:06 PM (Merged)
Tiny
GMTECH
  • MECHANIC
  • 537 POSTS
If you can operate the motor in both up and down positions and the motor actualy drives then you need to have look at your window regulator. Quite common for the drive cable to fray and break. Have a look at that first. If you had no power to the motor still after replacing the switch I would have said check the wiring in the door boot.
Was this
answer
helpful?
Yes
No
Saturday, May 30th, 2020 AT 12:06 PM (Merged)
Tiny
BOB502
  • MEMBER
  • 22 POSTS
  • 1999 GMC SIERRA
  • V8
  • 4WD
  • AUTOMATIC
  • 250,000 MILES
What causes my power window to squeak when I push the close window button
Was this
answer
helpful?
Yes
No
+1
Saturday, May 30th, 2020 AT 12:06 PM (Merged)
Tiny
CARADIODOC
  • MECHANIC
  • 34,464 POSTS
If it's a high-pitched screeching sound, check for sand or small rocks in the rubber seal at the top of the door / bottom of the window opening. You might see very fine scratches in the glass too going up and down. You can pull the rubber back by hand and run your finger over it to remove those rocks.

If it's coming from inside the door, the regulator might have a wire cable that runs on plastic pulleys. The engineers didn't understand, or didn't care, that those cables fray and come apart and the pulleys crack. You might be able to look down inside to see that when the window is rolled all the way down.

Look at the rubber channels the glass slides in. Normally they get real sluggish and take a long time to roll up when bug juice and other debris gets in there. To address that, spray both channels liberally with Silicone Spray Lube. The Chrysler dealer's parts department has that, and you can find it at most auto parts stores. I'm sure the GM dealers have it too, but it will be at a much higher cost. It sprays on like water, then evaporates and leaves a lot of "slippery" behind. Works real well for sluggish seat belts and for sliding rubber hoses onto metal pipes.
Was this
answer
helpful?
Yes
No
Saturday, May 30th, 2020 AT 12:06 PM (Merged)

Please login or register to post a reply.