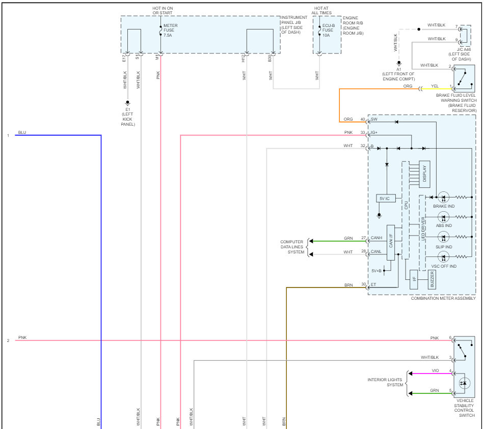
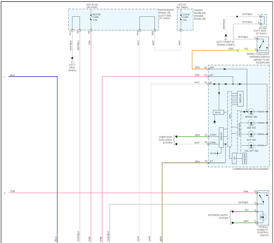
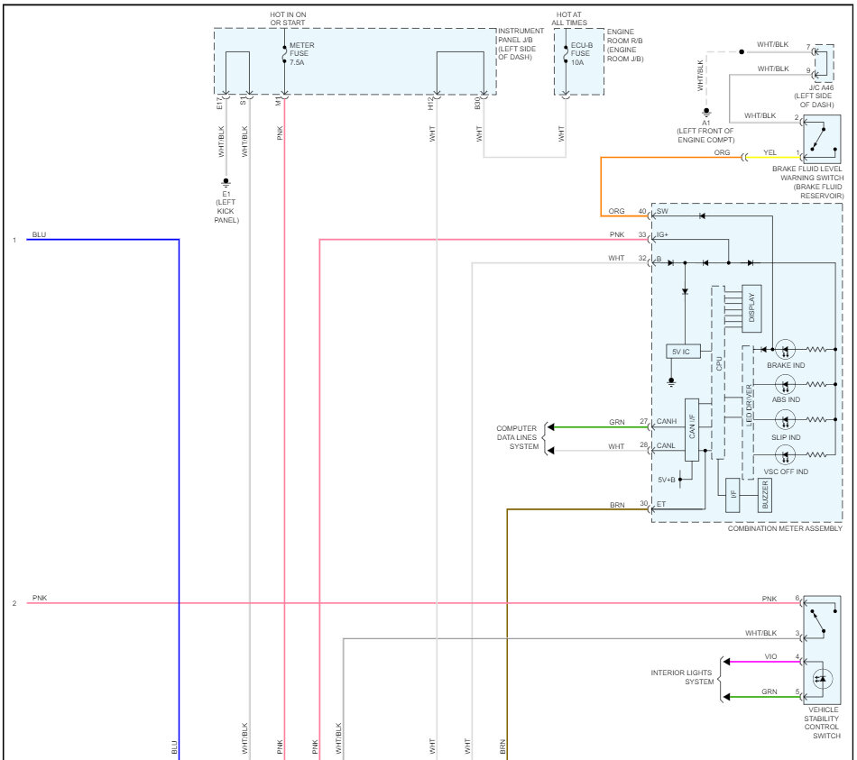
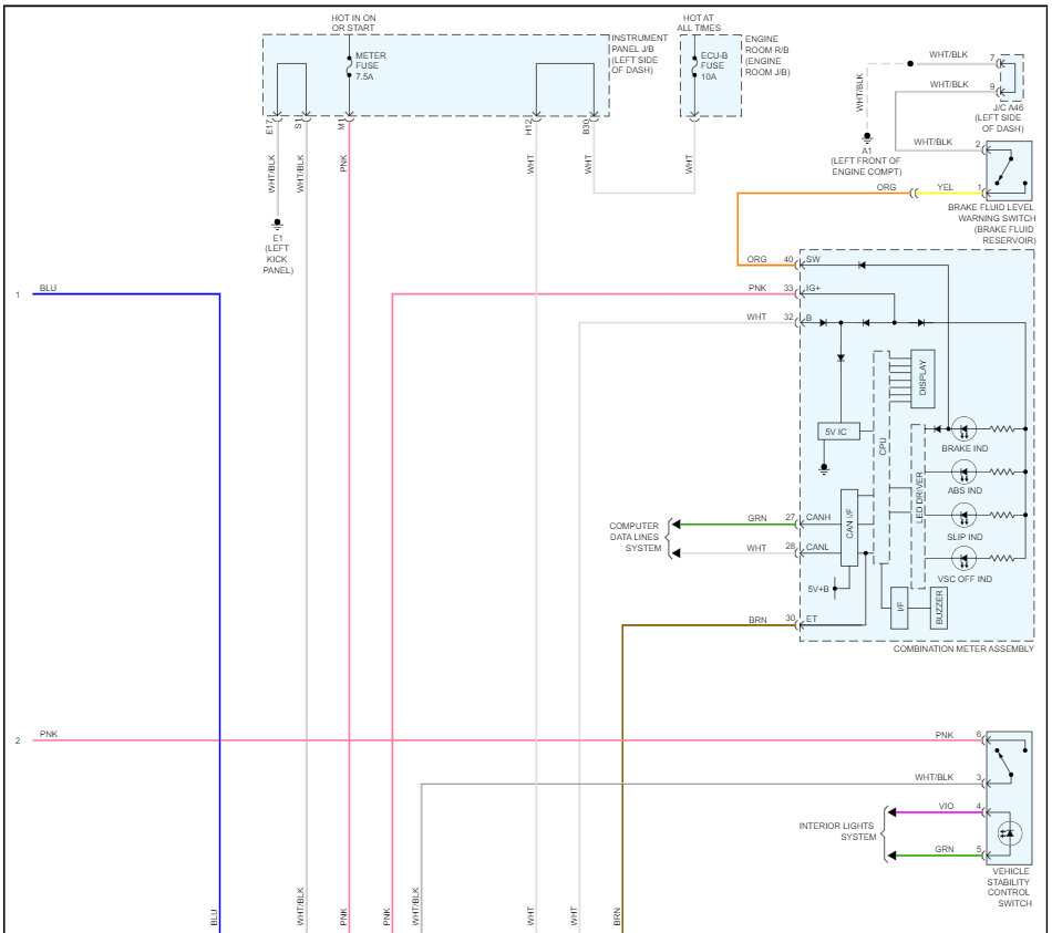
Wednesday, August 2nd, 2023 AT 9:07 AM
Hello, the vehicle engine speed do increase suddenly to like 3,000rpm at startup and reduces after a while, the fuel injector and mass airflow has been cleaned. When the vehicle was scanned the code were on Oxygen sensor but the oxygen has been replaced and the codes are still available. What could be done?







