Good exhaust pressure ?
What was the reading ?
Do you have a scanner that you can use to read TPS volts and PCM (ECU) data
Does it stalls or slowly fade and stall out
hook a vacuum gauge on a main vacuum source and check vacuum at idle and at 1500rpm
it said you have a spark do you have injector pulse or was it checked
TESTS W/CODES - 1997 Toyota Corolla
DTC P0120: THROTTLE POSITION (TP) SENSOR CIRCUIT MALFUNCTION
CAUTION:If ECM replacement is instructed in following testing, always ensure ECM connectors and ground circuit are okay. If either are suspect, repair and repeat testing to confirm ECM malfunction.
Circuit Description
The TP sensor is a variable resistor that monitors throttle opening. The ECM determines vehicle driving condition and adjusts air/fuel mixture accordingly. DTC is set when ECM consistently detects less than .1 volt or more than 4.9 volts on VTA circuit. Possible causes are:
à   Open or short in TP sensor circuit.
à   TP sensor.
à   ECM.
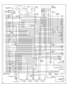
NOTE: If DTCs P0105, P0106, P0110, P0115 and P0120 are output together, inspect ECM terminal E2 (ground) circuit. Repair as necessary. See appropriate wiring diagram in WIRING DIAGRAMS article.
Diagnosis & Repair
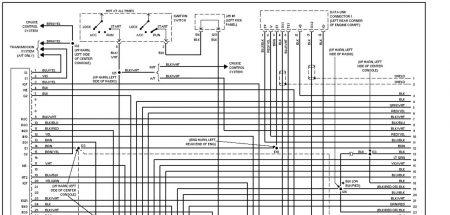
1.Connect scan tool to DLC No. 3 connector. See Fig. 1 . Turn ignition on. Using scan tool, monitor throttle valve opening percentage. Opening percentage should be approximately 10 percent with fully closed throttle.
2.Depress accelerator pedal to floor (WOT). Opening percentage should be approximately 70 percent. If percentages are as specified, check all connections. Problem may be intermittent.
3.If percentages are not as specified, turn ignition off. Disconnect TP sensor connector. Turn ignition on. Using DVOM, measure voltage between ground and terminal No. 4 (Yellow wire) at TP sensor wiring harness connector. If voltage is 4.5-5.5 volts, go to next step. If voltage is not 4.5-5.5 volts, go to step 7).
4.Check TP sensor. . Replace sensor as necessary. If sensor is okay, go to next step.
5.Access ECM behind bottom center of instrument panel, in front of console. Turn ignition on. Backprobing ECM connector, measure voltage between terminals No. 9 (Brown wire) and No. 11 (Light Green wire) at ECM E9 connector. See Fig. 2 . Voltage should be .3-.8 volt with throttle fully closed, and 3.2-4.9 volts with throttle fully open (WOT).
6.If voltage is as specified, replace ECM and retest. If voltage is not as specified, check for an open or short in wiring harness between TP sensor and ECM. Repair wiring as necessary.
7.Access ECM behind bottom center of instrument panel, in front of console. Turn ignition on. Backprobing ECM connector, measure voltage between terminals No. 1 (Red wire) and No. 9 (Brown wire) at ECM E9 connector. See Fig. 2 . If voltage is 4.5-5.5 volts, check wiring harness for an open in Red wire. If voltage is not 4.5-5.5 volts, replace ECM and retest.


Tuesday, October 5th, 2010 AT 6:02 PM